8.11M
Category: electronicselectronics

Code Converters, Multiplexers, and Demultiplexers Lecture 8 Digital Electronics

1.

Code Converters, Multiplexers,
and Demultiplexers
Lecture 8
Digital Electronics

2.

Course Materials
All needed Software and course materials will
be located on Canvas.
◻ Materials that are used in this slides are taken
from the textbook “Digital Electronics A
Practical Approach with VHDL” by William
Kleitz

3.

Code Converters, Multiplexers,
and Demultiplexers
Information, or data, comes in many formats
◻ mechanisms for conversion, transfer, and
selection of data are handled by combinational
logic ICs
◻ data-handling MSI chips

◻ comparators
◻ decoders
◻ encoders
◻ code converters
◻ multiplexers
◻ demultiplexers

4.

Comparators

compare two binary strings (or binary words)
◻ determine if they are exactly equal (outputs a 1)
◻ exclusive-NOR gate - compare the equality of bits

connect all outputs of XNOR into an AND gate

5.

4-bit magnitude comparator
determines if A =s B, A > B, A < B
◻ expansion inputs are used for expansion to a
system capable of comparisons greater than 4
bits

6.

VHDL Comparator Using IF-THENELSE

7.

VHDL Comparator

To get the block symbol file (bsf )
◻ File > Create/Update > Create Symbol Files

view the file
◻ File > Open
◻ select the bsf file
LIBRARY ieee;
USE ieee.std_logic_1164.ALL;
ENTITY L6_COMPARATOR IS
PORT(
a, b
: IN std_logic_vector(7 DOWNTO 0);
agb, aeb, alb : OUT std_logic
);
END L6_COMPARATOR;
ARCHITECTURE arc of L6_COMPARATOR IS
SIGNAL result : std_logic_vector(2 DOWNTO 0);
BEGIN
PROCESS(a,b)
BEGIN
IF a < b THEN result <= "001";
ELSIF a = b THEN result <= "010";
ELSIF a > b THEN result <= "100";
ELSE result <= "000";
END IF;
agb <= result(2);
aeb <= result(1);
alb <= result(0);
END PROCESS;
END arc;

8.

Decoding
converting some code
(binary, BCD, hex) into a
singular active output
representing its numeric
value
◻ decoder is made up of
combination of logic
gates

◻ produces a HIGH at one
of the outputs
◻ based on the levels at the

9.

3-Bit Binary-to-Octal Decoding

10.

3-Bit Binary-to-Octal Decoding
1-of-8 decoder
◻ 3-line-to-8-line decoder

11.

74138 is an octal decoder
with active-LOW outputs
◻ E1, E2, E3 are use to
enable the chip
◻ The extra inverters on the
inputs are required to
prevent excessive loading
of the driving sources

12.

Octal Decoder Simulation

13.

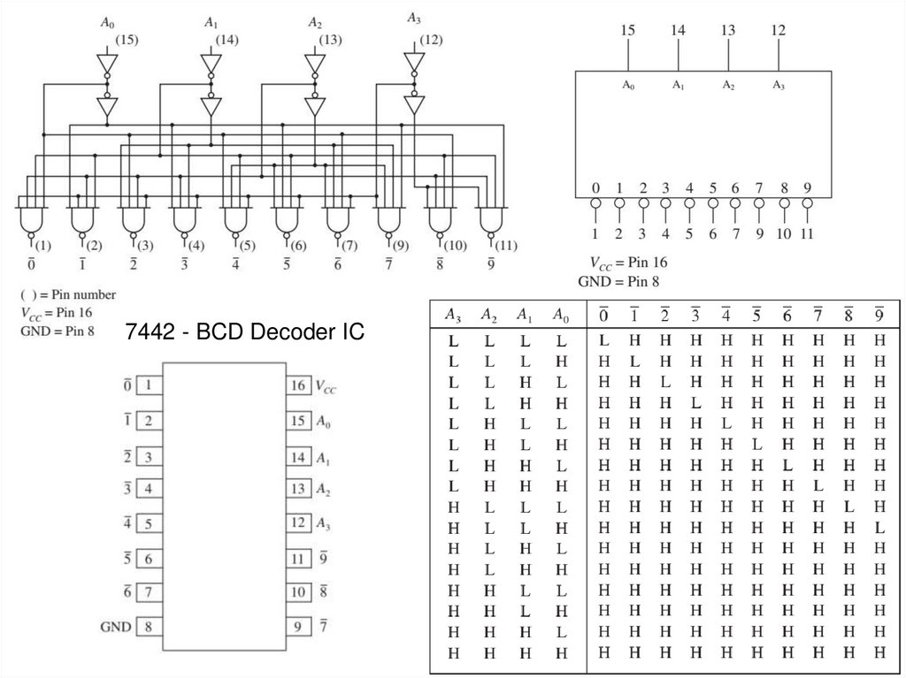
7442 - BCD Decoder IC

14.

74154 - Hexadecimal 1-of-16 Decoder IC

15.

Review Questions
1.
2.
3.
4.
More than one output of the 7485 comparator
can be simultaneously HIGH. True or false?
A BCD-to-decimal decoder has how many
inputs and how many outputs?
An octal decoder with active-LOW outputs
will output seven LOWs and one HIGH for
each combination of inputs. True or false?
Only one of the three enable inputs must be
satisfied to enable the 74138 decoder IC.
True or false?

16.

Decoders Implemented in the
VHDL Language

implement the function table for a decoder as a series of Boolean
equations
LIBRARY ieee;
USE ieee.std_logic_1164.ALL;
ENTITY L6_DECODER1 IS
PORT(
a0, a1, a2
: IN std_logic;
y0, y1, y2, y3, y4, y5, y6, y7 : OUT std_logic
);
END L6_DECODER1;
ARCHITECTURE arc OF L6_DECODER1 IS
BEGIN
y0 <= (NOT a2) AND (NOT a1) AND (NOT a0);
y1 <= (NOT a2) AND (NOT a1) AND (
a0);
y2 <= (NOT a2) AND (
a1) AND (NOT a0);
y3 <= (NOT a2) AND (
a1) AND (
a0);
y4 <= (
a2) AND (NOT a1) AND (NOT a0);
y5 <= (
a2) AND (NOT a1) AND (
a0);
y6 <= (
a2) AND (
a1) AND (NOT a0);
y7 <= (
a2) AND (
a1) AND (
a0);
END arc;

17.

Implementing decoder using
vectors and selected signal
assignment
LIBRARY ieee;
USE ieee.std_logic_1164.ALL;
ENTITY L6_DECODER2 IS
PORT(
a : IN std_logic_vector(2 DOWNTO 0);
y : OUT std_logic_vector(7 DOWNTO 0)
);
END L6_DECODER2;
ARCHITECTURE arc OF L6_DECODER2 IS
BEGIN
WITH a SELECT y <=
"00000001" WHEN "000",
"00000010" WHEN "001",
"00000100" WHEN "010",
"00001000" WHEN "011",
"00010000" WHEN "100",
"00100000" WHEN "101",
"01000000" WHEN "110",
"10000000" WHEN "111",
"00000000" WHEN others;
END arc;

18.

Implementing decoder with
enable
LIBRARY ieee;
USE ieee.std_logic_1164.ALL;
ENTITY L6_DECODER3 IS
PORT(
en: IN std_logic;
a : IN std_logic_vector(2 DOWNTO 0);
y : OUT std_logic_vector(7 DOWNTO 0)
);
END L6_DECODER3;
ARCHITECTURE arc OF L6_DECODER3 IS
SIGNAL inputs : std_logic_vector(3 DOWNTO 0);
BEGIN
inputs <= en & a;
WITH inputs SELECT y <=
"00000001" WHEN "1000",
"00000010" WHEN "1001",
"00000100" WHEN "1010",
"00001000" WHEN "1011",
"00010000" WHEN "1100",
"00100000" WHEN "1101",
"01000000" WHEN "1110",
"10000000" WHEN "1111",
"00000000" WHEN others;
END arc;

19.

Implementing decoder with
enable using IF and CASE
LIBRARY ieee;
USE ieee.std_logic_1164.ALL;
ENTITY L6_DECODER4 IS
PORT(
en: IN std_logic;
a : IN std_logic_vector(2 DOWNTO 0);
y : OUT std_logic_vector(7 DOWNTO 0)
);
END L6_DECODER4;
ARCHITECTURE arc OF L6_DECODER4 IS
BEGIN
PROCESS (a, en)
BEGIN
IF (en = '1')
THEN
CASE a IS
WHEN "000" => y <= "00000001";
WHEN "001" => y <= "00000010";
WHEN "010" => y <= "00000100";
WHEN "011" => y <= "00001000";
WHEN "100" => y <= "00010000";
WHEN "101" => y <= "00100000";
WHEN "110" => y <= "01000000";
WHEN "111" => y <= "10000000";
WHEN others => y <= "00000000";
END CASE;
ELSE
y <= "00000000";
END IF;
END PROCESS;
END arc;

IF statements are sequential


placed within a PROCESS
CASE method is chosen

selected signal assignment method
is not allowed with IF statements

20.

Encoding
opposite process from
decoding
◻ generate a coded output
(such as BCD or binary) from
a singular active numeric
input line

21.

74147 Decimal-to-BCD
Encoder
inputs and outputs are all active-LOW
◻ 74147 is priority encoder

◻ if more than one decimal number is input
◻ the highest numeric input has priority and will be
encoded to the output

22.

Decimal-to-BCD Encoder
Simulation

23.

74148 Octal-to-Binary Encoder

EI - Active-LOW enable input


EO - Active-LOW enable output


HIGH forces all outputs to their inactive (HIGH) state
goes LOW when all inputs are inactive (HIGH) and EI is LOW
GS - Active-LOW group signal output

goes LOW whenever any of the inputs are active (LOW) and EI is LOW

24.

VHDL Octal Priority Encoder
LIBRARY ieee;
USE ieee.std_logic_1164.ALL;
ENTITY L6_ENCODER IS
PORT(
i : IN std_logic_vector(7 DOWNTO 0);
a : OUT std_logic_vector(2 DOWNTO 0)
);
END L6_ENCODER;
ARCHITECTURE arc OF L6_ENCODER IS
BEGIN
a <=
"111" WHEN i(7) = '1' ELSE
"110" WHEN i(6) = '1' ELSE
"101" WHEN i(5) = '1' ELSE
"100" WHEN i(4) = '1' ELSE
"011" WHEN i(3) = '1' ELSE
"010" WHEN i(2) = '1' ELSE
"001" WHEN i(1) = '1' ELSE
"000" WHEN i(0) = '1' ELSE
"000";
END arc;

Conditional Signal Assignment (WHEN-ELSE) statement was used instead of a
Selected Signal Assignment (WITH-SELECT-WHEN) because it operates on a
priority basis

25.

Code Converters

convert a coded number into another form
◻ more usable by a computer or digital system
◻ E.q: BCD-to-Binary Conversion

second group of BCD positions has a new
progression of powers of 2 but with a
weighting factor of 10

26.

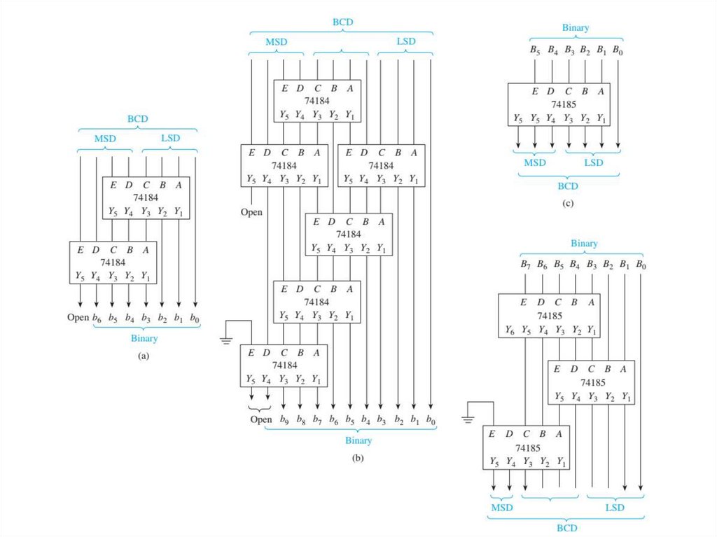
Conversion of BCD to Binary
Using the 74184
Y1 to Y5 are outputs for regular BCD-to-binary
conversion
◻ Y6 to Y8 are used for a special BCD code called nine’scomplement and ten’s-complement
◻ A through E are inputs
◻ G is enable (active-LOW)
◻ Input weightings:

◻ A= 2
◻ B=4
◻ C=8
◻ D = 10
◻ E = 20

27.

28.

Gray Code

used primarily for indicating
the angular position of a
shaft on rotating machinery

29.

Review Questions
1.
2.
3.
4.
How does an encoder differ from a decoder?
If more than one input to a priority encoder is
active, which input will be encoded?
What are the input weighting factors for A, B,
C, D, E inputs of 74184 IC?
What is the difference between Binary and
Gray code?

30.

Multiplexers

device capable of funneling several data lines
into a single line for transmission to another
point
◻ data selector
has two or more digital inputs
◻ Control signals are also input

31.

Logic diagram for a four-line
multiplexer

32.

74151 Eight-Line Multiplexer
8 Data Inputs, 3 Data Selection Lines
◻ 2 Outputs (1 for complemented)
◻ 1 Active-LOW enable pin

33.

34.

Providing Combination Logic
Functions with a Multiplexer

35.

VHDL 4-Line Multiplexer

36.

Demultiplexers

opposite procedure from multiplexing


data distributor
takes a single input data value and routes it to
one of several outputs

37.

74139 dual 4-line demultiplexer
74154 16-line demultiplexer

Decoders can be used as Demultiplexers using Enable as data
input

38.

Microprocessor Address
Decoding

39.

Alarm Encoder for a
Microcontroller

40.

Serial Data Multiplexing for a
Microcontroller

41.

Multiplexed Display Application

42.

Review Questions
1.
2.
3.
A multiplexer sometimes called a data
______ (selector/distributor) whereas
demutiplexer is sometimes called data ____
(selector/distributor)?
What is the function of the S0, S1, and S2
pins on the 74151 multiplexer?
What is the function of the A0, A1, A2, and
A3 pins on the 74154 demultiplexer?

43.

LPM Comparator and Decoder

44.

LPM Multiplexer

45.

Q&A
Any Questions?
English     Русский Rules