Дипломный проект на тему: система ПЧ-АД ВЕНТИЛЯТОРНОЙ УСТАНОВКИ
Цель дипломного проекта – разработка системы электропривода преобразователь частоты -асинхронный двигатель Задачи -
Асинхронный электродвигатель Условное обозначение: АИМ-132М4 номинальная мощность: 11 квт номинальная частота вращения: 1450
Преобразователь частоты Условное обозначение: ATV312 Мощность 11 кВТ Выходной ток: 28 А
Выходной фильтр
Автоматический выключатель
Контактор переменного тока Schneider Electric E40
Охрана труда и техника безопасности
Освещение машинного зала
ДОКЛАД ОКОНЧЕН. Спасибо за внимание!
2.62M
Categories: mechanicsmechanics electronicselectronics

Система ПЧ-АД вентиляторной установки

1. Дипломный проект на тему: система ПЧ-АД ВЕНТИЛЯТОРНОЙ УСТАНОВКИ

ДИПЛОМНЫЙ
ПРОЕКТ
НА
ТЕМУ:
СИСТЕМА
ПЧ-АД
ВЕНТИЛЯТОРНОЙ УСТАНОВКИ
Выполнил: Передков Н.Д.
Руководитель: Илясова Е.Г.

2. Цель дипломного проекта – разработка системы электропривода преобразователь частоты -асинхронный двигатель Задачи -

ЦЕЛЬ ДИПЛОМНОГО ПРОЕКТА – РАЗРАБОТКА СИСТЕМЫ
ЭЛЕКТРОПРИВОДА ПРЕОБРАЗОВАТЕЛЬ ЧАСТОТЫ -АСИНХРОННЫЙ ДВИГАТЕЛЬ
ЗАДАЧИ
- ОЗНАКОМИТЬСЯ С ВЕНТИЛЯТОРНОЙ УСТАНОВКОЙ
- РАССЧИТАТЬ МОЩНОСТЬ И ВЫБРАТЬ ЭЛЕКТРОДВИГАТЕЛЬ
МЕХАНИЗМА;
- РАССЧИТАТЬ И ПОСТРОИТЬ МЕХАНИЧЕСКИЕ ХАРАКТЕРИСТИКИ ЭД;
- РАССЧИТАТЬ И ВЫБРАТЬ ОСНОВНЫЕ ЭЛЕКТРИЧЕСКИЕ АППАРАТЫ
УПРАВЛЕНИЯ И ЗАЩИТЫ.
- ВЫПОЛНИТЬ РАСЧЕТ ТЕХНИКО-ЭКОНОМИЧЕСКИХ ПОКАЗАТЕЛЕЙ;
- ИЗУЧИТЬ ОХРАНУ ТРУДА И ТЕХНИКУ БЕЗОПАСНОСТИ;
- ВЫПОЛНИТЬ ГРАФИЧЕСКУЮ ЧАСТЬ.

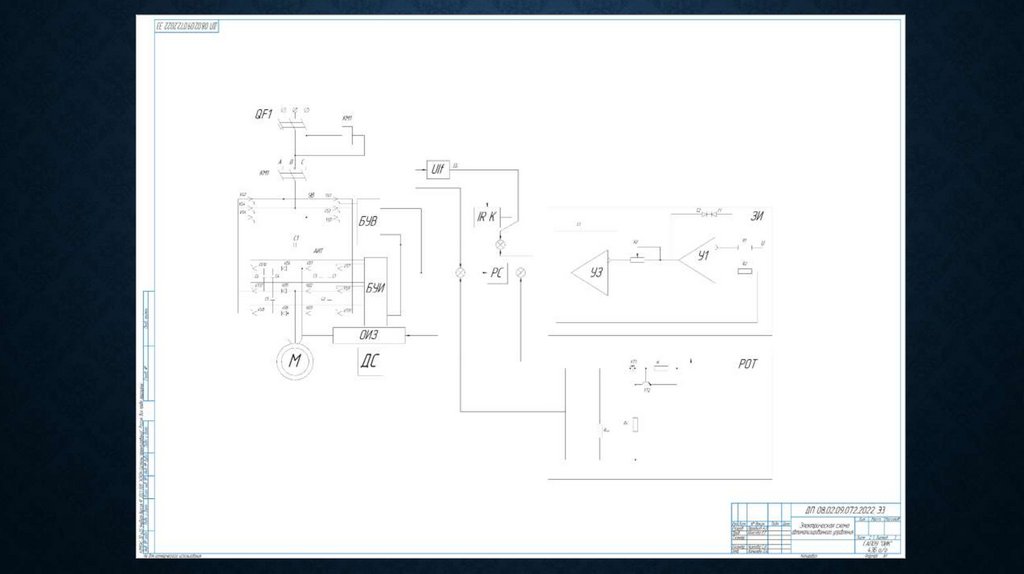
3.

Схема приточно-вытяжной общеобменной
вентиляции и основные элементы

4. Асинхронный электродвигатель Условное обозначение: АИМ-132М4 номинальная мощность: 11 квт номинальная частота вращения: 1450

об/мин

5. Преобразователь частоты Условное обозначение: ATV312 Мощность 11 кВТ Выходной ток: 28 А

6. Выходной фильтр

ВХОДНОЙ ФИЛЬТР
ВЫХОДНОЙ ФИЛЬТР

7. Автоматический выключатель

Условное обозначение: Schneider Electric типа
EZC40
Номинальный ток: 40 А
Номинальное рабочее напряжение: 400 В
Номинальная отключающая способность: 6 кА

8. Контактор переменного тока Schneider Electric E40

Контактор переменного
тока SCHNEIDER
ELECTRIC E40
Номинальный ток: 40 А
Номинальное рабочее напряжение: 400 В

9.

РАСЧЕТНО-ЭКОНОМИЧЕСКАЯ ЧАСТЬ
Составлен годовой план рабочего
времени
Рассчитана трудоемкость
Составлен график ППР
Рассчитан фонд заработной платы
Рассчитана смета на основное
электрооборудование

10.

Основные неисправности частотного электропривода
и способы их устранения

11. Охрана труда и техника безопасности

12. Освещение машинного зала

Светильники светодиодные
промышленные "Колокол" LM-50W

13.

14.

15.

16. ДОКЛАД ОКОНЧЕН. Спасибо за внимание!

ДОКЛАД ОКОНЧЕН.
СПАСИБО ЗА ВНИМАНИЕ!
English     Русский Rules