Дипломный проект Система управления электропривода механизма передвижения мостового крана
Цель и задачи проекта
Аппараты защиты и управления
Питающий кабель для электродвигателя
В расчетно-экономической части дипломного проекта была рассмотрена организация ремонта и обслуживания электрооборудования на
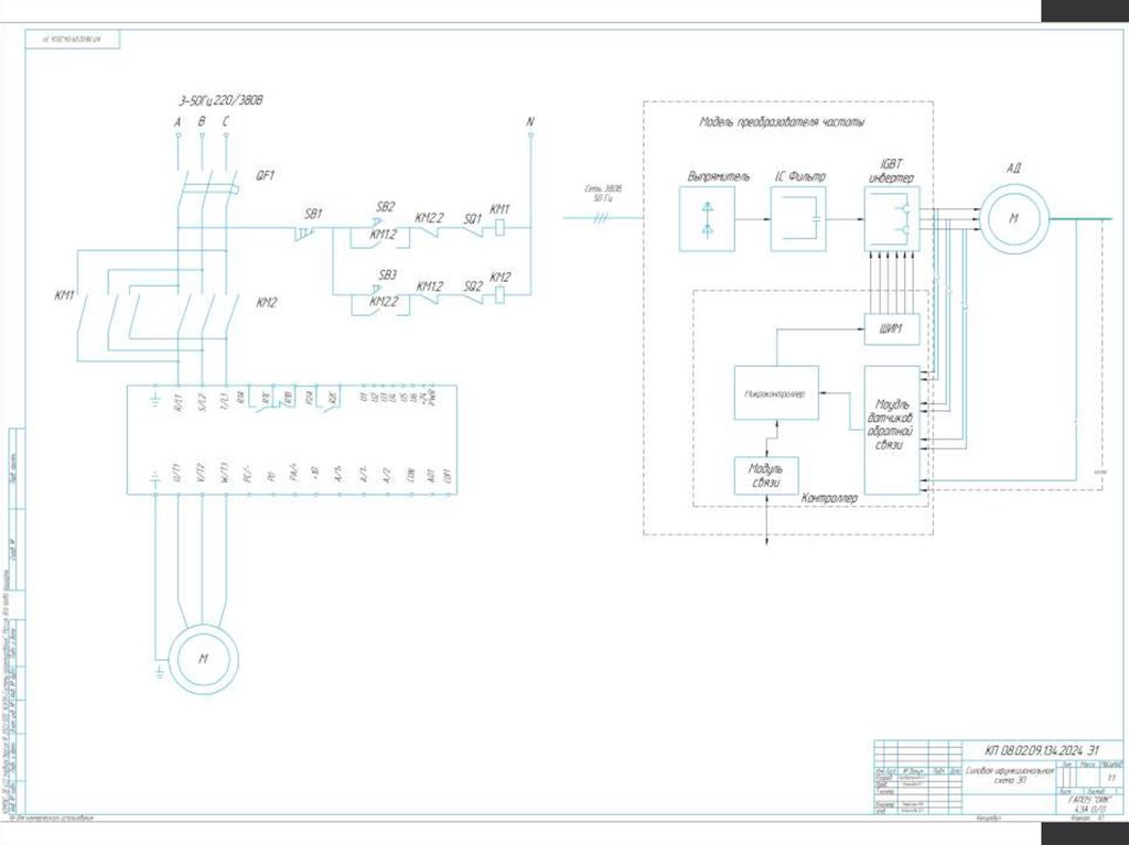
В специальной части был рассмотрен вопрос настройки преобразователя частоты.
В последней части пояснительной записки были отражены мероприятия по технике безопасности при обслуживании автоматизированного
Расчет заземляющего устройства цеха
Графическая часть
Доклад окончен
1.67M
Categories: mechanicsmechanics industryindustry

Система управления электропривода механизма передвижения мостового крана

1. Дипломный проект Система управления электропривода механизма передвижения мостового крана

ВЫПОЛНИЛ: КУПБЕРГЕНОВ ИСЛАМ ТАЛГАТОВИЧ
ГР. 4 ЭА

2. Цель и задачи проекта

Цель дипломного проекта – проектирование системы
управления электропривода механизма передвижения
мостового крана.
Для достижения этой цели решаются следующие задачи:
• изучение назначения и технической характеристики оборудования;
• анализ работы оборудования и требования к СУЭП;
• анализ работы различных систем ЭП;
• расчет мощности и выбор двигателя привода;
• выбор преобразователя частоты;
• выбор основных электрических аппаратов управления и защиты;
• расчет технико-экономических показателей;
• выполнение графической части.

3.

.
Теоретическая часть
Конструкция крана в основном определяется из его
назначения и специфики технологического процесса. Ряд
узлов, например, механизм подъема и передвижения
выполняются однотипными для кранов различных видов.

4.

Асинхронный
электродвигатель
переменного тока
МТКH 312-6
Мощность – 15
кВт
Номинальная
частота вращения
– 970 об/мин

5.

Преобразователь частоты
Е4-8400-020Н.
Напряжение, В
380
Мощность, кВт
15
Iном., А
32

6. Аппараты защиты и управления

Автоматический
выключатель типа ВА 51
Контактор
переменного тока
типа КМИ-23210

7. Питающий кабель для электродвигателя

ВВГ 4×4 мм2

8. В расчетно-экономической части дипломного проекта была рассмотрена организация ремонта и обслуживания электрооборудования на

электромонтажном
участке.
Была составлена таблица техникоэкономических показателей.

9. В специальной части был рассмотрен вопрос настройки преобразователя частоты.

10. В последней части пояснительной записки были отражены мероприятия по технике безопасности при обслуживании автоматизированного

электропривода.

11. Расчет заземляющего устройства цеха

В качестве
горизонтального
заземлителя
принимается стальная
полоса шириной 40мм.
В качестве
вертикального,
принимается стальной
пруток диаметром
20мм и длиной 4м

12. Графическая часть

13.

14.

15.

16. Доклад окончен

English     Русский Rules