ДИПЛОМНЫЙ ПРОЕКТ НА ТЕМУ: ПРИМЕНЕНИЕ ПРОГРАММИРУЕМОГО РЕЛЕ В РАБОТЕ НАСОСНОЙ УСТАНОВКИ.
Цели и задачи дипломного проекта:
Общий вид насосной установки:
Общий вид асинхронного двигателя 4АМН180S4:
Общий вид программируемого реле PLR-S-CPU-0804T-DC-BN:
Естественная механическая характеристика электродвигателя:
Электромеханическая характеристика:
Общий вид автоматического выключателя:
Общий вид контактора переменного тока:
Расчётно-экономическая часть:
Специальная часть:
Охрана труда и техника безопасности:
Расчет освещения машинного зала:
Доклад окончен. Спасибо за внимание!
2.36M
Category: electronicselectronics

Применение программируемого реле в работе насосной установки

1. ДИПЛОМНЫЙ ПРОЕКТ НА ТЕМУ: ПРИМЕНЕНИЕ ПРОГРАММИРУЕМОГО РЕЛЕ В РАБОТЕ НАСОСНОЙ УСТАНОВКИ.

Выполнил студент гр.4ЭБ: И.О.Данишевский
Руководитель: Е.Г. Илясова

2. Цели и задачи дипломного проекта:






изучить основные требования к электроприводу
насосной установки;
рассчитать мощность и выбрать двигатель
механизма;
рассчитать и выбрать программируемое реле;
рассчитать и выбрать основные электрические
аппараты управления и защиты;
создать алгоритма «Управление насосной
установкой» в программе ONI PLR-S.

3. Общий вид насосной установки:

4. Общий вид асинхронного двигателя 4АМН180S4:

Pн=30кВт
nн 1470 об/мин
=

5. Общий вид программируемого реле PLR-S-CPU-0804T-DC-BN:

Общий вид программируемого реле PLR-SCPU-0804T-DC-BN:

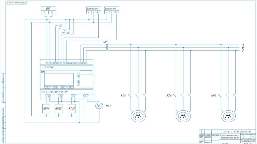
6.

7. Естественная механическая характеристика электродвигателя:

8. Электромеханическая характеристика:

9. Общий вид автоматического выключателя:

10. Общий вид контактора переменного тока:

11. Расчётно-экономическая часть:

В расчётно-экономической части, было выполнено:
― составлен график планово-предупредительного ремонта;
― произведён расчет трудоёмкости электрооборудования;
― произведён расчёт количества ремонтного и дежурного
персонала;
― произведён расчёт общего фонда заработной платы рабочих;
― составлена смета на основное электрооборудование и
монтаж;
― составлена таблица технико-экономических показателей.

12. Специальная часть:

13. Охрана труда и техника безопасности:

14. Расчет освещения машинного зала:

15.

16.

17.

18. Доклад окончен. Спасибо за внимание!

English     Русский Rules