Векторные диаграммы при соединении «Звезда»
Векторные диаграммы при соединении «Звезда»
4.26M
Categories: physicsphysics electronicselectronics

Трёхфазная электрическая цепь при соединении фаз приемника «звездой». Лабораторная работа №5

1.

Лабораторная работа № 5
ТРЁХФАЗНАЯ ЭЛЕКТРИЧЕСКАЯ ЦЕПЬ ПРИ СОЕДИНЕНИИ
ФАЗ ПРИЕМНИКА «ЗВЕЗДОЙ»
Цель работы: исследование различных режимов работы трёхфазной электрической
цепи при соединении фаз активного приёмника по схеме «звезда».
j 0
E a Ee ;
j120
E
Ee
;
b
j120
,
Ec Ee
e
ea
eb

Ec
ec
120°
0
2π/3
4π/3

ωt
3~

Ea
120°
120°

Eb
ea
eb
ec
e
Временная и векторная
диаграмма
трёхфазной
системы
ЭДС
0
2π/3
4π/3

ωt

2.

a
Г


x, y, z

Uc
c

UCA


n

Ub

UАB
b

UBC
A





IN

∙ C
IB
П


UB
N

UC
X, Y, Z
ZB

IC
Рис. 1.11. Схема замещения трёхфазной электрической цепи
при соединении фаз генератора и приёмника по схеме звезда
B

3.

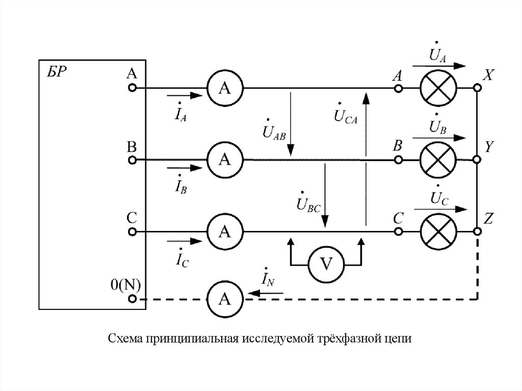
Схема принципиальная исследуемой трёхфазной цепи

4.

5.

Схема соединения «Звезда»
без нейтрального провода
IA
UCA
IB
UA
UAB
UBC
Короткое замыкание фазы А
UB
UC
IC
U

6.

Схема соединения «Звезда»
с нейтральным проводом
IA
UCA
IB
UA
UAB
UBC
UB
UC
IC
IN
U

7. Векторные диаграммы при соединении «Звезда»

Масштаб
1 см = 40 В
1 см = 0,2 А

8. Векторные диаграммы при соединении «Звезда»

I A I B I C 0
I ( I I )
A
B
C

9.

Векторные диаграммы при соединении «Звезда»
I A I B I C I N
English     Русский Rules