Растяжение и сжатие
Растяжение и сжатие
Закон Гука
Деформация при растяжении и сжатии
Напряжение при растяжении и сжатии
1.31M
Category: mechanicsmechanics

Растяжение и сжатие

1. Растяжение и сжатие

Напряжение и деформация при растяжении и
сжатии.
Закон Гука при растяжении и сжатии.
Поперечная деформация при растяжении и
сжатии

2. Растяжение и сжатие

3. Закон Гука

4. Деформация при растяжении и сжатии

Под действием силы брус
удлиняется на некоторую
величину ∆l, которая
называется абсолютным
удлинением(укорочением).
Деформация при растяжении
или сжатии характеризуется
абсолютным или
относительным удлинением
или укорочением

5.

6.

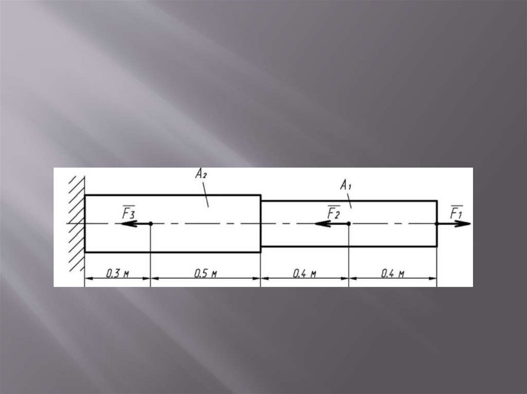
7. Напряжение при растяжении и сжатии

При растяжении и сжатии в сечении
действует только нормальное напряжение.
Напряжения в поперечных сечениях могут
рассматриваться как силы, приходящиеся
на единицу площади.
Таким образом, направление и знак
напряжения в сечении совпадают с
направлением и знаком силы в
сечении(рис. 32).
Исходя из гипотезы плоских сечений,
можно предположить, что напряжение при
растяжении и сжатии в пределах каждого
сечения не меняются. По этому
напряжение можно рассчитать по
формуле: σ=N/A, где N - продольная сила;
А - площадь поперечного сечения.

8.

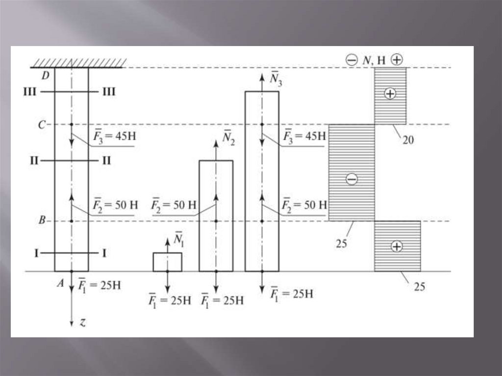
Для наглядного изображения распределения
вдоль оси бруса нормальных напряжений
строят графики, называемые эпюрами
English     Русский Rules