Лекция 3_4. Импульсно-кодовая модуляция. Аппаратура системы передачи ИКМ-30/32.
1.75M
Category: electronicselectronics

Импульсно - кодовая модуляция. Аппаратура системы передачи ИКМ30/32

1. Лекция 3_4. Импульсно-кодовая модуляция. Аппаратура системы передачи ИКМ-30/32.

Лекция 3_4.
Импульсно-кодовая модуляция.
Аппаратура системы передачи ИКМ30/32.

2.

Введение
Телефонные и телекоммуникационные системы XX века претерпели переход от
аналоговой техники к цифровой. Одним из ключевых этапов этого процесса стала
импульсно-кодовая модуляция (ИКМ). Она позволила передавать речевые и иные
сигналы в виде цифрового кода, обеспечивая высокое качество связи и защиту от
шумов

3.

4.

5.

6.

7.

8.

9.

10.

11.

12.

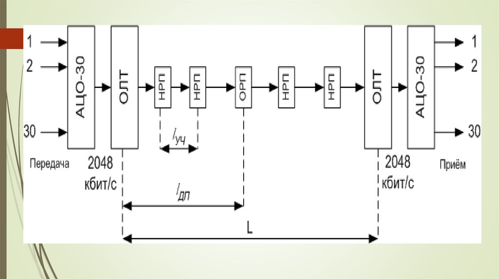
Первичный цифровой поток
СЦ
СЦ
СЦ
СЦ
СЦ
СЦ
СЦ
Тсц = 2 мс
Сверхцикл передачи
Ц0
Ц1
Ц2
Ц7
Ц 14
Ц 15
Тсц = 125 мкс
Цикл передачи
КИ 0
КИ 1
КИ 2
КИ 3
КИ 14
КИ 15
КИ 16
КИ 17
КИ 30
КИ 31
Ткн = 3,906
мкс
К анальный инт ерв ал
информ ационного канала
К анальный инт ерв ал К Н
15
циклах Ц
- Ц
1
в циклах
15
P1 P2 P3 P4 P5 P6 P7 P8
P1 P2 P3 P4 P5 P6 P7 P8
P1 P2 P3 P4 P5 P6 P7 P8
0/1
0/1
0/1
0/1
СК2
в чет ных
СК1
К анальный инт ерв ал К Н
0
циклах
0/1
в
1
0/1
0/1
0/1
0/1
0
0/1
0/1
0
1
1
Своб.п
озиция
1
Ост.
зат
1
Своб.п
озиция
0/1
Своб.п
озиция
Авар
ЦС
ДН
1
0/1
Тр = 488 нс
Цикловой синхросигнал
К анальный инт ерв ал К Н
0
нечет ных циклах
0/1
1
1
0/1
0/1
0
1
К аналы 1-16 К аналы 17-31
К анальные инт ерв алы К
15
в циклах Ц0
0
Тн = 244 нс
0
СК3
1
0
0
0
Св ерхциклов ая
синхронизация
1
0/1
0
1
Своб.п
озиция
0
СК2
1
СК1
1
Своб.п
озиция
Авар
СЦС
Д
Н
0
СК3
0
English     Русский Rules