Размерный анализ
Заготовка
10 Токарно-револьверная
20 Токарно-револьверная
30 Вертикально-сверлильная
40 Круглошлифовальная
Размерная схема технологического процесса
Графы
137.50K

Размерный анализ

1. Размерный анализ

2.

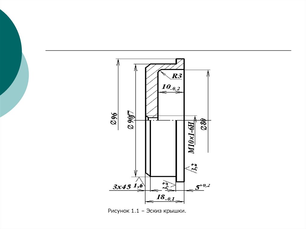
Рисунок 1.1 – Эскиз крышки.

3. Заготовка

4. 10 Токарно-револьверная

5. 20 Токарно-револьверная

6. 30 Вертикально-сверлильная

7. 40 Круглошлифовальная

8. Размерная схема технологического процесса

9. Графы

Рисунок 3.2 – Граф размерных связей
технологического процесса.а) производное
дерево, б) исходное дерево, в) совмещенный
граф.
English     Русский Rules