13 лекция
Классический метод расчета переходных процессов 过渡过程的经典计算方法
Линейная цепь первого порядка 一阶(线性)电路
Характеризуется линейным дифференциальным уравнением 1-го порядка 一阶线性常微分方程
Пример 1
Дано(已知):
Для схемы после коммутации 对于换路之后的电路:
Из 2 уравнения 由方程2:
Из 3 и 4 уравнений 由方程3和4:
Из уравнений 1, 4, 5: 由方程1,4,5:
Дифференцируем 6 уравнение 对方程6求微分:
Преобразуем уравнение 7 移项化简方程7:
Таким образом 用这种方法
Характеристическое уравнение 特征方程
Корень характеристического уравнения 特征方程的根
Корень p 特征方程的根 можно найти при помощи Z(p) – сопротивления относительно любой ветви после коммутации
Рисуем схему в которой заменяем 画出电路图,在该电路中做以上替换 Размыкаем цепь в любом месте и определяем Z(p)=…..=0 在任何地方断开电路并且定义Z(p)=…..=0
Решение уравнения 8:
- принужденная составляющая 强制分量
Т.к.
Подставим в уравнение 8 将 带入方程8:
(强制分量)можно найти расчетом схемы при
В цепи постоянного тока (在直流电路中 )заменяем
Постоянная интегрирования 积分常数
Для расчета А определяются начальные условия 初始条件
нну (独立初始条件) определяются из расчёта схемы до коммутации в момент времени
зну (相关初始条件) определяются из расчета схемы после коммутации в момент времени
Для расчета зну рисуем схему в которой заменяем L на источник тока 将电感L替换成电流源
Для примера 1 получим: 对于例子1我们可以得到:
Длительность переходного процесса 过渡过程持续时间 равна tП = 5
Порядок расчёта классическим методом цепи 1 порядка 用经典法求解一阶电路的步骤
Определяем ННУ 独立初始条件 при :
2. Определяем ЗНУ 相关初始条件 при :
3. Определяем принужденные составляющие при t=∞ 当t=∞时,确定强迫分量
Определяется корень 特征方程的根 p по
5. Определяем постоянную интегрирования 积分常数 А или В при :
6. Записываем ответ
Пример 2
Дано已知:
Определить:
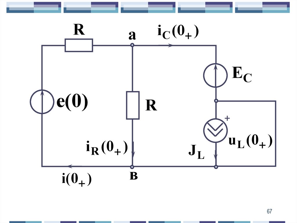
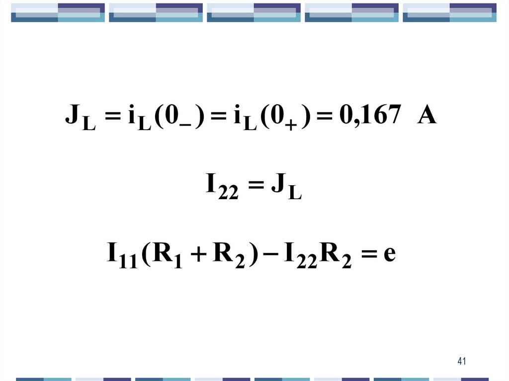
1. Определяем нну 独立初始条件:
Расчет схемы до коммутации ведем символическим методом 使用符号法求解换路之前的电路
Т.к.
В результате 最终:
Тогда
Причем 并且
2. Определим зну 相关初始条件:
Схема после коммутации в момент: 换路后的瞬间
Т.к. то
Тогда
3. Определим принужденную составляющую 强迫分量:
Расчет принужденной составляющей ведём символическим методом 使用符号法求解强迫分量
Т.к.
Тогда
В результате причем
4. Определяем корень характеристического уравнения 特征方程的根:
Схема после коммутации 换路后的电路
5. Находим постоянную интегрирования 求出积分常数:
6. Ответ:
Или
Причем
1.41M
Category: industryindustry

20 Лекция 20 перех процесс цепи 1 порядка

1. 13 лекция

2. Классический метод расчета переходных процессов 过渡过程的经典计算方法

2

3.

Классический метод
основан на решении линейного
дифференциального уравнения
переходного процесса
经典法以求解过渡过程的线性微
分方程为基础
3

4.

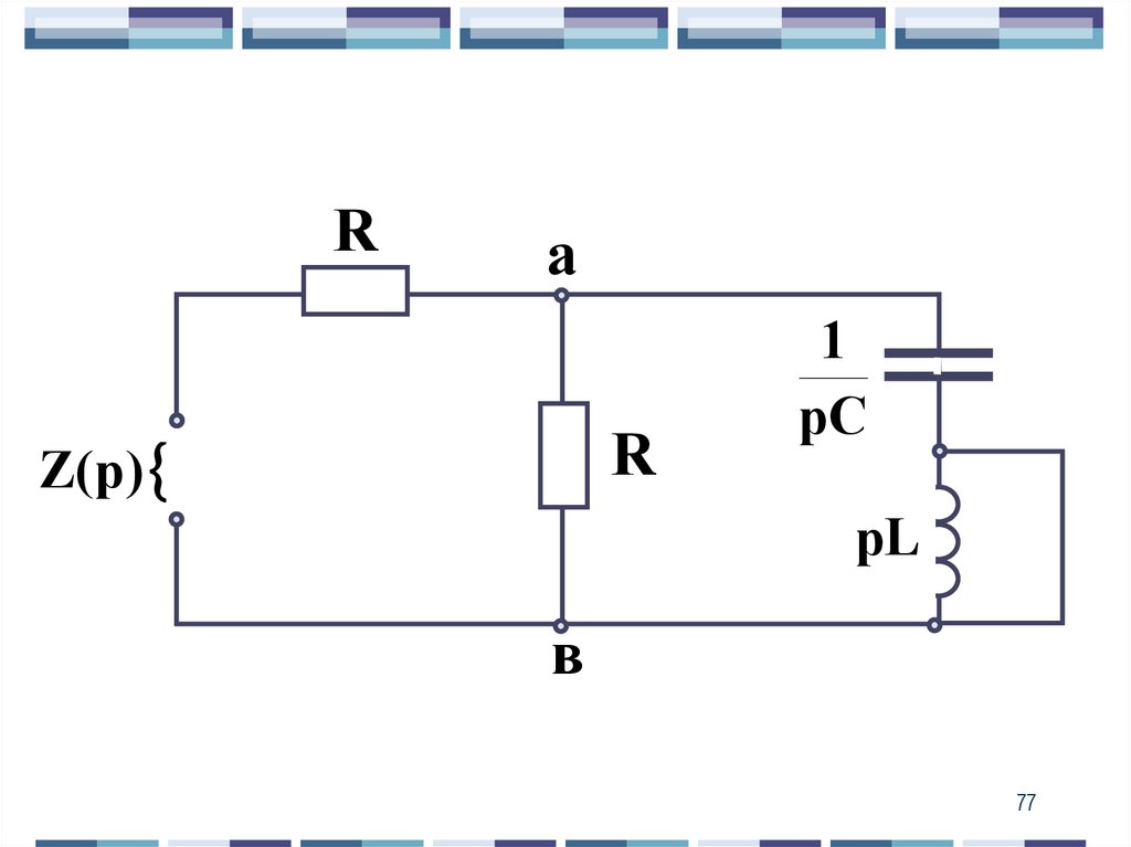
Такое уравнение
составляется при помощи
законов Кирхгофа
для цепи после
коммутации
这方程是在基尔霍夫定律的基础
上建立的(对于换路后的电路)
4

5. Линейная цепь первого порядка 一阶(线性)电路

5

6.

Содержит
после коммутации
L или С
换路后含有L或C
6

7. Характеризуется линейным дифференциальным уравнением 1-го порядка 一阶线性常微分方程

df (t )
a1
a 0f ( t ) F ( t )
dt
7

8. Пример 1

R1
iL
i2
е
i1
+
R2
R3
L uL
8

9. Дано(已知):

е 100 В
L 1 Гн
R1 100 Ом
R 2 25 Ом
R 3 100 Ом
Определить:
i1 ( t ) ?
9

10. Для схемы после коммутации 对于换路之后的电路:

(1)
i 1 i 2 i L
e R 1i1 u L ( 2)
0 R i u ( 3 )
2 2
L
di L
Причём并且 u L L
dt
10

11. Из 2 уравнения 由方程2:

1
iL
(e R 1i1 )dt
L
( 4)
11

12. Из 3 и 4 уравнений 由方程3和4:

L di L e R1i1
i2
R 2 dt
R2
( 5)
12

13. Из уравнений 1, 4, 5: 由方程1,4,5:

Из уравнений 1, 4, 5:
由方程1,4,5
e R1i1 1
i1
(e R1i1 ) dt
R2
L
(6)
13

14. Дифференцируем 6 уравнение 对方程6求微分:

di 1
1 de R1 di 1 e R1
i1 (7)
dt R 2 dt R 2 dt L L
14

15. Преобразуем уравнение 7 移项化简方程7:

R1 di 1
L de
L(1
)
R1i1 e
(8)
R 2 dt
R 2 dt
15

16. Таким образом 用这种方法

R1
а1 L(1
) 5 Гн
R2
а0 R1 100 Ом
0
L de
F( t ) e
100 B
R 2 dt
16

17. Характеристическое уравнение 特征方程

R1
L(1
)p R1 0
R2
17

18. Корень характеристического уравнения 特征方程的根

18

19. Корень p 特征方程的根 можно найти при помощи Z(p) – сопротивления относительно любой ветви после коммутации

19

20. Рисуем схему в которой заменяем 画出电路图,在该电路中做以上替换 Размыкаем цепь в любом месте и определяем Z(p)=…..=0 在任何地方断开电路并且定义Z(p)=…..=0

Рисуем схему в которой
заменяем 1
R R, L pL, C
pC
E R Е 0, J R J
画出电路图 在该电路中做以上替换
Размыкаем цепь
в любом месте и определяем
Z(p)=…..=0
在任何地方断开电路并且定义Z(p)=…..=0
20

21.

R1
е
R2
L
Z(p )
R1
R2
рL
21

22.

R 2pL
Z(p ) R1
0
R 2 pL
R 1R 2
p
20 1
c
L( R1 R 2 )
22

23. Решение уравнения 8:

i1 (t) i пр1 (t) i св1 (t)
i пр1 (t) Ae
pt
23

24. - принужденная составляющая 强制分量

i пр1 (t) - принужденная
составляющая 强制分量
i св1 (t) Ae - свободная
pt
составляющая
自由分量
А - постоянная
интегрирования 积分常数
24

25. Т.к.

F(t ) 100 B const ,
то
i пр (t ) I пр const
1
1
25

26. Подставим в уравнение 8 将 带入方程8:

I
Подставим пр1 в уравнение 8
将 I пр 带入方程8:
1
0
R1 dI пр1
L de
L(1
)
R1I пр1 e
R 2 dt
R 2 dt
0
т.е.
е
I пр1
1 A
R1
26

27. (强制分量)можно найти расчетом схемы при

I пр (强制分量)можно найти
1
расчетом схемы при
t
27

28. В цепи постоянного тока (在直流电路中 )заменяем

L R L 0, C R C
28

29.

R1
е
R2
I пр
1
е
I пр
1 A
1 R
1
29

30. Постоянная интегрирования 积分常数

А i1 (0) i пр (0) i1 (0 ) I пр
1
1
30

31. Для расчета А определяются начальные условия 初始条件

31

32.

Различают:
а) независимые начальные
условия (нну) 独立初始条件
i L (0) i L (0 ) i L (0 )
и
u C (0) u C (0 ) u C (0 )
32

33. нну (独立初始条件) определяются из расчёта схемы до коммутации в момент времени

t 0
33

34.

б) зависимые начальные
условия (зну) 相关初始条件
iС (0 ), uL (0 )
и другие величины
34

35. зну (相关初始条件) определяются из расчета схемы после коммутации в момент времени

t 0
35

36. Для расчета зну рисуем схему в которой заменяем L на источник тока 将电感L替换成电流源

J i L (0)
C заменяем на источник ЭДС
将电容C替换成电压源
E u C (0)
36

37. Для примера 1 получим: 对于例子1我们可以得到:

Для примера 1 получим:
对于例子1我们可以得到
37

38.

Схема для нну (t=0-) 独立初始条件
L RL 0
е
R1
i1 (0 )
R2
R3
i L (0 )
е
i1 (0 )
0,833 A
R 2R 3
R1
R2 R3
38

39.

По правилу разброса тока в параллельных ветвях:
R2
i L (0 ) i1 (0 )
0,167 A
R2 R3
- нну 独立初始条件
39

40.

Схема для зну t=0+ 相关初始条件
J i L (0)
R1
е
I11 R 2
I 22
JL
i1 (0 )
40

41.

J L i L (0 ) i L (0 ) 0,167 A
I 22 J L
I11 ( R1 R 2 ) I 22 R 2 e
41

42.

e JLR 2
i1 (0 ) I11
0,833 A
R1 R 2
- зну 相关初始条件
Постоянная интегрирования
积分常数:
А i1 (0 ) I пр1 0,167 А
42

43.

Ответ:
t
20t
i1 (t ) 1 0,167e
1 0,167e
где
A
1
1
p
0,05 c
20
- постоянная времени
时间常数
43

44.

t
0
t
е
1
5
2
3
4
0.368 0.135
0.05
0.018 0.007
i1 ( t ) 0.833 0.938 0.977 0.992 0.997 0.999
44

45.

А i1 (t )
i1 (t )
1
0,9
i1 (0 ) i1 (0 )
0,8
0
2
3
t
4
5
45

46. Длительность переходного процесса 过渡过程持续时间 равна tП = 5

46

47. Порядок расчёта классическим методом цепи 1 порядка 用经典法求解一阶电路的步骤

47

48. Определяем ННУ 独立初始条件 при :

1. Определяем ННУ
独立初始条件
при t 0 :
i L (0 )
или
uC (0 )
48

49. 2. Определяем ЗНУ 相关初始条件 при :

2. Определяем ЗНУ
相关初始条件
при t 0 :
u L (0 ), i C (0 )
и другие напряжения и
токи
49

50. 3. Определяем принужденные составляющие при t=∞ 当t=∞时,确定强迫分量

3. Определяем
принужденные
составляющие
при t=∞
当t=∞时 确定强迫分量
50

51. Определяется корень 特征方程的根 p по

4. Определяется корень
特征方程的根 p
по
Z(p) ... 0
51

52. 5. Определяем постоянную интегрирования 积分常数 А или В при :

5. Определяем постоянную
интегрирования 积分常数
А или В при t 0 :
А i(0 ) i пр (0)
В u(0 ) uпр (0)
52

53. 6. Записываем ответ

i(t ) i пр (t ) Ae
pt
u(t ) uпр (t ) Ве
pt
53

54. Пример 2

R

а
uC
е
i
+
С
R
iR
в
L
54

55. Дано已知:

е 100 2 sin(100t 45 ), B
R 100 Ом
L 1 Гн
С 100 мкФ
55

56. Определить:

i( t ) ?
56

57. 1. Определяем нну 独立初始条件:

i L (0 ) ?
uC (0 ) ?
57

58. Расчет схемы до коммутации ведем символическим методом 使用符号法求解换路之前的电路

58

59.

X L L 100 Ом
1
ХС
100 Ом
С
Е 100е
j45
B
59

60. Т.к.

(Д)
Zав jXL jXC 0
то
E
(Д)
(Д)
j45
I С I L 1e
A
(Д)
j45
U C ( jXC )I C 100e
B
I
(Д)
R
60

61. В результате 最终:

В результате 最终
(Д)
iL
( Д)
uC
2 sin(100t 45 ), A
2 100 sin(100t 45 ), B
61

62. Тогда

( Д)
i L ( 0 ) i L ( 0)
2 sin 45 1 A
( Д)
u C ( 0 ) u C ( 0)
2 100 sin( 45 ) 100 B
62

63. Причем 并且

i( 0 ) i L ( 0 ) 1 A
63

64. 2. Определим зну 相关初始条件:

i( 0 ) ?
64

65. Схема после коммутации в момент: 换路后的瞬间

t 0
65

66.

J L i L (0 ) i L (0 ) 1 A
EC uC (0 ) uC (0 ) 100 В
е(0) 2 100 sin 45 100 B
66

67.

R
i С (0 )
а
EC
е(0)
R
i R (0 )
i( 0 )
+
JL
u L (0 )
в
67

68. Т.к. то

Т.к.
u L (0 ) 0,
то
e(0) EC R i(0 )
68

69. Тогда

e(0) EC
i( 0 )
2 A
R
69

70. 3. Определим принужденную составляющую 强迫分量:

i пр (t ) ?
70

71. Расчет принужденной составляющей ведём символическим методом 使用符号法求解强迫分量

71

72. Т.к.

Z
(п)
R( jXC )
j18,4
R
158e
Ом
R jXC
72

73. Тогда

I пр
Е
Z
0
,
63
е
(п)
j63,4
A
73

74. В результате причем

В результате
i пр (t ) 2 0,63 sin(100t 63,4 ) A
причем
i пр (0) 2 0,63 sin 63,4 0,794 A
74

75. 4. Определяем корень характеристического уравнения 特征方程的根:

р ?
75

76. Схема после коммутации 换路后的电路

R R
L pL
1
C
pC
76

77.

R
а
R
Z(p )
1
рС
рL
в
77

78.

R 1
pC
Z( p ) R
0
R 1
pC
2
1
p
200
RC
c
78

79. 5. Находим постоянную интегрирования 求出积分常数:

A i(0 ) i пр (0) 2 0,794 1,206 А
79

80. 6. Ответ:

i(t ) i пр (t ) i св (t ) i пр (t ) Ae
pt
80

81. Или

i(t ) 2 0,63 sin(100t 63,4 )
1,206е
200t
A
81

82. Причем

1
3
5 10 (с)
р
2
t п 5 2,5 10 (c)
2
2
Т
6,28 10 (с)
82

83.

А i( t )
2
1,5
i( t )
1
0,5
0 i (t )
св
-0,5
-1
t
Т
2
i пр ( t )
Т
83
English     Русский Rules