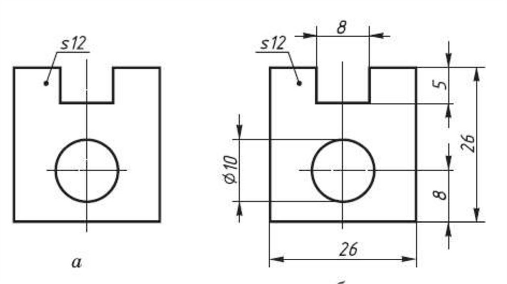
Графическое изображение деталей изделий из конструкционных материалов
512.29K

Графическое представление деталей и изделий из конструкционных материалов 6 класс

1. Графическое изображение деталей изделий из конструкционных материалов

ГРАФИЧЕСКОЕ ИЗОБРАЖЕНИЕ
ДЕТАЛЕЙ ИЗДЕЛИЙ ИЗ
КОНСТРУКЦИОННЫХ
МАТЕРИАЛОВ
English     Русский Rules