Модернизация электропривода мостового крана склада горячекатаных рулонов ЛПЦ – 1 АО «Qarmet» с целью снижения динамических
4.13M
Category: industryindustry

Модернизация электропривода мостового крана склада горячекатаных рулонов ЛПЦ – 1 АО «Qarmet» с целью снижения динамических

1. Модернизация электропривода мостового крана склада горячекатаных рулонов ЛПЦ – 1 АО «Qarmet» с целью снижения динамических

Баймухаметов Вячеслав Алимович
Гр. ЭПО-22с-2

2.

В данном дипломном проекте было описано основное
электрооборудование
мостового
крана
склада
горячекатаных рулонов ЛПЦ – 1. Дана характеристика
работы электропривода тележки крана. Был произведен
расчет и выбор двигателя тележки, были построены
тахограмма и нагрузочная диаграмма. Двигатель был
проверен по нагреву, по пуску и по перегрузочной
способности.
Было
выбрано
основное
электрооборудование:
частотный преобразователь Mitsubishi Electric FR-A 740,
кабельная продукция. Рассмотрен вопрос снижение
динамических нагрузок электропривода тележки от
применения частотного преобразователя
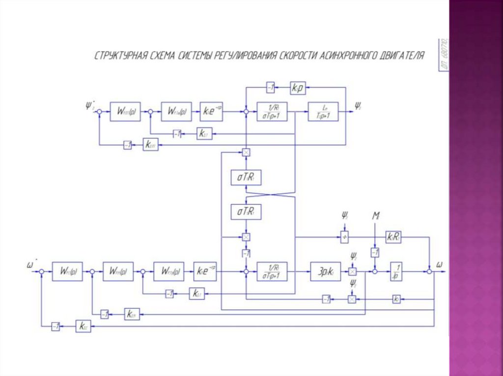
Рассчитана система автоматического регулирования:
параметры электродвигателя, динамические режимы в
системе регулирования скорости при векторном управлении
асинхронным двигателем. Построены переходные процессы
и ЛАЧХ.
Были
рассмотрены
вопросы
безопасности
и
экологичности проекта, произведен экономический расчет.

3.

4.

5.

6.

7.

Схема электроснабжения
English     Русский Rules