3D-модель детали
Чертёж детали
3D-модель сборки
Раздел 3 Экономика и организация производства
Раздел 4 Производственная безопасность
Доклад окончен. Спасибо за внимание.
1.35M

Разработка технологического процесса изготовления детали «крышка» сборочного узла «кран разобщительный»

1.

ВЫПУСКНАЯ КВАЛИФИКАЦИОННАЯ РАБОТА
НА ТЕМУ
РАЗРАБОТКА ТЕХНОЛОГИЧЕСКОГО ПРОЦЕССА
ИЗГОТОВЛЕНИЯ ДЕТАЛИ «КРЫШКА» СБОРОЧНОГО
УЗЛА «КРАН РАЗОБЩИТЕЛЬНЫЙ»
Руководитель
Студент
Саблин П.А.
Петров Ю.А.

2.

2

3. 3D-модель детали

3

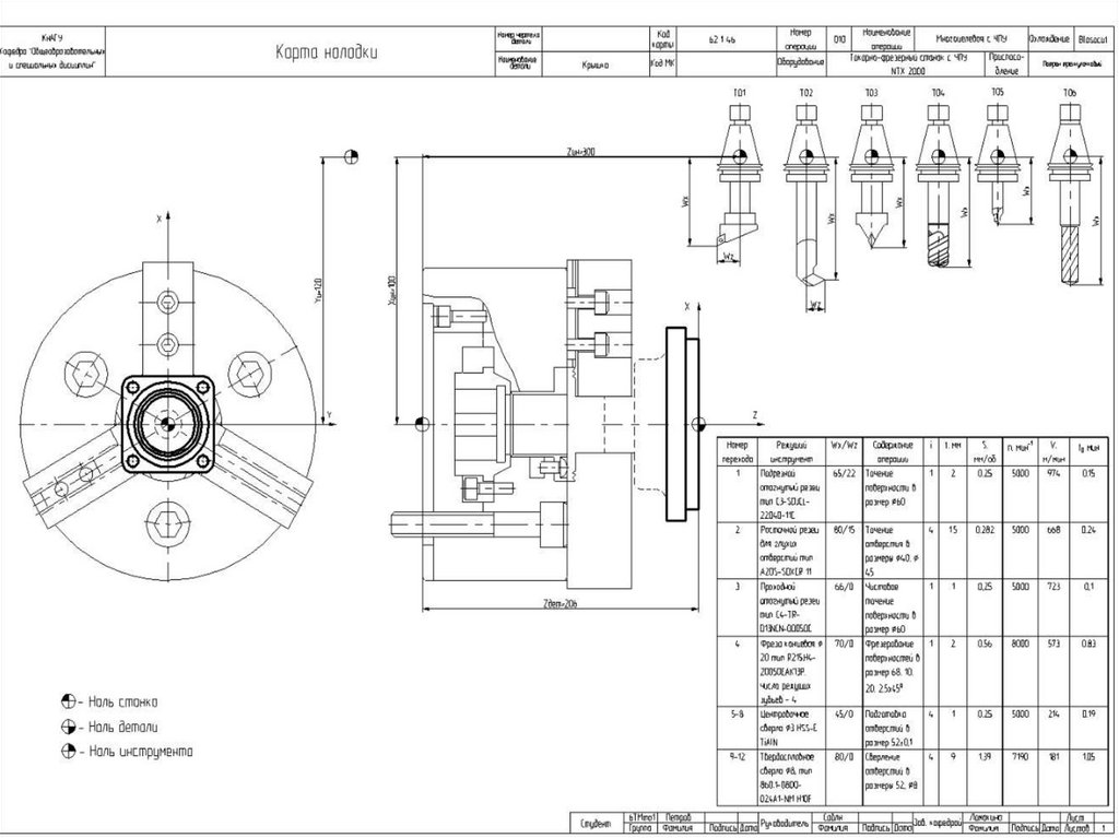
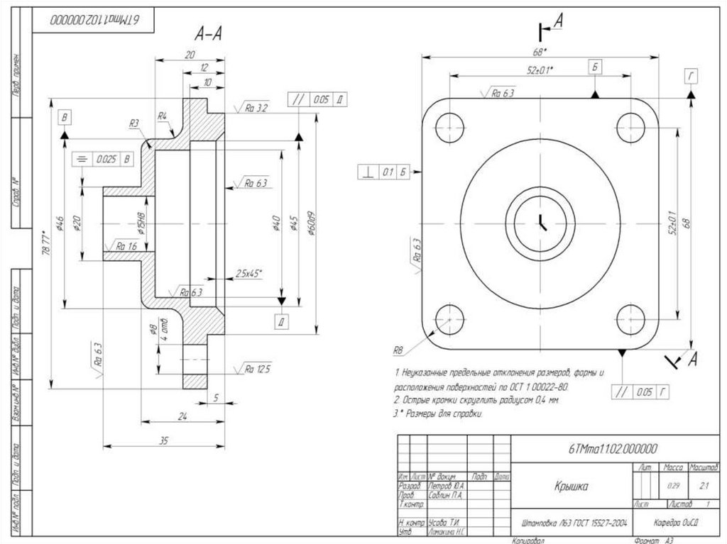
4. Чертёж детали

4
3

5. 3D-модель сборки

5

6. Раздел 3 Экономика и организация производства

Определено количества оборудования и количество рабочих на участке.
Расчет потребного количества оборудования определяется по формуле :
Nр =
σ Тшт +Тдоз N
Квн Фд 60
,
где
N - годовая программа выпуска, шт;
Тшт – сумма штучно-калькуляционного времени операций, выпускаемых на данной модели
станка, мин;
Тдоз–время дозагрузки станка, мин;
Квн- коэффициент выполнения норм.
Фд - действительный годовой фонд времени работы оборудования, в часах.
1) Количество обрабатывающих станков ЧПУ
(126,7+121,5)·2000
Nр =
≈ 2.
1,0·3754,4·60
Потребное количество станочников для каждой специальности рассчитывается по формуле:
NР =
где
σ Тсум ·N
,
Квн ·Фз ·60
Тсум- суммарное время операции, выполняемое рабочим данной специальности.
2) Количество операторов станков ЧПУ:
(126,7+121,5) ∗2000
Nр =
≈ 2.
1,07·3408·60
Определена себестоимость изготовления 1 детали. Она равна 135,56 р.

7. Раздел 4 Производственная безопасность

Проведён анализ всех опасных и вредных
производственных факторов, возникаемых в
процессе обработки деталей. Такими являются:
- Травмирование
- Загрязнение
- Микроклимат
- Шум и вибрации
Рассмотрены методы по устранению воздействия
вредных факторов на организм человека.
В связи с обеспечением безопасности на
производстве, приведены варианты по минимизации
вероятности возникновения ЧС на промышленных
7
объектах.

8. Доклад окончен. Спасибо за внимание.

English     Русский Rules