1.74M
Category:
programming
Similar presentations:
Динамическое программирование. Примеры задач
Основы программирования на примере C#
Пример выполнения задания по программированию
Синтаксис ООП в С++, примеры классов. Программирование
Логическое программирование. Примеры. Лекция 4-1
Приведите примеры задач эвристического программирования
Аспектно - ориентированное программирование. Создание простого Spring примера
Парадигмы программирования (с примерами на языке R). Лекция 3
Программирование. Язык программирования
Примеры программирования базовых алгоритмов циклических вычислительных процессов (ЦВП)
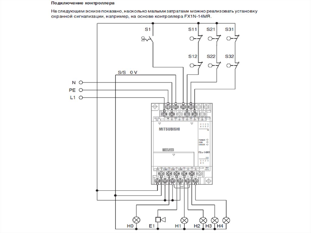
Примеры программирования
1.
МПСвЭПиТК(8)
Примеры программирования
English
Русский
Rules