7.36M
Category: ConstructionConstruction

Разновидности колон

1.

2.

3.

Рисунок 3 – Колонны постоянного сечения

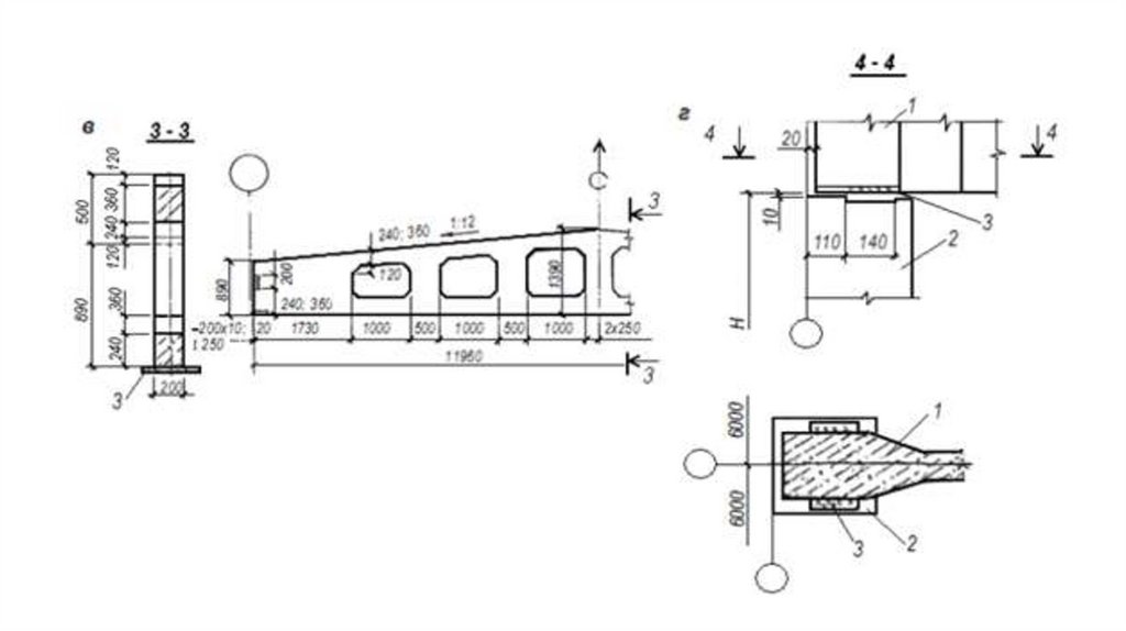
4.

Рисунок 4 – Колонны переменного сечения и двухветвевые

5.

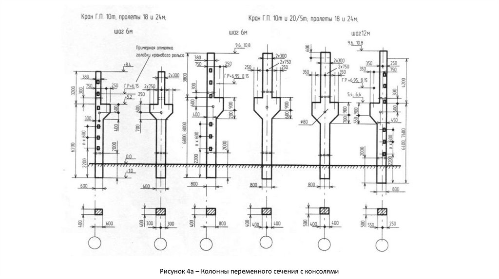
Рисунок 4а – Колонны переменного сечения с консолями

6.

Рисунок 4б – Колонны двухветвевые

7.

Рисунок 4г – Колонны двухветвевые

8.

Рисунок 5 – Монолитные фундаменты под колонны одноэтажных промышленных зданий

9.

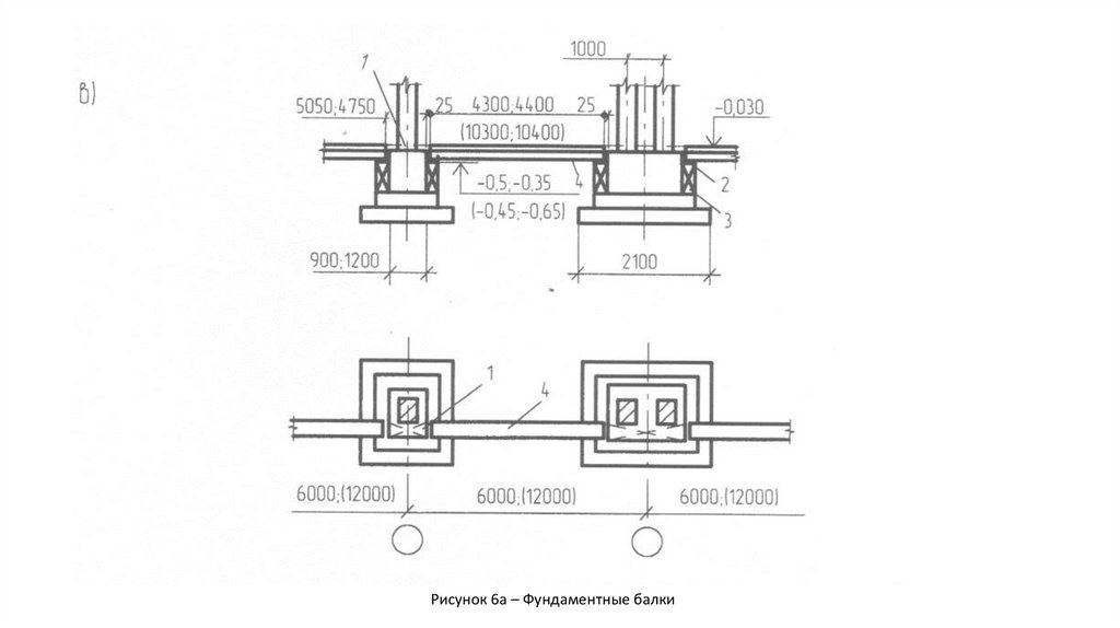
Рисунок 6 – Фундаментные балки

10.

Рисунок 6а – Фундаментные балки
English     Русский Rules