Институт инженерной физики и радиоэлектроники Кафедра «Радиоэлектронные системы» Устройства генерирования и формирования
1.32M
Category: electronicselectronics

Разработка BPSK радиопередатчика

1. Институт инженерной физики и радиоэлектроники Кафедра «Радиоэлектронные системы» Устройства генерирования и формирования

сигналов
КУРСОВОЙ ПРОЕКТ
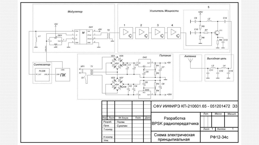
РАЗРАБОТКА BPSK РАДИОПЕРЕДАТЧИКА
Выполнил:
Студент РФ12-34с
Поляк М.Г.

2.

Задание на проектирование
• Вид модуляции – BPSK
• Средняя мощность передатчика – Pср=17 Вт
• Частота передатчика – fн-fв=125-127 МГц
• Частота манипуляции fман=15 КГц
• Частота входного сигнала – Fн-Fв=50-10 000 Гц
• Сопротивление антенны – Rа=17 Ом
• Емкость антенны – Cа=11 пФ

3.

4.

5.

6.

7.

8.

9.

Примерная масса устройства в алюминиевом корпусе с
толщиной стенок 2,5 мм составляет около 2,4 кг
English     Русский Rules