Варистор
Подбор варистора
3.30M

варистор

1. Варистор

КАЛБАЕВ А.Н.
ГР.235-1

2.

ВАРИСТОР- ЭТО НЕПРОВОЛОЧНЫЙ РЕЗИСТОР
ОБЪЕМНОГО ТИПА, ЭЛЕКТРИЧЕСКОЕ СОПРОТИВЛЕНИЕ
КОТОРОГО БЫСТРО УМЕНЬШАЕТСЯ ПРИ УВЕЛИЧЕНИИ
ПРИЛОЖЕННОГО К НЕМУ НАПРЯЖЕНИЯ.

3.

Низковольтные варисторы
изготавливают на рабочее
напряжение от 3 до 200 В и ток
от 1мА до 1 А;
Высоковольтные варисторы —
на рабочее напряжение до
20 кВ.

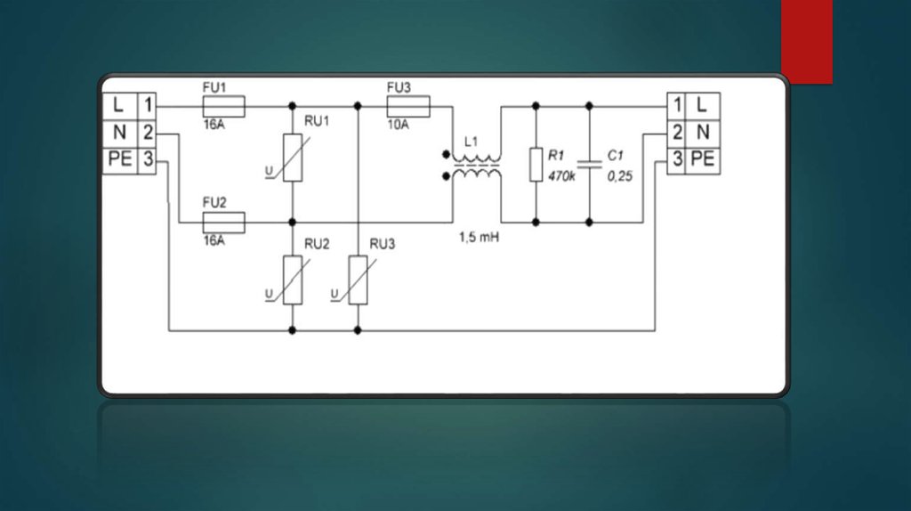
4.

Варисторная защита подключается
параллельно основному оборудованию,
которое необходимо защитить

5.

6.

SiC
ZnO

7.

Вольтамперная
характеристика
варистора симметрична
относительно начала
осей координат.

8.

коэффициент нелинейности λ
Выделяемая в варисторе энергия W
выделения средней мощности

9.

10.

Маркировка
варисторов
компании
“Epcos”
K - ±10%, L - ±15%, M - ±20%, P - ±25%.

11.

Маркировка
варисторов
компании
“Joyin”

12.

В России крупнейшим
производителем
варисторов (СН2-1, BP-1,
СН2-2) является завод
«Прогресс» (г. Ухта).

13. Подбор варистора

14.

а) направление тока при U<Uсраб
б) направление тока при U>Uсраб

15.

Варианты подключения варистора
English     Русский Rules