Цифровые средства измерения
Схема измерения временного интервала
Погрешности при измерении временных интервалов
Методы снижения методической погрешности измерения временных интервалов
Нониусный метод
Метод трансформации времени
Неравномерное квантование в цифровых измерителях времени
Цифровые частотомеры
Цифровые фазометры
АЦП напряжения
277.50K
Category: mathematicsmathematics

Цифровые средства измерения

1. Цифровые средства измерения

Отличия от аналоговых СИ
– наличие АЦП, ЦАП;
– работа с цифровым кодом
Виды ЦСИ
• с промежуточным аналоговым преобразованием
• без промежуточным аналоговым преобразованием

2.

В цифровой код могут быть преобразованы непосредственно
• интервал времени;
• частота;
• фаза;
• напряжение;
• угловое и линейное перемещение;
• параметры цепей R;
• ток I

3. Схема измерения временного интервала

x
x
0
0
N f 0 dt f 0 dt f 0 x
x
T0

4. Погрешности при измерении временных интервалов

5. Методы снижения методической погрешности измерения временных интервалов

• Повышение частоты
• Синхронизация ГОЧ с старт-импульсом
• Нониусный метод
• Метод трансформации времени
• Прочие методы (метод регрессирующих совпадений, метод
задержанных совпадений и др.)

6. Нониусный метод

Qk
fвс k
f0
Q 1

7. Метод трансформации времени

8. Неравномерное квантование в цифровых измерителях времени

x
N f t dt
0
N x F x
F x ln 1 x f x
f0
1 x f0
f t F ' x

9.

10. Цифровые частотомеры

1. Метод единичных приращений
для высоких частот
для низких частот

11.

12.

2. Компенсационный метод измерения частоты

13.

3. Измерение частоты методом сравнения (метод фигур Лиссажу и
метод яркостной модуляции)
fy
fx
nx
ny
f0
fx
n

14. Цифровые фазометры

Фаза в общем случае
Ф 2 1 t 2 1
Фаза при равенстве частот 2 t1 2 ft1 2 t1
T
Фазометр мгновенного значения
Алгоритм работы
1. Вычислить период
2. Вычислить интервал времени между началами периода
3. Найти отношение интервала времени к периоду
4. Выполнить масштабирование

15.

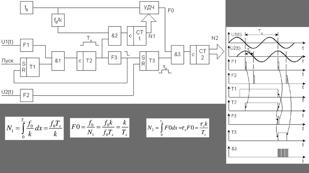
Tx
N1
0
f0
f 0Tx
dx
k
k
f0
f0k
k
F0
N1 f 0Tx Tx
x
N2 F 0dx x F 0
0
xk
Tx

16. АЦП напряжения

1. По методу единичного приращения
1.1 АЦП время импульсного кодирования с однократным
компарированием

17.

1.1 АЦП время импульсного кодирования с однократным
компарированием
x
N f 0 dx f 0 x
0
tg
Ux
x
Ux
N f0
kU x
tg

18.

Погрешности
1. Нелинейность ГЛИН
U ГЛИН U нач tg t1 Fнел t
2. Погрешность компарирования (сравнения)
3. Погрешность квантования
4. Неточность и нестабильность ГОЧ

19.

1.2 АЦП время импульсного кодирования с двух кратным
компарированием
Находим разность
Для момента времени t1:
0 U нач tg t1 Fнел t1
Для момента времени t2:
U x U нач tg t2 Fнел t2
U x tg t2 t1 Fнел t2 Fнел t1

20.

2. АЦП последовательного приближения
n опорных напряжений
U оп i
U0
2i
n 1
U 0 n 1
U 0 2n 1 U 0 n 1
U
U x an 1 i i an 1 i i n 1 n 1 an 1 i 2n 1 i n 01 ai 2i
2
2 2
2 i 0
2 i 0
i 0
i 0
n 1

21.

3. АЦП параллельного считывания
N КН i
iU ОП
"0",
U
x
n
"1",U iU ОП
x
n
English     Русский Rules