«Решение задач по системам допусков и посадок»
Допуск 
Посадка
Посадка с зазором
Посадка с натягом
Переходная посадка
Выполнение работы:
Задачи
1.09M
Category: mechanicsmechanics

Задание Допуски и посадки

1. «Решение задач по системам допусков и посадок»

Практическое занятие

2.

3.

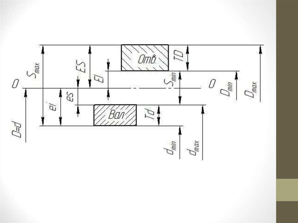
Нулевая линия — линия,
соответствующая
номинальному размеру, от
которого откладываются
отклонения размеров

4.

Верхнее отклонений
отверстия
Номинальный
диаметр отверстия
Нижнее отклонений
отверстия
Верхнее отклонений
вала
Номинальный
диаметр вала
Нижнее отклонений
вала
Если ES=EI или es=ei, то
D±ES( EI)
D±es(ei)

5. Допуск 

Допуск
разность между наибольшим и наименьшим предельными
значениями размеров или алгебраическая разность между
верхним и нижним отклонениями
Допуск отверстия
• TD=Dmax-Dmin
• TD=|ES-EL|
Допуск вала
• Td=dmax-dmin
• Td=|es-el|

6.

7. Посадка

характер соединения деталей одинакового
номинального размера
• Посадка характеризует свободу относительного перемещения
деталей в соединении или степень сопротивления их взаимному
перемещению.

8. Посадка с зазором

Зазор S - разность
размеров отверстия и
вала, если размеры
вала меньше
размеров отверстия
• Соединение допускает перемещение деталей друг относительно друга.
• Параметры посадки с зазором:
наибольший зазор Smax= Dmax – dmin или
Smax= ES-ei
наименьший зазор Smin= Dmin – dmax или
Smin=EI-es
средний зазор
Sср=0,5· (Smax+ Smin)
допуск посадки
TS = Smax – Smin или
TS = TD + Td
• К посадкам с зазором относятся посадки, в которых. Dmin = dmax.
В этом случае Smin= 0.

9.

10. Посадка с натягом

Натяг N - разность
размеров вала и
отверстия до сборки
соединения, если
размер вала больше
размера отверстия.
• Соединение с натягом соединение обеспечивает взаимную неподвижность
деталей после их сборки.
• Параметры посадки с натягом:
наибольший натяг
наименьший натяг
средний натяг
допуском посадки
Nmax= dmax- Dminс
Nmin= dmin – Dmax
Nm=0,5· (Nmax+ Nmin)
TN = Nmax – Nmin или
или
или
Nmax= es-EI
Nmin= ei-ES
TN = = TD + Td
• К посадкам с натягом относятся такие посадки, в которых Dmax= dmin.
В этом случае Nmin= 0.

11.

12. Переходная посадка

посадка, при которой
возможно получение
как зазора, так и натяга
поля допусков вала и отверстия перекрываются полностью или
частично
Параметры переходной посадки:
наибольший зазор
Smax= Dmax- dmin или
Smax =ES-ei
наибольший натяг Nmax= dmax – Dmin или
Nmax=es-EI
средний натяг, зазор
SN ср=0,5·(Smax +Nmax)
допуском посадки
TS(N) = TD + Td или
TS(N) = Smax +Nmax

13.

14. Выполнение работы:

• Определить номинальные, предельные размеры
отверстия и вала, отклонения размеров и допуски детали
и посадки, вид посадки, изобразить поля допусков и
определить годность детали, если её действительный
размер равен номинальному:

15.

Размер, указанный на чертеже
Номинальный размер отверстия
Верхнее отклонение отверстия
Нижнее отклонение отверстия
Наибольший предельный размер
отверстия
Наименьший предельный размер
отверстия
Допуск отверстия по предельным
размерам
Допуск отверстия по предельным
отклонениям
Вывод о годности детали

16. Задачи

• Определить координату середины поля допуска 50–
0,08 в мкм.
• Определить верхнее отклонение отверстия 50F8 в
мкм, если основное +25, а допуск 39.
• Определить нижнее отклонение вала 90e8 в мкм,
если основное –72, а допуск 54.
• Определить основное отклонение отверстия 70K6 в
мкм, если нижнее –15, а допуск 19.
• Определить допуск вала в мкм, если: допуски
отверстия 20, посадки 49.
• Определить средний зазор посадки 30H7/f6 в мкм,
если допуски: отверстия 21, вала 13, верхнее
отклонение вала –20.
English     Русский Rules