Электроэнергетические системы
Электроэнергетическая система
Режим и параметры системы
Качество электроэнергии
Параметры электрической системы
Графическое изображение
Схема электроэнергетической системы
Электрическая сеть
Классификация электрических сетей
Приёмники и потребители электроэнергии
Классификация электроприёмников
ПРИНЦИП РАБОТЫ ОСНОВНЫХ ЭЛЕМЕНТОВ ЭЛЕКТРОЭНЕРГЕТИЧЕСКОЙ СИСТЕМЫ
Трансформаторы.
Классификация
Конструкция трансформатора
Системы охлаждения трансформаторов
Трансформатор ТМ
Трансформатор сухой ТС
Трансформатор сухой ТСЗ
ТНЭЗ
Линии электропередачи ЛЭП
Кабельные линии
Кабельный туннель
Способы размещения
Прокладка по сооружениям
Изоляция кабельных ЛЭП
Конструктивное исполнение
Единая энергосистема России
История создания
Единая энергосистема России
Преимущества объединения электрических станций и сетей в ЕЭС России
Особенности ЕЭС России
Структура генерирующих мощностей
Потребление электрической энергии
Производство электрической энергии
Основные показатели работы ЕЭС России и перспективы
Объединенная энергосистема Средней Волги
Режимом работы энергообъединения управляет филиал АО «СО ЕЭС» ОДУ Средней Волги.
5.25M
Category: industryindustry

энергетические системы ч3

1. Электроэнергетические системы

2. Электроэнергетическая система

• Под электроэнергетической системой понимается совокупность взаимосвязанных элементов, предназначенных для производства, преобразования, передачи, распределения и потребления электроэнергии.
• К элементам электроэнергетической системы относятся
генераторы, осуществляющие преобразование механической энергии в электрическую; трансформаторы,
преобразующие величины напряжений и токов; линии
электропередачи, предназначенные для
транспортировки электроэнергии на расстояние;
всевозможное вспомогательное оборудование,
изменяющее свойства системы, а также устройства
управления и регулирования.

3. Режим и параметры системы

• Режим системы, т. е. ее состояние в данный момент
времени, характеризуется параметрами,
определяющими процесс ее функционирования. К
таким параметрам режима относятся следующие
величины: мощность, напряжение, ток, частота и т. д.
• Режимы подразделяются на установившиеся и
переходные.
• Параметры установившихся режимов сохраняются на
рассматриваемом интервале времени неизменными
или изменяются относительно медленно.
• Переходные режимы соответствуют переходу системы
от одного установившегося режима к другому; для них
характерны медленные и малые или быстрые и
значительные изменения параметров.

4. Качество электроэнергии

• Для того чтобы электроэнергетическая система
могла нормально функционировать, а потребители
электрической энергии могли работать согласно
заложенным в их конструкции характеристикам,
необходимо соответствие параметров режима
определенным значениям. При этом обеспечивается приемлемое качество электроэнергии, подводимой к потребителям, которое характеризуется
значениями напряжения, частоты, симметрией (для
трехфазного тока) и синусоидальностью (формой
кривой переменного тока).

5. Параметры электрической системы

• Физические свойства элементов
электрической системы и взаимосвязи
элементов между собой характеризуются
параметрами электрической системы. К
ним относятся: сопротивления элементов,
моменты инерции и постоянные времени,
характеризующие скорости изменения
электрических и механических величин, и т. д.

6. Графическое изображение

• Для графического
изображения электроэнергетических систем, а
также отдельных ее
элементов и связи между
элементами используют
общепринятые условные
обозначения или
символы, позволяющие на
чертеже просто показать
тот или иной вид
электроустановки.

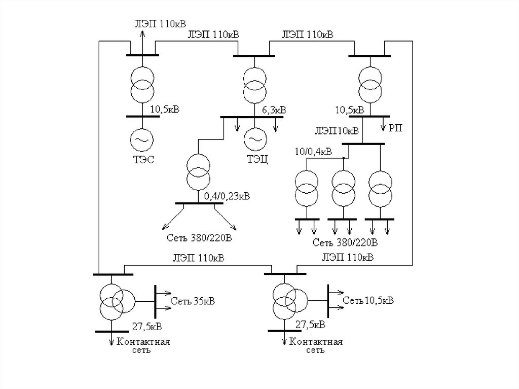
7. Схема электроэнергетической системы

• Электрическая энергия, вырабатываемая на двух
электростанциях различных типов, подводится к
потребителям, удаленным друг от друга.
• Для того чтобы передать электрическую энергию на
расстояние, ее предварительно преобразовывают,
повышая напряжение трансформаторами.
• У мест потребления электроэнергии напряжение
понижают до требуемого значения. По начертанию
схемы можно понять, что электроэнергия передается по
воздушным линиям — ЛЭП. Все элементы электроэнергетической системы связаны происходящими в них
процессами, и поэтому система при решении ряда
задач должна рассматриваться как качественно новое
(по сравнению с отдельными элементами) единое
образование.

8.

9. Электрическая сеть

• Часть электрической системы,
предназначенная для передачи и
распределения электрической энергии, содержащая подстанции, линии электропередачи и
распределительные устройства, называется
электрической сетью.
• На подстанциях производится
преобразование, а иногда и распределение
электрической энергии. Под преобразованием
электрической энергии понимается изменение напряжения и тока в трансформаторах.

10. Классификация электрических сетей

• 1. Напряжение сети. Сети могут быть низковольтными напряжением до 1000 В и
высоковольтными напряжением 1000 В и выше.
Элементы современных электрических сетей
выполняются па различные номинальные
напряжения. Номинальное напряжение (ток или
какой-либо другой параметр режима)—это такое
на-пряжение, которое соответствует нормальной и
экономичной работе элемента электрической
системы. Существует шкала стандартных
номинальных напряжении: 0,22; 0,38; 0,66; 6; 10;
20; 35; 11О; 150; 220; 330; 500; 750; 1150кВ.

11.

• 2. Род тока. Сети могут быть постоянного и переменного тока.
Электрическая энергия может потребляться либо на
постоянном, либо на переменном, либо на постоянном и
переменном токе.
• На постоянном токе работают различные электрохимические
установки, например ванны для получения различных
материалов, электрические двигатели и для других
потребителей. Среди потребителей электрической энергии,
работающих на переменкой токе, наиболее распространены
асинхронные электрические двигатели Установки,
использующие тепловую энергию, получаемую из
электрической, так же как лампы накаливания,
обогревательные устройства, могут успешно работать как на
постоянном, так и па переменном токе.
• Электрические сети выполняются в основном на переменном
токе. Постоянный ток целесообразно использовать при
передаче больших мощностей на сверхдаль-ние расстояния. |

12.

• 3. Назначение. Районные сети
предназначаются для соединения крупных
электрических станций и подстанций и
выполняются на напряжение 35 кВ и выше.
• Сети напряжением 330, 500, 750 и 1150 кВ
относят к межсистемным связям, так как они в
основном предназначаются для соединения
крупных электроэнергетических систем.
• Распределительные сети выполняют функции
распределения электрической энергии между
отдельными потребителями, промышленными
предприятиями, сельскохозяйственными
нагрузками и т. д.

13.

• 4. Конструктивное выполнение линий. Линии
могут быть воздушными и кабельными.
• 5. Частота питающего тока. К одному из основных
параметров режима электроэнергетической
системы относится частота. В энергетических
системах России и Европы принята стандартная частота переменного тока 50 Гц. В США частота переменного тока 60 Гц; На некоторых автономных установках, самолетах и кораблях используются более
высокие частоты (400 Гц), что позволяет уменьшить
габариты электрических машин. Значения частоты,
меньшие 50 Гц, применяются сравнительно редко.

14. Приёмники и потребители электроэнергии

Потребители электрической энергии - электроприёмник или группа
электроприёмников, связанных технологическим процессом и размещённых на
определённой территории. (станок, цех, завод)

15. Классификация электроприёмников

1.По степени надежности электроснабжений, согласно «Правилам
устройства электроустановок» (ПУЭ) электроприёмники разделяются на
следующие три категории:
Электроприёмники I категории – электроприёмники, перерыв
электроснабжения которых может повлечь за собой: опасность для жизни
людей значительный ущерб народному хозяйству, повреждение
дорогостоящего основного оборудования, массовый брак продукции,
расстройство сложного технологического процесса, нарушение
функционирования особо важных элементов коммунального хозяйства.
Перерыв в электроснабжении допускается только на время автоматического
ввода резервного питания.
Из состава электроприёмников I категории выделяется особая группа,
бесперебойная работа которых необходима для безаварийного останова
производства с целью предотвращения угрозы жизни людей, взрывов,
пожаров и повреждения дорогостоящего основного оборудования.

16.

Электроприёмники II категории – электроприёмники,
перерыв электроснабжения которых приводит к
массовому недоотпуску продукции, массовым простоям
рабочих, механизмов и промышленного транспорта,
нарушению нормальной деятельности значительного
количества городских и сельских жителей.
Перерыв в электроснабжении допускается на время,
необходимое для включения резервного питания силами
эксплуатационного персонала, но не более 30 минут.

17.

Электроприёмники III категории – все остальные
электроприёмники, не подходящие под определения I и II
категорий.
Перерыв в электроснабжении допускается на время,
необходимое выездной бригаде на восстановления
питания, но не более 1 суток.

18.

2.По роду тока:
•Электроприемники работающие от сети с частотой
(50,60) Гц;
•Электроприемники работающие от сети повышенной
(пониженной) частоты;
•Электроприемники работающие от сети постоянного
тока.
3.По величине номинального напряжения:
•До 1 кВ, и выше 1 кВ – переменный ток;
•До 1,5 кВ, и выше 1,5 кВ – постоянный ток.

19.

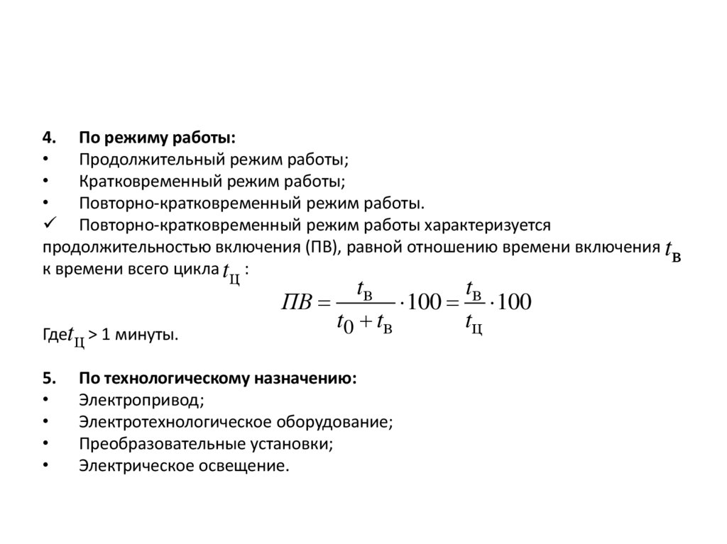
4. По режиму работы:
Продолжительный режим работы;
Кратковременный режим работы;
Повторно-кратковременный режим работы.
Повторно-кратковременный режим работы характеризуется
продолжительностью включения (ПВ), равной отношению времени включения t
в
к времени всего цикла t :
ц
Гдеtц > 1 минуты.
5.


ПВ
100 100
t0 tв

По технологическому назначению:
Электропривод;
Электротехнологическое оборудование;
Преобразовательные установки;
Электрическое освещение.

20. ПРИНЦИП РАБОТЫ ОСНОВНЫХ ЭЛЕМЕНТОВ ЭЛЕКТРОЭНЕРГЕТИЧЕСКОЙ СИСТЕМЫ

• Основные элементы электроэнергетической системы
осуществляют выработку электрической энергии, ее
преобразование, передачу на расстояние и потребление.
• В промышленных масштабах электрическую энергию
получают на электрических станциях преобразованием
различных видов энергии — химической энергии
органического топлива, внутриядерной энергии,
гидроэнергии и т. д.
• Преобразование электрической энергии к виду,
удобному для передачи, распределения и потребления,
производится с помощью трансформаторов.

21.

• Передача электрической энергии на
расстояние осуществляется по воздушным или
кабельным линиям.
• Потребление ее происходит различными
механизмами, но значительная доля
расходуется на приведение в движение
производственных механизмов
электрическими двигателями переменного
тока.
• Синхронные генераторы на станциях
преобразуют механическую энергию турбин в
электрическую.

22.

23.

• Для ТЭС турбогенераторы изготовляются быстроходными с номинальной частотой вращения 3000 об/мин в
соответствии с принятой стандартной частотой переменного тока, равной 50 Гц.
• В отличие от турбогенераторов гидрогенераторы выполняют тихоходными, с различными частотами вращения роторов, определяемыми напором и расходом
воды в створе реки. Значительно меньшие частоты
вращения роторов гидрогенераторов приводят к
относительному увеличению их размеров.
• Синхронный генератор. Принцип работы синхронного
генератора основан на законе электромагнитной индукции Фарадея, который в наиболее общем виде устанавливает, что ЭДС определяется скоростью изменения
магнитного потока, пронизывающего контур
проводника.

24.

• Турбогенераторы вырабатывают электроэнергию
обычно при напряжении, не превышающем 24 кВ.
Чтобы передать электроэнергию на расстояние,
необходимо повысить напряжение до 110—1150 кВ и
выше. Для этого в блоки включают повышающие
трансформаторы. Электростанции в большинстве
случаев выдают электроэнергию на двух, иногда на трех
напряжениях, на которых распределяется
электроэнергия отходящими линиями электропередачи.
• Имеющиеся на ГЭС водохранилища позволяют регулировать расход воды, а следовательно, и мощность
станций таким образом, чтобы обеспечить по
возможности равномерную работу ТЭС в системе. При
этом в системе достигается наилучший экономический
эффект.

25. Трансформаторы.

• Широкое распространение
переменного тока в
электроэнергетике обусловлено
возможностью получения
наиболее простых конструкций
электрических машин, работа
которых основывается на
наведении ЭДС переменным
магнитным потоком.
• Еще одно преимущество
переменного тока — простота
преобразования напряжения, что
важно для передачи
электрической энергии на
расстояние. Изменение
напряжения и тока производится
в трансформаторах.

26. Классификация


1. По назначению:
- повышающий 10/121кВ (Кт=12);
- понижающий 110/11кВ (Кт=10).
2. По условиям работы: для работы в нормальных и специальных
условиях.
3. По виду изолирующей и охлаждающей среды:
- масляные ТМЗ;
- сухие ТСЗ;
- заполненные негорючим диэлектриком и с литой изоляцией ТЭНЗ.
4. По типам, характеризующим назначение и основное
конструктивное исполнение: одно-фазные и трехфазные, а также
наличие регулирования напряжения: с РПН и ПБВ.
5. По типу обмоток: двухобмоточные , трехобмоточные ,
автотрансформаторы; трансформаторы с расщепленной обмоткой
(используются для снижения токов КЗ, т.к. мощность каждой обмотки
равна половине мощности трансформатора) ; повышающий
трансформатор, играющий роль сумматра мощностей .

27. Конструкция трансформатора

• Основные элементы:
• 1. Магнитопровод, изготовленный из высококачественной
стали.
• 2. Обмотки. Изготавливают из алюминия и меди двух типов:
концентрические и чередующиеся. Чередующиеся
используются в основном для печных трансформаторов, иногда
для сухих, т.к. у них большой поток рассеивания и большое
реактивное сопротивление.
• Магнитопровод и обмотки масляных трансформаторов
располагаются в баке двух типов:
• - с легким разъемом (вверх), используются для
трансформаторов небольшой мощности;
• - с нижним разъемом – для большей мощности, т.к. на баке
располагаются расширители, филь-тры, реле давления.

28.

29. Системы охлаждения трансформаторов

• Основное тепло выделяется в обмотках, для его отвода применяются
системы охлажде-ния:
• −
естественное воздушное охлаждение применяется для сухих
трансформаторов (до 4000 кВА). Достоинство: пожаробезопасность,
простота конструкции, отсутствие жидкого ди-электрика. Недостатки:
дорогой, наличие шума.
• Обозначение: С – сухой, СЗ – сухой закрытый, СГ – сухой герметичный,
СД – с принудитель-ной циркуляцией.
• −
естественное масляное охлаждение М (4-80 МВА). Достоинство:
низкая цена. Недостатки: пожароопасность, наличие
маслоприемника, постоянный контроль масла.
• −
естественное масленое охлаждение с воздушным дутьем
(система вентиляторов наружи, ко-торые обдувают радиаторы), более
50%теплоодача; мощность 80-100МВА. Обозначение Д.
• −
масляное охлаждение с принудительной циркуляцией масла
(наличие в обозначении Ц) с помощью центробежных насосов, с
воздушным или водяным теплообменом (свыше 100МВА).
• −
естественное охлаждение жидким негорючим, экологически
чистым диэлектриком (ТНЭЗ).

30. Трансформатор ТМ

31. Трансформатор сухой ТС

32. Трансформатор сухой ТСЗ

33. ТНЭЗ

34.

35.

36.

• ТП столбовая 10(6)кВ

37.

• Подстанция СТП
160/10(6)/0,4

38. Линии электропередачи ЛЭП

• По конструктивному выполнению ЛЭП подразделяются на
воздушные и кабельные. Металлические провода воздушных
линий подвешиваются к опорам через изоляторы, имеющие
специальные зажимы.
• Опоры выполняются деревянными, металлическими и
железобетонными в зависимости от назначения линий,
используемого напряжения, экономических соображений и т. п.
• Некоторые конструкции опор предназначены для
поддержания проводов; они воспринимают только вертикальные нагрузки веса проводов и называются промежуточными.
• Существуют конструкции опор, воспринимающие
горизонтальные нагрузки натяжения проводов; они называются
анкерными.
• Кроме того, выполняются опоры специального назначения для
перевода линии через водные препятствия и горные ущелья,
для изменения направления линии и т. д.

39.

40.

41.

42.

43.

44.

45.

46.

47.

48.

49.

50.

Характеристики опор и линий электрoneредачи различных напряжений:
а — общий вид опор; б - изменение конструктивных характеристик при увеличении
номинального напряжения линии (6 — ширина полосы отчуждения трассы, h — высота
опоры, п — число изоляторов в гирляндах): в — зависимость удельной стоимости передачи
электроэнергии от напряжения (с — себестоимость передачи электроэнергии)

51. Кабельные линии

52. Кабельный туннель

53. Способы размещения


Подземные и подводные
Закрытий способ позволяет размещать линии даже в самых сложных условиях – под
землей и под водной поверхностью. Для их прокладки могут использоваться
специальные тоннели или другие способы. При этом можно применять несколько
кабелей, а также различные крепежные детали.
Около электрических сетей устанавливаются специальные охранные зоны. Согласно
правилам ПУЭ они должны обеспечить безопасность и нормальные условия
эксплуатации.

54. Прокладка по сооружениям


Прокладка высоковольтных линий электропередач с различным напряжением
возможна внутри сооружений. К наиболее часто используемым конструкциям
относятся:
Тоннели. Они представляют собой отдельные помещения, внутри которых кабели
располагаются по стенам или на специальных конструкциях. Такие пространства хорошо
защищены и обеспечивают легкий доступ к монтажу и обслуживанию линий.
Каналы. Это готовые конструкции из пластика, железобетонных плит и других
материалов, внутри которых располагаются провода.
Этаж или шахта. Помещения, специально приспособленные для размещения ЛЭП и
возможности нахождения там человека.
Эстакада. Они представляют собой открытые сооружения, которые прокладываются на
земле, фундаменте, опорных конструкциях с прикрепленными внутри проводами.
Закрытые эстакады называются галереями.
Размещение в свободном пространстве зданий – зазоры, место под полом.
Кабельные блок. Кабели прокладываются под землей в специальных трубах и
выводятся на поверхность с помощью специальных пластиковых или бетонных
колодцев.

55. Изоляция кабельных ЛЭП

56.

• Главным условием при выборе материалов для изоляции ЛЭП
является то, что они не должны проводить ток.
Кабельные линий электропередач используются с материалами:
• резина синтетического или природного происхождения (она
отличается хорошей гибкостью, поэтому линии из такого материала
легко прокладывать даже в труднодоступных местах);
• полиэтилен (достаточно устойчив к воздействию химической или
другой агрессивной среды);
• ПВХ (главным преимуществом такой изоляции является доступность,
хотя материал по стойкости и различным защитным свойствам
уступает другим);
• фторопластовые (отличаются высокой устойчивостью к различным
воздействиям);
• материалы на бумажной основе (малоустойчивы к химическим и
природным воздействиям, даже при наличии пропитки защитным
составом).
• Кроме традиционных твердых материалов для таких линий могут
применяться жидкостные изоляторы, а также специальные газы.

57. Конструктивное исполнение

58.

59.

60.

61. Единая энергосистема России

• Это совокупность производственных и иных
имущественных объектов электроэнергетики,
связанных единым процессом производства (
в том числе производства в режиме комбинир
ованной выработки электрической и тепловой
энергии) и передачи электрической энергии в
условиях централизованного оперативнодиспетчерского управления в электроэнергети
ке

62. История создания

История создания
• Принципы централизации выработки электроэнергии и концентр
ации генерирующих мощностей на крупных районных электроста
нциях были заложены ещё при реализации плана ГОЭЛРО.
• В 1926 году в Московской энергосистеме была создана первая в с
тране центральная диспетчерская служба
• (ЦДС, в настоящее время ЦДС носят названия Региональных дисп
етчерских управлений и имеют статус филиалов ОАО «СО ЕЭС»)
• К 1935 году в стране работало шесть энергосистем, в том числе
Московская, Ленинградская, Донецкая и Днепровская.
• Первые энергосистемы были созданы на основе ЛЭП напряжения
110 кВ, за исключением Днепровской, в которой использовались
линии напряжения 154 кВ, принятого для выдачи мощности Днеп
ровской ГЭС.

63.

• В 1942 году для координации работы трех районных энергети
ческих систем: Свердловской, Пермской и Челябинской было
создано первое Объединённое диспетчерское управление —
ОДУ Урала.
• В 1945 году было создано ОДУ Центра.
• В начале 1950х годов было начато строительство каскада гидр
оэлектростанций на Волге.
• В 1956 году объединение энергосистем Центра и Средней Вол
ги линией электропередачи 400 кВ «Куйбышев —
Москва», обеспечивавшей выдачу мощности Куйбышеской
ГЭС, - начало формирования Единой энергосистемы СССР.
• Последовавшее строительство ЛЭП 500 кВ от каскада Волжски
х ГЭС обеспечило возможность параллельной работы энергос
истем Центра, Средней и Нижней Волги и Урала и завершило
первый этап создания Единой энергетической системы.

64.

• В июле 1962 году было подписано соглашение о создани
и в Праге Центрального диспетчерского управления (ЦД
У) энергосистем Болгарии, Венгрии, ГДР, Польши, СССР, Р
умынии и Чехословакии.
• Это соглашение привело к созданию крупнейшей на пла
нете энергосистемы «Мир»
(установленная мощность электростанций более 400 ГВт)
• В 1967 году на базе ОДУ Центра было создано Центральн
ое диспетчерское управление (ЦДУ) ЕЭС СССР,
• принявшее на себя также функции диспетчерского управ
ления параллельной работой энергосистем ОЭС Центра.
• В 1970 году к ЕЭС была присоединена ОЭС Закавказья, а
в 1972 году —
ОЭС Казахстана и отдельные районы Западной Сибири.
• В 1978 году ОЭС Сибири была присоединена к ЕЭС СССР.

65.

• К 1990 году в состав ЕЭС СССР входили 9 из 11 энергообъединени
й страны.
• В ноябре 1993 г. изза большого дефицита мощности на Украине
был осуществлён вынужденный переход на раздельную работу Е
ЭС России и ОЭС Украины, что привело к раздельной работе
ЕЭС России с остальными энергосистемами, входящими в состав «
Мир».
В дальнейшем параллельная работа энергосистем, входящих в соста
в «Мира», с центральным диспетчерским управлением в Праге не в
озобновлялась.
После распада СССР электрические связи между некоторыми энерго
объединениями в составе ЕЭС России стали проходить по территори
и независимых государств и электроснабжение части регионов оказ
алось зависимым от этих государств (связи 5001150 кВ между ОЭС Урала и Сибири, проходящие по территории
Казахстана, связи ОЭС Юга и Центра, частично проходящие по терри
тории Украины, связи ОЭС СевероЗапада с Калининградской энергосистемой, проходящие по террито
рии стран Балтии).

66. Единая энергосистема России


ЕЭС России охватывает практически всю обжитую территорию страны и является
крупнейшим в мире централизованно управляемым энергообъединением.
Единая энергетическая система России (ЕЭС России) состоит из 70 региональных
энергосистем, которые, в свою очередь, образуют 7 объединенных энергетических
систем: Востока, Сибири, Урала, Средней Волги, Юга, Центра и Северо-Запада.
Все энергосистемы соединены межсистемными высоковольтными линиями
электропередачи напряжением 220-500 кВ и выше и работают в синхронном режиме
(параллельно).
Кроме того, ЕЭС России осуществляет параллельную работу с ОЭС Украины, ОЭС
Казахстана, ОЭС Белоруссии, энергосистемами Эстонии, Латвии, Литвы, Грузии и
Азербайджана, а также с NORDEL (связь с Финляндией через вставку постоянного тока
в Выборге).
Энергосистемы Белоруссии, России, Эстонии Латвии и Литвы образуют так называемое
«Электрическое кольцо БРЭЛЛ», работа которого координируется в рамках
подписанного в 2001 году Соглашения о параллельной работе энергосистем БРЭЛЛ.

67.

68. Преимущества объединения электрических станций и сетей в ЕЭС России


Параллельная работа электростанций в масштабе Единой энергосистемы
позволяет реализовать следующие преимущества:
снижение суммарного максимума нагрузки ЕЭС России на 5 ГВт;
сокращение потребности в установленной мощности электростанций на 10-12
ГВт;
оптимизация распределения нагрузки между электростанциями в целях
сокращения расхода топлива;
применение высокоэффективного крупноблочного генерирующего
оборудования;
поддержание высокого уровня надёжности и живучести энергетических
объединений.
Совместная работа электростанций в Единой энергосистеме обеспечивает
возможность установки на электростанциях агрегатов наибольшей единичной
мощности, которая может быть изготовлена промышленностью, и укрупнения
электростанций. Увеличение единичной мощности агрегатов и установленной
мощности электростанций имеет значительный экономический эффект.

69. Особенности ЕЭС России

• ЕЭС России располагается на территории, охватывающей 8
часовых поясов. Необходимостью электроснабжения столь
протяжённой территории обусловлено широкое применение
дальних электропередач высокого и сверхвысокого
напряжения.
• Системообразующая электрическая сеть ЕЭС (ЕНЭС) состоит из
линий электропередачи напряжения 220, 330, 500 и 750 кВ.
• В электрических сетях большинства энергосистем России
используется шкала напряжений 110—220 — 500—1150 кВ.
• В ОЭС Северо-Запада и частично в ОЭС Центра используется
шкала напряжений 110—330 — 750 кВ. Наличие сетей
напряжения 330 и 750 кВ в ОЭС Центра связано с тем, что сети
указанных классов напряжения используются для выдачи
мощности Калининской, Смоленской и Курской АЭС,
расположенных на границе использования двух шкал
напряжений.
• В ОЭС Северного Кавказа определённое распространение
имеют сети напряжения 330 кВ.

70. Структура генерирующих мощностей


ОЭС, входящие в состав ЕЭС России, имеют различную структуру
генерирующих мощностей.
Основу российской электроэнергетики составляют около 700 электростанций
суммарной мощностью 210 ГВт, работающих в составе ЕЭС России.
Две трети генерирующих мощностей приходится на тепловые
электростанции.
Около 55 % мощностей ТЭС составляют теплоэлектроцентрали (ТЭЦ), а 45 % —
конденсационные электростанции (КЭС).
Мощность гидравлических (ГЭС), в том числе гидроаккумулирующих (ГАЭС)
электростанций составляет 21 % установленной мощности электростанций
России.
Мощность атомных электростанций составляет 11 % установленной мощности
электростанций страны.
Для ЕЭС России характерна высокая степень концентрации мощностей на
электростанциях.
На тепловых электростанциях эксплуатируются серийные энергоблоки
единичной мощностью 500 и 800 МВт и один блок мощностью 1200 МВт
на Костромской ГРЭС. Единичная мощность энергоблоков действующих АЭС
достигает 1000 МВт.

71.

72.

73.

• На 1 января 2017 года общая установленная мощность
электростанций ЕЭС России составила 236 343,63 МВт.
• Увеличение установленной мощности электростанций ЕЭС
России за счет вводов нового, а также модернизации
действующего генерирующего оборудования электростанций
составило 339,66 МВт. Ввод новой мощности в 2016 году на
электростанциях ЕЭС России с учетом электростанций
промышленных предприятий составил 4 260,78 МВт. Выведено
из эксплуатации 3 752,68 МВт неэффективного и устаревшего
генерирующего оборудования.
• Ежегодно все станции вырабатывают около одного триллиона
кВт∙ч электроэнергии. В 2016 году электростанции ЕЭС России
выработали 1 048,5 млрд. кВт•ч (на 2,1% больше, чем в 2015
году).
• Сетевое хозяйство ЕЭС России насчитывает более 10 700 линий
электропередачи класса напряжения 110 – 1150 кВ.

74. Потребление электрической энергии

• Фактическое потребление электроэнергии в Российской Федерации в
2018 г. составило 1076,2 млрд кВт∙ч (по ЕЭС России 1055,6 — млрд кВт∙ч),
что выше факта 2017 г. на 1,6% (по ЕЭС России — на 1,5%).
• В 2018 г. увеличение годового объема электропотребления ЕЭС России
из-за влияния температурного фактора (на фоне понижения
среднегодовой температуры относительно прошлого года на 0,6°С)
оценивается величиной около 5,0 млрд кВт-ч.
• Наиболее значительное влияние температуры на изменение динамики
электропотребления наблюдалось в марте, октябре и декабре 2018 г.,
когда соответствующие отклонения среднемесячных температур
достигали максимальных значений.
• Кроме температурного фактора на положительную динамику изменения
электропотребления в ЕЭС России в 2018 г. повлияло увеличение
потребления электроэнергии промышленными предприятиями (на
металлургических предприятиях, предприятиях деревообрабатывающей
промышленности, объектах нефте-газопроводного и железнодорожного
транспорта).

75. Производство электрической энергии

• В 2018 г. выработка электроэнергии электростанциями России,
включая производство электроэнергии на электростанциях
промышленных предприятий, составила 1091,7 млрд кВт∙ч (по
ЕЭС России — 1070,9 млрд кВт∙ч)
• Увеличение к объему производства электроэнергии в 2018 г.
составило 1,7%, в том числе:
• ТЭС — 630,7 млрд кВт∙ч (падение на 1,3%);
• ГЭС — 193,7 млрд кВт∙ч (увеличение на 3,3%);
• АЭС — 204,3 млрд кВт∙ч (увеличение на 0,7%);
• электростанции промышленных предприятий — 62,0 млрд
кВт∙ч (увеличение на 2,9%).
• СЭС — 0,8 млрд кВт∙ч (увеличение на 35,7%).
• ВЭС — 0,2 млрд кВт∙ч (увеличение на 69,2%).

76. Основные показатели работы ЕЭС России и перспективы

77. Объединенная энергосистема Средней Волги

• Объединенная энергетическая система Средней Волги
располагается
на
территории
Приволжского
Федерального округа и девяти субъектов Российской
Федерации: Пензенской, Самарской, Саратовской,
Ульяновской и Нижегородской областей; республик
Чувашии, Марий Эл, Мордовии и Татарстана.
• В ее состав входят девять региональных энергетических
систем: Марийская, Мордовская, Нижегородская,
Пензенская, Самарская, Саратовская, Чувашская,
Ульяновская и республики Татарстан.

78. Режимом работы энергообъединения управляет филиал АО «СО ЕЭС» ОДУ Средней Волги.


Режимами работы энергосистем Средней Волги
управляют пять филиалов АО «СО ЕЭС» региональных
диспетчерских
управлений:
Нижегородское,
Пензенское, Самарское, Саратовское, Татарстана,
• Электроэнергетический
комплекс
объединения
образуют 68 электростанций, имеющих суммарную
установленную мощность 27,003 тыс. МВт (по данным
на 01.01. 2017), 769 электрических подстанций 110-500
кВ и 1146 линий электропередачи 110-500 кВ, общей
протяженностью 37177 км.

79.

• ОЭС Средней Волги располагается в Центральной части
Единой Энергетической системы России и граничит с
энергообъединениями Центра, Юга и Урала, а также с
энергосистемой Казахстана.
• Более 90% от общего количества электрических станций,
работающих на территории объединения, составляют тепловые
электростанции, при этом 26% установленной мощности
приходится на долю ГЭС Волжско-Камского каскада (что также
составляет 15% суммарной установленной мощности
гидроэлектростанций ЕЭС России).
• Эта уникальная особенность ОЭС позволяет оперативно
изменять генерацию в диапазоне до 4880 МВт, как для
регулирования частоты в ЕЭС, так и для поддержания величины
транзитных перетоков с ОЭС Центра, Урала и Сибири.
English     Русский Rules