Основные понятия, термины и определения
Классификация электрических сетей:
Приёмники и потребители электроэнергии
Классификация электроприёмников:
по режиму работы:
по техническому назначению:
Магистральные схемы
Воздушные линии электропередачи
Воздушные линии электропередачи
Кабельные линии электропередачи
Прокладка кабельных линий в коллекторах
Основные определения
Электропроводка
Основные определения
Визуальное отличие
Основные определения
Тросовые и струнные электропроводки
Схемы выполнения тросовых электропроводок.
Схемы выполнения тросовых электропроводок.
Схемы выполнения тросовых электропроводок.
Конструкция тросовых проводок.
Основные элементы тросовых электропроводок.
Монтаж тросовых проводок.
Монтаж тросовых проводок.
Электропроводки в трубах
Монтаж электропроводки на лотках и в коробах
Соединение, ответвление и оконцевание жил проводов и кабелей электропроводки
Общие сведения
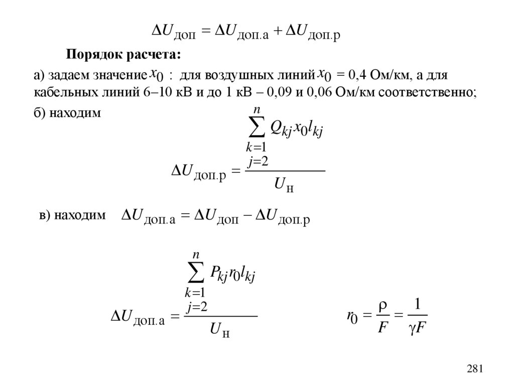
§4 Схемы замещения кабельных линий
§1 Общие положения
§1 Баланс активной мощности и его связь с частотой
§5 Компенсация реактивной мощности
§6 Компенсирующие устройства
Шунтирующие реакторы
Статические источники реактивной мощности (ИРМ)
§1 Выбор номинального напряжения
35.87M
Category: electronicselectronics

!!!Системы_передачи_и_распределения_электрической_энергии_большая

1.

Системы передачи и распределения
электрической энергии

2.

Электрическая энергия
Практическая ценность различных видов энергии совершенно различна.
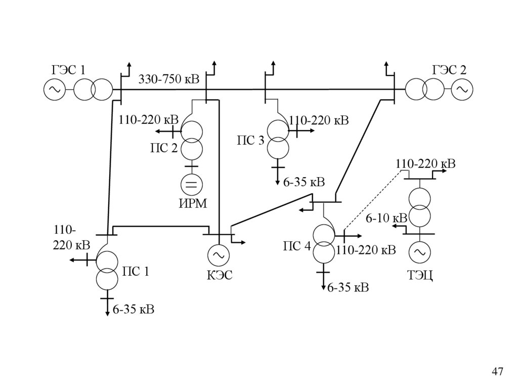
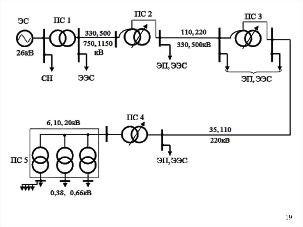
Они различаются по следующим основным показателям:
наличию и величине ресурсов на Земле;
способностью к возобновлению ресурсов;
возможностью непосредственного использования;
возможностью накапливаться и сохраняться;
возможностью экономно передаваться на дальние расстояния;
способностью экономно превращаться в используемые виды;
концентрацией и т.д.
Все виды энергии имеют не только различную практическую ценность,
но и выполняют различные функции. Одни - выполняют роль “ресурсов” –
это ядерная, химическая, механическая, тепловая и электромагнитная виды
энергии. В качестве полезных – непосредственно используемых – видов
энергии выступают тепловая- 65%, механическая - 34% и электромагнитная
около 1%.
2

3.

Электрическая (электродинамическая) энергия – это энергия электрического тока во всех его формах.
Природных источников электрической энергии не существует. Ее можно
получить путем преобразования природной (первичной) тепловой,
химической, электромагнитной (световой) или атомной энергии.
Электрическая энергия обладает следующими технико-экономическими
преимуществами:
-высокая степень концентрации выработки и одновременно беспредельная дробимость;
-высокая степень транспортабельности;
-постоянная готовность к немедленному использованию;
-легкость превращения в другие виды энергии с высоким КПД;
-простота и легкость в управлении электрическими энергетическими
машинами и приборами, возможность автоматизации и телемеханизации;
-относительная дешевизна энергии.
3

4.

Производство электрической энергии (ЭЭ) осуществляется
преимущественно на крупных тепловых, атомных и гидравлических
электростанциях работающих в синхронном режиме.
Центры потребления ЭЭ, промышленные предприятия, города,
сельские районы, обычно удалены от электростанций на десятки, сотни и
тысячи километров и распределены на значительной территории.
Следовательно, существует насущная необходимость в создании
технически и экономически эффективной системы, которая осуществляла
бы связь «электрические станции – потребители электрической энергии».
Такая связь осуществляется электрическими сетями, которые с
устройствами автоматического регулирования, управления, защиты и
резервирования образуют
СИСТЕМУ ПЕРЕДАЧИ И РАСПРЕДЕЛЕНИЯ
ЭЛЕКТРИЧЕСКОЙ ЭНЕРГИИ
Задача такой системы централизованного электроснабжения
состоит в том, чтобы экономично и надежно передать электроэнергию
необходимого качество от электростанций потребителям.
4

5. Основные понятия, термины и определения

Энергетической
системой
называется
совокупность
электростанций, электрических и тепловых сетей и центров потребления
электрической энергии и теплоты, соединенных между собой и
связанных общностью режима в непрерывном процессе производства,
преобразования и распределения электрической энергии и теплоты при
общем управлении этим режимом.
Электроэнергетическая система (ЭЭС)
Эл. Станции
Эл. часть
ЭС
Электрические
сети
Энергетические
ресурсы
Тепловые сети
Потребители
электроэнергии
Потребители
тепловой энергии
5

6.

Энергетические ресурсы - это материальные объекты, в которых
сосредоточена возможная для практического использования человеком
энергия.
Энергоресурсы подразделяются на:
-
возобновляемые и невозобновляемые;
-
топливные и нетопливные;
-
природные (первичные) и искусственные (вторичные);
-
традиционные и нетрадиционные.
Электроэнергетическая система (ЭЭС) – это совокупность
электрических частей электростанций, электрических сетей и потребителей
электроэнергии,
связанных
общностью режимов и непрерывностью
процесса производства, распределения и потребления электрической
энергии.
6

7.

Особенности электроэнергетической системы:
Производство электроэнергии, ее передача, распределение и
преобразование в другие виды энергии осуществляются практически в
один и тот же момент времени.
Относительная быстрота протекания переходных процессов.
Она тесно связана со
транспортом, связью и т.д.
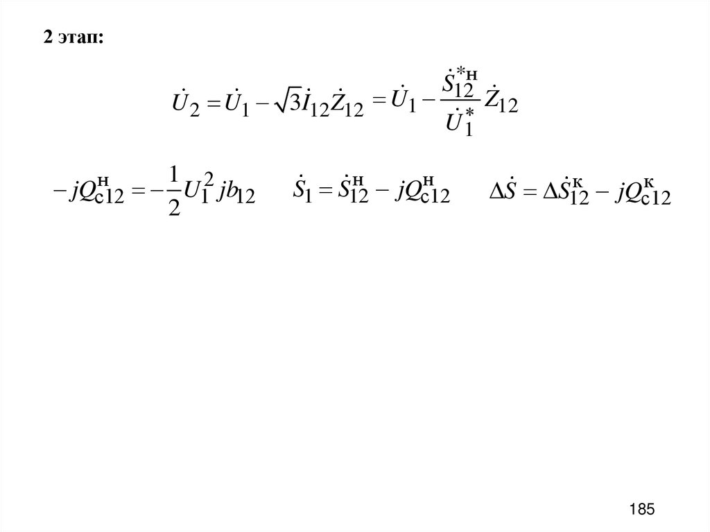
всеми
отраслями
промышленности,
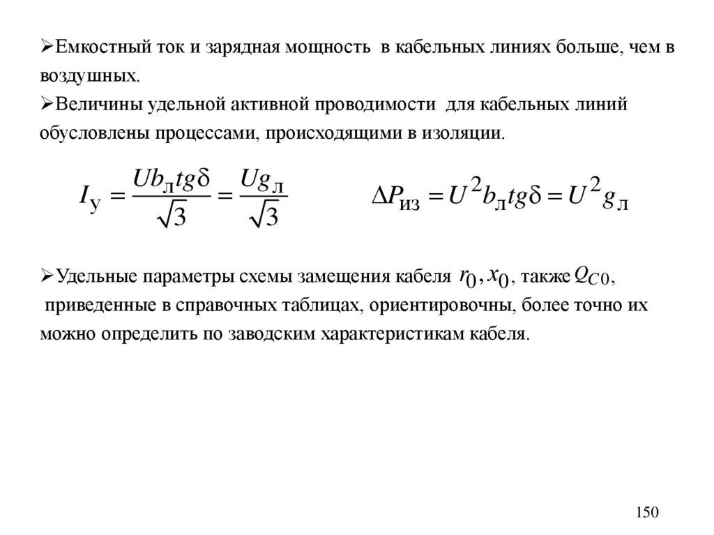
Отдельные составляющие ЭЭС могут быть географически удалены
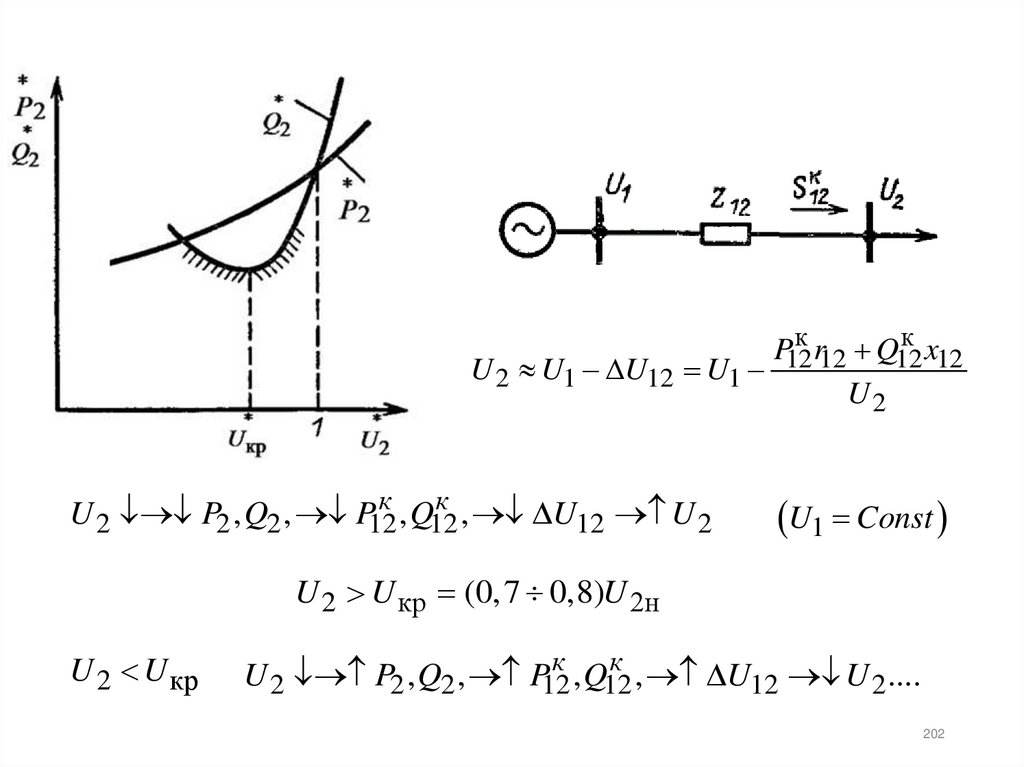
на многие сотни и тысячи километров друг от друга и распределены на
огромной территории. Следовательно, для эффективной их связи,
необходимо создание надежной и безопасной в эксплуатации системы
передачи и распределения электрической энергии
высокого и
сверхвысокого напряжения.
Для управления процессами функционирования такой системой,
регулирования ее режимов, обеспечения надежности работы и
обеспечения качества электроэнергии необходима современная,
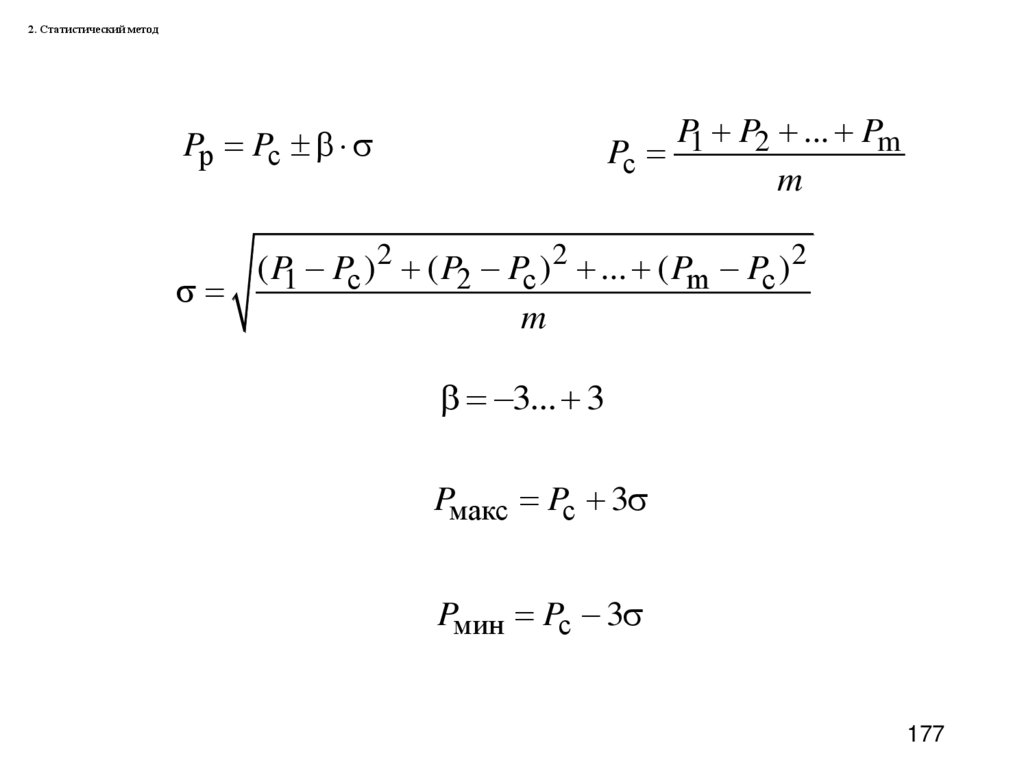
быстродействующая и надежная система средств диспетчерского и
технологического контроля, регулирования и управления.
7

8.

Электроустановка
(ЭУ) – совокупность электрических
аппаратов, электрических машин и электрооборудования, предназначенных
для
производства,
преобразования,
аккумулирования,
передачи,
распределения или потребления электрической энергии и размещенная на
определенной территории или в едином сооружении.
Электростанция (ЭС) – это электроустановка производящая
электрическую или электрическую и тепловую энергию в результате
преобразования энергии, заключенной в природных энергетических ресурсах.
Электроподстанцией (ЭП)
называется электроустановка,
предназначенная для преобразования электрической энергии одного
напряжения в электрическую энергию другого напряжения, а также для
распределения электрической
энергии. Электроподстанция состоит из
трансформаторов,
сборных
шин,
коммутационных
аппаратов
и
вспомогательного электрооборудования.
Подстанции, служащие для связи электростанций и линий
электропередач – повышающие, а для связи линий электропередач и
потребителей электроэнергии - понижающие. Электроподстанции
применяются и для связи отдельных частей электрической системы с
разными напряжениями.
8

9.

Вспомогательное
электрооборудование
подстанций
предназначено для выполнения вспомогательных функций, к нему относятся:
- устройства релейной защиты (УРЗ) – для обнаружения факта и
места повреждения в электроустановке и для выдачи команды на отключение
поврежденного элемента;
- устройства автоматики (УА) – для автоматического включения или
переключения цепей и устройств, а также для автоматического
регулирования режимов работы элементов электроустановок;
- устройства сигнализации (УС) – сообщают об отклонении режима
работы объекта от заданного, о перегрузках и нарушениях нормальной
работы различных элементов электрооборудования, о замыканиях на землю и
других авариях;
- контрольно-измерительные приборы (КИП) для контроля за
работой основного электрооборудования электроподстанции,
электроэнергии, а также для учета электроэнергии.
качеством
9

10.

Распределительное устройство (РУ) - электроустановка,
входящая в состав любой электроподстанции, предназначенная для приема и
распределения электроэнергии на одном напряжении и содержащая
коммутационные
аппараты,
сборные
и
соединительные
шины,
вспомогательные устройства (компрессорные, аккумуляторные и др.), а также
устройства управления, защиты, автоматики и измерительные приборы.
Центр питания (ЦП) - распределительное устройство
генераторного напряжения электростанций или
распределительное
устройство
вторичного
напряжения
понижающей
подстанции
энергосистемы, к которым присоединены распределительные сети данного
района.
Линия электропередачи (ЛЭП) электроустановка,
предназначенная для передачи электрической энергии между двумя пунктами
энергосистемы с возможным промежуточным отбором мощности.
Потребитель электроэнергии, электроприемник (ЭП) электрическая машина, агрегат, аппарат или их комплекс, потребляющий
электроэнергию из сети и расходующую ее на исполнение технологических
процессов или преобразующие электрическую энергию в иные виды энергии.
10

11.

11

12.

В
соответствии
со
схемой,
элементами
системы
передачи
и
распределения электрической энергии являются:
-
линии
электропередачи
(ЛЭП)
различного
конструктивного
исполнения и напряжений;
- устройства компенсации параметров ЛЭП (КУ);
- повышающие (ПВПС) и понижающие (ПНПС) подстанции;
- источники реактивной мощности (ИРМ);
- устройства автоматического регулирования (УАР), релейной защиты
(РЗ), устройства автоматики (УА), средства систем диспетчерского и
технологического управления (СДТУ).
12

13.

Электрическая сеть – это совокупность электроустановок для
передачи и распределения электрической энергии на определенной
территории, состоящая из электроподстанций, распределительных пунктов,
воздушных и кабельных линий электропередач, аппаратура присоединения,
защиты и управления.
Основу системы передачи электрической энергии от синхронных
генераторов электростанций до центров питания, которыми служат сборные
шины вторичного напряжения понижающих подстанций, составляют
развитые системообразующие и питающие сети выполненные воздушными
линиями электропередачи высокого и сверх высокого напряжения.
Система распределения электрической энергии связывает, с
помощью распределительных сетей воздушного и кабельного исполнения,
центры питания непосредственно с потребителями электроэнергии. Обычно
это сети среднего и низкого напряжений.
Система электроснабжения объединяет все электроустановки,
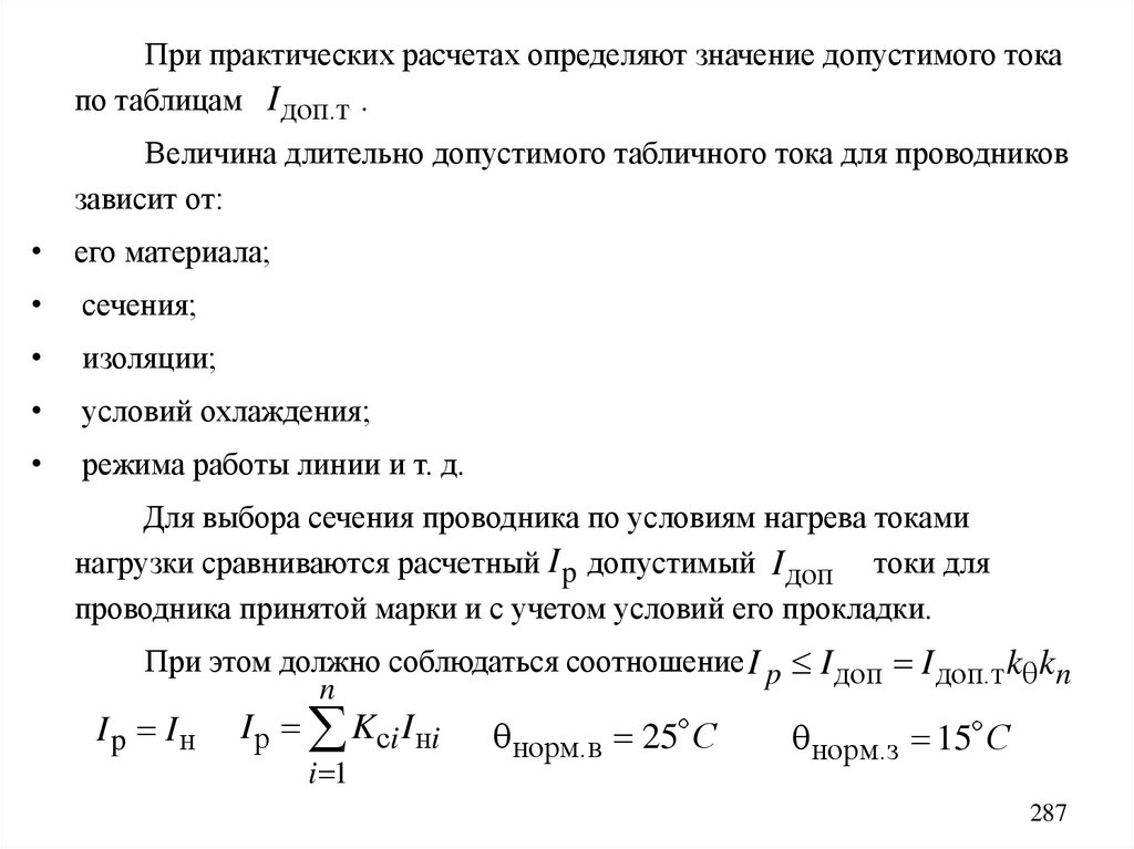
предназначенные для обеспечения потребителей электрической энергией.
Система электроснабжения потребителя - это комплекс
центров питания, распределительных электрических сетей и потребителей
электроэнергии конкретного технологического назначения.
13

14.

Система передачи и распределения электрической энергии должна
удовлетворять многочисленным и разнообразным требованиям:
- обеспечивать надежное, а в ряде случаев, бесперебойное электроснабжение;
- обеспечивать устойчивость параллельной работы всех электроустановок,
т.е. возможность работы электроэнергетической системы во всех
режимах:
нормальных, ремонтных, аварийных и послеаварийных;
- снабжать потребителей электроэнергией нормированного качества;
- удовлетворять условиям экономичности, эксплуатации и развития;
- обеспечивать безопасность и удобство эксплуатации;
- учитывать возможность выполнения релейной защиты, режимной и
противоаварийной автоматики.
14

15.

Объединенная
электроэнергетическая
система
-
совокупность нескольких электроэнергетических систем, объединенных
общим режимом работы, имеющая общее диспетчерское управление как
высшую ступень управления по отношению к диспетчерским управлениям
входящих в нее систем.
Единая электроэнергетическая система - совокупность
объединенных
электроэнергетических
систем,
соединенных
межсистемными связями, охватывающая значительную часть территории
страны при общем режиме работы и имеющая диспетчерское управление.
Производство, преобразование, передача, распределение и
потребление электрической энергии осуществляется преимущественно с
помощью трехфазного переменного тока.
1. Основное преимущество переменного тока по сравнению с
постоянным током,
заключается в возможности с помощью
трансформаторов
повышать, понижать, а также регулировать
величину напряжения в электрических сетях.
15

16.

С повышением напряжения передачи электрической энергии
существенно уменьшаются потери мощности и падения напряжения в
системах передачи и распределения электроэнергии.
Понижение до необходимого уровня – позволяет удовлетворять в
потребности электрической энергии большое количество различных по
номинальным параметрам электроприемников.
Регулирование – обеспечивает устойчивость параллельной
работы электростанций и отдельных электроэнергетических систем,
позволяет поддерживать наиболее экономичный режим работы
распределительных сетей и обеспечивать требуемое качество
напряжения непосредственно у потребителей.
2. Передача электрической энергии от генераторов к потребителям
трехфазным переменным током наиболее выгодна экономически, чем
однофазным, т.к. достигается экономия проводов в два раза . При этом
трехфазные генераторы и трансформаторы дешевле, легче и экономичнее,
чем три однофазовых генератора или трансформатора таковой же
суммарной мощностью.
16

17.

3. Трехфазная система позволяет технически просто получить
круговое вращающееся поле, которое лежит в основе работы всех
трехфазных электрических машин. Трехфазные генераторы, трансформаторы
и двигатели просты по конструкции, надежны в работе, имеют хорошие
массогабаритные показатели, сравнительно дешевы и долговечны.
4. В трехфазной системе существует возможность подключать как
трехфазные, так и однофазные приемники электрической энергии в
зависимости от номинальных параметров, на одно из двух напряжений –
линейное или фазное.
5. В случае необходимости, электрическая энергия переменного
тока, может быть достаточно эффективно преобразована в
электрическую энергию постоянного тока.
17

18. Классификация электрических сетей:

Электрическая сеть
Для передачи электроэнергии применяются стандартные
номинальные (междуфазные или линейные) напряжения трехфазного тока
частотой 50Гц:
0,38; 0,66; 6; 10; 20; 35; 110; 220; 330; 500; 750 и 1150 кВ
Классификация электрических сетей:
• по роду тока – сети переменного и постоянного тока;
• по величине напряжения – сети низкого напряжения -до 1кВ;
среднего напряжения - 6-35кВ; высокого - 110-330кВ и сверхвысокого
напряжения -500кВ и выше;
• по конфигурации – замкнутые и разомкнутые сети;
• по конструктивному выполнению – воздушные и кабельные
сети , токопроводы, электропроводки;
• по выполняемым функциям - системообразующие сети,
питающие сети, распределительные сети.
18

19.

19

20.

Экономически и технически целесообразные параметры
ЛЭП
0,38
Наибольшая
передаваемая
мощность, МВТ
0,05 – 0,1
Наибольшее
расстояние
передачи, км
0,5 – 1,0
10
2,0 – 3,0
10 – 15
35
5 – 10
30 – 50
110
25 – 50
50 – 150
220
100 - 200
150 – 250
330
200 - 300
300 – 400
500
700 – 900
800 – 1200
750
1800 – 2200
1000 – 1500
1150
4000 – 6000
2000 – 3000
Напряжение, кВ
20

21.

К системе передачи ЭЭ относятся внутрисистемные и
межсистемные линии напряжением 330 кВ и выше. Эти линии являются
системообразующими и передающими ЭЭ от систем с ее избытком к
системам с дефицитом электроэнергии, от источников к центра
распределения или питания распределительных сетей.
К системе распределения ЭЭ относятся линии
напряжением 10 - 220 кВ, основное назначения которых – распределение
ЭЭ между крупными районами распределения и непосредственная
передача ЭЭ потребителям. К этой системе относятся также сети низкого
напряжения 0,38 - 6 кВ.
21

22.

Режим работы электрической сети- состояние в данный
момент времени, которое характеризуется параметрами, определяющими
ее процесс функционирования. К основным параметрам режима работы
относят: полную, активную и реактивную мощности; напряжение; ток и
частоту.
Режимы работы сети:
1. Нормальный установившийся- значения основных параметров
равны номинальным или в пределах допустимых отклонений от них.
Нагрузки изменяются медленно , что обеспечивает возможность плавного
регулирования работы электростанций и сете и удерживания основных
22
параметров в пределах допустимых норм.

23.

2.
Переходный неустановившийся- переход из нормального
установившегося режима в другое с резко изменяющимися параметрами.
Принято считать аварийным, т.к наступает при внезапных изменениях в
схеме и резких изменениях генерируемых и потребляемых мощностей.
3.
Послеаварийный установившийся- наступает после
локализации аварии в сети. Отличается от нормального тем, что выходит
из строя один или несколько элементов сети (генератор, трансформатор,
линия).
23

24. Приёмники и потребители электроэнергии

• промышленные предприятия (45–60)%;
• жилые и общественные здания, коммунально-бытовые организации и
учреждения (25–35)%;
• сельскохозяйственное производство (10–15)%;
• электрифицированный транспорт (2–5)%.
Потребитель электрической энергии- это
электроприемник или группа электроприёмников, связанных
технологическим процессом и размещенных на определенной территории.
(цех, завод, станок).
24

25. Классификация электроприёмников:

по степени надежности электроснабжения:
• I категория - электроприёмники, перерыв электроснабжения которых
может повлечь за собой: опасность для жизни людей значительный ущерб
народному хозяйству, повреждение дорогостоящего основного оборудования,
массовый брак продукции, расстройство сложного технологического
процесса, нарушение функционирования особо важных элементов
коммунального хозяйства.
Перерыв в электроснабжении допускается только на время
автоматического ввода резервного питания.
Из состава электроприёмников I категории выделяется особая группа,
бесперебойная работа которых необходима для безаварийного останова
производства с целью предотвращения угрозы жизни людей, взрывов,
пожаров и повреждения дорогостоящего основного оборудования.
25

26.

• II категория -
электроприёмники, перерыв электроснабжения
которых приводит к массовому недоотпуску продукции, массовым
простоям рабочих, механизмов и промышленного транспорта,
нарушению нормальной деятельности значительного количества
городских и сельских жителей.
Перерыв в электроснабжении допускается на время,
необходимое для включения резервного питания силами
эксплуатационного персонала, но не более 30 минут.
• III категория – все остальные электроприёмники, не подходящие под
определения I и II категорий.
Перерыв в электроснабжении допускается на время,
необходимое выездной бригаде на восстановления питания, но не
более 1 суток.
26

27.

по роду тока:
• электроприёмники, работающие от сети с частотой (50,60) Гц;
• электроприёмники, работающие от сети повышенной (пониженной)
частоты;
• электроприёмники, работающие от сети постоянного тока;
по величине номинального напряжения:
• до 1 кВ, и выше 1 кВ – переменный ток;
• до 1,5 кВ, и выше 1,5 кВ – постоянный ток;
27

28. по режиму работы:

• продолжительный режим работы электроприемника
соответствует номинальной неизменной нагрузке, продолжающейся
столь долго, что температура его частей достигает установившихся
значений. Установившейся температурой считается температура,
изменение которой в течение 1 часа не превышает 1°С.
28

29.

• кратковременный
режим
работы
электроприёмника
характеризуется тем, что он работает при номинальной мощности в
течение времени, за которое его температура не успевает достичь
установившейся. При отключении электроприёмник длительно не
работает, и его температура снижается до температуры окружающей
среды.
29

30.

• повторно-кратковременный режим - это такой режим, при
котором кратковременные рабочие периоды номинальной нагрузки
чередуются с паузами. Продолжительность рабочих периодов и пауз не
настолько велика, чтобы перегревы отдельных частей
электроприёмника при неизменной температуре окружающей среды
могли достигнуть установившихся значений.
ПВ

t0 tр
100%


100%
Значение tцпри ПКР не должно
превышать 10 мин.
Электротехническая промышленность
выпускает оборудование со
стандартными значениями ПВ,
равными 15,25, 40 и 60 %.
30

31. по техническому назначению:

• электропривод – это электроприемники общепромышленных
установок, производственных механизмов, подъемно – транспортное
оборудование;
• электротехнологическое оборудование – электросварочные,
электронагревательные, электролизные установки и т.д;
• преобразовательные установки. Для преобразования трехфазного
тока в постоянный или трехфазного тока промышленной частоты в
трехфазный или однофазный ток пониженной, повышенной или высокой
частоты на территории промышленного предприятия;
• электрическое освещение.
31

32.

Единая электроэнергетическая система
Единая энергетическая система России (ЕЭС России) состоит из 71
региональных энергосистем, которые, в свою очередь, образуют 7
объединенных энергетических систем (ОЭС):
Востока, Сибири, Урала, Средней Волги, Юга, Центра и СевероЗапада.
Функцию управления режимами работы ОЭС осуществляют
оперативные диспетчерские управления (ОДУ).
Все ОДУ объединены в организацию ОАО «Системный оператор
Единой энергетической системы».
Электроэнергетический комплекс России, на конец 2020 г.,
включает около 805 электростанций единичной мощностью свыше 5 МВт.
Общая установленная мощность электростанций России составляет
около 245 млн. кВт.
Ежегодно все станции вырабатывают около одного триллиона кВт∙ч
электроэнергии.
32

33.

Установленная мощность парка действующих электростанций по
типам генерации имеет следующую структуру:
- тепловые электростанции (468 станций) - примерно 68%,
- гидравлические – порядка 20%,
- атомные (35 энергоблоков на 10 действующих АЭС) - около 12%,
- альтернативные (солнечные, ветровые, гидротермальные) — около
1,0%.
Сетевое хозяйство ЕЭС России насчитывает более 10 700 линий
электропередачи класса напряжения 110 – 1150 кВ.
Общая длина ЛЭП 35 кВ и выше составляет более 600 тыс. км, а
линий 0,4…20 кВ более 2 млн. км.
Число ПС напряжением выше 35 кВ превышает 17 тыс. с общей
мощностью трансформаторов более 575 млн. кВА, а ПС 6-35/0,4 более 500
тыс.
33

34.

Параллельно с ЕЭС России работают энергосистемы:
Азербайджана, Белоруссии, Грузии, Казахстана, Латвии, Литвы, Монголии,
Украины и Эстонии.
Через энергосистему Казахстана параллельно с ЕЭС России
работают энергосистемы Киргизии и Узбекистана. Через энергосистему
Украины – энергосистема Молдавии.
По линиям переменного тока осуществлялся обмен
электроэнергией с энергосистемами Абхазии и Южной Осетии.
От электросетей России, в том числе, через вставки постоянного
тока, осуществляется передача электроэнергии в энергосистемы Китая,
Норвегии и Финляндии.
Через устройство Выборгского преобразовательного комплекса
совместно (несинхронно) с ЕЭС России работает энергосистема
Финляндии.
Параллельно с энергосистемами Норвегии и Финляндии
работают отдельные генераторы ГЭС Кольской и Ленинградской
энергосистем, а также один из блоков Северо-Западной ТЭЦ.
34

35.

Достоинства объединения ЭЭС в ОЭС и в ЕЭС
Объединение ОЭС в Единую энергосистему:
1.Позволяет уменьшить суммарную установленную мощность
электростанций объединенных энергосистем (ОЭС).
2. Появляется возможность более полного использования
генерирующих мощностей электростанций, обусловленная различием в
их географическом месторасположении за счет долготного и широтного
эффектов.
3.Взаимопомощь между ОЭС позволяет иметь в каждой из ОЭС
меньшую резервную мощность электростанций;
4. Улучшаются условия загрузки агрегатов благодаря
выравниванию графика нагрузки и снижению максимума нагрузки
энергосистемы;
5. С помощью межсистемных связей обеспечивается транспорт
электрической энергии на дальние расстояния вместо транспорта
топлива по ж/д, нефтегазопроводам.
35

36.

6. Повышается экономичность выработки электроэнергии, т.к. в первую
очередь можно увеличить мощность более экономичных станций, имеющих
меньший расход условного топлива на выработку 1кВт.ч электроэнергии.
7. Появляется возможность увеличить единичную мощность агрегатов,
имеющих лучшие технико-экономические показатели.
8. Повышается надежность электроснабжения потребителей за счет
резервирования и автоматики.
9. Повышается маневренность в энергосистемах за счет осуществления
взаимопомощи между ОЭС при авариях, при проведении плановых
ремонтов, при маловодных годах на ГЭС.
36

37.

Недостатки объединение электроэнергетических систем
1. Увеличение общей протяженности электрических сетей влечет за собой
увеличение результирующих в них потерь;
2. Усложняются проблемы устойчивости параллельной работы,
обусловленные:
- распространением аварийных возмущений на все синхронно
работающие генераторы, что приводит к усложнению противоаварийной
автоматики и повышению вероятности каскадного развития аварий;
- распространением отклонений частоты на большие территории
даже при локальных причинах их появлений;
3. Повышаются мощности токов КЗ (за счет параллельных связей),
приводящие к необходимости замены выключателей на более мощные.
4. Усложняются системы оперативного управления и регулирования
режимами работы.
37

38.

Системы передачи и распределения
электрической энергии
38

39.

Характеристика систем передачи электрической
энергии
Сети систем передачи электрической энергии напряжением 330-1150
кВ обеспечивают внутрисистемную связь между параллельно работающими
электростанциями и крупными подстанциями, формирую межсистемные
связи, и выполняют функции передачи электрической энергии.
Основные требования, которым должны отвечать такие сети,
заключаются в обеспечении надежности и устойчивости их работы, т.е. в
возможности работы ЭЭС во всех режимах – нормальных, аварийных и
послеаварийных.
Решение этой задачи в значительной мере возлагается на большой
комплекс автоматических устройств: регулирования, управления, релейной
защиты, режимной и противоаварийной автоматики.
39

40.

Совокупность системообразующих, питающих сетей и устройств
автоматики образуют СИСТЕМУ ПЕРЕДАЧИ ЭЛЕКТРИЧЕСКОЙ
ЭНЕРГИИ.
Систему передачи электрической энергии характеризуют рядом
показателей, основными из которых являются:
- передаваемая мощность;
- номинальное напряжение;
- дальность электропередачи;
- конфигурация сети.
Номинальное напряжение линий электропередачи зависит от
многих факторов, выбор его выполняется на этапе проектирования ЭЭС.
Однако определяющими факторами являются ПЕРЕДАВАЕМАЯ
МОЩНОСТЬ И РАССТОЯНИЕ, на которое передается электроэнергия.
ЛЭП обладает индуктивностью и ёмкостью. При определенной
нагрузке индуктивная и емкостная мощности линии становятся равными, и
они компенсируют друг друга.
Такая мощность называется НАТУРАЛЬНОЙ. Режим работы
линии при натуральной мощности характеризуется минимальными
потерями и является, с этой точки зрения, оптимальным.
40

41.

Величина натуральной мощности для линий каждого класса
напряжений есть величина постоянная, зависящая только от конструктивных
особенностей линии.
По величине натуральной мощности можно ориентировочно судить
о пропускной способности линии электропередачи.
ПОД ПРОПУСКНОЙ СПОСОБНОСТЬЮ ЛЭП понимается
наибольшая активная мощность, которую можно передать в длительном
установившемся режиме с учетом режимно-технических ограничений.
Наибольшая передаваемая активная мощность ограничена
условиями статической устойчивости генераторов электрических станций,
передающей и приемной части электроэнергетической системы, и
допустимой мощностью по нагреву проводов линии допустимым током.
41

42.

Технические параметры ЛЭП
Пропускная способность
UН,
кВ
Средняя
длина
линии
между
соседним
и
ПС, км
220
150-250 400
1х300
120-135
350
2,9
280
2,3
330
200-300 700
2х300
350-360
800
2,3
760
2,2
500
300-400 1200
3х300
900
1350
1,5
1740
1,9
750
400-500 2200
5х300
2100
2500
1,2
4600
2,1
1150 400-500 3000
8х300
5300
4500
0,85
11000 2,1
Предельная
длина при
кпд = 0.9
Число и
По
По нагреву
площадь
устойчивости
Натуральная
сечения
мощность
проводов
РНАТ, МВт
в
в фазе,
в долях
МВт
МВт
долях
мм2
РНАТ
РНАТ
42

43.

Основными путями повышения пропускной
способности системообразующих и питающих сетей
являются:
- повышение номинального напряжения сетей;
- поддержание на необходимом уровне напряжения в начале линий и
обеспечения регулирования в широком диапазоне в конце линии;
- уменьшение индуктивного сопротивления линий;
- применение устройств продольной и поперечной компенсации параметров
линий;
- применение управляемых источников реактивной мощности (ИРМ) на
промежуточных подстанциях и в центрах питания;
- настройка протяженных линий на «резонанс»;
- внедрение новых прогрессивных электросетевых технологий и
оборудования. К линиям нового поколения относятся компактные воздушные
линии (КВЛ) и управляемые самокомпенсирующиеся воздушные линии
(УСВЛ), созданные на базе преобразовательной техники нового поколения.
43

44.

Основные преимущества линий нового поколения достигаются за счет
создания новых конструкций опор и расщепленных фаз линии, изменения
конфигурации расположения фаз в пространстве и расстояний между ними,
выполнения специальных схем электрических присоединений линий данного
типа к подстанциям, применение новых устройств фазового управления, а
также средств компенсации, продольного и поперечного регулирования.
Применение линий нового поколения позволяет:
- увеличить пропускную способность в 1,2-1,6 раза;
- снизить суммарные затраты на 10-20% в расчете на единицу передаваемой
мощности;
- повысить эффективность использования устройств регулирования
напряжения и реактивной мощности;
- снизить суммарные потери электроэнергии в энергосистеме;
- повысить механическую устойчивость ВЛ при воздействии неблагоприятных
атмосферных факторов;
- сократить в 1,5-2 раза площади земельных угодий, отчуждаемых под
воздушные линии при передаче одинаковой мощности.
44

45.

Передающая
станция
ПС
ЛЭП 110-220 кВ
ТЭЦ
500-1150кВ
Приемная
система
ПС 1
ТЭЦ 1
500-750кВ
Передающая
станция
ЛЭП
110-220 кВ
Приемная
система
500-750кВ
ПС 2
ТЭЦ 2
45

46.

КЭС или ГЭС
ПП 1
ПП 2
ПС 1
330-750 кВ
ТЭЦ - 1
ЛЭП
220-110 кВ
Передающая
станция
ПС 2
ТЭЦ - 2
46

47.

ГЭС 1
ГЭС 2
330-750 кВ
110-220 кВ
110-220 кВ
ПС 3
ПС 2
110-220 кВ
6-35 кВ
ИРМ
6-10 кВ
110220 кВ
ПС 4
ПС 1
КЭС
110-220 кВ
6-35 кВ
ТЭЦ
6-35 кВ
47

48.

§2 Характеристика систем распределения
электрической энергии
ЦЕНТРАМИ ПИТАНИЯ РАСПРЕДЕЛИТЕЛЬНЫХ СЕТЕЙ
являются подстанции с вторичным напряжением 6-110 (220) кВ, а также
шины генераторного напряжения местных электростанций.
НАЗНАЧЕНИЕ распределительных сетей:
- доставка электроэнергии непосредственно потребителям
напряжением 6-10кВ;
- распределение электроэнергии между подстанциями
напряжением 6-110 (220)/0,38-35кВ района электропотребления;
- сбор мощности, производимой небольшими местными
теплофикационными и гидравлическими электростанциями.
СИСТЕМУ РАСПРЕДЕЛЕНИЯ ЭЛЕКТРОЭНЕРГИИ
СОСТАВЛЯЮТ сети напряжением 6-110 (220) кВ, включающие в себя
две-три ступени напряжения 110 (220) / 35/6-10кВ.
Кроме указанных сетей, в систему распределения электроэнергии
входят низковольтные сети напряжением 0,38-0,66 кВ, получающие
питания от подстанций 6-35/0,38-0.66 кВ.
48

49.

Электрические сети систем распределения электрической энергии
имеют свои особенности:
- по структуре (составу);
- конфигурации;
- режимам работы.
Сети 110-220 кВ обычно имеют воздушное исполнение, соединены
автотрансформаторной связью и содержат подстанции районного значения и
могут объединять электростанции небольшой мощности.
Сети низкого напряжения 0,38-35 кВ могут выполняться как
воздушными, так и кабельными линиями.
Сети напряжением 35 кВ внешнего электроснабжения
промышленных предприятий, городов и населенных пунктов выполняются
воздушными линиями.
Городские сети и сети внутреннего электроснабжения
промышленных предприятий напряжением 0,38-10 кВ – преимущественно
кабельные.
Режимы работы распределительных сетей определяются в основном их
конфигурацией, т.е. взаимным расположением центров питания, приемных
подстанций и потребителей электроэнергии и зависят от требований по
обеспечению надежности электроснабжения.
49

50.

Схема распределения электроэнергии (схема электроснабжения) может
быть выполнена в
нескольких
вариантах,
из которых
выбирается
оптимальный.
При его выборе учитывается:
-
степень надежности электроснабжения;
-
обеспечение качества электроэнергии;
-
удобство и безопасность эксплуатации;
-
возможность применения прогрессивных методов электромонтажных
работ.
Основные принципы построения схем распределения электроэнергии:
максимальное приближение источников высокого напряжения 35 ...220
кВ к электроустановкам потребителей с подстанциями глубокого ввода,
размещаемыми рядом с энергоемкими производственными корпусами;
50

51.

резервирование питания для отдельных категорий потребителей должно
быть заложено в схеме и элементах систем электроснабжения. Для этого
линии, трансформаторы и коммутационные устройства должны нести в
нормальном режиме постоянную нагрузку, а в послеаварийном режиме
после отключения поврежденных участков принимать на себя питание
оставшихся в работе потребителей с учетом допустимых для этих
элементов перегрузок;
секционирование шин всех звеньев системы распределения электроэнер-
гии, а при преобладании потребителей 1-й и 2-й категорий установка на
них устройств АВР (автоматического включения резервов).
51

52.

Распределительные сети могут быть РАЗОМКНУТЫМИ И
ЗАМКНУТЫМИ.
При разомкнутой конфигурации,
сети выполняются
РАДИАЛЬНОЙ или МАГИСТРАЛЬНОЙ схемам.
ДВОЙНАЯ (РЕЗЕРВИРОВАННАЯ) РАДИАЛЬНОМАГИСТРАЛЬНАЯ СЕТЬ за счет дублирования линии обеспечивает
высокую надежность электроснабжения и позволяет оптимизировать
технико-экономические показатели режимов работы.
ЦП
по
ЦП
ЦП
а
в
б
52

53.

Радикальные схемы
Радиальные
применяются
в
тех
схемы
распределения
случаях,
когда
пункты
электроэнергии
приёма
энергии
расположены в различных направлениях от центров питания.
Особенности радиальных схема:
обладает большой гибкостью и удобствам в эксплуатации;
обеспечивает
высокую
надежность
электроснабжения,
так
как
повреждения или ремонт одной линии отражается на работе только
этого потребителя;
• характеризуется большими затратами на установку распределительных
щитов, прокладку кабелей и проводов.
53

54.

54

55. Магистральные схемы

Магистральные
схемы
применяются
(упорядоченном) размещении подстанций
при
линейном
на территории объекта, когда
линии от центра питания до пунктов приема могут быть проложены без
значительных обратных направлений.
Особенности магистральных схем:
лучшая загрузку линий при нормальном режиме работы;
меньше число разъемов на распределительных станциях;
усложнение схем коммутации при присоединении трансформаторных
подстанций;
одновременное отключении нескольких потребителей, питающихся от
магистрали при ее повреждении.
55

56.

Смешанные схемы представляют собой сочетание и радиальных и
магистральных схем. Степень резервирования определяется категорией
потребителей.
56

57.

Распределительные сети 0,38-35 кВ выполняют преимущественно
разомкнутыми радиальной и магистральной конфигурации,
получающих питание от одного или двух центров.
В отдельных случаях эти сети выполняются замкнутыми, но
эксплуатируются только в разомкнутом режиме.
В таких сетях при нарушении питания по одной из линий
включается резервный участок – перемычка, который в нормальном
режиме разомкнут.
ЦП
ЦП 2
ЦП 1
б
а
ЦП 1
ЦП 2
в
57

58.

Особенностями распределительных сетей низкого напряжения являются
их:
- массовость;
- сильная разветвленность;
- большая суммарная протяженность.
В таких сетях для улучшения режима работы по напряжению
используются простые недорогие устройства: трансформаторы без
автоматического регулирования и преимущественно нерегулируемые
конденсаторные батареи.
Регулирование напряжения осуществляется в основном в центре
питания.
58

59.

§4 Схемы распределительных устройств
трансформаторных подстанций
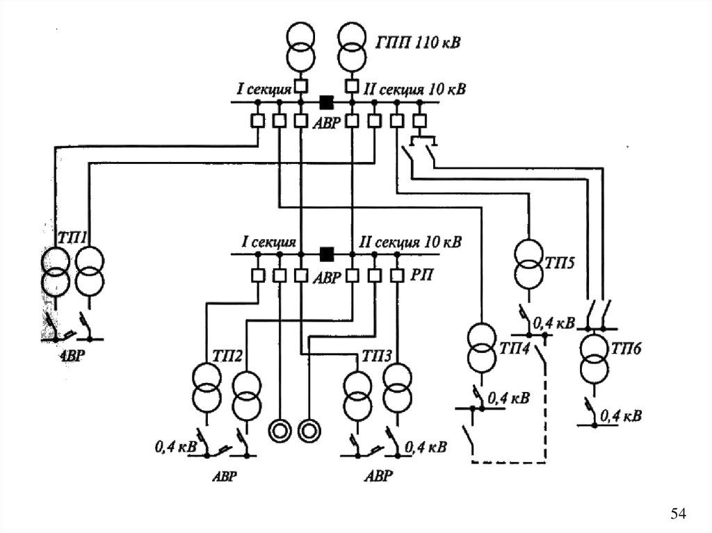
59

60.

60

61.

61

62.

62

63.

Конструктивное исполнение линий
электропередачи
63

64. Воздушные линии электропередачи

64

65. Воздушные линии электропередачи

Воздушная линия (ВЛ) — это устройство для передачи
электрической энергии по проводам, расположенным на открытом
воздухе и прикрепленным при помощи изоляторов и арматуры к опорам
или кронштейнам инженерных сооружений.
65

66.

Главные элементы ВЛ:
• провода фаз;
• грозозащитные тросы;
• опоры ВЛ;
• изоляторы;
• линейная арматура;
• фундаменты опор ВЛ.
66

67.

Основные габаритные размеры ВЛ:
• стрела провеса провода – f
• габарит линии – h
• длина гирлянды изоляторов –
• высота опоры ВЛ - H
67

68.

Конструктивные параметры ВЛ (35—750 кВ)
U, кВ
35
110
220
330
500
750
l, м
150-200
170-250
250-350
300-400
350-450
450-750
Dмф, м
3,0
4,0
6,5
9,0
12,0
17,5
λ, м
0,7
1,2-1,4
2,2-2,3
3,0-3,2
4,5-4,9
6,7-7,5
H, м
10
13-14
22-26
25-30
27-32
30-41
h, м
6-7
6-7
7-8
7,5-8
8
10-12
n
1
1
1
2
3
4
F, мм2
50-185
70-240
240-400
240-500
300-500
400-500
68

69.

Схема анкерного пролёта воздушной линии и пролёта
пересечения с железной дорогой.
69

70.

Элементы ВЛ работают в сложных и разнообразных географических и климатических
условиях. Кроме того, они должны противостоять действию сил, обусловленных:
• весом всех элементов линии;
• весом гололедных отложений на проводах, тросах и опорах;
• давлением ветра на провода, тросы и опоры;
• тяжением по проводам и тросам ;
• воздействием вибрации проводов;
• динамическим воздействием от пляски проводов.
70

71.

71

72.

Провода ВЛ
Проводниковые материалы, из которых изготавливаются провода
воздушных линий электропередачи должны удовлетворять ряду технических
и экономических требований:
• невысокое удельное электрическое сопротивлением ρ;
• плотность этих материалов γ не должна быть высокой;
• высокая механическая прочность , оцениваемая по пределу прочности на
разрыв

• стойкость к атмосферным воздействиям и химическим реагентам,
находящимся в воздухе;
• материал не должен быть дефицитным или дорогим.
72

73.

Основные характеристики проводниковых материалов
Материал
Ом • мм2/км
кг/м3
р
H/мм2
Медь
17,8—18,5
8700
390
Алюминий
30,0—32,5
2750
160
Сплав АВ-Е
Тоже
2790
300
Сталь

7850
1200
73

74.

Классификация проводов ВЛ:
неизолированные провода:
• монометаллические (медь, алюминий, сталь)
и биметалические (сталеалюминиевые);
АС 120/19, АСК 240/56;
kF
Fал
0, 64 18,1
Fст
• однопроволочные и многопроволочные;
• расширенные и полые;
74

75.

изолированные (СИП)
75

76.

Классификация опор ВЛ:
по количеству трехфазных цепей:
• одноцепные;
• двухцепные;
• многоцепные.
76

77.

по способу крепления проводов:
• промежуточные;
• анкерные.
77

78.

по положению на трассе:
• расположенные на прямых ее участках;
• угловые.
78

79.

по материалу опор :
• деревянные;
79

80.

• железобетонные;
80

81.

• металлические, (стальные), решетчатые
81

82.

• стальные, нового поколения, на базе стальных многогранных стоек.
82

83.

Преимущества использования многогранных опор ЛЭП:
1. Небольшие сроки строительства.
Железобетонные и решетчатые аналоги возводятся в 2-4 раза медленнее,
чем многогранные опоры ЛЭП.
2. Низкие материальные затраты.
Исследования показали, что экономия при возведении многогранных
металлических опор ЛЭП составляет около 12-15%, если сравнивать их с
бетонными аналогами, и 40-50%, если сравнивать с решетчатыми опорами.
Это объясняется несколькими причинами:
Увеличенным межопорным расстоянием;
Меньшими расходами на транспортировку и СМР;
Увеличенными сроками использования;
Низкими затратами на утилизацию и демонтаж;
Экономический эффект увеличивается, если монтаж или замена опор
происходит в удаленных и труднодоступных районах.
3. Низкая стоимость и удобная транспортировка.
83

84.

4. Уменьшенные расходы на постоянный и временный землеотвод.
5. Надежность.
Высокая надежность многогранных опор ЛЭП складывается из
нескольких факторов:
Долговечность. Оцинкованные многогранные опоры могут прослужить
порядка 70 лет, обычные многогранные без оцинкования – не меньше 50,
против 30 лет у бетонных опор и 35-45 решетчатых.
Безотказность. Как показывает многолетняя практика и наблюдения,
многогранные стальные опоры ЛЭП выходят из строя значительно реже
своих аналогов.
Ремонтопригодность. Катастрофические разрушения принести опоре
практически невозможно, а чтобы заменить вышедшие из строя узлы
нужно минимум времени.
Сохраняемость. Работоспособность сохраняется в норме даже при
многократных погрузо-разгрузочных работах или длительном хранении.
6. Вандалоустойчивость.
84

85.

по назначению (специальные):
• ответвительные;
• концевые;
• переходные;
85

86.

• транспозиционные.
Цикл транспозицции
86

87.

Расположение проводов на опорах
На одноцепных опорах:
• по вершинам равностороннего треугольника (а,б);
• горизонтально (в).
На двухцепных опорах:
• обратной ёлкой (г);
• по вершинам шестиугольника(д).
87

88.

Изоляторы
штыревые:
• фарфоровые;
• стеклянные.
подвесные:
• фарфоровые;
• стеклянные;
88

89.

• полимерные (из стеклопластика).
89

90.

Грозозащитные тросы – стальные оцинкованные
многопроволочные канаты сечением 35, 50 и 70 мм².
Линейная арматура – устройства, обеспечивающие:
• надежное сочленение отдельных элементов конструкции ВЛ;
• защиту гирлянд подвесных изоляторов отповреждения электрической
дугой при пробое;
• фиксацию взаимного расположения в пространстве расщепленных фаз и
соседних фаз по отношению друг к другу.
90

91. Кабельные линии электропередачи

91

92.

Кабельные линии электропередачи
Кабелем называется провод, заключенный в герметическую
оболочку, который можно прокладывать в воде, земле и на воздухе. Это
готовое заводское изделие, состоящее из изолированных токоведущих
жил, заключенных в защитную герметичную оболочку, поверх которой в
зависимости от условий прокладки может находиться защитный покров.
92

93.

93

94.

Классификация кабелей:
• по материалу токопроводящих жил – кабели с алюминиевыми и медными
жилами;
• по материалу изоляции токоведущих жил – кабели с бумажной,
пластмассовой (поливинилхлоридной), резиновой и из сшитой
полиэтиленовой изоляцией;
• по материалу защиты изоляции жил кабелей от влияния внешней
среды – кабели в металлической, пластмассовой и резиновой оболочке;
• по способу защиты от механических повреждений – бронированные и
небронированные;
• по количеству жил – одно-, двух, трех- и четырехжильные.
94

95.

Основные конструктивные элементы кабелей:
токопроводящие жилы:
• основные и нулевые;
• алюминиевые и медные;
• однопроволочные и многопроволочные;
• круглого и сегментного сечений.
изоляция - для необходимой электрической прочности
жил кабеля по отношению друг к другу и к заземленной оболочки:
• изоляция жил и поясная изоляция.
защитные герметичные оболочки предохраняют изоляцию от
вредного воздействия влаги, света, газов, кислот и механических
повреждений:
• из свинца, алюминия, резины и пластмассы.
защитные покрововы для защиты оболочек кабеля от внешних
воздействий и в зависимости от конструкции могут состоять из:
• подушки , которая накладывается на оболочку для ее предохранения от
механических повреждений лентами и проволоками брони;
• бронипокрова, который защищает кабель от внешних механических
воздействий;
• наружного покрова, предназначенного для для защиты брони от
95
коррозии.

96.

электропроводящие экраны для выравнивания электрического
поля силовых кабелей;
жилы защитного заземления;
заполнители для устранения свободных промежутков между
конструктивными элементами кабеля с целью гарметизации,
придания кабелю необходимой формы и механической ы
прочности.
кабельная арматура – для соединения отдельных отрезков
(строительных длин) кабеля (соединительные муфты) и для
присоединения концов кабеля к аппаратуре или шинам
распределительных устройств ( концевые муфты).
Марки кабеля состоят из начальных букв слов, характеризующих
их конструкцию.
Рядом с маркой кабеля указывают число и сечение токоведущих
жил.
96

97.

97

98.

Сечения: а) двухжильных кабелей с круглыми и сегментными жилами
б) трехжильные кабели с поясной изоляцией и отдельными оболочками
в) четырехжильные кабели а нулевой жилой круглой, секторной и
треугольной формы.
1 - токопроводящая жила; 2 – нулевая жила; 3 – изоляция жилы; 4 – экран на
токопроводящей жилы; 5 – поясная изоляция; 6 – заполнитель; 7 – экран на
изоляции жилы; 8 – оболочка; 9 – бронепокров; 10 – наружный защитный покров.
98

99.

Способы прокладки кабелей:
1. в траншеях;
2. в трубах;
3. в каналах;
99

100.

100

101.

4. в блоках;
5. в туннелях и коллекторах;
6. на лотках;
101

102.

7.на эстакадах и в галереях;
8. Прокладки кабелей на тросах.
102

103.

Прокладка кабельных линий в туннеле.
103

104. Прокладка кабельных линий в коллекторах

104

105.

Токопроводы
Токопроводы напряжением 6 – 35 кВ применяются на промышленных
предприятиях при больших удельных плотностях нагрузки, концентрированном
расположении
крупных
мощностей
и
при
размещении
потребителей,
благоприятном для осуществления магистрального питания.
105

106.

В зависимости от вида проводников токопроводы могут быть жесткими
(жесткие шины различного профиля и сечения) и гибкими (с использованием
неизолированных проводов).
106

107.

Преимущества токопроводов по сравнению с кабельными линиями:
• позволяют заменить кабели высокого напряжения неизолированными
алюминиевыми шинами или проводами, экономить свинец и алюминий,
идущий на оболочки кабеля, а также изоляционные материалы.;
• имеют значительно большую способность к перегрузке, чем кабельные линии,
из-за отсутствия горючей изоляции;
• значительно надежнее кабельных линий.
Жесткий токопровод напряжением до 1 кВ заводского изготовления,
поставляемый комплектными секциями, называются шинопроводом.
107

108.

108

109.

109

110. Основные определения

• Открытая электропроводка - проложенная по поверхности стен,
потолков, по фермам и другим строительным элементам зданий и
сооружений, по опорам и т.п.
• При открытой электропроводке применяются следующие способы
прокладки проводов и кабелей: непосредственно по поверхности стен,
потолков и т. п., на струнах, тросах, роликах, изоляторах, в трубах, коробах,
гибких металлических рукавах, на лотках, в электротехнических плинтусах
и наличниках, свободной подвеской и т. п.
• Открытая электропроводка может быть стационарной, передвижной и
переносной.

111.

112. Электропроводка

112

113. Основные определения

• Скрытая
электропроводка
проложенная
внутри
конструктивных элементов зданий и сооружений (в стенах,
полах, фундаментах, перекрытиях), а также по перекрытиям в
подготовке пола, непосредственно под съемным полом и т. п.
• При скрытой электропроводке применяются следующие
способы прокладки проводов и кабелей: в трубах, гибких
металлических рукавах, коробах, замкнутых каналах и пустотах
строительных конструкций, в заштукатуриваемых бороздах,
под штукатуркой, а также замоноличиванием в строительные
конструкции при их изготовлении.

114. Визуальное отличие

115. Основные определения

• Наружной
электропроводкой
называется
электропроводка,
проложенная по наружным стенам зданий и сооружений, под навесами и
т. п., а также между зданиями на опорах (не более четырех пролетов
длиной до 25 м каждый) вне улиц, дорог и т. п.
• Наружная электропроводка может быть открытой и скрытой.

116.

117.

• Вводом от воздушной линии электропередачи
называется электропроводка, соединяющая
ответвление от ВЛ с внутренней электропроводкой,
считая от изоляторов, установленных на наружной
поверхности (стене, крыше) здания или сооружения,
до зажимов вводного устройства.

118.

• Полосой как несущим элементом
электропроводки называется
металлическая полоса, закрепленная
вплотную к поверхности стены,
потолка и т. п., предназначенная для
крепления к ней проводов, кабелей или
их пучков.

119.

•Тросом как несущим
элементом
электропроводки
называется стальная
проволока или
стальной канат,
натянутые в воздухе,
предназначенные для
подвески к ним
проводов, кабелей или
их пучков.

120.

• Кабельной линией называется линия
для передачи электроэнергии или
отдельных импульсов ее, состоящая из
одного или нескольких параллельных
кабелей с соединительными,
стопорными и концевыми муфтами
(заделками) и крепежными деталями, а
для маслонаполненных линий, кроме
того, с подпитывающими аппаратами и
системой сигнализации давления
масла.

121.

• Кабельным сооружением называется
сооружение, специально
предназначенное для размещения в
нем кабелей, кабельных муфт, а также
маслоподпитывающих аппаратов и
другого оборудования,
предназначенного для обеспечения
нормальной работы
маслонаполненных кабельных линий.
К кабельным сооружениям относятся:
кабельные туннели, каналы, короба,
блоки, шахты, этажи, двойные полы,
кабельные эстакады, галереи, камеры,
подпитывающие пункты.

122.

• Кабельным туннелем называется закрытое
сооружение (коридор) с расположенными в
нем опорными конструкциями для
размещения на них кабелей и кабельных
муфт, со свободным проходом по всей
длине, позволяющим производить
прокладку кабелей, ремонты и осмотры
кабельных линий.

123.

• Кабельной шахтой называется вертикальное
кабельное сооружение (как правило,
прямоугольного сечения), у которого высота в
несколько раз больше стороны сечения, снабженное
скобами или лестницей для передвижения вдоль
него людей (проходные шахты) или съемной
полностью или частично стенкой (непроходные
шахты).

124.

• Кабельным этажом называется часть здания,
ограниченная полом и перекрытием или
покрытием, с расстоянием между полом и
выступающими частями перекрытия или
покрытия не менее 1,8 м.

125.

• Кабельным блоком называется
кабельное сооружение с трубами
(каналами) для прокладки в них
кабелей с относящимися к нему
колодцами.

126.

• Кабельной камерой называется
подземное кабельное сооружение,
закрываемое глухой съемной бетонной
плитой, предназначенное для укладки
кабельных муфт или для протяжки
кабелей в блоки. Камера, имеющая
люк для входа в нее, называется
кабельным колодцем.

127.

•Кабельной эстакадой
называется надземное или
наземное открытое
горизонтальное или
наклонное протяженное
кабельное сооружение.
Кабельная эстакада может
быть проходной или
непроходной.

128.

• Кабельной галереей называется надземное
или наземное закрытое полностью или
частично (например, без боковых стен)
горизонтальное или наклонное протяженное
проходное кабельное сооружение

129. Тросовые и струнные электропроводки

• Тросовыми называют электропроводки, выполненные специальными проводами с
встроенным в них стальным несущим тросом.
• Струнными называют электропроводки, в которых проводники подвешены на
натянутой стальной проволоке (струне) или тросе, прикрепленной вплотную к
строительным основаниям.
• Тросовые и струнные электропроводки рекомендуется применять в первую очередь для
устройства сетей освещения.
Достоинства тросовых и струнных электропроводок
• Тросовые и струнные электропроводки отличаются от других видов электропроводок
относительно малым объемом трудоемких пробивных работ, необходимых только для
установки ограниченного числа крепежных конструкций.

130. Схемы выполнения тросовых электропроводок.

• Различают следующие конструктивные варианты выполнения тросовых
электропроводок:
1. Схема тросовой электропроводки с одним продольным несущим тросом:
1 – основной несущий трос; 2 – концевые анкерные крепления тросов;
3 – вертикальные проволочные подвески; 4 – натяжное устройство;
5 – изолирующие и поддерживающие опорные конструкции для подвешивания
проводников; 6 – провода или кабели;
7 – ответвительные коробки или зажимы; 8 – светильники.

131. Схемы выполнения тросовых электропроводок.

• 2. Схема тросовой электропроводки с двумя продольными несущими тросами:
• 1 – основной несущий трос; 2 – концевые анкерные крепления тросов;
• 3 – вертикальные проволочные подвески; 4 – натяжное устройство;
• 5 – изолирующие и поддерживающие опорные конструкции для подвешивания
проводников;
• 6 – провода или кабели; 7 – ответвительные коробки или зажимы;
• 8 – светильники; 9 – вспомогательный трос.

132. Схемы выполнения тросовых электропроводок.

• Схема тросовой электропроводки с поперечными несущими тросами:
• а – вид сверху;
б – вид сбоку;
• 1 – несущие тросы; 2 – анкерные крепления тросов;
• 3 – горизонтальные оттяжки; 5 – изолирующие и поддерживающие опорные
конструкции для подвешивания проводников;
• 6 – провода или кабели; 7 – ответвительные коробки или зажимы;
• 8 – светильники; 9 – вспомогательный трос.

133. Конструкция тросовых проводок.

• Конструкция тросовой электропроводки:
• 1 – несущий трос;
2 –поддерживающая конструкция;
• 3 – провода или кабель;
4 – ответвительная коробка;
• 5 – светильник.

134. Основные элементы тросовых электропроводок.

1. Несущие тросы.
2. Концевые крепежные конструкции.
а
б
Анкерные болты:
а – сквозной;
3. Специальные провода со
встроенным несущим тросом.
4. Натяжные устройства
(Натяжные муфты)
б – распорный.

135. Монтаж тросовых проводок.

Монтаж тросовых проводок выполняют в две стадии:
• На первой стадии в мастерской подготавливают элементы электропроводки,
комплектуют анкерные, натяжные конструкции и поддерживающие устройства.
а
б
в
Выполнение концевой петли троса: а – схема заделки троса; б – коуш; в – болтовой
зажим-клипса.
Последовательность операций по выполнению петли следующая.
1 этап
2 этап
3 этап

136. Монтаж тросовых проводок.


На второй стадии осуществляют монтаж тросовых проводок к строительным конструкциям на
объекте монтажа.
1. Схема выполнения концевого
2. Схема выполнения концевого крепления
крепления с помощью
с помощью:
сквозного анкерного болта
а – вмазных шпилек; б – распорных дюбелей.
а
3. Схема выполнения концевого крепления
к металлическим элементам строительных
конструкций с помощью:
а – обжимных стальных закрепок; б – сваркой.
а
б
б
4. Монтаж тросовых проводок

137. Электропроводки в трубах

• Монтаж проводов и кабелей в трубах более трудоемок и дороже других видов
электропроводок.
• Для монтажа используют стальные и пластмассовые трубы. Трубы бывают гладкими и
гофрированными.
• Монтаж электропроводок выполняют в несколько этапов: разметка и подготовка
трассы, заготовка труб, прокладка труб, монтаж проводов и кабелей в трубах.
• На первом этапе, на объекте монтажа, проводится разметка трассы электропроводки и
операции по подготовке отверстий, борозд, ниш, гнезд в фундаментах, стенах,
перегородках и перекрытиях, необходимых для монтажа оборудования, установочных
изделий и прокладки труб.
• На втором этапе осуществляется заготовка труб в по замерным бланкам (операции
очистки, окраски, сушки, резки, изгибания труб, снятия фасок, нарезки или накатки
резьбы).
• На третьем этапе проводится прокладка труб.

138. Монтаж электропроводки на лотках и в коробах

• Электротехнические конструкции:
а – короба;
б – лотки;
в – плинтус.
б – ответвительная;
в – угловая.
• Коробки для металлических труб:
а – проходная;

139. Соединение, ответвление и оконцевание жил проводов и кабелей электропроводки

Способы соединения
• 1. Опрессовка. В гильзу с обеих сторон вставляются соединяемые жилы, после чего
она обжимается, затем изолируют место соединения изолентой.
• 2. Зажимы. Различают клеммные зажимы, зажимы бугельного типа, прокалывающего
типа и пружинные зажимы.
а – клеммные зажимы;
• 3. Клеммные зажимы
• 4. Бугельный зажим
• 5. Пружинный зажим
• 6. Пайка
• 7. Сварка
• 8. Скрутка
б – бугельный зажим;
в – пружинный зажим.

140.

Схемы замещения линий электропередачи
1. Общие сведения
2. Схемы замещения воздушных линий
3. Параметры схемы замещения воздушной линий с расщепленными фазами
4. Схема замещения кабельных линий
5. Схемы замещения ЛЭП и области их применения
6. Воздушные линии электропередачи со стальными проводам
140

141. Общие сведения

Электрические сети переменного тока:
трехфазные;
симметричные, т.е. при необходимости - транспонированные;
при симметричных и синусоидальных токах и напряжениях;
длиной до 400 км и напряжением до 500 кВ включительно.
Сосредоточенные параметры СЗ ЛЭП определяются ее длиной и
удельными значениями сопротивлений и проводимостей.
Параметры СЗ зависят от:
• номинального напряжения;
• конструктивного выполнения ( воздушные или кабельные линии);
• числа цепей;
• взаимного расположения фаз и цепей;
• материала токоведущих элементов и изоляции.
141

142.

Схемы замещения воздушных линий
Воздушные линии электропередачи напряжением 110 - 500кВ, длиной до 300- 400 км обычно представляются П-образной схемой замещения


U фн

2

2

2

2
U фк
В СЗ различают продольные и поперечные ветви:
• продольные – по которым проходит ток нагрузки и величиной
которого определяются потери мощности в этих ветвях.
• поперечные – включены на фазное напряжение и соединены с
нейтралью схемы. Потери мощности в этих ветвях определяются
приложенным напряжением.
142

143.

Параметры П-образной схемы замещения:
1. rл - активное сопротивление линии:
1
rл lл
lл r0lл
F
F
r0 r020 1 t 20 ,
где
Cu Al 0,004
1
0
- температурный коэффициент
C
сопротивления материала провода.
143

144.

2.
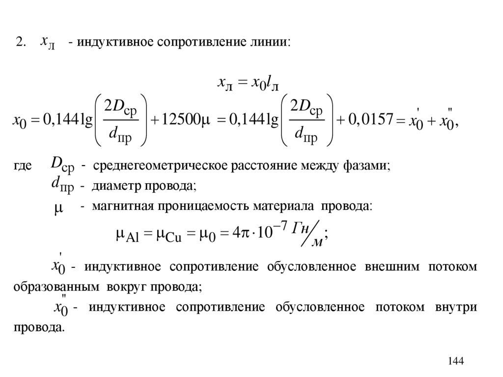
xл - индуктивное сопротивление линии:
xл x0lл
2 Dср
2 Dср
x0 0,144lg
0,0157 x0' x0'' ,
12500 0,144lg
dпр
dпр
где Dср - среднегеометрическое расстояние между фазами;
d пр - диаметр провода;
- магнитная проницаемость материала провода:
Al Cu 0 4 10 7 Гн ;
м
x0' - индуктивное сопротивление обусловленное внешним потоком
образованным вокруг провода;
x0'' - индуктивное сопротивление обусловленное потоком внутри
провода.
144

145.

Dcp 3 Dab Dbc Dca
Dcp Dмф
Dcp 3 Dмф Dмф 2Dмф 1,26Dмф
14
5

146.

Для проводов из цветных металлов
x0 x0
Для стальных проводов x0 x0
3. g л - активная проводимость:
g л g0lл
g0
Pкор
U н2
4. bл - ёмкостная проводимость:
bл b0lл
146

147.

В практических расчётах рабочую ёмкость трёхфазной ВЛ с одним
проводом в фазе на единицу длины (Ф/км) определяют по формуле
С0
0,024
2 Dср
lg
d пр
7,58 10 6
b0
2 Dcp
lg
d
пр
b0 C0
Ic 0 U фb0
Ub0
3
Qc 0 3U ф I c 0 3U ф2b0 U 2b0
1 н 2
1 к 2
Qc U
b0l U
b0l
2
2
U

н
jQсн
н 1
н 2
Qс U

2


jQск
к 1
к 2
Qс U

2
147

148.

§3 Параметры схемы замещения воздушной линии
с расщепленными фазами
При U н 330кВ провод каждой фазы расщепляется на nф
несколько проводов, что соответствует увеличению эквивалентного
диаметра провода. Тогда:
nф d0пр nф 1
d экв 2
acp ,
2
2 Dcp 0,0157
x0 0,144lg

d экв
nф 1
nф 2
nф 3
nф 4
7,58 10 6
b0
2 Dcp
lg
d экв
r
r0 0пр
x0
0,81x0
0,72x0
0,68x0

148

149. §4 Схемы замещения кабельных линий

Кабельные линии электропередачи представляют такой же П-образной
схемой замещения, что и воздушные линии.
Удельные активные и реактивные сопротивления r0, x0определены в
справочной литературе или находят по тем же формулам, что и для
воздушных линий.
Очевидно, что х0 уменьшается, а b0 растет при сближении фазных
проводов.
149

150.

Емкостный ток и зарядная мощность в кабельных линиях больше, чем в
воздушных.
Величины удельной активной проводимости для кабельных линий
обусловлены процессами, происходящими в изоляции.
Ubлtg Ug л

3
3
Pиз U 2bлtg U 2 g л
Удельные параметры схемы замещения кабеля r0 , х0 , также QC 0 ,
приведенные в справочных таблицах, ориентировочны, более точно их
можно определить по заводским характеристикам кабеля.
150

151.

Области применения различных схем замещения
линий
Обобщающие пояснения и основные выводы к схемам замещения:
1. При расчете линий протяженностью менее 400км и рабочим напряжении
500кВ и ниже применяют упрощенную П-образную схему замещения с
сосредоточенными параметрами.
2. При расчёте симметричных установившихся режимов ЭС схему
замещения составляют для одной фазы.
3. Емкостная проводимость учитывает проводимости (емкости) между
фазами, между фазами и землёй и отражает генерацию зарядной мощности
всей трёхфазной конструкции линии.
4. Активная проводимость линии, изображаемая в виде поперечной связи
между фазой (жилой) и точкой нулевого потенциала схемы (землёй),
включает суммарные потери активной мощности на корону (или в
изоляции) трёх фаз.
151

152.

5. Поперечные проводимости в схемах замещения можно не изображать, а
заменять соответствующими мощностями, табл.2. Например, активную
проводимость заменить потерями активной мощности в ВЛ или в изоляции
КЛ. Емкостную проводимость - зарядной мощностью.
6. Применение в ВЛ с расщепленной фазы уменьшает индуктивное
сопротивление, потери на «корону» и увеличивает зарядную мощность
линии.
7. В ВЛ напряжением до 220 кВ включительно, табл.2, а в КЛ до 35кВ
включительно, табл.1, при определённых условиях можно не учитывать те
или иные параметры, если их влияние на работу сети несущественно.
8. В проводах ВЛ при малых сечениях (16–35 мм2) преобладают активные
сопротивления, а при больших сечениях (180мм2 и более в питающих сетях
напряжением 220 кВ и выше) свойства сетей определяются их
индуктивностями Активные и индуктивные сопротивления проводов
средних сечений (50 – 185 мм2) близки друг к другу. В КЛ напряжением до
10 кВ небольших сечений (50 мм2 и менее) определяющим является
активное сопротивление.
152

153.

Таблица 1
Вид
ЛЭП
U н , кВ
КЛ
≤ 10 кВ
Схема замещения

20,35 кВ

jQсн

jQск

110,220 кВ

2

2

2

2
153

154.

Вид
ЛЭП
Схема замещения
U н , кВ, км
ВЛ

≤ 35 кВ
110, 220 кВ

500 кВ
300 ≤ l ≤ 1000 км
> 500 кВ

jQсн
330 ÷ 500 кВ
l ≤ 400 км

jQск
Полная П-образная СЗ
Для определения параметров П-образной СЗ
используются поправочные коэффициенты на
длину линии.
Для определения параметров СЗ учитывается
равномерное распределение сопротивлений и
проводимостей вдоль линии.
154

155.

§6 Воздушные линии электропередачи со
стальными проводам
Особенности:
- удельные активные и индуктивные сопротивления зависят от величины
протекающего тока и в несколько раз превышают аналогичные величины
проводов из цветных металлов;
- существенны потери на вихревые токи, гистерезис и поверхностный эффект;
- активные и реактивные сопротивления однопроволочного провода быстро
растут с увеличением его диаметра. Поэтому в электрических сетях
однопроволочные провода применяют с диаметром не более 5 мм. Провода с
сечением 25 мм2 и выше выполняют многопроволочными.
155

156.

x0 x0' x0'' ,
x0 x0
x0 2 f 0,05 10 3 0,0157 ,
r0 r0 r0
На
графике
показаны
для
провода ПС 25 кривые изменения
активного,
кривая
индуктивного,
1
и
кривая
2
сопротивлений в зависимости от
величины переменного тока.
Для
слабовыраженная
показывает
сравнения
кривая
3
изменение
сопротивления
провода
постоянному току, а прямая 4 –
индуктивного сопротивления для
алюминиевых проводов.
156

157.

Глава 5
Схемы замещения силовых
трансформаторов электроэнергетических
систем
• §1 Особенности схем замещения силовых трансформаторов
электроэнергетических систем.
• §2 Особенности применения и схема замещения трехобмоточных
трансформаторов.
• §3 Особенности применения и схема замещения трансформаторов с
расщеплённой обмоткой.
• §4 Особенности применения и схема замещения автотрансформаторов.
157

158.

§1 Особенности схем замещения силовых
трансформаторов электроэнергетических систем
158

159.

U1 220кВ
U1 35кВ
159

160.

Параметры Г-образной СЗ могут быть определены результатами опытов
холостого хода и короткого замыкания или по паспортным данным
трансформатора, к которым относятся:
Sн - номинальная мощность, МВА;
• U вн ,U нн - номинальные напряжения обмоток высшего и низшего
напряжений, кВ;
• Pх - активные потери ХХ, кВт;
• I х % - ток ХХ, %I н ;
Pк - потери короткого замыкания, кВт;
• uк % - напряжение короткого замыкания, %U н .
160

161.


PкU н2
Sн2
, Ом ;
Px
uк %U н2

, Ом ;
100Sн
I x % Sн

, См .
, См ;
2
2
100U н

напряжения выражены в кВ, а мощности – в МВт и МВА.

При S2 Sн и U 2 U 2н :
S22
2
r;
Pт 3I 2 rт
2 т
U2
P Px Pт = Px
Pк S22
Sн2
;
2
2
u
%
S
I
%
S
u
%
S
2
2 . Q Q Q
x
н к
2.
Qт 3I 2 xт
xт к
x
т
100Sн
100
100Sн
U2
S22
2
161

162.

§2 Особенности применения и СЗ трёхобмоточных
трансформаторов
Исполнение Sв,ном / Sв,ном Sc,ном / Sв,ном
Sн,ном / Sв,ном
1
1
1
1
2
1
1
2/3 (0,667)
3
1
2/3 (0,667)
2/3 (0.667)
162

163.

Трёхобмоточные трансформаторы применяются:
а) для соединения мощных высоковольтных линий электропередач с
различным номинальным напряжением;
б) на понижающих подстанциях высоковольтных распределительных сетей
и промышленных предприятий. К этой группе относят трёхобмоточные
трансформаторы мощностью от 2500 до 125000 кВА для сетей с
номинальным напряжением 35 – 220 кВ.
Для математического описания работы трехобмоточного
трансформатора и составления его схемы замещения, необходимо все
величины вторичных обмоток привести к числу витков обмотки высшего
напряжения:
2

wc



I c I c
; I н I н
; U c U c
; U н U н
; zc zc
;


wc


2

zн zн
.
w
н
163

164.

В каталоге трехобмоточного трансформатора указываются: Sн , кВА;
U вн ,U сн ,U нн , кВ; Pкз , кВт; Pхх , кВт; I хх , %; uк(вс) , uк(вн) , uк(сн) %.
164

165.

Из опыта холостого хода:
g0
Pхх
U н2
b0
y02 g02
По результатам опытов короткого замыкания определяют потери
мощности и напряжения короткого замыкания каждой из обмоток
трёхобмоточного трансформатора:
uк(вс) , Pк(вс)
uк(вн) , Pк(вн) uк(сн) , Pк(сн)
165

166.

§3 Особенности применения и СЗ
трансформаторов с расщеплённой обмоткой
-
Трансформаторы с расщеплённой обмоткой применяют для:
замены двух менее мощных двухобмоточных трансформаторов,
используемых для питания двух линий передачи;
распределения больших мощностей;
секционирования шин генераторного напряжения на станциях;
осуществления раздельного питания нагрузок различного рода и
снижения их влияния друг на друга при эксплуатации;
связи различных ЭЭС.
166

167.

Трансформаторы с расщепленной обмоткой выполняются с
соотношением мощностей обмоток 100 % / 50 % / 50 %.
rн2
2rв
rн1
rобщ
PкU в2 н
Sн2
.
rн1rн2
rобщ rв
rн1 rн2
xобщ xв
rн1 rн2 rобщ ,
xв 0,125xобщ ,
U кU в2 н
xобщ
100Sн
xн1xн2
.
xн1 xн2
rв 0,5rобщ
xн1 xн2 1,75xобщ
167

168.

§4 Особенности применения и схема замещения
автотрансформаторов
Sат 3Uв I в 3Uс Iс 3Uс I о I в Sэм Sэл
Sпс 3I в Uв Uс
Sпр 3U с I с I в
Sат 3U в I в 3U с I с
Sпс Sат 3I вU с , Sпр Sат 3I вU с
Sпс Sпр
168

169.

169

170.

Uв Uс

1
S т 3I в U в U с Sат
Sат .
Sат 1
Sат 1


kат
Sэм Sат (1
1
) Sат
kат
Sэл Sат
1
Sат (1 )
kат
Преимущества АТ:
1.Потери активной мощности в автотрансформаторах значительно меньше
потерь в трехобмоточных, а, следовательно, КПД – выше;
2.Расчетная мощность обмоток всех напряжений автотрансформатора равна
типовой мощности, которая меньше номинальной в раз. Чем ближе среднее
напряжение к высшему, тем выгоднее применение автотрансформаторов, так
как расход активных материалов снижается при уменьшении величины .
Как следствие, снижается стоимость АТ по сравнению с трехобмоточными;
3. Уменьшение расхода стали приводит к снижению постоянных потерь
активной мощности;
4. Уменьшение расхода активных материалов приводит к уменьшению
массогабаритных показателей АТ по сравнению с трехобмоточными;
5. Вследствие уменьшения индуктивного сопротивления снижаются потери
напряжения в АТ, что облегчает условия регулирования напряжения в системе.
170

171.

Недостатки АТ:
1.Вследствие наличия электрической связи между обмотками высшего и
среднего напряжений происходит переход волн перенапряжений из сети
высшего напряжения в общую обмотку и сеть среднего напряжения АТ и
наоборот, что ухудшает условия работы изоляции и обуславливает
необходимость установки вентильных разрядников на выводах высшего и
среднего напряжений;
2.Так как индуктивное сопротивление между высшим и среднем напряжениями
в АТ значительно меньше, чем в трехобмоточных, токи короткого замыкания в
сетях высшего и среднего напряжений увеличиваются;
3.Наличие электрической связи между обмотками обуславливает
необходимость заземления нейтрали АТ. Это объясняется тем, что при
отсутствии заземления нейтрали в сети и замыкании на землю одной из фаз
высшего напряжения потенциал двух других фаз сети среднего напряжения
повысится относительно земли до недопустимых значений.
Так как АТ могут применяться только в сетях с глухо заземленными
нейтралями на высшем и среднем напряжениях, то в на настоящее время они
применяются при напряжениях 220кВ и выше.
Автотрансформатор имеет такую же схему замещения, что и
трехобмоточный трансформатор. Параметры схемы замещения рассчитываются
аналогично.
171

172.

Глава 6
Расчет и анализ установившихся режимов
работы разомкнутых сетей
• § 1 Общие положения.
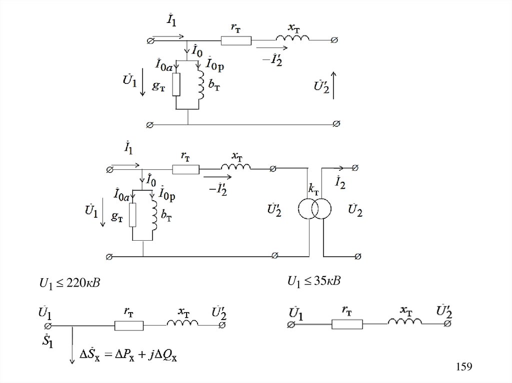
• § 2 Методы расчета электрических нагрузок.
• § 3 Расчет режима линии при заданном токе нагрузки.
• § 4 Расчет режима линии при заданной мощности нагрузки.
• § 5 Падение и потеря напряжения в линии.
• § 6 Допущения при расчете разомкнутых распределительных сетей.
172

173. §1 Общие положения

Режим работы сети – ее состояние в данный момент времени, который
характеризуется параметрами, определяющими ее процесс функционирования.
Это полная, активная и реактивные мощности, напряжение и ток.
В простейшем случае сети подразделяются на разомкнутые и замкнутые
Элементы СЗ электрических сетей делятся на активные и пассивные.
Пассивные делятся на:
продольные и поперечные;
линейные и нелинейные.
173

174.

Активные элементы схем замещения — источники ЭДС и тока.
Режимы работы электрической сети подразделяются на установившиеся
и переходные.
В данной главе рассматриваются основные методы расчета
установившихся режимов работы разомкнутых электрических сетей с
линейными активными элементами.
Исходными данными для таких расчетов являются:
• схема электрической сети;
• схемы замещения ее элементов и их параметры;
• значения нагрузок, заданных в виде тока нагрузки или мощности нагрузки;
• напряжение в одной из точек электрической сети (в конце или в начале
линии).
174

175.

§2 Методы расчета электрических нагрузок
1. Основные методы:
- метод упорядоченных диаграмм и показателей графиков электрических
нагрузок;
- статистический метод.
2. Вспомогательные методы:
• метод коэффициента спроса;
• метод удельной мощности на единицу производственной площади;
• метод удельного расхода электроэнергии на единицу выпускаемой
продукции либо оказываемых услуг.
175

176.

1. Метод упорядоченных диаграмм
Сущность метода упорядоченных диаграмм заключается в установлении
связи между расчетной мощностью нагрузки и показателями режима работы
отдельных электроприемников.
Эта зависимость представлена в виде диаграмм или таблиц и получена
на основании систематического анализа и опыта эксплуатации аналогичных
групп электроприемников для различных отраслей промышленности.
Pp K и K p Pуст
Kр f Kи , nэ ,T0
Qp Pр tg
S= Pр2 Q р2
176

177.

2. Статистический метод
P P ... Pm
Pс 1 2
m
Pр Pс
( P1 Pс )2 ( P2 Pс )2 ... ( Pm Pс )2
m
3... 3
Pмакс Pс 3
Pмин Pс 3
177

178.

3.Метод удельного расхода электроэнергии на единицу
выпускаемой продукции или работы
Pр MW0 / T
Qp Pр tg
4. Метод коэффициента спроса
Pр K с Pн
Qp Pр tg
5. Метод удельной мощности на единицу площади
Pр pуд.р F
Qp Pр tg
178

179.

§3 Расчет режима линии при заданном токе
нагрузки
3.1 Задано напряжение в конце линии U 2ф Const.
U1
I1 1
x12
r12
н
I с12
U2
2 I2
к
I с12
I12
I 2 , Z12 r12 jx12 ; b12
Надо определить: I12 , I1, U , S
1
Известны:
1
к
I c12 U 2Ф jb12
2
1
н
I с12 U1ф jb12
2
U1ф U 2ф I12 r12 jx12
к
I12 I 2 I с12
н
I1 I12 I с12
к
н
S S12 jQc12
jQc12
2
S12 3I12
Z12
1 2
к
jQc12 U 2ф jb12
2
1 2
н
jQc12 U1ф jb
17912
2

180.

Векторные диаграммы
U1ф
1. Линия с нагрузкой:
I1
I12
I2
U 2ф
I2
к
I с12
I12
jI12 x12
U 2ф
н
I с12
I12r12
к
I с12
н
I с12
U1ф
I1
н
jI кc12 x12 U1ф I с12
I1
U1ф
jI12 x12
I12r12
2. Линия в режиме холостого хода:
н
I с12
I1
к
I с12
U 2ф
к
I с12
к
I c12
r12
U1ф
jI кc12 x12
U 2ф
U 2ф U1ф
к
I c12
r12
180

181.

3.2 Задано напряжение в начале линии U1ф Const.
Известны:
I 2 , Z12 r12 jx12 ; b12
Надо определить:
I12 , I1,U 2Ф , S
Y22U 2ф Y12U1ф I 2
U 2ф
I 2 Y12U1ф
Y22
1
Y12
Z12
I12
U1ф U 2ф
Z12
н
I1 I12 I с12
1
Y22
jb12
Z12
1
н
Iс12 U1ф jb12
2
181

182.

§4 Расчет режима линии при заданной мощности нагрузки
4.1 Задано напряжение в конце линии U 2 const
U1
S1 1
Известны:
r12
x12
U2
н
S 12
к
S 12
н
jQс12
к
jQс12
2 S2
S2 , Z12 r12 jx12 ; b12
Надо определить:
к
н
S12
, S12
, S , U1, S1
182

183.

U1
S1 1
r12
н
S 12
2
к
2
S12
3I12
Z12
U2
к
S 12
к
jQс12
н
jQс12
1 2
к
jQс12 U 2 jb12
x12
2 S2
к
к
к
к
P12
jQ12
S12
S2 jQс12
Z r jx
к 2
S12
U 22
к 2
к 2
P12 Q12
12
U 22
12
н
к
к
S12
S12
S12
U1 U 2 3I12 Z12 U 2
1 2
н
jQс12 U1 jb12
н
н
S1 S12
jQс12
2
12

S12
U 2
Z12
к
н
S S12
jQс12
183

184.

4.2 Задано напряжение в начале линии U1 const
Известны:
S2 , Z12 r12 jx12 ; b12
Надо определить:
к
н
S12
, S12
, S , U 2, S1
Y22U 2 Y12U1 I 2 (U )
1 2
к
1 этап: U 2 U н jQс21
U н jb12
2
к
к
к
к
S12
S2 jQс12
P12
jQ12
к
2
S12
3I12
Z12
Z r jx
к 2
S12
U н2
к 2
к 2
P12 Q12
12
U н2
12
12
н
к
к
S12
S12
S12
184

185.

2 этап:
U 2 U1 3I12 Z12 U1
1 2
н
jQс12 U1 jb12
2

S12
U 1
н
н
S1 S12
jQс12
Z12
к
к
S S12
jQс12
185

186.

§5 Падение и потеря напряжения в линии
Векторная диаграмма для линейных напряжений в начале и в конце линии
U1 и U 2 :
U1
3I12 z12
U2 A
I12
I2
I12 r12
к
I c12
к
к
U1 U 2 U12 j U12
C D
jI12 x12
к
AC U12
АВ U1 U 2 3I12 Z12
B
к
CB U12
AD U1 U 2
186

187.

к
S12
,U 2
1. Известны мощность и напряжение в конце линии

S12
I12
3U 2
к
к
P
jQ
к
к
12 (r jx )
U1 U 2 U12
j U12
3I12 Z12 12
12
12
U2
к
к
к
к
P12
r12 Q12
x12
P12
r12 Q12
r12
j
.
U2
U2
к
j U12
к
U12
к
к
U1 U 2 U12
j U12
tg
к 2
к 2
U1 (U 2 U12
) ( U12
)
к
U12
к
U 2 U12
187

188.

н
2. Известны мощность и напряжение в начале линии S12
,U1
U1
н
U
12
C
н
U12
н
U12
BC
н
к
U12
U12
к
U12
к
A U12
U2
B
C
3I12 z12
н
н
P
r
Q
н
12 12
12 x12
U
н
12
U12
AC
U1
н
н
P
x
Q
r12
н
н
к
12
12
12
U12
U12 U12
U1
н
н
U 2 U1 U12
j U12
н 2
н 2
U 2 (U1 U12
) ( U12
)
tg
н
U12
н
U1 U12
188

189.

§6 Допущения при расчете разомкнутых
распределительных сетей
Допущения при расчете распределительных сетей при
1. Зарядная мощность (ток) линии не учитывается
:
U н 35кВ
н
к
jQ
jQ
с12
с12 0
2. Не учитывается индуктивное
сопротивление
кабельной линии
Z кл rкл
3.
Не учитываются потери в стали трансформатора
1

2
Z т (r1 jx1) (r2 jx2 )
189

190.

4.
При расчете потоков мощности не учитываются потери мощности
1
Z12
2
н
к
Sс12
S12 Sс12
н
к
Sс12
S12 Sс12
5. Пренебрегается поперечной составляющей падения напряжения
U1 U 2 U12 U1 U 2
6. Расчет потери напряжения ведется по номинальному напряжению, а не
по действительному напряжению сети
P12r12 Q12 x12
U1 U 2 U12

190

191.

Глава 7
Рабочие режимы электроэнергетических
систем. Методы и средства регулирования
рабочих режимов.
§1 Баланс активной мощности и его связь с частотой.
§2 Баланс реактивной мощности и его связь с напряжением.
§3 Статические характеристики нагрузки. Регулирующий эффект
нагрузки.
§4 Выработка реактивной мощности на электростанциях.
§5 Компенсация реактивной мощности.
§6 Компенсирующие устройства.
191

192. §1 Баланс активной мощности и его связь с частотой

Pг Pп Pн P
При неизменном составе нагрузок энергосистемы потребляемая
ими мощность связана с частотой переменного тока. При нарушении
исходного баланса частота принимает новое значение.
Основные причины нарушения баланса:
• аварийное отключение СГ;
• неплановый рост потребляемой мощности;
• аварийное отключение линий и трансформаторов связи между
отдельными электроэнергетическими системами.
Pг1 Pг2 Pп1 Pп2; Pг1 Pп1; Pг2 Pп2
В нормальном режиме энергосистемы необходимость
регулирования отклонения частоты обусловлена изменением состава и
мощности потребителей. Эти изменения мощности в течение суток
составляют 20—50 %.
192

193.

Необходимость регулирования частоты определяется необходимостью
обеспечения требуемого качества электрической энергии.
При отклонениях частоты от допустимых значений может существенно
изменяться производительность вращающихся установок и механизмов
потребителей, а также происходить нарушение технологических процессов.
При снижении частоты увеличивается реактивная мощность
потребителей и снижается напряжение на выводах потребителей.
Любое электронное оборудование, использующее в качестве индикатора
времени частоту тока в системе электроснабжения, также подвергается
воздействию.
Изменение частоты существенно влияет на работу приборов и аппаратов
применяемых в телевидении, вычислительной технике.
Однако уникальность электроэнергетики как отрасли определяется тем,
что в высоком качестве электроэнергии по частоте чаще всего в большей
степени заинтересован сам производитель, нежели ее потребитель.
Объясняется это тем, что от стабильности частоты в ЭЭС существенно
зависят экономичность и надежность процесса выработки, передачи и
распределения электроэнергии.
193

194.

Показателем КЭ, относящимся к частоте, является отклонение
значений основной частоты напряжения электропитания от номинального
значения:
f f f н
где f - значение основной частоты напряжения электропитания, Гц,
измеренное в интервале 10 секунд; f н 50Гц
Отклонение частоты в синхронизированных системах
электроснабжения не должно превышать 0,2 Гц в течении 95% времени
интервала в одну неделю и 0,4 Гц в течение 100% времени в интервале в одну
неделю.
Отклонение частоты – это общесистемный показатель качества
электроэнергии.
Для регулирования частоты, турбины электростанций снабжают
регуляторами скорости, которые при изменении частоты вращения
турбоагрегата, изменяя положение регулирующих органов турбины
(регулирующих клапанов у тепловой турбины или направляющего аппарата у
гидротурбины), меняют объем энергоносителя (пара или воды), который
поступает на турбину.
194

195.

Процесс изменения мощностей генераторов при отклонении частоты,
стремящийся сохранить прежнее значение частоты, называют первичным
регулированием.
Первичное регулирование частоты обычно не обеспечивает
поддержание номинальной частоты в системе. Поэтому дополнительно
применяют вторичное регулирование.
В процессе вторичного регулирования осуществляется изменение
мощности, развиваемой турбинами.
В результате действия вторичного регулирования и восстановления
нормальной частоты ликвидируются изменения режима, вызванные
первичным регулированием частоты. Электростанции и потребители
возвращаются в исходный режим работы. Компенсацию всего
первоначально возникшего небаланса мощности принимают на себя
электростанции вторичного регулирования частоты до тех пор, пока не
будет нормализован режим.
В первичном регулировании частоты участвуют все станции
энергосистемы. Для вторичного регулирования выделяют только одну или
несколько станций – балансирующих.
195

196.

Электростанции вторичного регулирования частоты должны быть достаточно
мощными и поддерживать необходимый диапазон регулирования.
Регулировочный
диапазон
мощности
определяется
техническими
характеристиками оборудования электрических станций, условиями его работы,
объемом водохранилища и режимом его использования (для ГЭС) и многими другими
факторами.
Наибольшим регулировочным диапазоном обладают
газотурбинные (ГТЭС) — 100 %,
гидроаккумулирующие (ГАЭС) — 70 %
и гидравлические (ГЭС) электростанции — 60—70 %.
ТЭС большой мощности ограничен техническими характеристиками и условиями
работы котельного оборудования и обычно не превышает 20 % .
Блоки АЭС до последнего времени проектировались для работы в базовом
режиме, т.е. с постоянной мощностью.
В России именно гидроэлектростанции участвуют во вторичном регулировании
частоты.
Для восстановления резерва мощности, частично или полностью потраченного в
ходе первичного и вторичного регулирования, а также для оперативной коррекции
режима работы ЭЭС в иных целях, служат специально выделенные для этого
196
электростанции третичного регулирования частоты.

197.

Для восстановления баланса на ЭС необходим резерв мощности и
энергии.
Резерв мощности:
• нагрузочный;
• ремонтный;
• аварийный;
• эксплуатационный.
Резерв мощности может быть холодным и горячем.
Если резерв станций исчерпан, а частота в системе не достигла
номинального значения, то восстановление частоты осуществляется путем
автоматической частотной разгрузки.(АЧР), при которой отключается часть
потребителей. Это преднамеренное отключение части потребителей
позволяет сохранить в работе генерирующие мощности, и обеспечить
электроснабжение большинства нагрузок
197

198.

Распределение нагрузки между различными электростанциями
производят, учитывая особенности их технологического режима.
P
ГЭС и ГАЭС
КЭС
ТЭЦ и АЭС
ГЭС
24ч
t
198

199.

§2 Баланс реактивной мощности
Qг Qп Qн Q
Нарушение баланса реактивной мощности приводит к изменению
уровня напряжения в сети.
Q Qл Qс Qт
Sл2
Qл U 2 xл
н
Qл 0,1Sл
Qc 2Qс U н2bл
Qс 0,1Sл
Qл Qс 0
uк %
Qт kSн
100
Qт 0,1kSн
Qс Qл
199

200.

Баланс реактивной мощности следует предусматривать для
каждого характерного режима сети в отдельности. Это режимы:
наибольшей реактивной нагрузки;
наибольшей активной нагрузки;
наименьшей активной нагрузки;
послеаварийные и ремонтные.
Основными потребителями реактивной мощности в
электрических системах являются:
• трансформаторы;
• воздушные электрические линии;
• асинхронные двигатели;
• вентильные преобразователи;
• индукционные электропечи;
• сварочные агрегаты и другие нагрузки.
На промышленных предприятиях основными потребителями
реактивной мощности являются:
• асинхронные двигатели – 65-70%;
• трансформаторы – 20-25%;
• другие приемники, воздушные линии электропередачи – 10%.
200

201.

Примерный состав узла комплексной нагрузки:
Потребители
Состав, %
Мелкие асинхронные двигатели............................ 35
Крупные асинхронные двигатели.......................... 15
Освещение................................................................ 25
Выпрямители, инверторы, нагревательные
приборы.....................................................................10
Синхронные двигатели...............................................8
Потери в сетях............................................................ 7
201

202.

к
к
P12
r12 Q12
x12
U 2 U1 U12 U1
U2
к
к
U 2 P2 , Q2 , P12
, Q12
, U12 U 2
U1 Const
U 2 U кр (0,7 0,8)U 2н
U 2 U кр
к
к
U 2 P2 , Q2 , P12
, Q12
, U12 U 2 ....
202

203.

§4 Выработка реактивной мощности на
электростанциях
I1, Cos f I 2
U Const., f1 Const., P2 Const.
I1 Cos
D
Cos 1
I1рн
C
I1н
I1ан
B
P2 P2н
P2 0
P2 0,5 P2н
I1р
I1а
A
I 2нор
I 2н
I2
203

204. §5 Компенсация реактивной мощности

При номинальной нагрузке генераторы вырабатывают лишь около
60 % требуемой реактивной мощности, 20% генерируется в ЛЭП с
напряжением выше 110 кВ, 20% вырабатывают компенсирующие устройства,
расположенные на подстанциях или непосредственно у потребителя.
Компенсирующие устройства применяются для:
выполнения условий баланса реактивной мощности;
снижения потерь электрической энергии в сетях;
регулирования напряжения.
204

205.

1
Z л S л Sн 2

I л Iн
I н I на jI нр
jI к
I л I н jI к

I
н
I л I на jI нр jI к
Pн2 (Qн Qк )2
U н2
jI к jI нр


S л
jQн jQк
jQк

Sл Pн jQн jQк

U2
2
К
I л

Sн Pн jQн
1 Sл Sн jQк
I на
j I нр I к

j Qн jQк
Pн rл (Qн Qк )xл
U л

205

206. §6 Компенсирующие устройства

В качестве компенсирующих устройств используются:
• батареи конденсаторов (БК);
• синхронные компенсаторы (СК);
• реакторы;
• статические источники реактивной мощности (ИРМ);
• синхронные двигатели (СД).
Батареи конденсаторов (БК)
U н 0,22 10,5кВ,Qк.ном 10 125кВАр
206

207.

ТН
Rp
Rp
U
U
ТН

Qс 3U 2 C 9U ф2 С
Qс 3U ф2 С
Батареи конденсаторов:
• регулируемые (управляемые); нерегулируемые.
В сетях систем электроснабжения промышленных предприятий
возможны следующие виды компенсации с помощью БК:
1) Индивидуальная;
2) Групповая;
3) Централизованная.
207

208.

Технико-экономические преимущества батарей конденсаторов по
сравнению с другими компенсирующими устройствами:
возможность применения как на низком, так и на высоком напряжении;
малые потери активной мощности (0,0025 — 0,005 кВт/квар);
удельная стоимость (за 1 квар) БК совместно с пускорегулирующей
аппаратурой в настоящее время наименьшая по сравнению со
стоимостью других компенсирующих устройств;
• простота эксплуатации (ввиду отсутствия вращающихся и трущихся
частей);
• простота производства монтажа (малая масса, отсутствие фундамента);
• возможность использования для установки конденсаторов любого
сухого помещения.
208

209.

Недостатки конденсационных батарей
зависимость генерируемой ими реактивной мощности от величины
напряжения в квадрате;
невозможность потребления реактивной мощности;
ступенчатое регулирование выработки реактивной мощности и
невозможность ее плавного изменения;
чувствительность к искажениям формы кривой питающего напряжения;
• малый срок службы (8 — 10 лет);
• недостаточная электрическая прочность (особенно при коротких
замыканиях и напряжениях выше номинального).
209

210.

Синхронные компенсаторы (СК)
Допущения: 1. U c Const., fc Const. 2. xad xaq xd
3. r1 0 4. E1 U c U
E U
0
I1 1
jxd
E1
U
E1
U
2
U
Режим синхронного компенсатора.
I 2 E1 U c U
U E1 U jxd I1
E1 U
I1
0
jxd
I 2 E1 U c U
2
U
U E1 U jxd I1
E U
I1 1
0
jxd
I1
U
E1
2
I1
210

211.

I1 Cos
Cos 1
P2 0
I1р
I10
I 2нор
I2
211

212.

Положительными свойствами СК как источников
реактивной мощности являются:
1.
Возможность увеличения генерируемой реактивной мощности при
понижении напряжения в сети путем регулирования тока возбуждения;
2.
Возможность плавного и автоматического регулирования генерируемой
реактивной мощности;
3.
Возможность как потребления, так и выработки реактивной мощности.
Недостатки СК:
1.
2.
Дорогостоящее электромеханическое устройства;
Требуется постоянное обслуживание.
212

213. Шунтирующие реакторы

Реактор - это статическое электромагнитное устройство,
предназначенное для использования его индуктивности в электрической
цепи.
QР U 2bР
Используются нерегулируемы и (управляемые) регулируемые
шунтирующие реакторы.
УШР представляют собой трехфазное электромагнитное устройство
трансформаторного типа, размещенное в маслонаполненном баке и
предназначенное для наружной установки.
По конструкции, технологии изготовления обмоток, магнитной системы,
системы охлаждения, монтажу и обслуживанию электромагнитная часть
реактора аналогична силовому трансформатору.
Регулирование мощности реактора осуществляется путем изменения
постоянного тока в обмотках управления, получаемого от регулируемого
преобразователя (выпрямителя).
213

214.

На практике используются три вида управляемых шунтирующих
реакторов:
реакторы, управляемые подмагничиванием постоянным током при
помощи специальной обмотки управления;
реакторы, управляемые подмагничиванием постоянным током через
расщеплённую нейтраль сетевой обмотки;
реакторы трансформаторного типа, в трансформаторе задействованы две
обмотки, они выполнены таким образом, что их напряжение короткого
замыкания составляет 100%, а во вторичную обмотку включена
тиристорная группа. Функционально, такая конструкция представляет
собой тиристорно-реакторную группу СТК, которая подключена к сети
высокого напряжения без использования дополнительных согласующих
трансформаторов.
214

215.

Использование управляемых шунтирующих реакторов позволяет
решить следующие проблемы электросети:
устранить суточные и сезонные колебания напряжения в электрической
сети;
повысить качество электрической энергии;
оптимизировать и автоматизировать режимы работы электрической сети;
снизить потери электроэнергии при ее транспортировке и
распределении;
повысить устойчивость энергосистемы;
улучшить условия эксплуатации и повысить надежность работы
электротехнического оборудования;
увеличить пропускную способность линий электропередачи.
Недостаток - реакторы только потребляют реактивную мощность и ее
величина пропорционально квадрату напряжения.
Нерегулируемые шунтирующие реакторы выпускаются мощностью до 330
МВАр, управляемые до 250 МВАр, с большим диапазоном регулирования.
215

216. Статические источники реактивной мощности (ИРМ)

Предназначены для плавной (регулируемой) генерации или потребления
реактивной мощности, что достигается в ИРМ использованием
нерегулируемой батареи конденсаторов и включенного последовательно или
параллельно с ней регулируемого реактора.
Плавность регулирования реактивной мощности ИРМ достигается с
помощью регулируемого тиристорного блока, входящего в устройство
управления.
Схемы
ИРМ
весьма
разнообразны
и
позволяют
вырабатывать или потреблять реактивную мощность в зависимости от
режима работы и вида схемы.
216

217.

Возможны, например, следующие соотношения этих мощностей для
СТК, состоящего из нерегулируемой секции БК и регулируемого тиристорами реактора:
• установленные мощности реактора и КБ равны;
• установленная мощность реактора больше мощности БК, например,
Qр 2QБК
217

218.

218

219.

Синхронные двигатели
I1, Cos f I 2
I1 Cos
Cos 1
U Const., f1 Const., P2 Const.
D
I1нр
B
P2 P2н
C
I1н
I1на
P2 0,5 P2н
A
I10
P2 0
I 2нор
I 2н
I2
219

220.

Отличительные свойства синхронного двигателя, как компенсирующего
устройства:
I.
Одновременно может выполнять две функции – являться приводом
механического устройство и выполнять функцию компенсирующего
устройства;
II.
Может вырабатывать или потреблять из сети реактивную мощность в
зависимости от величины тока возбуждения при сохранении
необходимого режима как приводного двигателя;
III. Плавно и в широких пределах регулировать величину и характер
генерируемой реактивной мощности;
IV. Предотвращать лавинообразное снижение напряжения в системах
электроснабжения в аварийных режимах и при коротких замыканиях при
наличии системы автоматического регулирования тока возбуждения.
220

221.

Глава 8
Качество электрической энергии и основы
его обеспечение
§ 1 Общие положения
§ 2 Показатели качества электроэнергии
§ 3 Общая характеристика режима электрической сети по напряжению
§ 4 Средства и режимы регулирования напряжения
§ 5 Регулирование напряжения на электростанциях и повышающих
подстанциях
§ 6 Регулирования напряжения на понижающих подстанциях
§ 7 Специальные регулировочные трансформаторы
§ 8 Регулирование напряжения изменением сопротивления сети
§ 9 Регулирование напряжения изменением потоков реактивной
мощности
§ 10 Несимметрия в электрических сетях и мероприятия по ее снижению
§ 11 Несинусоидальность в электрических сетях и мероприятия по
борьбе с ней
221

222.

§1 Общие положения
Качество электрической энергии (КЭ) определяется совокупностью
ее характеристик, при которых электроприемники (ЭП) могут нормально
работать и выполнять заложенные в них функции.
КЭ на месте производства не гарантирует ее качества на месте
потребления.
Под электромагнитной совместимостью понимают способность ЭП
нормально функционировать в его электромагнитной среде (в электрической
сети, к которой он присоединен), не создавая недопустимых
электромагнитных помех для других ЭП, функционирующих в той же среде.
Низкое качество электроэнергии приводит к значительным
электромагнитным и технологическим ущербам и непосредственно связано
с надежностью электроснабжения.
222

223.

К основным отрицательным последствиям низкого качества
электроэнергии можно отнести следующие:
- увеличение потерь электроэнергии;
- сокращение сроков службы и выход из строя электротехнического
оборудования;
- нарушение нормальной работы релейной защиты и автоматики;
- сбои в работе микропроцессорного оборудования;
- снижение устойчивости и надежности систем электроснабжения;
- рост эксплуатационных издержек;
- порча материалов и электротехнологического оборудования;
- расстройство технологических процессов;
- ухудшение качества выпускаемой продукции;
- снижения производительности труда;
- ухудшение условий работы электротранспорта;
- порча и выход из строя бытовых электроприемников.
223

224.

§2 Показатели качества электроэнергии
Качество электроэнергии характеризуется показателями,
определяющими степень соответствия характеристик электрической
энергии, в данной точке электрической системы, совокупности
нормированных показателей качества энергии.
С июля 2014 года введен в действие стандарт ГОСТ 32144-2013
« Электрическая энергия. Совместимость технических средств
электромагнитная. Нормы качества электроэнергии в системах
электроснабжения общего назначения».
Стандарт устанавливает показатели и нормы качества
электрической энергии в точках передачи электрической энергии
пользователям электрических сетей низкого, среднего и высокого
напряжения систем электроснабжения общего назначения переменного тока
частотой 50 Гц.
Требования стандарта применяются во всех режимах работы систем
электроснабжения общего назначения, кроме режимов, обусловленных
обстоятельствами непреодолимой силы: землетрясениями, наводнениями,
224
пожарами и т.п.

225.

Изменения характеристик напряжения подразделяют на две
категории – продолжительные изменения характеристик напряжения и
случайные события.
Продолжительные изменения характеристик напряжения
представляют собой длительные отклонения характеристик напряжения от
номинальных значений и обусловлены, в основном, изменениями нагрузки
или влиянием нелинейных нагрузок.
Случайные события представляют собой внезапные и значительные
изменения формы напряжения, приводящие к отклонению его параметров
от номинальных. Данные изменения напряжения, как правило, вызываются
непредсказуемыми событиями или внешними воздействиями.
Применительно к продолжительным изменениям характеристик
напряжения электропитания, относящихся к частоте, значениям, форме
напряжения и симметрии напряжения в трехфазной системе,
установлены показатели и нормы КЭ.
Для случайных событий в стандарте приведены справочные данные.
225

226.

2.1 Продолжительные изменения характеристик
напряжения
1. Отклонения частоты
Показателем КЭ, относящимся к частоте, является отклонение
значений основной частоты напряжения электропитания от номинального
значения:
f f f н
где f - значение основной частоты напряжения электропитания, Гц,
измеренное в интервале 10 секунд; f н 50Гц
Отклонение частоты в синхронизированных системах
электроснабжения не должно превышать 0,2 Гц в течении 95% времени
интервала в одну неделю и 0,4 Гц в течение 100% времени в интервале в
одну неделю.
Отклонение частоты – это общесистемный показатель качества
электроэнергии.
226

227.

2. Медленное изменение напряжения
Медленное изменения напряжения электропитания (как правило,
продолжительностью более 1 минуты) происходят из-за:
- суточных, сезонных и технологических изменений электрической
нагрузки потребителей;
- изменения мощности компенсирующих устройств;
- регулирования напряжения генераторами электростанций и на
подстанциях энергосистем;
- изменения схемы и параметров электрических сетей.
Показателями КЭ, относящимися к медленным изменениям
напряжения являются отрицательное U ( ) и положительное U ( )
отклонения напряжения электропитания в точке передачи электрической
энергии от номинального (согласованного) значения, %:
U
U 0 U m( )
U0
100;
U
U m U 0
U0
100,
227

228.

где - U m ,U m значения напряжения, меньшие U 0 и большие U 0 ,
соответственно, усредненные в интервале времени 10 минут; U 0 напряжение, равное стандартному номинальному или согласованному
напряжению.
Для указанных выше показателей КЭ установлены следующие
нормы: положительные и отрицательные отклонения напряжения в точке
передачи электрической энергии не должны превышать 10%
номинального или согласованного значения напряжения в течение 100%
времени интервала в одну неделю.
Напряжения в различных точках электрической сети имеют
различные значения, поэтому показатели качества напряжения –
локальные.
228

229.

3. Колебания напряжения и фликер
Колебания напряжения электропитания (как правило,
продолжительностью менее 1 минуты), в том числе одиночные быстрые
изменения напряжения, обуславливают возникновение фликера.
Фликер — субъективное восприятие человеком колебаний
светового потока искусственных источников освещения, вызванных
колебаниями напряжения в электрической сети, питающей эти источники.
Доза фликера – это мера восприимчивости человека к
воздействию колебаний светового потока, вызванных колебаниями
напряжения в питающей сети, за установленный промежуток времени.
Стандартом устанавливается кратковременная и длительная доза
фликера (кратковременную дозу определяют на интервале времени
наблюдения, равном 10 мин, длительную – на интервале 2 ч). Дозу
фликера (кратковременную и длительную) при колебаниях напряжения
любой формы определяют по формулам, приведенным в справочной
литературе.
229

230.

4. Несинусоидальность напряжения
Гармонические составляющие напряжения обусловлены, как правило,
нелинейными нагрузками пользователей электрических сетей,
подключаемыми к электрическим сетям различного напряжения.
Показателями КЭ, относящимися к гармоническим составляющим
напряжения являются:
- значения коэффициентов гармонических составляющих
напряжения до 40-го порядка в процентах напряжения основной
U
гармонической составляющей :
KU n n 100;
U1
- значение суммарного коэффициент гармонических составляющих
40
напряжения в процентах:
U n2
KU
n 2
100
U1
Для указанных показателей КЭ установлены нормальные и предельно
допустимые нормы, значения которых указаны в таблицах 1-5 ГОСТа в
зависимости от номера гармонической и напряжения основной
гармонической составляющей.
230

231.

5. Несимметрия напряжения в трехфазных системах
Несимметрия трехфазной системы напряжений обусловлена:
несимметричными нагрузками потребителей электрической энергии или (и)
несимметрией элементов электрической сети.
Показателями КЭ, относящимися к несимметрии напряжений в
трехфазных системах, являются:
- коэффициент несимметрии напряжений по обратной
U 2 1
последовательности:
K2U
100%;
U1
- коэффициент несимметрии напряжений по нулевой
U 0 1
последовательности:
K0U
100%.
U1
Для указанных ПКЭ установлены следующие нормы:
- значения коэффициентов в точке передачи электрической энергии,
усредненные в интервале времени 10 минут, не должны превышать: 2% в
течение 95% времени интервала в одну неделю и 4% в течение 100% времени
интервала в одну неделю.
231

232.

По степени влияния на величину ущербов, сроки службы
электрооборудования ПКЭ можно расположить в следующей
последовательности:
- отклонение напряжения и частоты;
- несимметрия напряжения;
- несинусоидальность напряжения.
Отклонение напряжения
Наиболее вероятные виновники
ухудшения КЭ
Энергоснабжающая организация
Колебания напряжения
Потребитель с переменной нагрузкой
Несинусоидальность напряжения
Потребитель с нелинейной нагрузкой
Свойства электрической энергии
Несимметрия
напряжений
трехфазной
Отклонение частоты
системы Потребитель с несимметричной
нагрузкой. Энергоснабжающая
организация.
Энергоснабжающая организация
232

233.

§3 Общая характеристика режима электрической сети
по напряжению
Причины отклонений напряжения от его номинального значения:
- потери напряжения, вызываемые токами нагрузки, протекающими по
элементам сети;
- неправильный выбор сечений токоведущих элементов и мощности силовых
трансформаторов;
- неправильно построенные схемы сетей.
Основными целями регулирования напряжения являются:
• в распределительных сетях - поддержание отклонений напряжения в
пределах, установленных ГОСТом;
• в питающих сетях - обеспечения экономичного режима их работы за счет
уменьшения потерь мощности и энергии;
• в системообразующих сетях - ограничение внутренних перенапряжений
для обеспечения надежной работы изоляции оборудования таких сетей,
обеспечение устойчивости параллельной работы генераторов и узлов
233
нагрузки.

234.

Регулирование напряжение по месту в ЭЭС осуществляется:
- на шинах генераторов электростанций и повышающих трансформаторов
подстанций;
- на шинах среднего и низшего напряжения крупных узловых подстанций в
системообразующих сетях;
- на шинах подстанций питающих и распределительных электрических
сетей;
- в линиях, питающих крупных потребителей электрической энергии;
- в местах подключения мощных приемников.
Регулирование напряжения осуществляется:
- синхронными генераторами электростанций;
- трансформаторами, автотрансформаторами и специальными
трансформаторными устройствами подстанций;
- изменением сопротивления сети;
- изменением потоков реактивной мощности.
234

235.

P R Q12 X L12
U 2 U1 12 12

P12 R12 Q12 Q X L12 X C12
U 2 U1
U пс

ИРМ
СГ, Тр
Параллельное вкл.
(выкл.) Тр и ЛЭП
УПК
Тр, АТр
ЛРТр, ВДТр
235

236.

§4 Средства и режимы регулирования
напряжения
Средства регулирования напряжения можно разделить на два типа:
• Узловые – воздействуют на параметры режима:
- генераторы электростанций;
- синхронные компенсаторы;
- синхронные двигатели;
- батареи конденсаторов;
- нерегулируемые и регулируемые реакторы;
- статические источники реактивной мощности.
• Линейные – изменяют параметры сети:
- устройства продольной компенсации;
- трансформаторы и автотрансформаторы;
- линейные регулировочные трансформаторы.
236

237.

Регулирование напряжения может быть:
• централизованным;
• местным.
Наиболее характерные режимы регулирования напряжения:
1) режим стабилизации напряжения;
2) режим регулирования по времени суток;
3) режим встречного регулирования.
237

238.

§5 Регулирование напряжения на электростанциях
и повышающих подстанциях
Основное назначение генераторов электростанций – выдача в электрическую сеть
заданного значения активной мощности.
Кроме этого, генераторы являются источниками реактивной мощности в
электроэнергетической системе.
Не меняя активную мощность генератора, можно изменять напряжение только в
0,05U н .
пределах
Повышающие трансформаторы на электростанциях или вообще не имеют
регулировочного диапазона по напряжению (при высшем номинальном напряжении
0,05U н .
более 220кВ), или этот диапазон ограничен пределами
Вывод: генераторы электростанций и трансформаторы повышающих
подстанций являются только вспомогательным средством регулирования
напряжения в ЭЭС.
238

239.

§6 Регулирование напряжения на понижающих
подстанциях
Регулирование напряжения на понижающих подстанциях
осуществляется с помощью:
• трансформаторов (автотрансформаторов) с устройствами ПБВ;
• трансформаторов (автотрансформаторов) с устройствами РПН.
Схема трансформатора с устройством ПБВ






239

240.

Принципиальная схема трансформатора с устройством РПН
a
K1
K3

I
K4
LR
K2
+2

+1
0
-1
-2
b
Трансформаторы с устройствами РПН снабжаются автоматическими
регуляторами напряжения (АРН)
240

241.

§7. Специальные регулировочные
трансформаторы
По
месту
трансформаторы
установки
можно
и
использования
разделить
на
регулировочные
последовательные
или
вольтодобавочные и линейные трансформаторы.
Если регулировочный трансформатор используется совместно с уже
имеющимся
нерегулируемым
трансформатором
или
автотрансформатором, то такое устройство называется последовательным
или вольтодобавочным трансформатором (ВДТ).
Если трансформатор включается в линию сети, то он называется
линейным регулировочным трансформатором или линейным регулятором
(ЛР).
241

242.

Регулировочные трансформаторы применяются:
- при реконструкции уже существующих сетей, в которых используются
трансформаторы без регулирования под нагрузкой, (а);
- для регулирования напряжения на отходящих линиях, (б);
- для регулирования напряжения на подстанциях с трансформаторами с
устройствами РПН, от которых питаются потребители с разным характером
нагрузки, (в);
- для регулирования низшего напряжения на подстанции с
автотрансформаторами, снабженными устройствами РПН в обмотке среднего
напряжения, (г).
242

243.

Конструктивно ВДТ и ЛР подобны и состоят из двух трансформаторов:
последовательного (ПТ) и питающего регулировочного (ПРТ)
243

244.

1. Если на первичную обмотку 3 питающего трансформатора подается
напряжение фазы А, то ЭДС обмотки ВН силового трансформатора с
помощью устройства РПН регулируется по модулю - продольное
регулирование (а)
E A E A E.
2. Если обмотка 3 подключается к двум фазам В и С, то результирующая ЭДС
обмоток ВН и 7 изменяется по фазе -поперечное регулирование (б)
E A E A E.
3. Если обмотка 3 подключается к двум фазам А и В, то результирующая ЭДС
обмоток ВН и 7 изменяется по модулю и фазе –продольно - поперечное
регулирование (в)
244

245.

§8 Регулирование напряжения изменением
сопротивления сети
U1
S1 1
r12
н
S 12
н
jQс12
x12
U2
к
S 12
к
jQс12
2 S2
к
к
P12
r12 Q12
x12
U12
U2
245

246.

U 2 U1 U12 U 2доп
U 2 U1 3I12 (r12 jx12 )
U1
x12
r12
S12 I12
S1 1
xупк
упк
U2
2 S2
U 2доп U1 3I12 (r12 jx12 ) 3I12 ( jxупк )
3I12 r12
U1
U 2доп
I12
U2
3 jI12 x12
3 jI12 xупк
246

247.

U 2доп U1
к
к
P12
r12 Q12
( x12 xупк )
U 2доп
S12
I упк I12
3U упк
U упк 3I12 jxупк
U кн

I кн
U кн
U упк
n
3
I кн I упк
C
xупк
x12
U упк
3U кн
m
I упк
I кн
100%
247

248.

Особенности применения УПК:
• УПК позволяет улучшить режимы напряжения в сети;
• повышение напряжения зависит от значения и фазы тока, проходящего
через УПК;
• наиболее эффективно применение УПК для снижения отклонений
напряжения на перегруженных радиальных линиях;
• в питающих сетях УПК – сложные в эксплуатации и дорогие
установки, требующие применения специальных мер для их защиты от
перенапряжений во время коротких замыканий.
248

249.

§9 Регулирование напряжения изменением потоков
реактивной мощности
к
к
P12
r12 Q12
x12
U12
U2
Для изменения потоков реактивной мощности в сети применяют:
- батареи конденсаторов (БК);
- синхронные компенсаторы (СК);
- синхронные двигатели (СД) ;
- статические источники реактивной мощности (ИРМ).
249

250.

P12 r12 Q12 x12
U 2доп
U 2 U1
U2
Z12
1
U1
I н I ск
2

I
н
U
2
I ск
U 2 U 2доп
СК Q
ск
P12 r12 (Q12 Qск ) x12
U 2 U1
U 2доп
U2
Qск
U 2доп U 2
x12
U 2доп
250

251.

U 2 U1 3I12 r12 3I12 jx12
U 2доп U1 3I12r12 3I12 jx12 3I ск r12 3I ск jx12
I ск
3I12 jx12
I12
U2
3I12 r12
U1
3I ск r12
I ск
U 2доп
3I ск jx12
3I12 r12
3I ск r12
I12
U2
3I12 jx12
U 2доп
3I ск jx12
251
U1

252.

§10 Несимметрия в электрических сетях и
мероприятия по ее снижению
Несимметричные режимы в электрических сетях возникают по
следующим причинам:
- неодинаковыми нагрузками в различных фазах элементов сети;
- неполнофазной работой линий или других элементов в сети;
- различными параметрами линий в разных фазах.
Различают два вида несимметрии:
- систематическую;
- случайную.
Выделяют следующие типы несимметрии:
- несимметрию напряжений;
- несимметрию токов;
- фазовую несимметрию или несимметрию углов сдвига фаз.
252

253.

Любую несимметричную трехфазную систему можно представить как
сумму трех симметричных систем:
- прямой последовательности U1, чередование фаз которой совпадает с
чередованием фаз исходной системы;
- обратной последовательности U , чередование фаз которой
2
противоположное;
- нулевой последовательности U , все векторы которой направлены
0
одинаково.
U1A
U 2B
UA
U 2A
U 0C
U1B
U1C
UB
UC
U 0A
U 0B
U 2C
253

254.

Воздействие несимметричной системы напряжений на
электрооборудование и сети такое же, как трех симметричных систем.
Возможные последствия несимметрии напряжения при ее наличии в
системах электроснабжения:
1. При несимметрии напряжений в электрических машинах переменного тока
возникают магнитные поля, вращающиеся не только с синхронной скоростью
в направлении вращения ротора, но и с двойной синхронной скоростью в
противоположном. В результате возникает тормозной электромагнитный
момент, а также дополнительный нагрев активных частей машины, главным
образом ротора, за счет токов двойной частоты.
В целом срок службы АД при K 2U 2 4% сокращается на 11%.
При работе АД с номинальным вращающим моментом и
коэффициентом обратной последовательности напряжений, равном 4 %, срок
службы изоляции его сокращается примерно в 2 раза только за счет
дополнительного нагрева.
254

255.

2. При несимметрии напряжений сети в СД наряду с возникновением
дополнительных потерь и нагревом статора и ротора могут возникнуть опасные
вибрации в результате появления знакопеременных вращающих моментов и
тангенциальных сил, пульсирующих с двойной частотой сети.
Снижение срока службы СД при K 2U 2 4% составляет 16%.
3. Расчеты показывают, что при номинальной нагрузке трансформатора
и коэффициенте несимметрии токов, равном 0,1, срок службы изоляции
трансформатора сокращается на 16 %.
Снижение срока службы трансформаторов при K 2U 2 4% составляет 4%.
4. При несимметрии линейных напряжений реактивная мощность,
генерируемая БК, изменяется по сравнению с номинальным значением
При K 2U = 0,05 0,06 значение Q (0,01 0,04)Qном .
5. Для однофазных потребителей несимметрия напряжения
непосредственно связана с уровнем напряжения на зажимах однофазных
электроприемников, который может быть как ниже, так и выше номинального.
6. Несимметрия вызывает дополнительные технические и
коммерческие потери электроэнергии и неточности ее учета.
255

256.

Существует два основных метода снижения несимметрии
напряжений:
1. При стабильном графике нагрузок снижение систематической несимметрии
напряжений в сети может быть достигнуто схемными решениями, т.е.
выравниванием нагрузок фаз путем переключения части нагрузок с
перегруженной фазы на ненагруженную.
2. При невозможности обеспечить требуемый уровень несимметрии
напряжений с помощью схемных решений применяют специальные
симметрирующие устройства (СУ).
Симметрирование с помощью СУ сводится к компенсации тока
обратной последовательности несимметричных нагрузок и, следовательно,
обусловленного им напряжения обратной последовательности.
В зависимости от места установки СУ различают индивидуальный,
групповой, централизованный и комбинированный способы
симметрирования.
Симметрирующие устройства выполняются неуправляемыми или
управляемыми в зависимости от особенностей графика нагрузки. СУ могут
256
иметь как электрические, так и электромагнитные связи между элементами.

257.

Симметрирование системы напряжений может быть осуществлено
также путем введения системы добавочных ЭДС. В качестве источника
добавочной системы ЭДС могут быть использованы последовательные
(вольтдобавочные) трансформаторы ВДТ и трансформаторы с пофазным
регулированием коэффициента трансформации.
Электрические, индуктивно-емкостные, СУ подключаются к сети
параллельно с несимметричной нагрузкой; они представляют собой
комбинацию индуктивных и емкостных элементов. Наибольшее
распространение получила схема Штейнметца.
257

258.

Для симметрирования системы линейных
напряжений при однофазных и двух- и трехфазных
несимметричных нагрузках широко применяются
БК с неодинаковыми мощностями фаз,
используемые для компенсации реактивной
мощности в сети
Снижение несимметрии в четырехпроводных городских сетях 0,38 кВ
можно осуществлять путем уменьшения тока нулевой последовательности и
снижения сопротивления нулевой последовательности в элементах сети.
Уменьшение тока в первую очередь достигается перераспределением
нагрузок.
Снижение сопротивления можно легко осуществить для воздушных
линий 0,38 кВ путем увеличения сечения нулевого провода. Целесообразность
увеличения сечения нулевого провода кабельных линий должна быть
специально обоснована соответствующими технико-экономическими
расчетами.
258

259.

§11 Несинусоидальность в электрических
сетях и мероприятия по борьбе с ней
В процессе производства, преобразования, передачи, распределения
и потребления электроэнергии имеют место искажения формы
синусоидальных токов и напряжений.
Искажения, вносимые в процессах производства, преобразования,
передачи и распределения электрической энергии синхронными
генераторами, силовыми трансформаторами и шунтирующими реакторами
удается эффективно минимизировать на стадиях их проектирования и (или)
эксплуатации.
Поэтому, эти искажения, обычно, не оказывают существенного
влияния на систему электроснабжения и на работу ЭП.
Исходя из сказанного, главной причиной искажений
синусоидальных токов и напряжений в системах электроснабжения
являются ЭП с нелинейными характеристиками.
259

260.

Источники искажения синусоидального напряжения могут быть
сгруппированы по основным типам:
1. Силовое электронное оборудование: частотные привода
переменного тока, привода постоянного тока, источники бесперебойного
питания, выпрямители, конвертеры, тиристорные системы, диодные мосты,
плавильные печи высокой частоты;
2. Сварочные машины, дуговые плавильные печи, сварочные
автоматы;
3. Статические преобразователи частоты, выпрямительные
установки;
4. Бытовая техника: компьютеры, телевизоры, СВЧ-печи,
5. Вращающиеся электромеханические преобразователи;
6. Освещение (люминесцентные лампы), газоразрядные
осветительные устройства.
260

261.

Из курса математики известно, что любую несинусоидальную
периодическую функцию удовлетворяющую условиям Дирихле, т.е.
имеющую за полный период конечное число максимумов, минимумов и
разрывов первого рода, можно представить в виде тригонометрического
ряда Фурье:
f ( t ) A0 A1m sin( t 1 ) A2m sin(2 t 2 )
Akm sin(k t k )
A0 Akm sin(k t k )
k 1
Первый член ряда называется постоянной составляющей,
второй - первой или основной гармоникой.
Остальные члены ряда – это высшие гармоники. Гармоники
представляют собой синусоиды с начальными фазами 1, 2 , , k
частота которых увеличивается с их порядковым номером.
261

262.

Тригонометрический ряд после раскрытия синуса суммы для каждой
из гармоник, можно записать и в иной форме:
f ( t ) A0 Bkm sin k t Ckm cos k t
k 1
Каждая несинусоидальная функция имеет свой гармонический
состав. Значительное число несинусоидальных функций, с которыми
приходиться встречаться в электротехнике и электроэнергетике
удовлетворяют условию f ( t ) f ( t ) .
Функции, удовлетворяющие этому условию, называются
симметричными относительно оси абсцисс. Они раскладываются в ряд,
который не содержит четных гармоник и постоянной составляющей:
f ( t ) A1m sin( t 1 ) A3m sin(3 t 3 ) A5m sin(5 t 5 )
262

263.

Примеры разложения некоторых функций в ряд Фурье:
263

264.

Неблагоприятное влияние несинусоидальности на работу сетей,
электрооборудования и электроприемников состоит в следующем:
- увеличивается действующее значение напряжения на зажимах ЭП;
- появляются дополнительные потери в электрических машинах,
трансформаторах и сетях, а так же дополнительные отклонения напряжения;
- затрудняется компенсация реактивной мощности с помощью БК;
- сокращается срок службы изоляции электрических машин,
трансформаторов, конденсаторов, кабельных линий и аппаратов;
- увеличивается погрешность активных и реактивных счетчиков
индукционного типа;
- ухудшается работа устройств РЗА, телемеханики и связи;
- снижается коэффициент мощности и вращающий момент АД;
- ухудшается работа бытового электрооборудования.
264

265.

Снижение несинусоидальности напряжения обеспечивается:
- рациональным построением схемы электрической сети;
- применением специальных схемных решений устройства нелинейных
нагрузок;
- установкой корректирующих (фильтрующих) устройств.
Рациональное построение схем сети и применение специальных схем
нелинейных нагрузок необходимо обеспечивать решениями, которые
принимаются на стадии проектирования электрических сетей. К таким
решениям можно отнести:
1. Питание нелинейных нагрузок от отдельных линий или трансформаторов,
либо подключение их к отдельным обмоткам трехфазных трансформаторов;
2. Снижение полного сопротивления распределительной сети. Нелинейные
нагрузки следует размещать ближе к источнику питания;
3. Использование отдельных источников питания.
265

266.

4. Применение 12-пульсного выпрямителя. Применение 12-пульсного
выпрямителя позволит полностью подавить 5-ю и 7-ю гармоники в питающем
токе выпрямителя, которые имеют наибольшие амплитуды.
5. Подключение нелинейной нагрузки к системе с большей мощностью, так
как гармонические искажения напряжения уменьшаются с уменьшением
полного сопротивления сети. Практически это означает замену
трансформатора питания на более мощный.
6. Обеспечение симметричного режима работы трехфазной системы.
Необходимо добиться, насколько это возможно, сбалансированности
нагрузок по фазам. При этом обеспечивается минимальное содержание
гармоник в нулевом проводе.
В случаях, когда описанные выше меры оказываются
недостаточными, необходимо оборудовать электроустановку системами
фильтрации, которые размещают между питающей сетью и нелинейным
электроприемником. Такие системы должны пропускать с минимальными
потерями основную гармонику входного тока, а все высшие гармоники в
идеале должны быть сведены к нулю.
266

267.

К системам фильтрации высших гармоник можно отнести такие
устройств, как:
- линейные дроссели переменного тока;
- пассивные силовые фильтры и фильтрокомпенсирующие устройства;
- активные фильтры;
- гибридные фильтры.
1. Последовательное включение линейных дросселей переменного тока,
является простейшим способом снижения уровня генерируемых
нелинейными нагрузками высших гармоник во внешнюю сеть.
267

268.

Недостатками сетевых дросселей являются высокие
массогабаритные и стоимостные показатели.
2. Силовые пассивные резонансные фильтры высших гармоник, которые
наряду со снижением уровней высших гармоник генерируют в электрическую
сеть необходимую реактивную мощность.
Такие устройства называются фильтрокомпенсирующими
устройствами (ФКУ). Они состоят из реакторов и батарей конденсаторов.
При определенных условиях силовые резонансные фильтры могут
также использоваться для симметрирования системы линейных напряжения.
В этом случае они получили название фильтросимметрирующих
устройств (ФСУ).
Фильтры могут применяться для разделения линейных и нелинейных
нагрузок (заградительные фильтры) или для поглощения токов высших
268
гармоник.

269.

Принцип действия пассивных фильтров заключается в том, что
параллельно нелинейной нагрузке устанавливается LC-цепочка, состоящая из
последовательно включенных реактора и батареи конденсаторов,
настроенная на частоту гармоники, которую необходимо подавить.
Полное сопротивление фильтра
определяется формулой:
1
Z R L
C
При частоте , которая называется
резонансной, реактивная составляющая
полного сопротивления становиться
равной нулю, а модуль этого
сопротивления , приобретает минимальное значение,
равное активному сопротивлению .
Действующее значение напряжения -й гармоники в
точке присоединения фильтра: U ZI , где I - действующее значение
-ой гармоники тока нелинейной нагрузки.
269

270.

Если фильтр настроен на резонансную частоту , то действующее
значение напряжения -ой гармоники уменьшается до величины,
определенной активным сопротивлением фильтра . Такие фильтры являются
узкополосными и могут быть настроены строго на одну из гармоник.
При частотах р полное
сопротивление фильтра имеет
емкостной характер. Таким образом,
при частоте 50 герц фильтр генерирует в
сеть реактивную мощностью.
3. Активные фильтры являются весьма перспективными
многофункциональными устройствами, обеспечивающим, в зависимости от
схем, фильтрацию высших гармоник, компенсацию реактивной мощности,
уменьшение глубины и длительности провалов напряжения, регулирование
напряжения у потребителя.
Активные фильтры, построенные на элементах силовой электроники,
генерируют высшие гармоники тока, соответствующие спектру тока,
протекающего по электрической сети, но находящиеся в противофазе ему.
270

271.

4. Гибридные фильтры, в которых АФ включаются последовательно
или параллельно с ПФ.
Они обладают преимуществами как пассивных, так и активных фильтров и
пригодны для применения в широком диапазоне мощностей и режимов
работы электроустановки.
271

272.

Пассивный фильтр снижает наибольшие гармоники и компенсирует
реактивную мощность, а активный дополнительно уменьшает
несинусоидальность кривой тока.
Применение таких фильтров особенно перспективно при наличии в
спектре тока как высших гармоник, так и интергармоник, что характерно для
преобразователей частоты.
Благодаря наличию в ГФ активного фильтра можно:
- повысить эффективность фильтрации в статических режимах работы
путем коррекции частотной характеристики;
- уменьшить негативное влияние изменения параметров фильтра и
отклонения частоты фильтруемой гармоники в процессе эксплуатации;
- демпфировать нежелательные резонансные явления, обусловленные
пассивными элементами фильтров;
- снизить уровень гармонических составляющих тока сети,
обусловленных различными источниками ВГ.
272

273.

Глава 9
Элементы проектирования систем
распределения электрической энергии
§1 Выбор номинального напряжения.
§2 Определение сечения проводов и кабелей по экономической
плотности тока.
§3 Определение сечения линий в распределительных сетях по
допустимой потере напряжения.
§4 Проверка сечения проводов и кабелей по условиям допустимого
нагрева.
§5 Выбор аппаратов защищающих сеть от перегрева.
273

274. §1 Выбор номинального напряжения

При повышении номинального напряжения:
- снижаются потери мощности и электроэнергии;
- снижаются эксплуатационные расходы;
- уменьшаются сечения проводов;
- уменьшаются затраты металла на сооружение линий;
- растут предельные мощности, передаваемые по линиям;
- облегчается будущее развитие сети;
- увеличиваются капитальные вложения на сооружение сети.
Сеть меньшего номинального напряжения:
- требует, меньших капитальных затрат;
- приводит к большим эксплуатационным расходам из-за роста потерь
мощности и электроэнергии;
- обладает меньшей пропускной способностью.
274

275.

Экономически целесообразное номинальное напряжение зависит от
многих факторов:
- мощности нагрузок;
- удаленности потребителей от источников питания;
- расположения электроприемников относительно друг друга;
- выбранной конфигурации электрической сети;
- способов регулирования напряжения и др.
Номинальное напряжение можно приближенно оценит одним из
следующих способов:
- по графикам зависимости напряжения от передаваемой активной мощности
и длины линии, U=f(P,L);
- по эмпирическим выражениям;
- по таблицам пропускной способности и дальности передачи линии.
4

276.

§2 Определение сечения проводов и кабелей
по экономической плотности тока
З
Зпр
З1
З2
Fэк
I нб
J эк
Fэк
F
J эк f вида проводника, Tнб
I нб
Fэк
J эк
5

277.

По экономической плотности тока выбирают сечения:
кабельных линий при U н >1 кВ;
воздушных линий 6–20 кВ.
Сечение проводов и кабелей, выбранное по экономической плотности
тока, проверяют:
- по нагреву;
- по допустимой потере напряжения;
- по механической прочности.
277

278.

§3 Определение сечения проводов и кабелей по
допустимой потере напряжения
Допустимые потери напряжения в распределительной сети – это
такие потери напряжения, при которых в результате регулирования
напряжения отклонения напряжения на зажимах всех ЭП не выходят за
пределы предусмотренных ГОСТом технически допустимых значений.
U нб U доп
Р rс Q xс
U нб

278

279.

Для сети с несколькими участками нельзя однозначно выбрать
сечения участков по U доп .
Для однозначности выбора накладываются дополнительные условия,
косвенно отражающие условия экономичности:
- неизменность сечения по всем участкам;
- плотность тока на всех участках одинакова, что соответствует минимуму
потерь мощности в линии.
- минимальный расход проводникового материала.
279

280.

1. Выбор сечения из условия его равенства на всех
участках линии, Fkj Const F .
Это условие используется при выборе сечения проводов и кабелей в
городских электрических сетях.
Определены:
- конструкция линии;
- марки проводов.
Известны: Sk , lkj , U доп .
Определить: F
n
n
k 1
j 2
k 1
j 2
Pkj rkj Qkj xkj
n P r Q x
kj kj
kj kj
U нб
k 1
j 2


U доп.а

U доп
U доп.р
280

281.

U доп U доп.а U доп.р
Порядок расчета:
а) задаем значение x0 : для воздушных линий x0 = 0,4 Ом/км, а для
кабельных линий 6–10 кВ и до 1 кВ – 0,09 и 0,06 Ом/км соответственно;
n
б) находим
Qkj x0lkj
k 1
j 2
U доп.р

в) находим
U доп.а U доп U доп.р
n
Pkj r0lkj
U доп.а
k 1
j 2

r0
1
F F
281

282.

n
Pkj lkj
U доп.а
k 1
j 2
U н F
1 n
3I kj lkj cos kj
F k 1
j 2
г) определяем сечение проводов:
n
n
Pkj lkj
F
k 1
j 2
U н U доп.а
3I kj lkj cos kj
k 1
j 2
U доп.а
д) - округляем найденное сечение до ближайшего стандартного;
- проверяем выполнение условия U нб U доп ;
- проверяем выбранное сечение по нагреву и механической прочности.
282

283.

2.Выбор сечения из условия минимума потерь мощности
Минимум потерь мощности в линии соответствует постоянной
плотности тока, т. е. при этом плотность тока на всех участках линии
I kj
одинакова:
J U
Const
Fkj
Это дополнительное условие используется при выборе сечений
проводов и кабелей в сетях систем электроснабжения промышленных
предприятий.
Порядок расчета:
а) задаемся значением удельного реактивного сопротивления x0 ;
б) находим U доп.р и U доп.а ;
в) находим плотность тока по допустимой потере напряжения:
283

284.

n
1
1 n
3I kj lkj cos kj J U 3 lkj cos kj
U доп.а
Fkj k 1
k 1
j 2
J U
U доп.а
j 2
n
3 lkj cos kj
k 1
j 2
г) определяем расчетные сечения: Fkj
I kj
J U
д) расчетные сечения округляем до ближайших стандартных. Определяем
активное и реактивное сопротивления на участках линии rkj , xkj .
е) рассчитываем наибольшую потерю напряжения, используя параметры
линии, выполненной проводами найденных сечений, и проверяем,
удовлетворяют ли выбранные стандартные сечения требованию U нб U доп .
ж) проверяем выбранные сечения по нагреву и механической прочности.
284

285.

3. Выбор сечения из условия минимального расхода
проводникового материала на сооружение линии
Это дополнительное условие используется в сельских сетях при малой
их загрузке, где экономия металла важнее, чем экономия потерь
электроэнергии.
В случае n нагрузок сечение последнего (n -1)n-го участка линии
определяется формулой:
P( n 1) n n
F( n 1) n
lkj Pkj
U доп.аU н k 1
j 2
F 2( n 2)( n 1) F 2( n 1) n
F 212 F 223
P12
P23
P( n 2)( n 1)
P( n 1) n
- расчетные сечения округляем до ближайших стандартных. Определяем
активное и реактивное сопротивления на участках линии rkj , xkj .
- рассчитываем наибольшую потерю напряжения, используя параметры линии,
выполненной проводами найденных сечений, и проверяем, удовлетворяют ли
выбранные стандартные сечения требованию U нб U доп .
- проверяем выбранные сечения по нагреву и механической прочности. 285

286.

§4 Проверка сечения проводов и кабелей по
условиям допустимого нагрева
Допустимая температура – это такая наибольшая температура, при
которой провод или кабель сохраняет свои электрические и механические
свойства.
Допустимый ток - это такой ток, при длительном протекании
которого проводник нагревается до допустимой температуры.
286

287.

При практических расчетах определяют значение допустимого тока
по таблицам I доп.т .
Величина длительно допустимого табличного тока для проводников
зависит от:
• его материала;
сечения;
изоляции;
условий охлаждения;
режима работы линии и т. д.
Для выбора сечения проводника по условиям нагрева токами
нагрузки сравниваются расчетный I p допустимый I доп токи для
проводника принятой марки и с учетом условий его прокладки.
При этом должно соблюдаться соотношение I p I доп I доп.т k kn
n
I p Iн
I р Kci I нi
i 1
норм.в 25 С
норм.з 15 С
287

288.

Для обеспечения нормальных условий работы линии и правильной
работы защищающих аппаратов надо выбирать такое сечение провода, для
которого допустимый ток удовлетворяет двум условиям:
Первое условие: I доп Iнб , где I нб - наибольший из средних за
полчаса токов данной линии. По этому условию проверяются ВЛ.
Для кабельных линий до 10 кВ можно превысить I доп при
перегрузках или авариях, если наибольший ток нагрузки линии в
нормальном режиме был не более 80 % допустимого.
В послеаварийных режимах кабельных линий допускается
перегрузка, определяемая условием: kав I доп I ав. нб , где kав 1,1...1,5
– коэффициент перегрузки в аварийном режиме, I ав. нб – наибольший ток
в послеаварийном режиме.
Второе условие: I доп I н. защ. ап /k, где I н. защ. ап –
номинальный ток, защищающего линию от перегрева аппарата; k –
коэффициент, равный 0,8 для городских сетей и 3 для сетей
промышленных предприятий и силовых установок.
I доп 1,25I н.защ.ап
I доп 0,3I н.защ.ап
288

289.

§5 Выбор аппаратов, защищающих сеть от
перегрева
Для защиты сетей напряжением до 1 кВ применяются:
а) плавкие предохранители;
б) автоматические выключатели;
в) тепловые реле, действующие на магнитный пускатель или контакторы.
Для правильной работы защищающего аппарата его номинальный
ток должен удовлетворять трем условиям:
n
1. В нормальном режиме:
I н.защ.ап I раб.лин kсi I нi
i 1
2. В пусковом режиме, когда осуществляется пуск одного из n двигателей
и в линии протекает наибольший кратковременный ток:
n 1
I н.защ.ап. I нб.крат kсi I нi I пуск
i 1
3. Защищающие аппараты должны работать селективно.
289
English     Русский Rules