Эскиз
Последовательность выполнения эскиза
Эскиз гайки. Компоновка на формате А4
Эскиз гайки Компоновка
Оформление видов, разрезов
Оформление видов, разрезов
Оформление видов, разрезов
Оформление видов, разрезов
Оформление видов, разрезов
Оформление видов, разрезов
Оформление видов, разрезов
Оформление видов, разрезов
Оформление видов, разрезов
Нанести выносные и размерные линии
Измерение детали и простановка размерных чисел
Нанесение шероховатости поверхностей
603.00K
Category: draftingdrafting

Презентация 7. Эскиз гайки

1. Эскиз

Изображение детали
выполненное от руки в
глазомерном масштабе

2. Последовательность выполнения эскиза


1 Знакомство с деталью: определить название и рабочие функции
2 Выбор главного вида, выбор количества видов, разрезов, сечений и
других изображений
3 Выбор формата (зависит от количества видов их расположения, от
габаритов и сложности детали)
4 Компоновка формата (равномерно по полю формата распределить
проекции изображений детали, которые должны занимать 80% листа)
5 Оформление видов, разрезов, сечений и других изображений, т.е.
обвести сплошной основной линией контуры детали и тонкой линией
выполнить штриховку разрезов и сечений
6 Простановка размеров:
6.1 Нанести выносные и размерные линии
6.2 Измерить деталь и проставить размерные числа
7 Нанесение шероховатости поверхностей
8 Оформление формата:
8.1 Заполнить основную надпись, указать марку материала
вычерченной детали
8.2 Записать технические требования или технические характеристики
(их располагают над основной надписью, последняя строчка
располагается не ближе 15мм). Технические требования выполняют
без заголовка, но нумеруются по порядку сверху вниз

3. Эскиз гайки. Компоновка на формате А4

• Компоновка
формата:
равномерно по
полю формата
распределить
проекции
изображений
детали,
которые
должны
занимать 80%
листа

4. Эскиз гайки Компоновка

5. Оформление видов, разрезов

6. Оформление видов, разрезов

7. Оформление видов, разрезов

8. Оформление видов, разрезов

9. Оформление видов, разрезов

10. Оформление видов, разрезов

11. Оформление видов, разрезов

12. Оформление видов, разрезов

13. Оформление видов, разрезов

14. Нанести выносные и размерные линии

15. Измерение детали и простановка размерных чисел

58
М42х2
Ø29
Ø42,5
27
2х45°
4
50
19

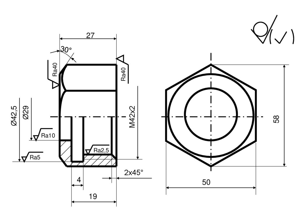
16. Нанесение шероховатости поверхностей

58
М42х2
Ø29
Ø42,5
27
2х45°
4
50
19

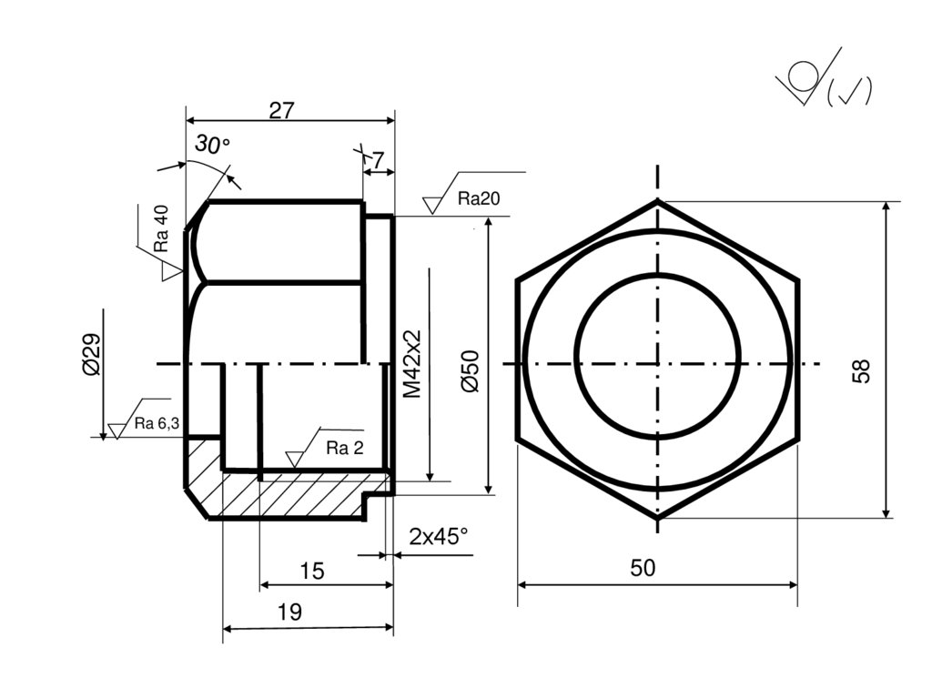
17.

Ra40
58
М42х2
Ø29
Ø42,5
Ra40
27
Ra10
Ra2,5
Ra5
2х45°
4
50
19

18.

27
7
58
Ø50
Ø29
М42х2
Ra 40
Ra20
Ra 6,3
Ra 2
2х45°
15
19
50
English     Русский Rules