Обозначение основных видов:
Минимальное количество изображений- два. Вместо второго изображения может быть символ.
Местный вид - изображение отдельной части поверхности предмета
Дополнительный вид - изображение детали или ее части, полученное при проецировании на наклонную плоскость
Разрез – ортогональная проекция предмета, мысленно рассеченного одной или несколькими плоскостями для выявления его невидимых
Простые разрезы - одна секущая плоскость
Сложные разрезы - две и более секущих плоскостей
Местные разрезы
Сечение – изображение фигуры полученное при мысленном рассечении предмета плоскостью. В сечении изображается только то, что
Разрез
Выносной элемент - дополнительное изображение какой - либо части предмета, требующей графического и других пояснений в
Условности и упрощения
ВЫПОЛНЕНИЕ ЧЕРТЕЖА ДЕТАЛИ СРЕДСТВАМИ САПР   1. Создание модели в режиме стандартной прямоугольной аксонометрической проекции  
3. Создание стандартных базовых видов на чертеже детали по модели - Продумать – сколько изображений и какие изображения нужны
4. Доработка - редактирование чертежа - осевые и центровые линии; - разрезы, сечения, выносные элементы, другие изображения;  
Нанесение размеров и предельных отклонений ГОСТ 2.307-2011 - Размеры должны быть нанесены с учетом последовательности операций
Все размеры наносят от базовых поверхностей, линий или точек. Различают базы конструкторские, технологические, измерительные,
Чертеж детали должен содержать четыре группы размеров, необходимых для ее изготовления:
Не рекомендуется смешивать размеры наружных и внутренних поверхностей элементов детали.
Размеры, определяющие элемент детали, должны концентрироваться на одном, главном для данного элемента изображении
Аксонометрические проекции
13.41M
Category: draftingdrafting

3_2_Изображения,_размеры_и_аксонометрия_

1.

Институт телекоммуникаций
Кафедра САПР (Систем Автоматизированного ПРоектирования)
«Инженерная и компьютерная графика»
Лекция 4
ГОСТ 2.305 – 2008 Изображения - виды, разрезы, сечения
Выполнение чертежа детали средствами САПР (КОМПАС)
ГОСТ 2.307-2011 Нанесение размеров
ГОСТ 2.317-2011 Аксонометрические проекции

2.

ГОСТ 2.305 – 2008
Изображения - виды, разрезы, сечения
Настоящий стандарт устанавливает правила изображения предметов
(изделий, сооружений и их составных элементов) на чертежах
(электронных моделях) всех отраслей промышленности и строительства
Вид – ортогональная проекция обращенной к наблюдателю
видимой части поверхности предмета, расположенного
между ним и плоскостью проецирования.
На видах разрешается показывать невидимую часть
поверхности предмета

3.

Основным видом
называется изображение,
полученное при
проецировании предмета
на шесть граней куба,
если изделие поместить внутрь
куба.

4.

Изображение предмета на фронтальную плоскость
принимается за главный вид изделия.
Главный вид должен давать наиболее полное представление о
строении детали
Примечание - Основной вид предмета может относиться к предмету в целом, его разрезу или
сечению.
Если виды расположены в проекционной связи и в такой
последовательности, то они не обозначаются (названия не
подписываются).

5. Обозначение основных видов:

• при отсутствии проекционной связи
2 вариант
изображения
вида сверху: не
в проекционной
связи с главным
видом.
1 вариант
изображения
вида сверху: в
проекционной
связи с
главным
видом.
3 вариант
изображения вида
сверху: не в
проекционной
связи с главным
видом и в другом
масштабе.

6.

• Изображения обозначают также, если
виды отделены от главного
изображения другими изображениями
• или расположены не на одном листе с
ним.
Если отсутствует изображение, на котором может быть
показано направление взгляда, название вида надписывают.

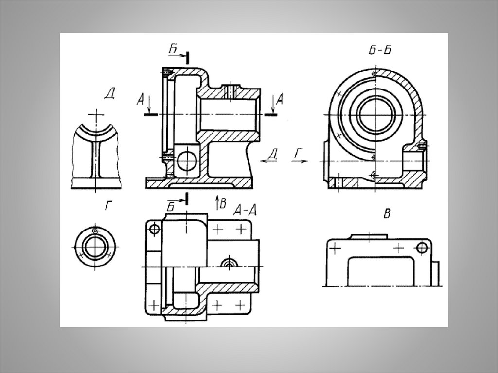
7. Минимальное количество изображений- два. Вместо второго изображения может быть символ.

8. Местный вид - изображение отдельной части поверхности предмета

9. Дополнительный вид - изображение детали или ее части, полученное при проецировании на наклонную плоскость

Если какую-либо часть предмета на чертеже невозможно показать без
искажения формы и размеров, то применяют дополнительные виды,
получаемые на плоскостях, не параллельных основным плоскостям
проекций
Дополнительный вид - изображение детали или ее части,
полученное при проецировании на наклонную плоскость

10. Разрез – ортогональная проекция предмета, мысленно рассеченного одной или несколькими плоскостями для выявления его невидимых

поверхностей.
В разрезе изображается то, что получается в секущей плоскости и то, что
расположено за ней.
Невидимый контур в разрезах не показывают!

11. Простые разрезы - одна секущая плоскость

Горизонтальный
разрез
Начальный и конечный штрихи
не должны пересекать контур
изображения!

12.

Фронтальный разрез
Не обозначаются:
- простые разрезы, выполненные по оси симметрии
детали и расположенные в проекционной связи с другими
изображениями;
- местные разрезы

13.

Фронтальным и профильным разрезам, как правило, придают
положение, соответствующее принятому для данного предмета на
главном изображении чертежа.
Горизонтальные, фронтальные и профильные разрезы могут быть
расположены на месте соответствующих основных видов

14. Сложные разрезы - две и более секущих плоскостей

• Ступенчатые разрезы

15.

• Ломаные разрезы
При ломаных разрезах секущие плоскости
условно поворачивают до совмещения в одну
плоскость, при этом направление поворота
может не совпадать с направлением взгляда.
Если совмещенные
плоскости окажутся
параллельными одной из
основных плоскостей
проекций, то ломаный
разрез допускается
помещать на месте
соответствующего вида.

16.

При повороте секущей плоскости элементы предмета,
расположенные за ней, вычерчивают так, как они
проецируются на соответствующую плоскость,
с которой производится совмещение.

17.

18.

19. Местные разрезы

20.

Часть вида и часть разреза
допускается соединять, разделяя
их сплошной волнистой линией
или сплошной тонкой линией
с изломом.

21.

Если соединяются половина вида и
половина разреза, каждый из
которых является симметричной
фигурой, то разделяющей линией
служит ось симметрии.
Допускается также разделение
разреза и вида штрихпунктирной
тонкой линией, совпадающей со
следом плоскости симметрии не
всего предмета, а лишь его части,
если она представляет собой тело
вращения

22. Сечение – изображение фигуры полученное при мысленном рассечении предмета плоскостью. В сечении изображается только то, что

попадает в
секущую плоскость
Вычерчиваются
сплошной основной линией
Вычерчиваются тонкой линией

23.

24.

Сечение
Разрез

25.

Условности при выполнении сечений
Если секущая плоскость проходит
вдоль оси поверхности вращения,
ограничивающей отверстие или
углубление, то контур отверстия или
углубления показывают полностью.

26. Разрез

Если сечение получается
состоящим из отдельных
самостоятельных частей, то
следует применять разрезы.

27. Выносной элемент - дополнительное изображение какой - либо части предмета, требующей графического и других пояснений в

отношении формы, размеров
и иных данных

28. Условности и упрощения

1.
Если деталь симметричная,
то при выполнении разреза
рекомендуется совмещать
половину разреза с
половиной вида.
На таком изображении
не показываются линии
невидимого контура
При этом разрез выполняется
справа или снизу от оси
симметрии.
Границей вида и разреза
является осевая линия.

29.

2.
Несколько
одинаковых,
равномерно
повторяющихся
элементов
3.
Ребро жесткости, спицы, плотные
шары в продольных разрезах
не подлежат штриховке

30.

4.
Ребро , совпадающее с осью симметрии

31.

5.
6.

32.

7.
Детали, такие как винты, заклепки, шпонки, непустотелые
валы и шпиндели, шатуны, рукоятки и т.п., при
продольном разрезе показывают нерассеченными.
Шарики всегда показывают нерассеченными.
Как правило, показывают нерассеченными на сборочных
чертежах гайки и шайбы.
8.
При необходимости выделения на чертеже плоских
поверхностей предмета на них проводят диагонали
сплошными тонкими линиями

33. ВЫПОЛНЕНИЕ ЧЕРТЕЖА ДЕТАЛИ СРЕДСТВАМИ САПР   1. Создание модели в режиме стандартной прямоугольной аксонометрической проекции  

ВЫПОЛНЕНИЕ ЧЕРТЕЖА ДЕТАЛИ
САПР
СРЕДСТВАМИ
1. Создание модели в режиме стандартной прямоугольной
аксонометрической проекции
2. Выбор главного вида

34. 3. Создание стандартных базовых видов на чертеже детали по модели - Продумать – сколько изображений и какие изображения нужны

для
конкретной детали (сколько видов и какие разрезы необходимы).
- Если изображение симметричное, рекомендуется совместить вид с
разрезом на одном изображении

35. 4. Доработка - редактирование чертежа - осевые и центровые линии; - разрезы, сечения, выносные элементы, другие изображения;  

4. Доработка - редактирование чертежа
- осевые и центровые линии;
- разрезы, сечения, выносные элементы, другие изображения;
- размеры;
- другие составляющие чертежа детали.
ЧЕРТЕЖ ПОСЛЕ
РЕДАКТИРОВАНИЯ

36.

37. Нанесение размеров и предельных отклонений ГОСТ 2.307-2011 - Размеры должны быть нанесены с учетом последовательности операций

обработки заготовки детали и
так, чтобы обеспечить наименьшую трудоемкость
технологического процесса.
- Количество размеров на чертеже должно быть
минимальным, но достаточным для изготовления и контроля
изделия.
- Не допускается повторять размеры одного элемента на
разных изображениях и наносить размеры в виде замкнутой
цепи.
- Размеры на чертежах указывают размерными числами и
размерными линиями.

38. Все размеры наносят от базовых поверхностей, линий или точек. Различают базы конструкторские, технологические, измерительные,

сборочные вспомогательные.
В качестве размерных баз должны выбираться более
точно обработанные поверхности.
Они должны быть обработаны в первую очередь.

39.

Конструкторская
база
– ось вращения

40. Чертеж детали должен содержать четыре группы размеров, необходимых для ее изготовления:

• габаритные – длина, ширина и высота детали;
• межосевые и межцентровые размеры и их расстояния до баз;
• размеры отдельных элементов детали;
• размеры, определяющие положение каждого элемента
относительно выбранной базы

41. Не рекомендуется смешивать размеры наружных и внутренних поверхностей элементов детали.

10 мм
Не рекомендуется смешивать размеры наружных и
внутренних поверхностей элементов детали.
Наружные размеры
Размерные линии
не должны
пересекаться!
Внутренние размеры

42. Размеры, определяющие элемент детали, должны концентрироваться на одном, главном для данного элемента изображении

43.

Размеры симметрично расположенных элементов наносят
один раз без указания их количества, сгруппировав их в
одном месте

44.

При соединении вида и разреза расстояние от одной линии
до отсутствующей симметричной линии наносят на
размерной линии с одной стрелкой.
Простановка размеров от линий невидимого контура не
рекомендуется

45.

У деталей с резьбой длина резьбового участка
включает размер фаски и проточки.

46.

АКСОНОМЕТРИЧЕСКИЕ ПРОЕКЦИИ
ГОСТ 2.317-2011
Ортогональный чертеж
Аксонометрия
По ортогональным проекциям предмета довольно трудно
представить его форму. Поэтому чертежи сложных изделий
сопровождают наглядными изображениями
(аксонометрическими проекциями)

47.

Аксонометрический чертеж (аксонометрия) – это изображение,
полученное параллельным проецированием фигуры вместе с
осями на некоторую плоскость так, чтобы ни одна из осей не
совпадала с направлением проецирования.
Схема аксонометрического проецирования
еI/е = k
kx ky
kz

48. Аксонометрические проекции

В зависимости от направления проецирования :
- прямоугольные (S перпендикулярно к П/)
- косоугольные (S не перпендикулярно к П/).
В зависимости от коэффициентов искажения:
– изометрия, когда kX = kY = kZ ;
– диметрия, когда kX = kZ = kY ;
– триметрия, когда kX = kZ = kY .

49.

По ГОСТ 2.317-2011
ПРЯМОУГОЛЬНЫЕ
ИЗОМЕТРИЧЕСКАЯ
ПРОЕКЦИЯ
kX = kY = kZ = 0.82 ≈ 1
М 1.22 : 1
ДИМЕТРИЧЕСКАЯ
ПРОЕКЦИЯ
kX = kZ = 0.94 ≈ 1
kY = 0.47 ≈ 0.5
М 1.06 : 1
Прямоугольные аксонометрические проекции встроены в САПР.
Используются в 3D - моделировании.

50.

КОСОУГОЛЬНЫЕ
- горизонтальная изометрическая проекция
kX = kY = kZ = 1
- фронтальная изометрическая проекция
- фронтальная диметрическая проекция

51.

Штриховка аксонометрических сечений
В изометрической проекции
В диметрической проекции
English     Русский Rules