ЦИФРОВАЯ ЭЛЕКТРОНИКА Часть 2 Аппаратные средства ИС
Счетчик
Двоичные счетчики
Вычитающие двоичные счетчики
Четырехразрядный суммирующий и вычитающий счетчик на D-триггерах
Четырехразрядный кольцевой счетчик с модулем счета 4 на D-триггерах
Четырехразрядный кольцевой счетчик Джонсона на D-триггерах с модулем счета 8
Счетчики Джонсона
Использованы одноступенчатые D-триггеры.
Двоично-десятичный счетчик
Модель счетчика Джонсона
Модели синхронных суммирующих и вычитающих счетчиков
Модели асинхронного и синхронного (с последовательным переносом) счетчиков
Модель синхронного (с параллельным переносом) счетчика
Четырехразрядный асинхронный суммирующий счетчик (делитель частоты)
Домашняя подготовка (счетчик на микросхеме 7493)
Лабораторное задание
3.23M
Category: electronicselectronics

Презентация лаб 3

1. ЦИФРОВАЯ ЭЛЕКТРОНИКА Часть 2 Аппаратные средства ИС

«Исследование счетчиков»

2. Счетчик

• Последовательностное логическое устройство это то, в котором значения
выходных переменных определяются не только текущим значением входных
переменных, но так же и их значениями в предыдущие моменты времени
(такие устройства обладают памятью).
• Счетчик – последовательностная схема, осуществляющая счет поступающих
на её вход импульсов, формирующая результат счета в заданном коде и при
необходимости хранящая его.
• В основе схемы счетчика лежит регистр. Поскольку любая
последовательностная схема имеет конечное число состояний,
последовательность состояний каждого конкретного счетчика (счетная
последовательность) либо завершается некоторым определённым конечным
состоянием, либо циклически повторяется.
• Счетчики с конечным состоянием называют счетчиками с насыщением.
Счетчики с циклически повторяющейся последовательностью состояний
называются счетчиками по модулю. Термин модуль используется для
обозначения числа различных состояний в счетной последовательности.
2

3. Двоичные счетчики

Если в счетчике n триггеров, то число возможных состояний счетчика равно
2n, и, следовательно, его модуль также равен 2n.
Счетная последовательность в двоичном суммирующем счетчике начинается
с 0, доходит до максимального числа 2n - 1, после чего снова проходит через 0
и повторяется.
В вычитающем двоичном счетчике последовательные двоичные числа
перебираются в об ратном порядке, и максимальное число следует за 0 при
повторении счетной последовательности
3

4. Вычитающие двоичные счетчики

Вычитающие счетчики могут быть как синхронными, так и
асинхронными. Отметим, что при продвижении по двоичной
последовательности в обратном порядке значение разряда
меняется всякий раз, когда текущие значения всех разрядов
правее данного становятся равными 0 (или, что
эквивалентно, дополнения их значений становятся равными
1). Именно этот принцип лежит в основе конструкции
вычитающих двоичных счетчиков.
Поэтому синхронный суммирующий счетчик можно
превратить в вычитающий, просто переключив входы
элементов «И» с прямых выходов триггеров на инверсные
4

5. Четырехразрядный суммирующий и вычитающий счетчик на D-триггерах

Четырехразрядный суммирующий
и вычитающий счетчик на Dтриггерах
5

6. Четырехразрядный кольцевой счетчик с модулем счета 4 на D-триггерах

Четырехразрядный кольцевой
счетчик с модулем счета 4 на Dтриггерах
6

7. Четырехразрядный кольцевой счетчик Джонсона на D-триггерах с модулем счета 8

7

8. Счетчики Джонсона

Счетчики, задаваемые периодической кодовой
последователь- ностью, состоящей из подряд идущих
символов 0 и 1, называются счетчиками Джонсона.
Q3
Q2
Q1
Q0
0
0
0
0
0
0
0
1
0
0
1
1
0
1
1
1
1
1
1
1
1
1
1
0
1
1
0
0
1
0
0
0
8

9.

9

10.

10

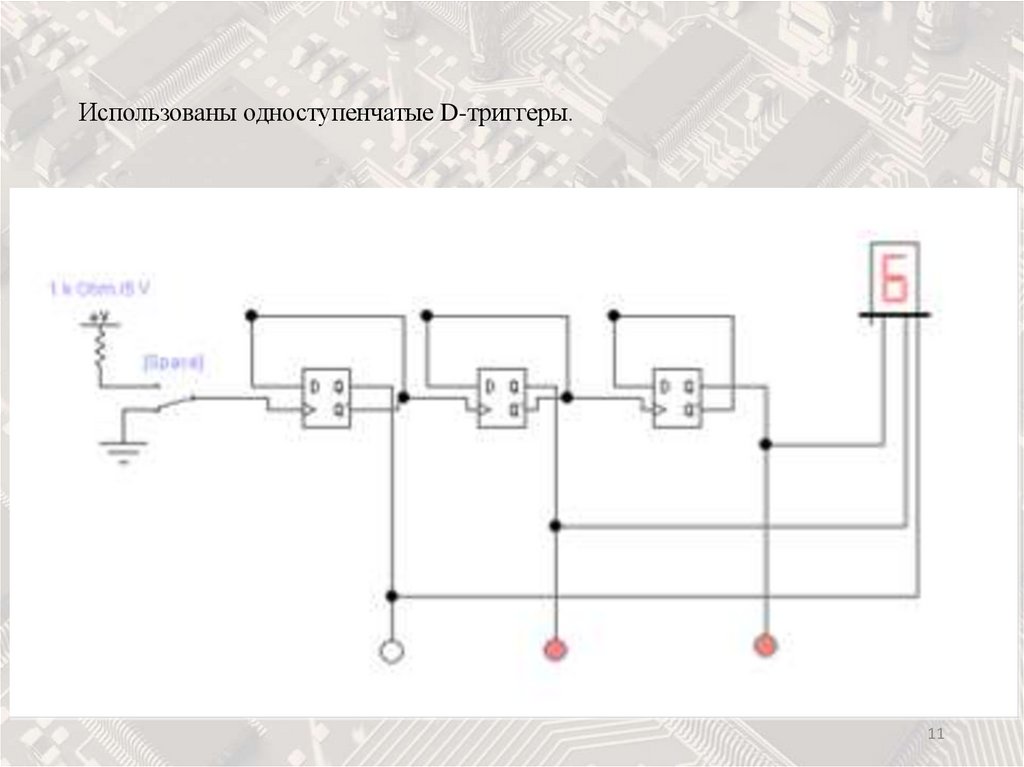
11. Использованы одноступенчатые D-триггеры.

11

12. Двоично-десятичный счетчик

&
12

13. Модель счетчика Джонсона

13

14. Модели синхронных суммирующих и вычитающих счетчиков

14

15. Модели асинхронного и синхронного (с последовательным переносом) счетчиков

15

16. Модель синхронного (с параллельным переносом) счетчика

16

17. Четырехразрядный асинхронный суммирующий счетчик (делитель частоты)

Q0
Q1
Q2
Разрешение
счета
Sd TТ
J
C
K
Rd
Вход
Q
Sd TТ
J
C
K
Rd
Т
Q
Q
Sd TТ
J
C
K
Rd
Т
Q
Q
Q3
Sd TТ
J
C
K
Rd
Т
Q
Q
Q
Сброс
t
C
0
QA
0
QB
QC
QD
T
2T
1
0
1
0
1
0
1
0
1
0
1
0
1
0
1
0
1
1
t
0
1
1
0
0
1
1
0
0
1
1
0
0
1
1
0
0
1
t
0
0
0
1
1
1
1
0
0
0
0
1
1
1
1
0
0
0
t
0
0
0
0
0
0
0
1
1
1
1
1
1
1
9
10 11 12 13 14
1
15
0
0
0
t
1
2
3
4
5
6
7
8
16
17

18. Домашняя подготовка (счетчик на микросхеме 7493)

QA
/ Библиотека Digital / группа CNT
QB
QC
QD
CKA
R01
R02
CKB
18

19.

Счетчик имеет две независимые части:
1 Делитель на 2;
При этом тактовым входом является «CКА», а выходом – QА;
2 Делитель на восемь.
При этом тактовым входом является «CКВ», а выходами – QВ-QD.
За счет внешнего соединения зажима «1» с зажимом «12» (ключ «S» 4/3) и
подключения (ключ «С») тактовых импульсов к зажиму «14» (СКА) можно
реализовать делитель на 16. При этом выходами являются зажимы «12», «9», «8» и
19
«11» (то есть QА-QD).

20.

Счетчик имеет две независимые части:
1 Делитель на 2 (C ; S )
При этом тактовым входом является «CКА», а выходом – QА;
2 Делитель на восемь.
При этом тактовым входом является «CКВ», а выходами – QВ-QD.
За счет внешнего соединения зажима «1» с зажимом «12» (ключ «S» 4/3) и
подключения (ключ «С») тактовых импульсов к зажиму «14» (СКА) можно
реализовать делитель на 16. При этом выходами являются зажимы «12», «9», «8» и
20
«11» (то есть QА-QD).

21.

Счетчик имеет две независимые части:
1 Делитель на 2;
При этом тактовым входом является «CКА», а выходом – QА;
2 Делитель на восемь (C ; S )
При этом тактовым входом является «CКВ», а выходами – QВ-QD.
За счет внешнего соединения зажима «1» с зажимом «12» (ключ «S» 4/3) и
подключения (ключ «С») тактовых импульсов к зажиму «14» (СКА) можно
реализовать делитель на 16. При этом выходами являются зажимы «12», «9», «8» и
21
«11» (то есть QА-QD).

22.

Счетчик имеет две независимые части:
1 Делитель на 2;
При этом тактовым входом является «CКА», а выходом – QА;
2 Делитель на восемь.
При этом тактовым входом является «CКВ», а выходами – QВ-QD.
За счет внешнего соединения зажима «1» с зажимом «12» (S ) и подключения (С )
тактовых импульсов к зажиму «14» (СКА) можно реализовать делитель на 16.
При этом выходами являются зажимы «12», «9», «8» и «11» (то есть QА-QD).
22

23. Лабораторное задание

Базовый уровень
• Провести исследование простейшего суммирующего и вычитающего счетчика.
• Провести исследование простейшего кольцевого счетчика с модулем счета 4.
• Провести исследование четырехразрядного счетчика Джонсона (модуль счета
8).
Средний уровень
• Провести исследование микросхемы четырехразрядного счетчика SN7493N
(аналог К155ИЕ5)
Продвинутый уровень
• Провести исследование микросхемы четырехразрядного программируемого
реверсивного двоично-десятичного счетчика 74192 (аналог К155ИЕ6)
23
English     Русский Rules