Управление авиационными ГТД
Системы активного регулирования зазоров (Active Clearance Control – ACC)
Система перепуска воздуха (Variable Bleed Valve – VBV)
Система изменения углов направляющих аппаратов (VSV – Variable Stator Vane)
Система управления двигателем (по AMM Chapter 76 – Engine Controls)
943.21K

Доклад про управление ГТД

1. Управление авиационными ГТД

Выполнил студент группы номер 216
Иванов М.Н.

2.

3.

Система управления воздушными потоками и зазорами — включает
все устройства, которые регулируют внутри-двигательные потоки
воздуха: перепуски, изменение НА, активное управление зазорами и
охлаждения — эта часть описана в Chapter 75 (Air System)
Система управления тягой / подачи топлива / дроссель — включает
механические и электромеханические компоненты, связывающие
команду тяги с фактической подачей топлива и регулированием её по
режимам — описана в Chapter 76 (Engine Controls).

4.

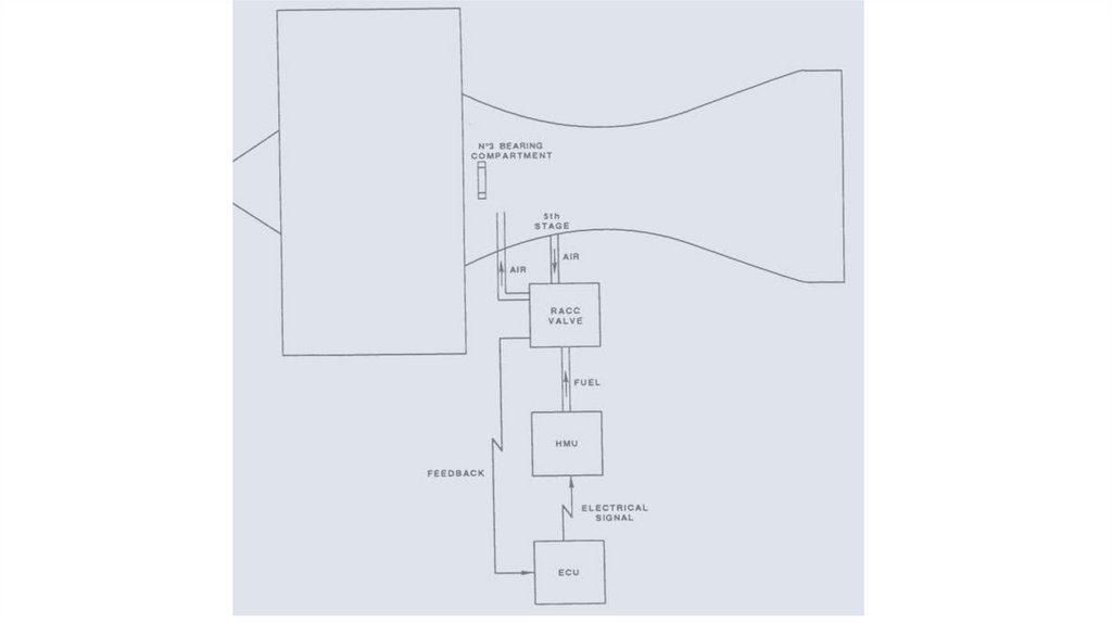
5. Системы активного регулирования зазоров (Active Clearance Control – ACC)

• HPT Active Clearance Control (HPTACC)
• LPT Active Clearance Control (LPTACC)
• Rotor Active Clearance Control (RACC)

6.

7.

8. Система перепуска воздуха (Variable Bleed Valve – VBV)

• Система перепуска воздуха предназначена для предотвращения
помпажа компрессора и обеспечения плавного перехода между
режимами работы.
VBV клапаны расположены между КНД и КВД и могут открывать
дополнительные пути для воздуха, снижая нагрузку на
компрессор на низких оборотах.

9.

10. Система изменения углов направляющих аппаратов (VSV – Variable Stator Vane)

• VSV система регулирует угол установки направляющих аппаратов
компрессора высокого давления, чтобы обеспечить устойчивость
и оптимальные углы атаки воздуха на разных режимах.

11. Система управления двигателем (по AMM Chapter 76 – Engine Controls)

1. Throttle Control (дроссельное управление) — рычаги управления тягой
(Throttle Control Levers) с механической связью, фиксаторами и
электрическими датчиками.
2. HP Fuel Shut-Off Valve Control — управление отсечным клапаном топлива
высокого давления (через MASTER switch).
В нормальном режиме открытия FADEC синхронизирует момент открытия HP SOV с
раскруткой ротора (N2 ≈ 20–25 %) для безопасного запуска.
3. LP Fuel Shut-Off Valve Control — управление отсечным клапаном топлива
низкого давления (через ENG MASTER или FIRE pushbutton).
Клапан LP Fuel Shut-Off Valve (LP SOV) стоит на входе в двигатель, в линии подачи топлива от
самолётной топливной системы.
Его задача — физически перекрывать подачу топлива к двигателю при:
выключении двигателя через ENG MASTER switch;
активации FIRE pushbutton (пожарная защита);
отказе FADEC (автоматическое запирание).

12.

13.

14.

• Пилот →
• Throttle Lever →
• AFU →
• TCU (резольверы) →
• EIU →
• ECU (FADEC) →
• HMU →
• топливные клапаны и VBV/VSV-приводы.
English     Русский Rules