1.05M
Category: industryindustry

Тепловые схемы АЭС России. Лекция № 1

1.

Утверждаю
Заведующий кафедрой ПТУ
Доцент
=Губин В.Е.=
Лекция № 1
Тепловые схемы АЭС России
Учебная цель: изучить конструкцию тепловых схем АЭС
Вопросы лекции:
1.Назначение, состав тепловой схемы АЭС с ВВЭР1000 и ПТУ К-1000-60

2.

1500, 3000 и других.
2.Выводы по лекции
Литература:
1.Конспект лекций
2.Кирияченко В.А.
• учебник: «Конструкция и системы паротурбинных
установок АЭС» Стр132 - 432
• альбом схем к учебнику «Конструкция и системы
паротурбинных установок АЭС» стр. 5,6.
3.Моргулова Т.Х. Атомные электрические станции,
стр. 5-30

3.

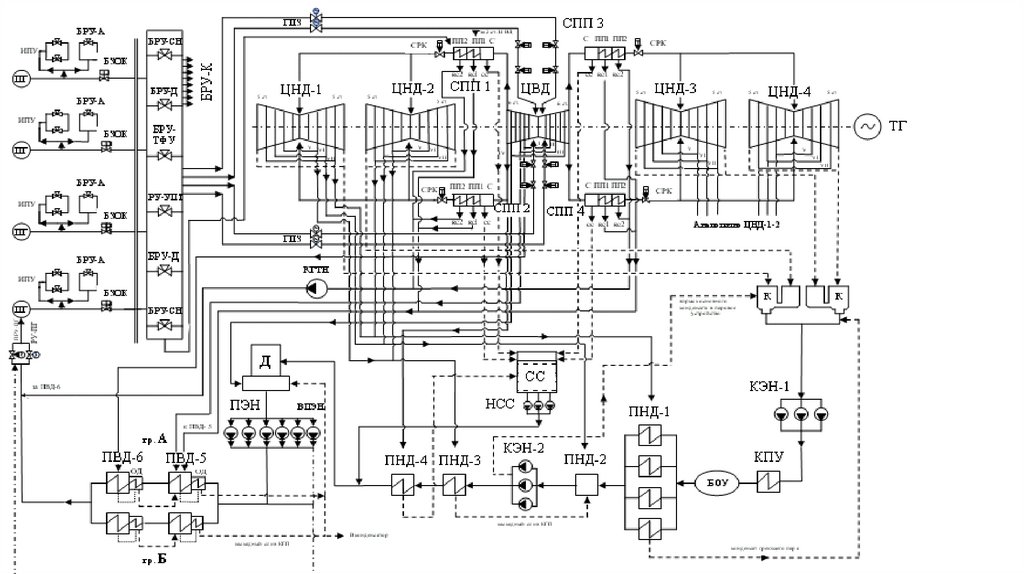
Принципиальная тепловая схема АЭС с ВВЭР-1000
и ПТУ К 1000 – 60/1500

4.

УСЛОВНЫЕ ОБОЗНАЧЕНИЯ ТЕПЛОВОЙ СХЕМЫ И
НАЗНАЧЕНИЕ ЭЛЕМЕНТОВ
I КОНТУР
Р-реактор, предназначен для преобразования
ядерной энергии в тепловую.
ПГ-парогенератор,4 шт, предназначены для
генерации пара, идущего на турбину.
КД (КО)-компенсатор давления (объема)предназначен для создания и поддержания давления в
1 контуре чтобы не было кипения воды, компенсации
колебаний и пульсаций давления воды 1 контура

5.

ГЦН-главный циркуляционный насос, 4 шт - для
создания принудительной циркуляции воды 1 контура
между реактором и парогенераторами
II КОНТУР
Турбина ЦВД (цилиндр высокого давления), 1 шт-для
преобразования тепловой энергии в механическую
(вращение).
Турбина ЦНД (цилиндр низкого давления),3-4 штдля преобразования тепловой энергии в механическую
(вращение).

6.

СПП - сепаратор пароперегреватель, 4 шт- для
осушки и перегрева пара после ЦВД.
ГК – главный конденсатор, 3-4 шт – для конденсации
отработавшего в ЦНД пара.
КЭН-I конденсатный насос первого подъема – для
подачи основного конденсата из ГК на КЭН-II
КЭН-II конденсатный насос второго подъема – для
подачи основного конденсата на деаэрационную
установку

7.

БОУ - блочная обессоливающая установка –для
удаления солей из основного конденсата
ОПУ (для б/х)- охладитель пара уплотнений. Пар из
бака-аккумулятора деаэрационной установки идет на
концевые уплотнения турбины. После уплотняюющего воздействия пар еще имеет определенную
теплоту. Чтобы ее не выбрасывать в атмосферу этот
пар отправляется на ОПУ где он отдает оставшееся
свое тепло основному конденсату. (2-3 град Цельсия).
ПНД-подогреватели низкого давления, 4 шт – для
подогрева основного конденсата

8.

Д-7 (деарационная установка) 2 шт – для удаления
агрессивно-активных газов (кислорода и углекислого
газа)
ПТА (питательный турбоагрегат), 2 шт –для подачи
питательной воды на парогенераторы
ПВД (подогреватели высокого давления), 2 шт – для
подогрева питательной воды.
Вода II контура на всем пути от главного конденсатора до парогенератора подогревается и входит в ПГ с
температурой, приблизительно, 224 град. Цельсия.
Таким образом исключается разрушение трубной
системы ПГ и экономится ядерное топливо.

9.

Расшифровка аббревиатуры
ВВЭР-1000:
-водо-водяной энергетический реактор с электрической
мощностью 1000 МВт;
ПТУ К-1000-60/1500 (т/х):
-ПТУ: паротурбинная установка;
-К: конденсационная;
-1000: электрическая мощность турбины 1000 МВт;
-60: давление пара перед ЦВД (кгс/см.кв);
-1500: частота вращения турбины и электрического
генератора (об/мин);
-т\х: тихоходная.

10.

ПТУ К-1000-60/3000 (б/х):
-ПТУ: паротурбинная установка;
-К: конденсационная;
-1000: электрическая мощность турбины 1000 МВт;
-60: давление пара перед ЦВД (кгс/см.кв);
-3000: частота вращения турбины и электрического
генератора (об/мин);
-б\х: быстроходная.
Трасса от ГК до Д-7 называется система основного конденсата
(ОК)
Трасса от Д-7 до ПГ называется система питательной воды (ПВ)
Трасса от ГК до ПГ – называется конденсатно-питательная система (КПС).

11.

12.

13.

14.

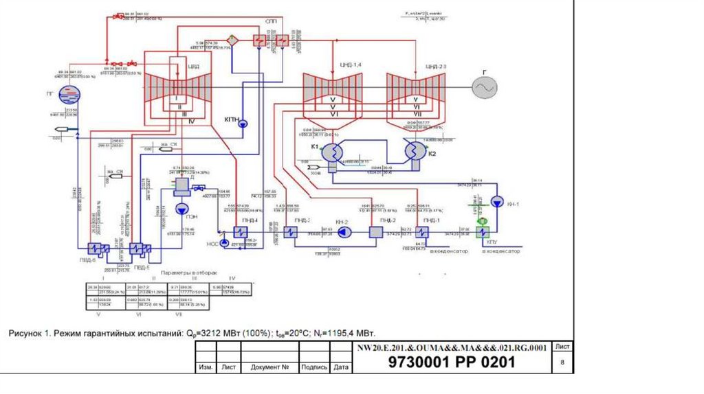
Принципиальная тепловая схема АЭС с ВВЭР1200 и ПТУ К 1200 – 68/3000

15.

16.

17.

ПТУ К-500-65/3000
English     Русский Rules