Контроллер мягкого запуска для электродвигателей на базе интегральной схемы TLC555CP
Цель дипломного проекта:
Актуальность дипломного проекта:
Аналоги разрабатываемого устройства
Принцип работы разрабатываемого устройства
Микроконтроллер TLC555CP
Корпус проектируемого изделия
Результаты расчёта теплового режима
Результаты расчета надежности
Результаты расчёта электромагнитной совместимости
Заключение
СПАСИБО ЗА ВНИМАНИЕ!
16.74M
Category: electronicselectronics

Контроллер мягкого запуска для электродвигателей на базе интегральной схемы TLC555CP

1. Контроллер мягкого запуска для электродвигателей на базе интегральной схемы TLC555CP

КОНТРОЛЛЕР МЯГКОГО ЗАПУСКА
ДЛЯ ЭЛЕКТРОДВИГАТЕЛЕЙ НА БАЗЕ
ИНТЕГРАЛЬНОЙ СХЕМЫ TLC555CP
Выполнил студент группы 112601
МИХАЙЛОВ Никита Александрович
Научный руководитель – магистр, ассистент кафедры пикс
Ящук Вероника Антоновна

2. Цель дипломного проекта:

ЦЕЛЬ ДИПЛОМНОГО ПРОЕКТА:
Разработка проекта конструкции контроллера
мягкого запуска для электродвигателей на базе
интегральной схемы TLC555CP.

3. Актуальность дипломного проекта:

АКТУАЛЬНОСТЬ ДИПЛОМНОГО ПРОЕКТА:
• Программируемость и более точная настройка
• Расширенная функциональность
• Компактность и масштабируемость

4. Аналоги разрабатываемого устройства

АНАЛОГИ РАЗРАБАТЫВАЕМОГО УСТРОЙСТВА
Schneider (ATS01)
Siemens
3RW30
ПМЛ-4100

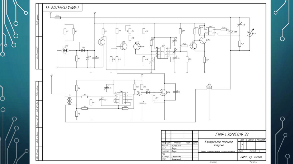
5. Принцип работы разрабатываемого устройства

ПРИНЦИП РАБОТЫ РАЗРАБАТЫВАЕМОГО УСТРОЙСТВА
Входное питание поступает в блок питания, который обеспечивает все остальные элементы схемы
необходимым напряжением. Далее питание направляется в узел стабилизации и регулировки, который
задаёт параметры работы генератора импульсов. Этот генератор, построенный на основе микросхемы
TLC555CP, формирует последовательность управляющих импульсов, длительность которых со
временем увеличивается. Благодаря этому нарастающему импульсному сигналу обеспечивается плавное
нарастание мощности, подаваемой на нагрузку.
Сформированные импульсы поступают на управляющий усилитель, усиливающий сигнал до
необходимого уровня для управления силовым ключом. Последний представляет собой элемент
коммутации, который непосредственно управляет подачей напряжения на выходную нагрузку. Таким
образом, именно через силовой ключ реализуется плавный запуск нагрузки.
Дополнительно в схеме предусмотрен модуль индикации, включающий световой индикатор. Он
сигнализирует о текущем состоянии работы устройства и может использоваться, например, для
отображения факта подачи питания или завершения фазы запуска. Благодаря разделению на
функциональные модули – модуль питания, модуль управления нагрузкой и модуль индикации – схема
отличается удобством отладки и высокой надёжностью.

6.

7. Микроконтроллер TLC555CP

МИКРОКОНТРОЛЛЕР TLC555CP
TLC555CP — таймер от Texas Instruments. Способен
работать в различных режимах, используется для
генерации временных задержек, импульсов и ШИМсигналов. Обладает низким энергопотреблением и
высокой стабильностью, выпускается в DIP-8 корпусе,
удобен для применения в аналоговых схемах
управления и автоматики.

8. Корпус проектируемого изделия

КОРПУС ПРОЕКТИРУЕМОГО ИЗДЕЛИЯ
Корпус имеет компактную прямоугольную форму с
закруглёнными углами, что повышает прочность конструкции и
устойчивость к механическим воздействиям.
Корпус состоит из двух основных частей — крышки и
основания, соединённых при помощи четырёх винтов,
расположенных по углам. Это обеспечивает надёжную фиксацию
и простоту сборки/разборки устройства. На верхней панели
корпуса также предусмотрено технологическое отверстие под
индикатор.
На передней стороне корпуса имеется прорезь. Поверхности
корпуса гладкие, с возможностью нанесения маркировки или
логотипа.
Материал ABS-пластик выбран за счёт своих эксплуатационных характеристик: он устойчив к ударам,
термически стабилен, хорошо обрабатывается и подходит для 3D-печати или литья под давлением. Это делает
корпус надёжной защитой для электронной схемы внутри, особенно в условиях эксплуатации в бытовых или
производственных средах.

9. Результаты расчёта теплового режима

РЕЗУЛЬТАТЫ РАСЧЁТА ТЕПЛОВОГО РЕЖИМА
Параметр
Формула
Результат, К
Температура корпуса блока
English     Русский Rules