Федеральное государственное бюджетное образовательное учреждение высшего образования «Чувашский государственный университет
2.49M
Category: industryindustry

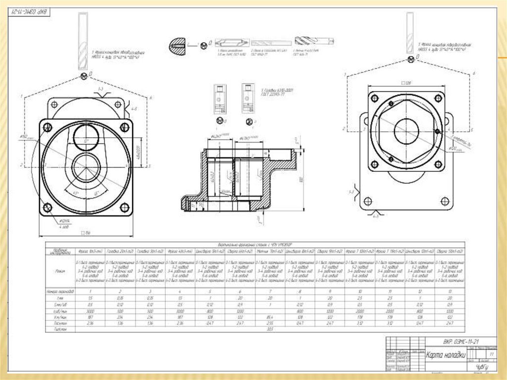
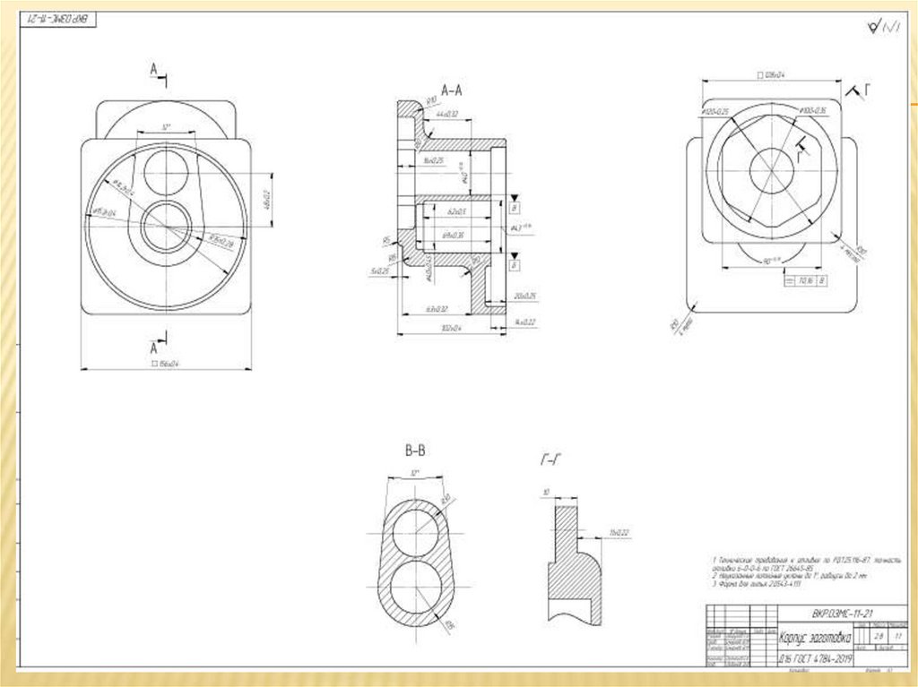
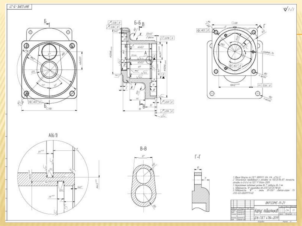
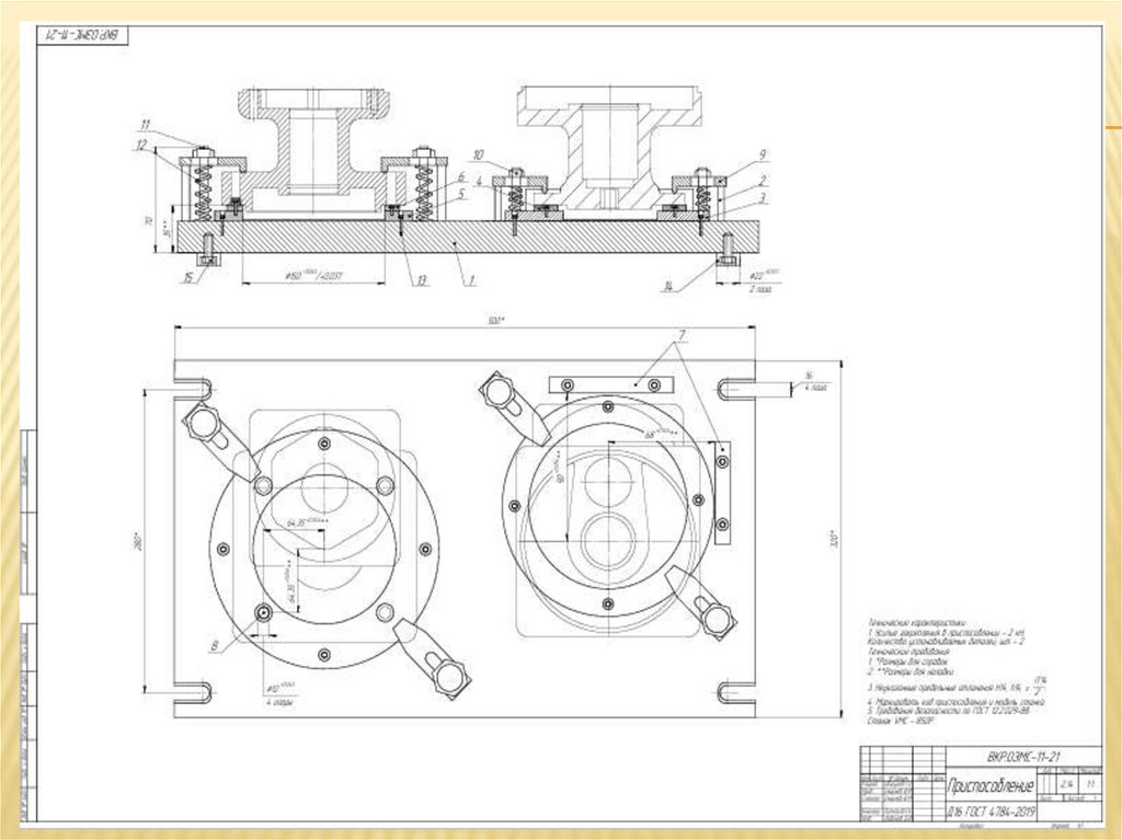
Разработка технологического процесса изготовления детали «Корпус подшипников»

1. Федеральное государственное бюджетное образовательное учреждение высшего образования «Чувашский государственный университет

ФЕДЕРАЛЬНОЕ ГОСУДАРСТВЕННОЕ БЮДЖЕТНОЕ ОБРАЗОВАТЕЛЬНОЕ УЧРЕЖДЕНИЕ ВЫСШЕГО
ОБРАЗОВАНИЯ «ЧУВАШСКИЙ ГОСУДАРСТВЕННЫЙ УНИВЕРСИТЕТ ИМЕНИ И.Н. УЛЬЯНОВА»
МАШИНОСТРОИТЕЛЬНОЙ ФАКУЛЬТЕТ
КАФЕДРА «ТЕХНОЛОГИЯ МАШИНОСТРОЕНИЯ»
Выпускная
квалификационная
работа на тему
Разработка
технологического
процесса изготовления
детали «Корпус
подшипников»
Разработал студент
группы ОЗСМ 11-21
Сабируллов Р.Д
Руководитель к. ф. –м. н.,
Смирнов В.М.

2.

3.

4.

5.

6.

7.

8.

9.

10.

11.

12.

Спасибо за внимание
English     Русский Rules