4.57M
Category: industryindustry
Similar presentations:

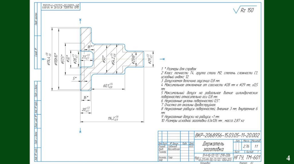
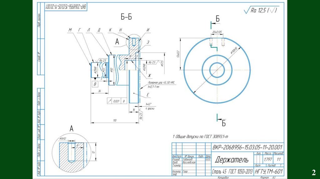
«Держатель» с подробной разработкой операции термоупрочнения. Выпускная квалификационная работа

1.

Министерство науки и высшего образования Российской Федерации
Федеральное государственное бюджетное образовательное учреждение
высшего образования
«Новосибирский государственный технический университет»
Кафедра технологии машиностроения
Технологический процесс обработки детали
«Держатель» с подробной разработкой операции
термоупрочнения
Выпускная
квалификационная
работа
Выполнил:
студент группы ТМ – 601
Табакаев Евгений Михайлович
Руководитель ВКР:
ст. преподаватель кафедры ТМС
Василевская Светлана Игоревна
Новосибирский
государственный
технический
Университет НЭТИ
nstu.ru
Новосибирск 2020

2.

2

3.

В технологическом разделе требуется:
- провести анализ чертежа детали и её технологичности;
- выбрать оптимальный метод получения заготовки;
- составить маршрут обработки;
- рассчитать межоперационные припуски;
- осуществить подбор металлорежущего оборудования и оснастки;
- подобрать режущий и измерительный инструмент;
- рассчитать режимы и нормы времени обработки;
- улучшить технологический процесс, используя прогрессивные методы обработки.
Во втором разделе «Альтернативные методы обработки детали» требуется:
- рассмотреть существующие методы финишной обработки для формирования наружной цилиндрической
поверхности Ø25h8;
- провести анализ каждого метода и сделать выбор наиболее оптимального метода.
В теоретико-экспериментальном разделе требуется:
- рассмотреть несколько методов поверхностного упрочнения;
- провести сравнительный анализ и выбор наиболее подходящего метода упрочнения;
- определить режимы обработки при выбранном методе упрочнения;
- подобрать оборудование, обеспечивающее полученные режимы обработки.
В конструкторском разделе необходимо:
- составить схему установки детали в приспособлении;
- подобрать инструментальную оснастку;
- определить усилия зажима;
- описать работу приспособления;
- рассчитать параметры силового привода;
- рассчитать точность приспособления;
- проверить слабый элемент приспособления на прочность;
- оформить чертежи приспособления.
3

4.

4

5.

5

6.

6

7.

7

8.

8

9.

Министерство науки и высшего образования Российской Федерации
Федеральное государственное бюджетное образовательное учреждение
высшего образования
«Новосибирский государственный технический университет»
Кафедра технологии машиностроения
Технологический процесс обработки детали
«Держатель» с подробной разработкой операции
термоупрочнения
Выпускная
квалификационная
работа
Выполнил:
студент группы ТМ – 601
Табакаев Евгений Михайлович
Руководитель ВКР:
ст. преподаватель кафедры ТМС
Василевская Светлана Игоревна
Новосибирский
государственный
технический
Университет НЭТИ
nstu.ru
Новосибирск 2020
English     Русский Rules