Лекция №11 Детальная разбивка зданий и сооружений
1. Сущность детальной разбивки
Разбивка промежуточных (вспомогательных) осей внутри здания, а также геодезический контроль за установкой элементов
2. Обноска
Для удобства линейных измерений при детальной разбивке, а также для закрепления осей здания, вокруг этого здания строят
При сплошной обноске по периметру здания примерно через 2-4 метра вкапывают столбы, на которые под одну отметку прибивают
При откладывании расстояний т. N проектируется на т. N′ с помощью теодолита или ЭТ. Разреженная обноска строится аналогично
Каждая обноска должна удовлетворять следующим требованиям: а) стороны обноски должны быть параллельны продольным и поперечным
3. Вынесение осей сооружения на обноску. Закрепление осей
После построения обноски на неё выносят разбивочные оси. Сначала выносят основные оси, а затем промежуточные. После нанесения
4. Геодезическое обеспечение разработки котлованов
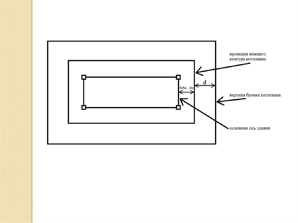
От основных осей здания, закреплённых для сохранности на обноске, на местность выносят проекцию нижнего контура котлована и
Расстояние от основных осей до проекции нижнего контура котлована должно быть указано на разбивочном чертеже (обычно 0,5м –
 
5. Передача осей и отметки на дно котлована
Перенос осей на дно котлована выполняется с помощью отвеса и с помощью теодолита или ЭТ.
а) с помощью отвеса Между гвоздями, закрепляющими оси, натягивается тонкая монтажная проволока. С помощью отвеса пересечения
б) с помощью теодолита или ЭТ Теодолит или ЭТ устанавливают над точкой закрепления основной оси А. Визируют на противоположную
В практике строительства приходится передавать отметки вниз на дно глубокого котлована.
Для передачи отметки, кроме реек и нивелиров, применяют стальную рулетку. Наблюдения ведут одновременно двумя нивелирами, один
Над котлованом устанавливают кронштейн, к которому подвешивают рулетку с грузом. Взяв отсчёт a1 по рейке, установленной на
Отметка точки B определяется по формуле Нв = НА + а1 – (b1 – а2) – b2
6. Геодезические работы при возведении фундаментов
Одной из наиболее ответственных операций строительства является возведение фундаментов. От их качества будет зависеть
По конструктивным типам фундаменты делятся на - ленточные - столбчатые - сплошные - свайные
По способу изготовления делятся на - монолитные - сборные
Ленточные фундаменты устраивают под стены зданий или под ряд колонн. Столбчатые фундаменты чаще всего имеют вид отдельных опор
На дно котлована с помощью отвесов с обноски сносятся оси фундаментов. От осей фундаментов определяют положение внутренней и
7. Исходный и монтажный горизонты
За исходный горизонт принимают плоскость, проходящую через блоки фундаментов или перекрытие нулевого цикла. За монтажный
Для проведения геодезических работ при возведении строительных конструкций надземной части зданий необходимо иметь на этих
Сначала точки разбивочной сети выносятся на исходный горизонт либо полярным способом, либо способом прямоугольных координат.
8. Перенесение разбивочной сети на монтажные горизонты способами наклонного и вертикального проектирования
а) способ наклонного проектирования
Он заключается в построении вертикальной плоскости теодолитом. Сначала разбивочные оси выносят на цоколь здания, отмечая их
б) способ вертикального проектирования
Этот способ выполняется приборами вертикального визирования. На монтажных горизонтах предусматриваются отверстия размером не
671.35K
Category: ConstructionConstruction

Детальная разбивка зданий и сооружений. Лекция №11

1. Лекция №11 Детальная разбивка зданий и сооружений

2. 1. Сущность детальной разбивки

3. Разбивка промежуточных (вспомогательных) осей внутри здания, а также геодезический контроль за установкой элементов

строительных
конструкций в проектное положение
являются детальной разбивкой. Она
выполняется после вынесения на
местность главных и основных осей
зданий.

4. 2. Обноска

5. Для удобства линейных измерений при детальной разбивке, а также для закрепления осей здания, вокруг этого здания строят

обноску. Сначала её
проектируют параллельно основным осям так,
чтобы потом при рытье котлована под фундамент
она не попала в зону земляных работ.
Расстояние от края котлована до обноски должно
быть не менее 3-4 метров.
Обноска бывает сплошная, разреженная и
створная.

6. При сплошной обноске по периметру здания примерно через 2-4 метра вкапывают столбы, на которые под одну отметку прибивают

строганые
доски, толщиной 40-50 мм. Отметку
верхней грани доски назначают с
таким расчётом, чтобы по ней было
удобно проводить линейные
измерения, то есть высота обноски
должна быть около 0,5-1,2 метра.

7. При откладывании расстояний т. N проектируется на т. N′ с помощью теодолита или ЭТ. Разреженная обноска строится аналогично

сплошной, но только в местах расположения
осей.
Створная обноска состоит из отдельно
стоящих столбов, каждая пара которых
закрепляет какую-либо ось. Срезы столбов
должны быть на одной высоте.

8.

9.

10. Каждая обноска должна удовлетворять следующим требованиям: а) стороны обноски должны быть параллельны продольным и поперечным

осям здания;
б) обноска должна быть прямолинейной;
в) обноска должна быть горизонтальной,
чтобы не вводить поправки за наклон.

11. 3. Вынесение осей сооружения на обноску. Закрепление осей

12.

13. После построения обноски на неё выносят разбивочные оси. Сначала выносят основные оси, а затем промежуточные. После нанесения

всех промежуточных осей на
обноску измеряют для контроля расстояние от
последней промежуточной оси, например, 7-7 до
основной оси 8-8, вынесенной теодолитом или ЭТ.
Если всё сходится [допуск: 3 мм], то выполняют
закрепление осей, то есть забивают гвозди в
обноску, маркируют яркой краской и подписывают
название осей.

14. 4. Геодезическое обеспечение разработки котлованов

15. От основных осей здания, закреплённых для сохранности на обноске, на местность выносят проекцию нижнего контура котлована и

линию
верхней бровки котлована.

16.

17. Расстояние от основных осей до проекции нижнего контура котлована должно быть указано на разбивочном чертеже (обычно 0,5м –

2м).
Расстояние d от проекции нижнего контура
котлована до бровки котлована вычисляется в
зависимости от глубины котлована h и
коэффициента откоса k.
Коэффициент откоса k – это отношение высоты
откоса (глубины котлована) h к заложению d.

18.  

[ k от 0,25 – 2 ]
Линия верхней бровки котлована
закрепляется кольями, между которыми
натягивается шнур для обозначения
границы вскрытия.

19. 5. Передача осей и отметки на дно котлована

20. Перенос осей на дно котлована выполняется с помощью отвеса и с помощью теодолита или ЭТ.

21. а) с помощью отвеса Между гвоздями, закрепляющими оси, натягивается тонкая монтажная проволока. С помощью отвеса пересечения

соответствующих осей сносятся на
дно котлована и закрепляются
кольями.

22. б) с помощью теодолита или ЭТ Теодолит или ЭТ устанавливают над точкой закрепления основной оси А. Визируют на противоположную

точку
этой оси D и, наклонив трубу,
закрепляют створ в котловане двумя
точками В и С. Визирование выполняют
при КЛ и КП.

23.

24. В практике строительства приходится передавать отметки вниз на дно глубокого котлована.

25.

26. Для передачи отметки, кроме реек и нивелиров, применяют стальную рулетку. Наблюдения ведут одновременно двумя нивелирами, один

из которых установлен на
исходной поверхности, а другой на
дне котлована.

27. Над котлованом устанавливают кронштейн, к которому подвешивают рулетку с грузом. Взяв отсчёт a1 по рейке, установленной на

репера A,
поворачивают трубу по направлению к
подвешенной рулетке и берут отсчёт b1.
Далее на дне котлована берут отсчёт a2
по рулетке и отсчёт b2 по рейке.

28. Отметка точки B определяется по формуле Нв = НА + а1 – (b1 – а2) – b2

29. 6. Геодезические работы при возведении фундаментов

30. Одной из наиболее ответственных операций строительства является возведение фундаментов. От их качества будет зависеть

устойчивость здания в процессе
эксплуатации.

31. По конструктивным типам фундаменты делятся на - ленточные - столбчатые - сплошные - свайные

32. По способу изготовления делятся на - монолитные - сборные

33. Ленточные фундаменты устраивают под стены зданий или под ряд колонн. Столбчатые фундаменты чаще всего имеют вид отдельных опор

под железобетонные или стальные
колонны.
Сплошной фундамент представляет собой
железобетонную плиту под всей площадью здания.
Свайные фундаменты состоят из забиваемых в
землю свай, по верху которых укладывается
железобетонная плита (ростверк).

34. На дно котлована с помощью отвесов с обноски сносятся оси фундаментов. От осей фундаментов определяют положение внутренней и

внешней граней этих
фундаментов. После проверки при помощи нивелира
отметок подготовленного дна котлована по оси
фундаментов приступают к их возведению,
предварительно соорудив опалубку (если фундаменты
возводят не из готовых блоков, а из бетона). В процессе
возведения фундаментов и по его завершению проверяют
отметки их верхних граней. Если отметка соответствует
проектной (допуск: 10 мм), то приступают к возведению
стен подвала.

35. 7. Исходный и монтажный горизонты

36. За исходный горизонт принимают плоскость, проходящую через блоки фундаментов или перекрытие нулевого цикла. За монтажный

горизонт принимают
плоскость, проходящую через
опорные площадки монтируемых
элементов определённого этажа.

37. Для проведения геодезических работ при возведении строительных конструкций надземной части зданий необходимо иметь на этих

горизонтах геодезическую
разбивочную сеть, стороны которой
параллельны основным осям
здания.

38. Сначала точки разбивочной сети выносятся на исходный горизонт либо полярным способом, либо способом прямоугольных координат.

Затем через эти точки
прокладывают нивелирный ход.
Способом передачи отметок на высокую
часть сооружения отметки точек с исходного
горизонта передают на монтажный.

39. 8. Перенесение разбивочной сети на монтажные горизонты способами наклонного и вертикального проектирования

40. а) способ наклонного проектирования

41. Он заключается в построении вертикальной плоскости теодолитом. Сначала разбивочные оси выносят на цоколь здания, отмечая их

рисками (1).
После наведения трубы на риску (1), её поднимают,
чтобы навести на визирную марку (3). Визирную
марку (3) перемещают либо влево, либо вправо, так,
чтобы штрих этой марки попал на перекрестие сетки
нитей. С помощью отвеса положение визирной
марки проектируют на плоскость монтажного
горизонта. То же самое делают при другом круге. Из
полученных проекций находят среднее положение,
которое фиксируют.

42. б) способ вертикального проектирования

43. Этот способ выполняется приборами вертикального визирования. На монтажных горизонтах предусматриваются отверстия размером не

менее 15см x 15см, над которыми
параллельно осям разбивочной сети крепится
палетка (пластинка из органического стекла с
координатной сеткой). Отсчёты по координатной
сетке берутся через 90° (0° - 90° - 180° - 270°).
Средние значения из отсчётов при 0° и 180° и
средние значения при 90° и 270° дают положение
проектируемой точки, которую фиксируют на
палетке.
English     Русский Rules