Геодезические работы в строительстве
Вопросы
ОСНОВНЫЕ ЗАДАЧИ ГЕОДЕЗИЧЕСКОГО ОБЕСПЕЧЕНИЯ СТРОИТЕЛЬСТВА
Состав и содержание геодезических работ на нулевом цикле
СХЕМА РАСПОЛОЖЕНИЯ ОСНОВНЫХ ОСЕЙ
Створы осей сооружений закрепляют постоянными и временными знаками
Исполнительный чертеж разбивки основных осей
Высотное обеспечение строительно-монтажных работ
Знаки закрепления высотной разбивочной сети
1. РАЗБИВОЧНЫЕ работы В ПОДЗЕМНОЙ ЧАСТИ
ОБНОСКА - временное сооружение, служащее для закрепления в натуре разбивочных осей.
Инвентарные металлические обноски состоят из двухметровых стоек и металлических труб, которые рассчитаны на многократное
Требования к обноске:
СПОСОБ НАКЛОННОГО ПРОЕКТИРОВАНИЯ
Схема перенесения осей здания на обноску
Закрепление осей на обноске
Наблюдения и контроль за устройством котлована
Контроль за отрывкой котлована методом геометрического нивелирования
Контроль за отрывкой котлована методом тригонометрического нивелирования
Контроль за отрывкой котлована при помощи визирки
Контроль основания для фундамента после зачистки
Исполнительная схема планово-высотной съемки котлована
Передача осей в котлован наклонным проектированием
Передача осей в котлован вертикальным проектированием
Передача высот в котлован
Передача высот в котлован
Свайное поле
Разбивка мест погружения свай при однорядном расположении
Кустовое размещение свай
Схема разбивки ленточных сборных фундаментов
Опалубка под монолитный ленточный фундамент
2. РАЗБИВОЧНЫЕ РАБОТЫ ПРИ СТРОИТЕЛЬСТВЕ надземной части зданий и сооружений
Состав и содержание геодезических работ при строительстве надземной части здания
Построение разбивочной сети на исходном и монтажном горизонтах
Схема построения разбивочной основы
Схема переноса базисных фигур с исходного на монтажный горизонт
Схема перенесения осей теодолитом способом наклонного проектирования
Способы перенесения осей на монтажные горизонты
Способы вертикального проектирования
Недостатки способа
Способы перенесения осей на монтажные горизонты
прибор вертикального проектирования DZJ-3
Точность вертикального проектирования
Передача высот на монтажные горизонты
Передача отметки электронным тахеометром
Детальные разбивочные работы
Детальные разбивочные работы
Применение лазерных приборов для разбивки осей
Метод бокового нивелирования
2. ВОССТАНОВЛЕНИЕ ОСЕЙ
СПОСОБЫ ВОССТАНОВЛЕНИЯ ОСЕЙ
СПОСОБЫ ВОССТАНОВЛЕНИЯ ОСЕЙ
СПОСОБЫ ВОССТАНОВЛЕНИЯ ОСЕЙ
СПОСОБЫ ВОССТАНОВЛЕНИЯ ОСЕЙ ДЛЯ ВЫНОСА НА МОНТАЖНЫЙ ГОРИЗОНТ
СПОСОБЫ ВОССТАНОВЛЕНИЯ ОСЕЙ
СПОСОБЫ ВОССТАНОВЛЕНИЯ ОСЕЙ ДЛЯ ВЫНОСА НА МОНТАЖНЫЙ ГОРИЗОНТ
26.08M
Category: ConstructionConstruction

Геодезические работы в строительстве

1. Геодезические работы в строительстве

Лекция 3. Разбивочные
работы на этапах
строительства

2. Вопросы

1. Разбивочные работы в подземной части зданий и
сооружений.
2. Разбивочные работы в надземной части зданий и
сооружений.
3. Восстановление осей.
2
сост. Черкас Л.А. УО ГрГУ имения Я. Купалы

3. ОСНОВНЫЕ ЗАДАЧИ ГЕОДЕЗИЧЕСКОГО ОБЕСПЕЧЕНИЯ СТРОИТЕЛЬСТВА

ПРОЕКТИРОВАНИЕ
И ПОДГОТОВКА
СТРОИТЕЛЬСТВА
Инженерно-геодезические
изыскания; обеспечение
других видов инженерных
изысканий
Геодезические расчеты при
разработке проектной
документации
геодезическая подготовка
проекта для выноса его на
местность;
горизонтальная и
вертикальная планировка;
подсчеты площадей и
объемов земляных работ.
ПРОЦЕСС
СТРОИТЕЛЬСТВА
Разбивочные работы
создание на местности
геодезической
разбивочной основы;
вынос в натуру основных
осей сооружений;
детальные разбивки.
Геодезическое
сопровождение монтажа
конструкций и
технологического
оборудования.
КОНТРОЛЬ СТРОИТЕЛЬСТВА И
ОБЕСПЕЧЕНИЕ НАДЕЖНОЙ
ЭКСПЛУАТАЦИИ ОБЪЕКТОВ
Исполнительные съемки частей
зданий и сооружений, а также
сооружения в целом
Наблюдения за деформациями
сооружений и их оснований
3

4.

4

5. Состав и содержание геодезических работ на нулевом цикле

Под работами нулевого цикла будем понимать
работы в подземной части возводимого здания
или сооружения, т.е. работы до уровня земли.
В состав геодезических работ в подземной
части входят:
перенос и закрепление дополнительных осей
строящегося объекта;
наблюдения и контроль за устройством котлована;
вынос и контроль монтажа фундаментов, стен
подвала и перекрытия над ним;
контроль монтажа оборудования в подвальной части
(котлов, насосов и т.п.).
5

6. СХЕМА РАСПОЛОЖЕНИЯ ОСНОВНЫХ ОСЕЙ

6

7.

ФРАГМЕНТ СХЕМЫ РАЗБИВКИ ОСНОВНЫХ ОСЕЙ ЗДАНИЯ с ТОЧЕК
ПОЛИГОНОМЕТРИЧЕСКИХ ИЛИ ТЕОДОЛИТНЫХ ХОДОВ
7

8. Створы осей сооружений закрепляют постоянными и временными знаками

8

9. Исполнительный чертеж разбивки основных осей

9

10.

10

11. Высотное обеспечение строительно-монтажных работ

Высотное обеспечение строительномонтажных работ
11

12. Знаки закрепления высотной разбивочной сети

а - стенной peпеp в виде угольника
б - металлическая плашка
в - монтажная петля
г - откраска на панели
12

13. 1. РАЗБИВОЧНЫЕ работы В ПОДЗЕМНОЙ ЧАСТИ

1. РАЗБИВОЧНЫЕ РАБОТЫ В
ПОДЗЕМНОЙ ЧАСТИ
сост. Черкас Л.А. УО ГрГУ имения Я. Купалы
13

14.

Детальные разбивочные работы
Детальные разбивочные работы заключаются в построении на местности
от главных и основных осей всех геометрических элементов проекта:
- горизонтальных, вертикальных и наклонных линий;
- горизонтальных и дирекционных углов;
- точек и горизонтов с проектными высотами,
Определяющих положение сооружения и отдельных его частей в плане и
по высоте с необходимой точностью.
Детальные разбивочные работы выполняются по рабочим чертежам в
соответствии со стадиями строительно-монтажных работ:
- разбивка котлована и траншей под фундаменты;
- монтаж фундаментов и подвальной части сооружений;
- прокладка сетей инженерных коммуникаций;
- возведение надземной части сооружения;
- монтаж строительных конструкций и оборудования.
14

15.

Для закрепления осей и передачи их в котлован и на
фундаменты, для детальной разбивки зданий и
сооружений, по периметру здания или сооружения
устраивают обноску
15

16. ОБНОСКА - временное сооружение, служащее для закрепления в натуре разбивочных осей.

Сплошная
Скамеечная
(разреженная)
Створная
16

17.

Сплошная обноска представляет собой ряд вкопанных в землю
столбов с шагом 2 - 3 м с прибитой к ним обрезной доской
толщиной 40-50 мм.
17

18.

Скамеечная обноска состоит из двух столбов и доски,
расположенных перпендикулярно линии основных осей.
18

19.

Створная обноска устанавливается лишь в местах закрепления осей
на произвольном расстоянии от контура здания.
Створная (столбчатая) обноска состоит только из отдельных столбов,
каждая пара которых закрепляет одну из осей.
19

20. Инвентарные металлические обноски состоят из двухметровых стоек и металлических труб, которые рассчитаны на многократное

использование.
20

21. Требования к обноске:

Обноску строят на расстоянии 3 - 5 м от котлована. Столбы
обноски закапывают на глубину 1 м, а доски прибивают на
одном уровне высотой 0,4-1,2 м, чтобы по их верхним граням
удобной было откладывать проектные расстояния.
Требования к обноске:
стороны обноски должны быть параллельны
продольным и поперечным осям сооружения;
обноска должна быть прямолинейной, чтобы
при откладывании проектных расстояний по
обноске мерный прибор укладывался строго в
створ линии;
обноска должна быть горизонтальной, чтобы
не вводить поправки за наклон в размеры
откладываемых проектных расстояний.
21

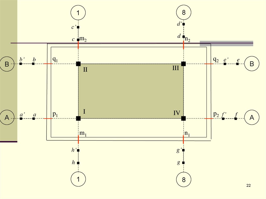
22.

8
1
d’
c’
c m2
B
A
b’
а’
b
а
d n
2
q1
q2 e’
p1
II
III
I
IV
m1
f
B
A
n1
h’
g’
h
g
1
p2 f’
e
8
22

23. СПОСОБ НАКЛОННОГО ПРОЕКТИРОВАНИЯ

1. Теодолит устанавливают над точкой створа.
2. Зрительную трубу наводят на вторую створную
3.
4.
5.
6.
7.
точку.
Примерно в створе на обноске устанавливают
гвоздь.
Поднимают зрительную трубу теодолита до верха
обноски, закрепляют и перемещают гвоздь до тех
пор, пока он не попадет в биссектор сетки нитей.
Проекцию центра фиксируют на обноске риской.
То же самое выполняют при другом положении
вертикального круга.
Середину расстояния между рисками принимают
за искомую точку и закрепляют.
23

24. Схема перенесения осей здания на обноску

24

25. Закрепление осей на обноске

Вынесенные на обноску оси подписывают и закрепляют гвоздем или
окраской на обноске, а также штырем в земле под обноской, который
выносят в створ оси по теодолиту.
25

26.

Перенос и закрепление дополнительных осей строящегося объекта
8
1
c’
2
3
7
d n
2
c m2
B
b’
b
d’
q1
q2 e’
III
II
Б
A
B
e
Б
а’
а
I
p1
IV
m1
p2 f’
A
f
n1
g’
h’
h
2
1
3
7
g
8
26

27. Наблюдения и контроль за устройством котлована

При устройстве котлованов выполняются
следующие геодезические работы:
разбивка и закрепление в натуре контуров
котлована;
предварительное нивелирование дневной
поверхности в пределах контура котлована;
разбивка контуров котлована;
контроль за отрывкой котлована;
передача разбивочных осей и высот в котлован;
исполнительные съемки открытого котлована.
27

28.

28

29.

29

30.

30

31. Контроль за отрывкой котлована методом геометрического нивелирования

31

32. Контроль за отрывкой котлована методом тригонометрического нивелирования

32

33. Контроль за отрывкой котлована при помощи визирки

33

34. Контроль основания для фундамента после зачистки

34

35.

35

36. Исполнительная схема планово-высотной съемки котлована

Исполнительная схема планововысотной съемки котлована
+0,06 (–0,02) — отклонение фактической
отметки от проектной;
–4,40
— проектная глубина
119,43
— проектная отметка дна
котлована;
5,10
— расстояние от оси здания до
верхней бровки котлована (в числителе —
фактическое,
5,00
в знаменателе — проектное)
36

37. Передача осей в котлован наклонным проектированием

37

38. Передача осей в котлован вертикальным проектированием

38

39. Передача высот в котлован

39

40. Передача высот в котлован

НВ = НА + а1 – (b1 – а2) – b2
b1
а1
А
b2
a2
НА
В
НВ
40

41. Свайное поле

41

42. Разбивка мест погружения свай при однорядном расположении

42

43. Кустовое размещение свай

43

44. Схема разбивки ленточных сборных фундаментов

44

45. Опалубка под монолитный ленточный фундамент

45

46.

46

47.

47

48. 2. РАЗБИВОЧНЫЕ РАБОТЫ ПРИ СТРОИТЕЛЬСТВЕ надземной части зданий и сооружений

2. РАЗБИВОЧНЫЕ РАБОТЫ ПРИ
СТРОИТЕЛЬСТВЕ НАДЗЕМНОЙ
ЧАСТИ ЗДАНИЙ И СООРУЖЕНИЙ
сост. Черкас Л.А. УО ГрГУ имения Я. Купалы
48

49. Состав и содержание геодезических работ при строительстве надземной части здания

Построение разбивочной сети на исходном
и монтажном горизонтах.
Перенесения осей на монтажные
горизонты.
Детальные разбивочные работы.
Геодезическое сопровождение монтажа
(возведения) зданий
49

50. Построение разбивочной сети на исходном и монтажном горизонтах

Исходным горизонтом называют
условную плоскость, проходящую по
поверхности несущих конструкций
подземной части зданий (фундаментов)
или перекрытия нулевого цикла.
Монтажным горизонтом здания называют
условную плоскость, проходящую по
поверхности перекрытия каждого
последующего этажа или опорного яруса
надземной части здания.
50

51. Схема построения разбивочной основы

1 - внутренняя разбивочная основа; 2 - внешняя разбивочная основа;
3 - опорная геодезическая основа
51

52. Схема переноса базисных фигур с исходного на монтажный горизонт

β 1'
γ'
β2'
l 1'
β1
'
β3' β4
γ
β2
l1
l2'
β3
β4
l2
52

53. Схема перенесения осей теодолитом способом наклонного проектирования

53

54. Способы перенесения осей на монтажные горизонты

Способ определения положения оси
путем последовательного отложения углов 180°
54

55. Способы вертикального проектирования

55

56. Недостатки способа

Низкая точность;
Необходимость размещать створные знаки
на расстоянии, равном высоте здания
56

57. Способы перенесения осей на монтажные горизонты

марка
марка
Лазер вверх
метки для
засечек
Х
Лазер вниз
Х
Х
Контрольная точка на исходном горизонте
Способ вертикального проектирования
Х
57

58. прибор вертикального проектирования DZJ-3

Технические характеристики:
· Погрешность ЗЕНИТ мм/100м: ± 1,00
· Погрешность НАДИР мм/1,5м: ± 1,5
· Увеличение зрительной трубы: 25
· Дальность визирования: 150 м
· Мин. фокусное расстояние 0,8 м
· Видимость лазерного луча ДЕНЬ: 150 м
· Видимость лазерного луча НОЧЬ: 250 м
· Изображение: Прямое
· Рабочий диапазон температур: -10С° - +40С
58

59. Точность вертикального проектирования

Зависит от погрешности зенит-прибора и принятого
способа проектирования.
2
(mпр ) скв mH2 mвиз
mЦ2 mФ2
2
mH2 mвиз
(mпр ) шаг
(mЦ2 mФ2 ) n
n
n – число поярусных перестановок прибора;
mН – погрешность прибора вертикального проектирования.
59

60.

сост. Черкас Л.А. УО ГрГУ имения Я. Купалы
60

61. Передача высот на монтажные горизонты

61

62. Передача отметки электронным тахеометром

62

63.

Передача отметок на монтажный горизонт с помощью:
а – рулетки; б – лазерной рулетки; в – электронного тахеометра.
Обозначения: 1 - нивелир; 2 – груз; 3 – лазерная рулетка;
4 – электронный тахеометр; 5 – отражатель
HM = HO + a – b + l + c – d
HM = HO + a + |c – b| – d
HM = HO + a – b + l + c – d
63

64. Детальные разбивочные работы

Разметка ориентирных рисок для монтажа панелей:
1 - ориентирная риска для стеновой панели с торца;
2 - ориентирные риски для панели в продольном направлении
64

65. Детальные разбивочные работы

Схема детальной разбивки осей колонн здания
65

66. Применение лазерных приборов для разбивки осей

66

67. Метод бокового нивелирования

67

68. 2. ВОССТАНОВЛЕНИЕ ОСЕЙ

сост. Черкас Л.А. УО ГрГУ имения Я. Купалы
68

69. СПОСОБЫ ВОССТАНОВЛЕНИЯ ОСЕЙ

69

70. СПОСОБЫ ВОССТАНОВЛЕНИЯ ОСЕЙ

2
a О2 1
d
a
3
tg 0,5 ctg 2 ctg 1
Δ
β1
β2
d
a ctg 2 2 ctg 2 1
4 ctg 2 ctg 1
О1
Схема восстановления оси от створного осевого знака
70
2

71. СПОСОБЫ ВОССТАНОВЛЕНИЯ ОСЕЙ

O
Схема восстановления оси от осевой риски на цоколе
71

72. СПОСОБЫ ВОССТАНОВЛЕНИЯ ОСЕЙ ДЛЯ ВЫНОСА НА МОНТАЖНЫЙ ГОРИЗОНТ

Схема выноса оси от осевой риски на цоколе
72

73. СПОСОБЫ ВОССТАНОВЛЕНИЯ ОСЕЙ

О1
Схема восстановления оси от осевой риски на обноске
73

74. СПОСОБЫ ВОССТАНОВЛЕНИЯ ОСЕЙ ДЛЯ ВЫНОСА НА МОНТАЖНЫЙ ГОРИЗОНТ

Схема восстановления оси от осевой риски на обноске
74
English     Русский Rules