Моделирование гидромотора НШ-10-3-Л
Задачи:
Оборудование и ПО
Полученные сканы и созданные модели корпус
Полученные сканы и созданные модели крышка
Полученные сканы и созданные модели зубчатый вал
Полученные сканы и созданные модели зубчатый вал короткий
Полученные сканы и созданные модели прокладка
Полученные сканы и созданные модели гильза
Чертеж корпуса
Чертеж крышки
Чертеж зубчатого вала
Чертеж короткого зубчатого вала
Чертеж прокладки
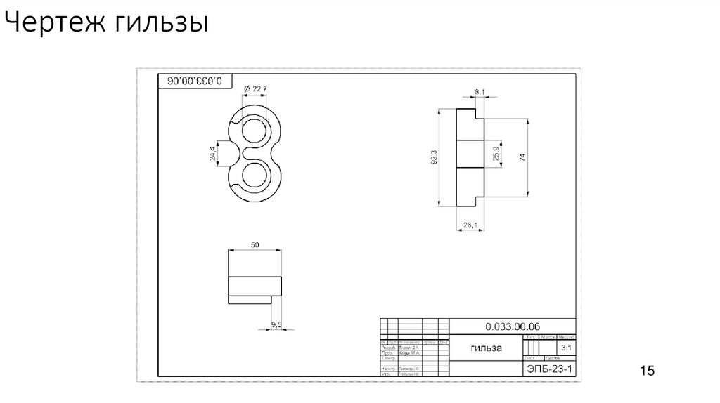
Чертеж гильзы
Заключение
2.04M
Categories: mechanicsmechanics draftingdrafting

Моделирование гидромотора НШ-10-3-Л

1. Моделирование гидромотора НШ-10-3-Л

Подготовили студенты группы ЭПб-23-1
Лебедева А.И., Людвиг Д.А.

2. Задачи:

• Провести сканирование деталей, составляющих
гидромотор НШ-10-3-Л
• Обработать полученные сканы и подготовить к моделированию
• Разработать твердотельные модели на основе 3D-сканов
• Произвести анализ отклонений полученных 3D-моделей
• Разработать чертежи на основе данных 3D-моделей
2

3. Оборудование и ПО

• С целью передачи малых конструктивных
элементов деталей нам был предоставлен
промышленный сканер повышенной
точности.
• В процессе обработки сканов,
моделирования и построения чертежей было
использовано программное обеспечение
Siemens NX 1899
3

4. Полученные сканы и созданные модели корпус

Фасетное тело корпуса,
полученное в результате сканирования
Твердотельная 3D модель корпуса,
Полученная в результате моделирования
4

5. Полученные сканы и созданные модели крышка

Фасетное тело крышки,
полученное в результате сканирования
Твердотельная 3D модель крышки,
полученная в результате моделирования
5

6. Полученные сканы и созданные модели зубчатый вал

Фасетное тело зубчатого вала,
полученное в результате сканирования
Твердотельная 3D модель зубчатого вала,
полученная в результате моделирования
6

7. Полученные сканы и созданные модели зубчатый вал короткий

Фасетное тело короткого зубчатого
вала,
полученное в результате сканирования
Твердотельная 3D короткого зубчатого вала,
полученная в результате моделирования
7

8. Полученные сканы и созданные модели прокладка

Фасетное тело прокладки,
полученное в результате сканирования
Твердотельная 3D модель прокладки,
полученная в результате моделирования
8

9. Полученные сканы и созданные модели гильза

Фасетное тело гильзы,
полученное в результате сканирования
Твердотельная 3D модель гильзы,
полученная в результате моделирования
9

10. Чертеж корпуса

10

11. Чертеж крышки

11

12. Чертеж зубчатого вала

12

13. Чертеж короткого зубчатого вала

13

14. Чертеж прокладки

14

15. Чертеж гильзы

15

16. Заключение

В рамках данного проекта были успешно выполнены все поставленные задачи, связанные с 3Dсканированием, моделированием и анализом деталей гидромотора НШ-10-3-Л.
• Проведено сканирование всех деталей гидромотора, что позволило получить точные
цифровые копии деталей для дальнейшей работы.
• Выполнена обработка сканов – устранены лишние части, полученные при сканировании, а сами
сканы подготовлены для дальнейшей работы.
• Разработаны твердотельные модели на основе обработанных 3D-сканов, что обеспечило точное
соответствие реальным параметрам деталей.
• Проведен анализ отклонений между отсканированными данными и созданными 3D-моделями,
подтвердивший высокую точность моделирования.
• Созданы чертежи в соответствии с требованиями конструкторской документации, что позволяет
использовать их в производстве.
Все этапы проекта выполнены в полном объеме, результаты соответствуют техническому заданию и
могут быть использованы для дальнейшей модернизации, производства или сервисного обслуживания
пневмоинструмента.
16
English     Русский Rules