48.31K
Category: electronicselectronics

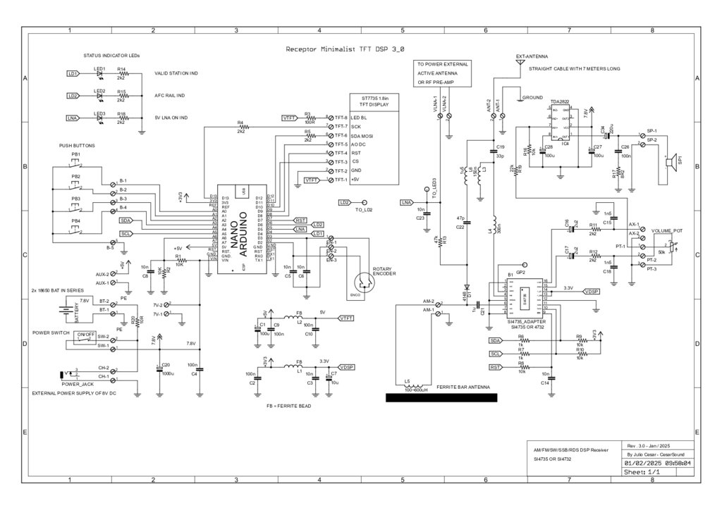
Status indicator leds

1.

1
2
3
4
5
6
7
STATUS INDICATOR LEDs
8
EXT-ANTENNA
TO POWER EXTERNAL
LED1
STRAIGHT CABLE WITH 7 METERS LONG
R14
VALID STATION IND
LD1
ACTIVE ANTENNA
USB
5
B-5
+5V
C
C8
ICSP
2
LD2
LD2
C22
LD1 1
EN-1
2
EN-2
10n
C6
ROTARY
ENCODER
B1
7V-2
1
1
+
7V-1
C1
C9
2
1
VTFT
1
2
D
SW-1
2
100u 100n
SP1
C34
220u
7.8V
AX-1
1
AX-2
VOLUME_POT
2
16
15
14
V_DIG 13
GND 12
11
SDIO
SCLK 10
9
RST
LOUT
ROUT
GPO2
V_AN
AMI
N/C
GND
1n5
+
C18
N/C
RFGND
2k2
GP2
GND
FMI
PT-1
R12
3.3V
1
2
2
50k
3
PT-2
C
PT-3
VDSP
SI4735_ADAPTER
SI4735 OR 4732
100n
PE
ON/OFF SW-2
7.8V
POWER SWITCH
L2
AM-1
5V
FB
1
2
3
4
5
6
7
8
4148
D1
AM-2
2
+5V
2
10R
BT-1
ENCO
PE
R11
C15
2k2
+
EN-3
1
R20
BATTERY
BT-2
+
3
2x 18650 BAT IN SERIES
7.8V
+
1n5
47p
LNA
C5
B
10n
C23
RST
10n
100n
LNA
TO_LD2
C21
AUX-1
10n
10K
AUX-2
R2
+5V
R1
10K
100u
SP-2
3
SCL
C26
1
2
1
100u
C27
SP-1
C10
R6
R9
1k
R7
10k
R10
1k
R8
10k
SDA
7.8V
1
+3V3
SDA
D12
D11
D10
D9
D8
D7
D6
D5
D4
D3
D2
GND
RST
RX1
TX1
D12
D11
D10
D9
D8
D7
D6
D5
D4
D3
D2
GND
RST
RX0
TX1
2
IC4
C16
PB4
D13
3V3
REF
A0
A1
A2
A3
A4
A5
A6
A7
5V
RST.
GND.
VIN
1u
1
D13
3V3
REF
A0
A1
A2
A3
A4
A5
A6
A7
5V
RST.
GND.
VIN
1
+
2u2
2
4 B-4
C28
1
C17
3 B-3
SI4735
PB3
+3V3
2 B-2
NANO
ARDUINO
2
OUT1
2
2u2
VTFT
1 B-1
1
IN1-
3
+
TFT-1 +5V
VCC
-
TFT-2 GND
1
IN1+
4
8R2
2
33p
GND
OUT2
R17
TFT-3 CS
C19
R16
TFT-4 RST
3
2
PB2
TFT-5 AO DC
4
10k
PB1
ANT-1
8
1
TFT-6 SDA MOSI
2
6
5
PUSH BUTTONS
1
7
22k
2k2
TFT-7 SCK
IN2IN2+
R19
R5
7
300n
2k2
6
L3
100R
R4
TDA2822
5
TFT-8 LED BL
L4
2k2
GROUND
8
1u5
VTFT
L6
150n
5V LNA ON IND
LNA
2
R3
1
R18
47k
LED3
ANT-2
ST7735 1.8in
TFT DISPLAY
VLNA-2
AFC RAIL IND
2k2
TO_LED3
R15
LD2
VLNA-1
OR RF PRE-AMP
LED2
B
A
2k2
R13
A
D
2
CH-1
1
C20
100n
1000u
C4
+3V3
CH-2
100n
C2
POWER_JACK
3.3V
FB
L1
VDSP
10n
+
3
2
1
+
SCL
RST
10k
C7
L5
10u
C3
100~600uH
EXTERNAL POWER SUPPLY OF 8V DC
10n
C14
FERRITE BAR ANTENNA
FB = FERRITE BEAD
E
E
Rev . 3.0 - Jan / 2025
AM/FM/SW/SSB/RDS DSP Receiver
By Julio Cesar - CesarSound
SI4735 OR SI4732
1
2
3
4
5
6
7
8
English     Русский Rules