514.04K
Category: electronicselectronics

Резервированные функциональные структуры

1.

Тема 1.2. Контролируемые резервированные функциональные структуры
Тема лекции 3. Резервированные функциональные структуры
1. 1.7. Резервированные функциональные структуры средств автоматического
управления
2. 1.8. Резервированные функциональные структуры автопилотов и САУ.
ЛИТЕРАТУРА
1. [1] раздел 13. стр. 452-430

2.

1.7 Контролируемые резервированные функциональные структуры
средств автоматического управления
Контролируемая дублированная функциональная структура демпфера
по методу сравнения с аналогом
МФС демпфера включает ДУС, В ,СП.
Дублированная структура демпфера – 2 МФС
БДГ
ДУС1
u дус
Дублированная контролируемая структура демпфера содержит
2МФС+2БК.
Внутри БК – формирователь аналога ЗУ Дем + компаратор
В1
БК1
СП1
u дос
| U вых .а1 (u дус1 ) u дос1 | u комп1
Сигнал отказа 1-го подканала
ДУС2
u дус
В2
БК2
СП2
u дос
| U вых .а 2 (u дус2 ) u дос 2 | u комп2
Сигнал отказа 2-го подканала

3.

Функциональная схема троированного демпфера (мажоритарная логика)
Троированная структура содержит по 3 ДУС, В, СП.
Троированная контролируемая структура содержит
дополнительно два кворум элемента КЭ и два компаратора.
БДГ
ДУС1
ДУС2
u дусi
u дус.с р
КЭ1
ДУС3
В1
В2

u в.ср
КЭ2
В3
дус
| u дусi u дус.с р | u комп
СП2
СП3
Компаратор 1
БК
СП1
Сигналы отказов ДУС
Компаратор 2
Сигналы отказов вычислит.
| u вi u в.с р | u вкомп
Система позволяет сохранить работоспособность при 2х разнородных отказах(1ДУС+1 В).
Отключается при отказах 2х ДУС или 2х В

4.

Дублированный автопилот, контролируемый по методу сравнения с аналогом
Дублированная структура АП содержит два ДУС, две ГВ, два В, два СП и ПУ
Дублированная контролируемая структура содержит дополнительно два БК=ФА+К.
ГВ1
ДУС1
ПУ
Внутри БК формируется аналог закона
управления автопилота U
(u ,u ,u
u гв
u дус
u пу
вых .а
В1
БК1
СП1
u дос
ГВ2
пу
)
В компараторе БК проверяется
тождество
Сигнал отказа 1-го подканала
В2
u гв
гв
| U вых .а1 (u дус1 ,u гв1 ,u пу1 ) u дос1 | u комп1
u дус u пу
ДУС2
дус
БК2
СП2
u дос
U вых .а (u дус ,u гв ,u пу )
| U вых .а 2 (u дус2 ,u гв2 ,u пу2 ) u дос2 | u комп2
Сигнал отказа 2-го подканала

5.

Троированный автопилот, контролируемый по методу мажоритарной логики
ГВ1
ГВ2
u гв
Троированная структура автопилота содержит
3 ДУС, 3 ГВ, 3 В, 3 СП и ПУ.
u гв.с р
КЭ2
Троированная контролируемая структура
содержит дополнительно три КЭ и три К
ГВ3
Контроль ДУС и вычислителей
осуществляется так же как в демпфере
ПУ
При появлении второго однородного отказа ДУС,
В, ГВ автопилот отключается, иначе работает.
БДГ
ДУС1
ДУС2
В1
КЭ1
В2
ДУС3
СП1
КЭ3
В3
СП3
Сигналы отказов ДУС
Компаратор 1
Сигналы отказов ГВ
Компаратор 2
БК
СП2
| u гвi u гв.с р | u
гв
комп
Компаратор 3
Сигналы отказов
вычислит.

6.

Примеры резервирования АБСУ 145, САУ - 1Т-2Б

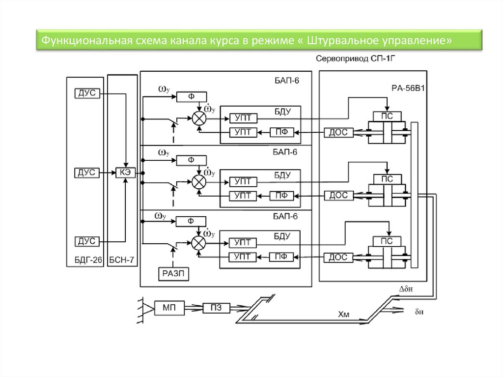
7.

Функциональная схема канала курса в режиме « Штурвальное управление»

8.

Функциональная схема канала крена в режиме « Штурвальное управление»
БШУ
Сервопривод СП-1Г
Ф2
УПТ-9
ωx
Ф2
ПФ
КЭ
УПТ-9
БАП-6
Ф
Ф2
ПФ
.
ωx
УПТ
УПТ-9
ωx
Ф
.
ωx
ωx
Ф
ДУС
БДГ-26
УПТ
УПТ
КЭ
РАЗП
ПФ
ПС
ДОС
.
ωx
БДУ
ПФ
ПС
ДОС
БАП-6
УПТ
УПТ
БСН-7
БДУ
БАП-6
ДУС
ДУС
УПТ
РА-56В1
кулиса
ДПС-2
ПФ
БДУ
ПФ
ПС
ДОС
Δδэ

9.

Функциональная схема канала тангажа в режиме « Штурвальное управление»

10.

Функциональная схема канала крена в режиме « Стабилизация и управление»
КГ-7
МГВ
МГВ
КЭ
γ
МГВ
Сервопривод СП-1Г
БАП-6
ωx
Ф
.
ωx
УПТ
Ф
УПТ
УПТ
БСН-7
γзад
ПУ
УПТ
Ф
ωx
Ф
Δδ
КЭ
.
ωx
РВ
РАЗП
P2
ЗК
БС
ПФ
БАП-6
ДУС
УПТ
ψзад
P1
БСН-7
ДУС
ПФ
ПС
ДОС
ДУС
БДГ-26
БДУ
ПФ
ПС
ДОС
БАП-6
УПТ
УПТ
Δψ
ψ
.
ωx
УПТ
Ф
УПТ
УПТ
Ф
БДУ
БАП-6
КЭ
ωx
РА-56В1
БДУ
ПФ
ПС
ДОС
Δδэ

11.

Функциональная схема канала крена в режиме « Автоматический полет по
сигналам НВУ»

12.

Функциональная схема канала крена в режиме « Автоматический полет по
сигналам VOR»

13.

Функциональная схема канала крена в режиме « Заход на посадку»
English     Русский Rules