Размещение оборудования в машинном зале
Исходные данные:
Схема расположения насосов, трубопроводов, арматуры и фасонных частей
Определение диаметров внутристанционных трубопроводов
Приложение 1 Таблицы для гидравлического расчета стальных электросварных труб (ГОСТ 10704 и ГОСТ 8696)
СНиП 2.02.04-84* табл.33
Приложение 1 Таблицы для гидравлического расчета стальных электросварных труб (ГОСТ 10704 и ГОСТ 8696)
Выбор арматуры и фасонных частей
Задвижка клиновая стальная с электроприводом 30с941нж ру=1,6МПа
Клапан обратный поворотный 19с76нж ру=1,6МПа
План машинного зала
            СП 31.13330.2012
3.68M

Размещение оборудования в машинном зале

1. Размещение оборудования в машинном зале

1. НС II

2. Исходные данные:

• Подача НС II 420 л/с, напор 50 м.
• Подобраны 3 рабочих и 1 резервный
насос марки 1Д800-56.
• Построить план и разрезы машинного
зала.

3. Схема расположения насосов, трубопроводов, арматуры и фасонных частей

Н
Э
Н
Э
Н
Э
Н
Э

4. Определение диаметров внутристанционных трубопроводов

Наименование
трубопровода
Q,
л/с
D,
мм
V,
м/с
i
1
2
3
4
5
1. Наружные всас. трубопр-ды
2. Всасывающий коллектор
3. Всас.тр-д хоз.насоса
4. Напорныйтр-д хоз.насоса
5. Наружные нап. трубопр-ды
6. Напорный коллектор

5.

210 л/с
Н
3
1
140 л/с
Э
140 л/с
Н
210 л/с
140 л/с
140 л/с
210 л/с
210 л/с
Q= 420 л/с
5
5
Э
6
4
4
Н
Э
1
Н
2
Э
3

6.

Определение диаметров
внутристанционных трубопроводов
Наименование
трубопровода
Q,
л/с
D,
мм
V,
м/с
i
1
2
3
4
5
1. Наружные всас. трубопр-ды
210
2. Всасывающий коллектор
-
3. Всас.тр-д хоз.насоса
140
4. Напорный тр-д хоз.насоса
140
5. Наружные нап. трубопр-ды
210
6. Напорный коллектор
-

7. Приложение 1 Таблицы для гидравлического расчета стальных электросварных труб (ГОСТ 10704 и ГОСТ 8696)

8.

СП 31.13330.2012 табл.24

9. СНиП 2.02.04-84* табл.33

10. Приложение 1 Таблицы для гидравлического расчета стальных электросварных труб (ГОСТ 10704 и ГОСТ 8696)

11.

Определение диаметров
внутристанционных трубопроводов
Наименование
трубопровода
Q,
л/с
D,
мм
V,
м/с
i
1
2
3
4
5
1. Наружные всас. трубопр-ды
210
500
-
500
3. Всас.тр-д хоз.насоса
140
400
1,05 0,0038
4. Напорный тр-д хоз.насоса
140
400
1,05 0,0038
5. Наружные нап. трубопр-ды
210
500
1,00 0,00262
-
500
2. Всасывающий коллектор
6. Напорный коллектор
1,00 0,00262
-
-
-
-

12.

Э
400/300
400/200
Н
400мм
500мм
Н
500мм
400/300
500мм
400/200
400мм
Э
500мм
400мм
500мм
500мм
400мм
400/200
Н
Dвс=300мм
Dнап=200мм
Э
400/300
400/200
Н
Э
400/300

13. Выбор арматуры и фасонных частей

14.

Клиновая
задвижка
H
L

15.

16.

30с941нж

17. Задвижка клиновая стальная с электроприводом 30с941нж ру=1,6МПа

H

L
Dу, мм L, мм H, мм m, кг
500
700
2570
1060
400
600
2040
640

18.

Клапан обратный поворотный однодисковый
1-корпус
2-крышка
3-захлопка

19.

20. Клапан обратный поворотный 19с76нж ру=1,6МПа

Dу=400мм
Клапан обратный поворотный 19с76нж
ру=1,6МПа
m=410кг
L=950мм

21.

22.

23.

Dу х dу
400 х 200
400 х 250
400 х 300
400 х 350
D
d
426
219
273
325
377
s
L
L1
10
220
220
220
220
220
220
220
220
Масса
Конц.
Эксц.

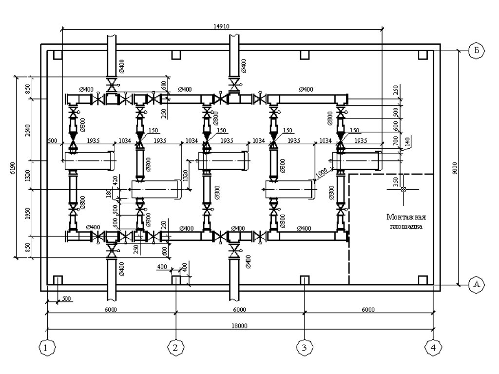
24. План машинного зала

• На миллиметровой бумаге по схеме расположения
насосных агрегатов, трубопроводов, арматуры и
фасонных частей выполняется чертеж плана
размещения оборудования в машинном зале (по
размерам в масштабе 1:100). Ширина проходов
между выступающими частями насосов,
трубопроводов и двигателей следует принимать по
1, п.12.2. : между насосами или
электродвигателями — 1 м; между насосами или
электродвигателями и стеной в заглубленных
помещениях — 0,7 м, в прочих — 1 м, при этом
ширина прохода со стороны электродвигателя
должна быть достаточной для демонтажа ротора;
между неподвижными выступающими частями
оборудования — 0,7 м.

25.             СП 31.13330.2012

СП 31.13330.2012
10.15. Расстояние от всасывающего
патрубка насоса до ближайшего
фитинга (отвода, арматуры и т.д.)
должно быть не менее пяти
диаметров трубы.

26.

12,0м
8,75м
0,7м





5D
11,75м
0,7м
18,0м
English     Русский Rules