8.78M
Category: draftingdrafting

Механический чертеж деэтанизатора

1.

Механический чертеж деэтанизатора
3
Техническая характ ерист ика
1. Изготовление, испытание, приемку и маркировку аппарата
производить в соответствии с ОСТ 26- 291- 87.
2. Аппарат подлежит регистрации в органах Ростехнадзора.
3. Группа аппарата 1. Класс дефектности швов- 2, по ГОСТ 230587: стыковых- 3, угловых и тавровых- 4.
4. Сталь 09Г2С ГОСТ 14249- 89 должна быть испытана на
ударную вязкость при - 47С.
5. Отклонение тарелки от горионтальности не более 3 мм.
6. Прогиб секций при установке тарелки не более 3мм.
7. При монтаже тарелок обеспечить плотность их прилегания к
опорным поверхностям.
8. Плотность прилегания секций друг к другу, к внутренней
поверхности аппарата и примыкающих к ним поверхностям
контролировать направленным источником света мощностью 40
Вт, установленным вплотную к секции.Прямой луч света не
должен проникать сквозь секцию.
9. Покрытие грунтовка ГФ- 021 красно- коричневая ГОСТ- 2512982.
10. Пуск, остановку и испытание производить в соответствии с
«Регламентом», ОСТ 26- 291- 87.
1

2.

Чертеж основного
оборудования:
деметанизатора
внутренний диаметр колонны Dв= 2,4 м;
общая высота колонны Нц=10,3 м;
расчетное давление Р=3,4 МПа
(производственные данные);
расчетная температура: -82,4 0С
(производственные данные);
среда: сухой газ
число тарелок в колонне суммарное N=6
район установки аппарата - г.
Нижневартовск.
Толщина стенки - 36 мм

3.

МЕХАНИЧЕСКИЙ ЧЕРТЕЖ
РЕКТИФИКАЦИОННОЙ
КОЛОННЫ
РАСЧЕТ МЕХАНИЧЕСКОЙ ЧАСТИ
Целью
механического
расчета
является
конструктивный
расчет
колонны
стабилизации
конденсата..
Руководствуясь общими принципами выбора материалов и
учитывая максимальную рабочую температуру 200°C ,
давление 1,2 Мпа, и среднюю коррозионность среды ,
выбираем сталь 09Г2С (ГОСТ 14249-89) σt=270МПа
σв=400 МПа.
Внутренний диаметр колонны D=3400мм;
Высота цилиндрической части аппарата H=20800мм;
Рабочее давление P=1,2 МПа;
Рабочая температура:
верха колонны tв=76,732°C;
зоны питания tп=76,732°C;
низа колонны tн=188,927°C;
Число тарелок в колонне:
суммарное N =38;
Тарелки ситчатые.
Район установки – г.Сургут

4.

Чертеж основного
аппарата
Диаметр D=2,0 м;
Высота H=21,52 м;
Число теоретических тарелок N=22;
Толщина стенки аппарата S=7 мм;
Поверхность эллиптического днища
(стенки) S=7,5мм;
Диаметр фланца Dф=0,230 м ;
Диаметр болтовой окружности
Dб=0,240 м ;
Диаметр втулки фланца Ds=0,180 м;
Толщина тарелки фланца h=0,019 м;
Высота фланца H=0,075 м, H1=0,025
м;
Болты М 20 в количестве 4 штук.

5.

6.

09Г2С
Толщина стенки –
10мм
Механический
расчет показал, что
аппарат является
достаточно прочным
и безопасным при
изменении
технологического
режима

7.

Чертеж абсорбера

8.

В
Таблица штуцеров
11
Обозначение
Колличество
Условный
проход Dу,мм
Условное
давление PУ,
МПа
1
6
12
18
А
Вход сырья
1
250
4,0
Б
Выход газа
1
150
4,0
В
Вход орошения
1
150
4,0
2
10500
9
10
2000
Л1
850
19
Л2
Наименование
Г
Выход кубового остатка
1
250
4,0
21
Д
Вход ЦЖ из П-1
1
300
4,0
22
Е
Выход ЦЖ в П-1
1
300
4,0
Ж
Дренаж
1
100
1,6
20
6
23
24
Технические требования:
25
25980
Л3
29
2400
30
31
36
37
Л4
2
5
Г
Ж
2400
3
4
1. Аппарат подлежит регистрации в органах
Госгортехнадзора;
2. Сталь 09Г2С ГОСТ 14249-89;
3. Отклонение тарелки от горизонтальности не более 3
мм;
4. При монтаже тарелок обеспечить плотность их
прилегания к опорным поверхностям;
5. Сварные швы в объеме 100% контролировать
рентгенопросвечиванием;
6. Размеры штуцеров см. в таблице.
Л1-5
2
3
4
5
6
Наименование
Люк-лаз
Обечайка
Опора
Лестница
Штуцер
Коллектор-маточник
Колличество
27
28
Позиция
Обозначения
38100
26
5
1
1
1
7
2
Примечание
«Реконструкция установки деэтанизации конденсата с целью
переработки парафинистого конденсата ачимовских залежей»
Чертеж основного аппарата
Б
6

9.

Абсорбер блока осушки
газа
Аппарат представляет собой колонну высотой
16600 мм и диаметром 2000 мм
функционально разделенную на три секции:
сепарации, абсорбции и секции улавливания
гликоля.
Материал и тип насадки – Кольца Палля
полипроленновые размером 15х15х1,5 мм.

10.

Механический чертеж сепаратора

11.

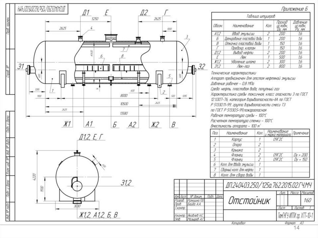
Механический чертеж отстойник ОГ
– 200

12.

Чертёж основного аппарата: Остойник типа ОГ-200

13.

Чертеж основного
оборудования:
6

14.

14

15.

Чертеж трехфазного сепаратора
15

16.

Чертеж нефтегазоводоразделителя с прямым
подогревом
16

17.

Чертёж основного
аппарата
17

18.

Чертеж реактора гидроочистки керосиновой
фракции
18

19.

Чертеж электродегидратора ЭГ-1
Характеристики ЭГ-200-V-НТ:
- Dв = 3,4 м;
- V = 200 м³;
- расстояние между верхней парой электродов – 230 мм;
- расстояние между нижней парой электродов – 310 мм.
Достоинства электродегидратора ЭГ-200-V-НТ:
- увеличено время пребывания эмульсии в электрическом поле;
- улучшены условия коалесценции капель воды;
- технологическая гибкость.
English     Русский Rules