455.00K
Category: physicsphysics

Модели полевых транзисторов

1.

Рис.1 Модели полевых транзисторов

2.

Рис.2. Процесс включения транзистора

3.

Рис.3. Процесс выключения транзистора

4.

Рис.4 Типовая диаграмма общего заряда затвора

5.

Рис.5 Паразитные элементы цепи затвора

6.

Рис.6 Прямое управление полевым транзистором

7.

Рис.7 Драйвер с выходным каскадом на биполярных транзисторах

8.

Рис.8 Двухтактный драйвер на биполярных транзисторах
Рис.9 Двухтактный драйвер на полевых транзисторах

9.

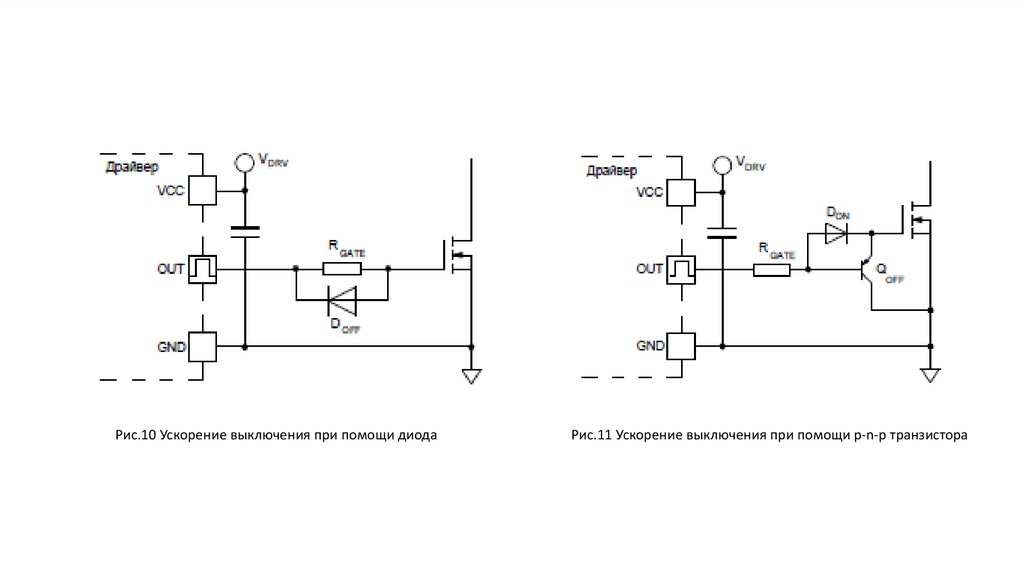
Рис.10 Ускорение выключения при помощи диода
Рис.11 Ускорение выключения при помощи p-n-p транзистора

10.

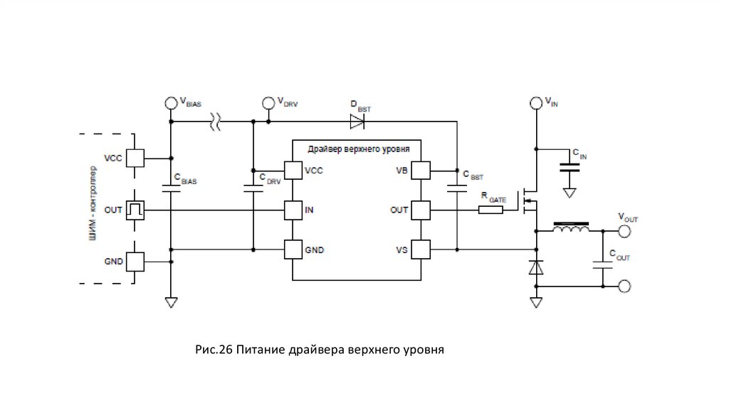
Рис.12 Ускорение выключения при помощи n-p-n транзистора

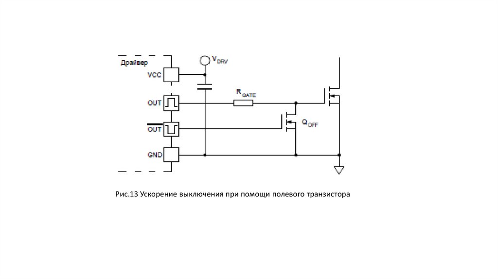
11.

Рис.13 Ускорение выключения при помощи полевого транзистора

12.

Рис.14. Модель синхронного выпрямителя

13.

Рис.15 Процессы переключения в синхронном выпрямителе

14.

Драйверы высокого уровня для управления р-канальными транзисторами
Рис.16 Прямое управление р-канальным транзистором

15.

Драйверы высокого уровня для управления р-канальными транзисторами
Рис.17 Включение драйвера с открытым коллектором

16.

Рис.18 Схема сдвига уровня на дискретных компонентах

17.

Рис.19 Прямое управление п-канальным транзистором

18.

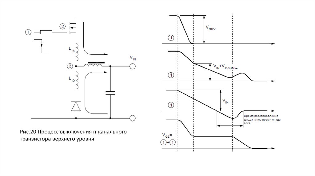
Рис.20 Процесс выключения п-канального
транзистора верхнего уровня

19.

Рис.21 Бутстрепный драйвер на дискретных компонентах

20.

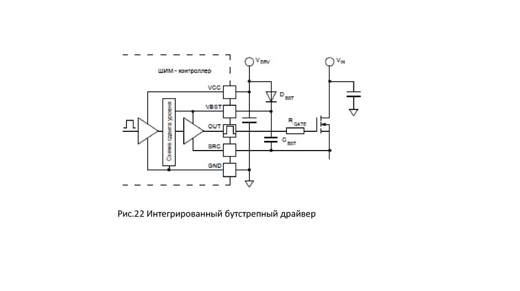
Рис.22 Интегрированный бутстрепный драйвер

21.

Рис.23 Бутстрепный драйвер на основе Pulsed Latch

22.

Рис.24 Интегральный драйвер верхнего уровня

23.

Рис.25 Защита вывода SRC

24.

Рис.26 Питание драйвера верхнего уровня

25.

Рис.27 Схема запуска бутстрепного драйвера

26.

Рис.28 Емкостные токи в высоковольтных схемах

27.

Схемы управления, развязанные по постоянному току
Рис.29 Схема развязки по постоянному току

28.

Схемы управления, развязанные по постоянному току
Рис.30 Зависимость напряжения на развязывающем конденсаторе от коэффициента заполнения

29.

Рис.31 Трансформатор управления в однотактной схеме
Рис.32 Диаграммы токов и напряжений в
трансформаторной схеме управления

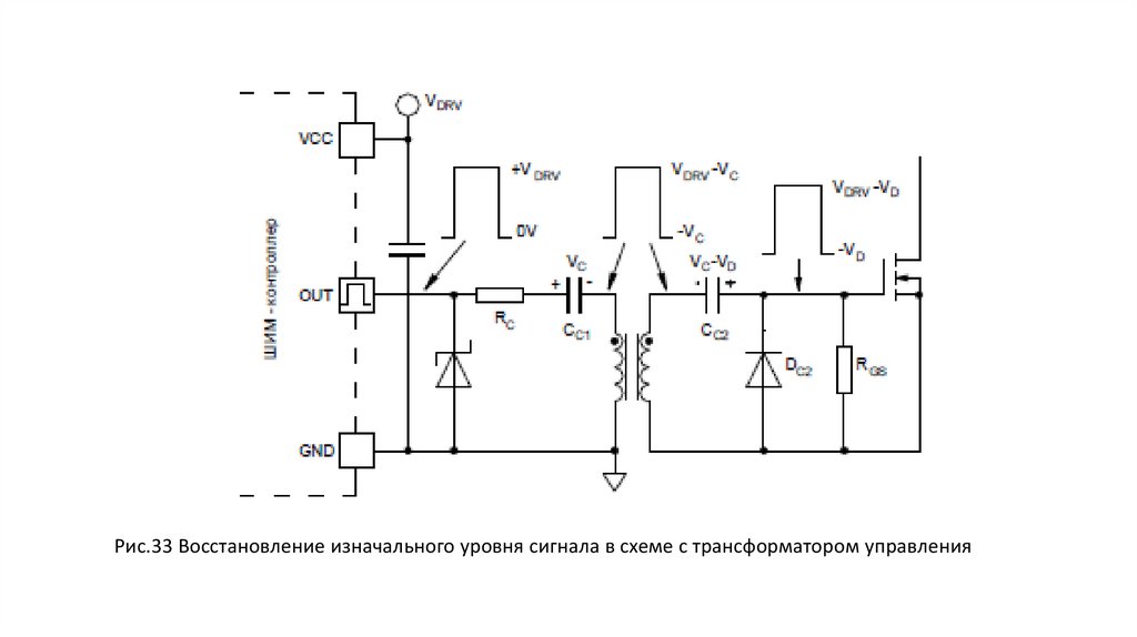
30.

Рис.33 Восстановление изначального уровня сигнала в схеме с трансформатором управления

31.

Рис.34 Вольтсекундный интервал как функция коэффициента заполнения

32.

Рис.35 Трансформатор управления двойного назначения – Вариант 1

33.

Рис.36 Трансформатор управления двойного назначения – Вариант 2

34.

Рис.37 Трансформатор управления в двухтактной схеме
English     Русский Rules