1.07M
Category: sportsport

Городошный спорт

1.

2.

Игра в городки заключается в
выбивании фигур из пяти городков,
с ограниченных площадок.
Выбивание производится с
определенного расстояния
составными битами, состоящими из
металлических втулок, концевого
стакана и деревянных или
полимерных вставок, а также ручки,
изготовленной из древесины,
текстолита или полимерных
материалов. Для игры используются
15 фигур, выстраиваемых из пяти
городков, изготовленных из
древесины. Игровая поверхность
"города" и "пригорода" покрывается
металлическими или полимерными
листам

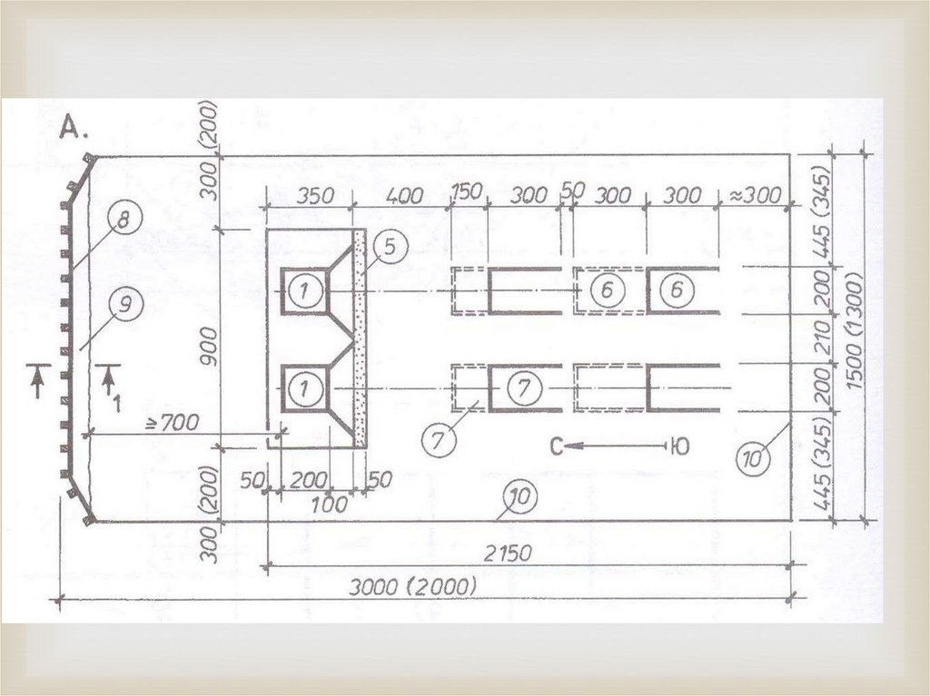
3.

Площадка для городошного
спорта

4.

Городок - это цилиндр или правильная восьмигранная призма,
изготовленные из древесины, которые используются для построения
фигур.

5.

Бита - это составной стержень с круглым сечением, которым
выполняются броски по фигурам и городкам
.

6.

"Город" - площадь в форме квадрата, в пределах которой устанавливаются
фигуры.
"Пригород" - площадь в форме трапеции, находящаяся между лицевой
линией "города" и штрафной линией, ограниченная боковыми линиями.

7.

Кон - это площадь, ограниченная
двумя боковыми линиями и
передней планкой, из пределов
которой производятся броски по
фигурам.
Полукон - это площадь,
ограниченная двумя боковыми
линиями, передней планкой и
планкой кона сзади, из пределов
которой производятся броски после
выбивания из фигуры хотя бы
одного городка (кроме фигуры
"Письмо").

8.

Фигуры

9.

English     Русский Rules