495.92K
Category: electronicselectronics

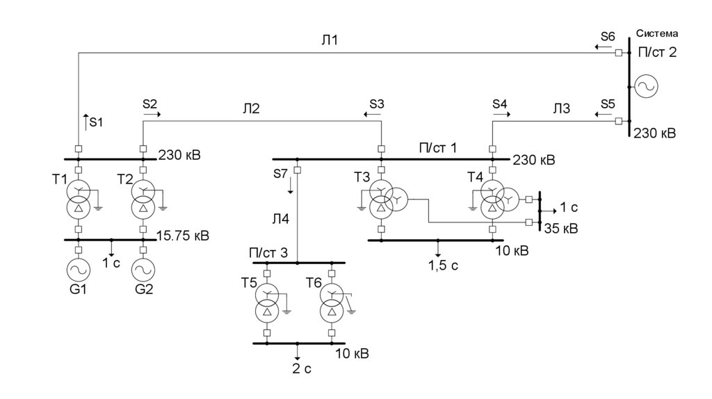
Графический редактор АРМ

1.

0 - ветви с ненулевыми параметрами. Ветви на землю, такие как, нагрузки, реакторы, статические
емкости. Ветви, соединяющие два узла, с продольным сопротивлением без емкостной проводимости на
землю.
1, 101 – ветви с нулевыми параметрами(сопротивлениями). Это ветви, моделирующие
шиносоединительные выключатели(ШСВ) и заземления нейтралей трансформаторов. При этом тип 1
нормально ВКЛЮЧЕННЫЙ выключатель, а тип 101 нормально ОТКЛЮЧЕННЫЙ выключатель
3 – трансформаторные ветви. Т.е. ветви соединяющие узлы разного класса напряжения. Первым узлом в
записи ветви следует узел, к которому приведено сопротивление ветви, а коэффициент трансформации
есть отношение напряжений .первого и второго узлов в записи ветви.
Все многообмоточные трансформаторы
трансформаторов и простых ветвей.
моделируются
с
помощью
набора
двухобмоточных
4 – генераторные ветви. Ветви, соединяющие общую нейтраль(нулевой узел) с другим ненулевым узлом
сети.
5 - Ветви, соединяющие два узла, с продольным сопротивлением с емкостной проводимостью на землю.

2.

S6
Л1
S2
П/ст 2
S3
Л2
S4
Л3
S1
S7
Т2
Т3
230 кВ
Т4

Л4
35 кВ
15.75 кВ
П/ст 3

G1
G2
Т5
1,5 с
Т6

10 кВ
S5
230 кВ
П/ст 1
230 кВ
Т1
Система
10 кВ

3.

Л1

4.

Л2

5.

Л3

6.

Л4

7.

R1
X1
E/k
Г1,Г2
-
0,215
15,75
T1,T2
1,56
25,604
14,603
T5,T6
5,94
95,56
T3,T4
Из примера предыдущей лекции
П/ст2
4,03
22,407
230
R0
X0
1,56
25,604
5,94
95,56
2,09
17,2
English     Русский Rules