6.64M
Category:
industry
Similar presentations:
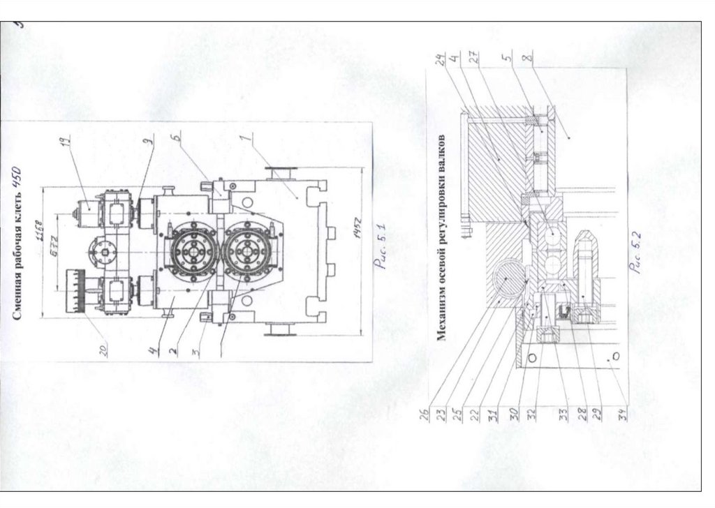
Механизмы рабочей клети
Классификация твердых сплавов. Металлокерамические твердые сплавы
Твердое топливо
Классификация твердых сплавов. Металлокерамические твердые сплавы
Твердые расширяемые трубы
Переработка твердого топлива
Твердые коммунальные отходы
Хранение твердого и жидкого топлива
Металл твердых сплавов - вольфрам
Техническая эксплуатация и ремонт теплообменника жесткой конструкции типа ТН, на установке УПН
Проект чистовой рабочей клети жесткой конструкции для среднесортного стана 450
1.
English
Русский
Rules