Заключение
310.29K
Category: softwaresoftware

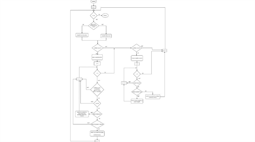
Разработка автоматизированной системы формирования оптимального портфеля заказов предприятия

1.

ВЫПУСКНАЯ КВАЛИФИКАЦИОННАЯ
РАБОТА
МАГИСТРА: МАГИСТЕРСКАЯ
ДИССЕРТАЦИЯ
На тему:
Направление
Профиль
Студент (ка):
Руководитель:
«Разработка автоматизированной системы формирования
оптимального портфеля заказов предприятия»
27.04.04 Управление в технических системах
Управление и информатика в технических системах
Пявка Денис Владимирович
д.т.н., доц. Марголис Б.И.
(ученая степень, звание, Фамилия, И.О.)
Тверь 2020

2.

English     Русский Rules