4.83M
Category: electronicselectronics

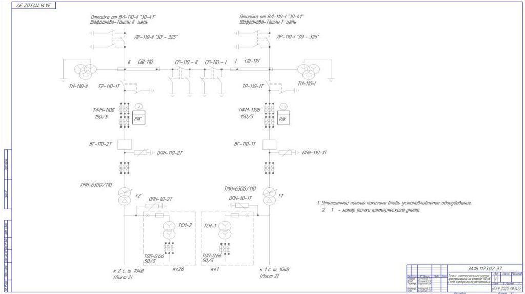
ВКР: Автоматизированная информационно-измерительная система коммерческого учета электрической энергии

1.

ТАЗЕТДИНОВ РИНАТ РАШИТОВИЧ
АВТОМАТИЗИРОВАННАЯ ИНФОРМАЦИОННО-ИЗМЕРИТЕЛЬНАЯ
СИСТЕМА КОММЕРЧЕСКОГО УЧЕТА ЭЛЕКТРИЧЕСКОЙ
ЭНЕРГИИ НА ПОДСТАНЦИИ «СЕВЕРНАЯ»
ЯНАУЛЬСКИХ ЭЛЕКТРИЧЕСКИХ СЕТЕЙ
Выпускная квалификационная работа
Руководитель: к.т.н., ст. препод. Балтиков Д.Ф.

2.

3.

4.

5.

6.

7.

8.

Спасибо за внимание !
English     Русский Rules