Задание на самоподготовку
50.50K
Category: electronicselectronics

Полевые транзисторы (ПТ) с управляющим электронно-дырочным переходом и переходом металл-полупроводник

1.

Лекция № 5.1.
Полевые транзисторы
(ПТ) с управляющим
электронно-дырочным
переходом и переходом
металл-полупроводник

2.

3.

З
Uзи
p+
С
n
И
Uси
Рис. 1

4.

5.

Ссз
С
З
Сси
Cси
И
Рис. 2
Ri
S(ώ) Uзи

6.

7.

Uз=0
Ic
Ic
Uз=-1В
Uз=-2В

Uc
а)
б)
Рис. 3

8.

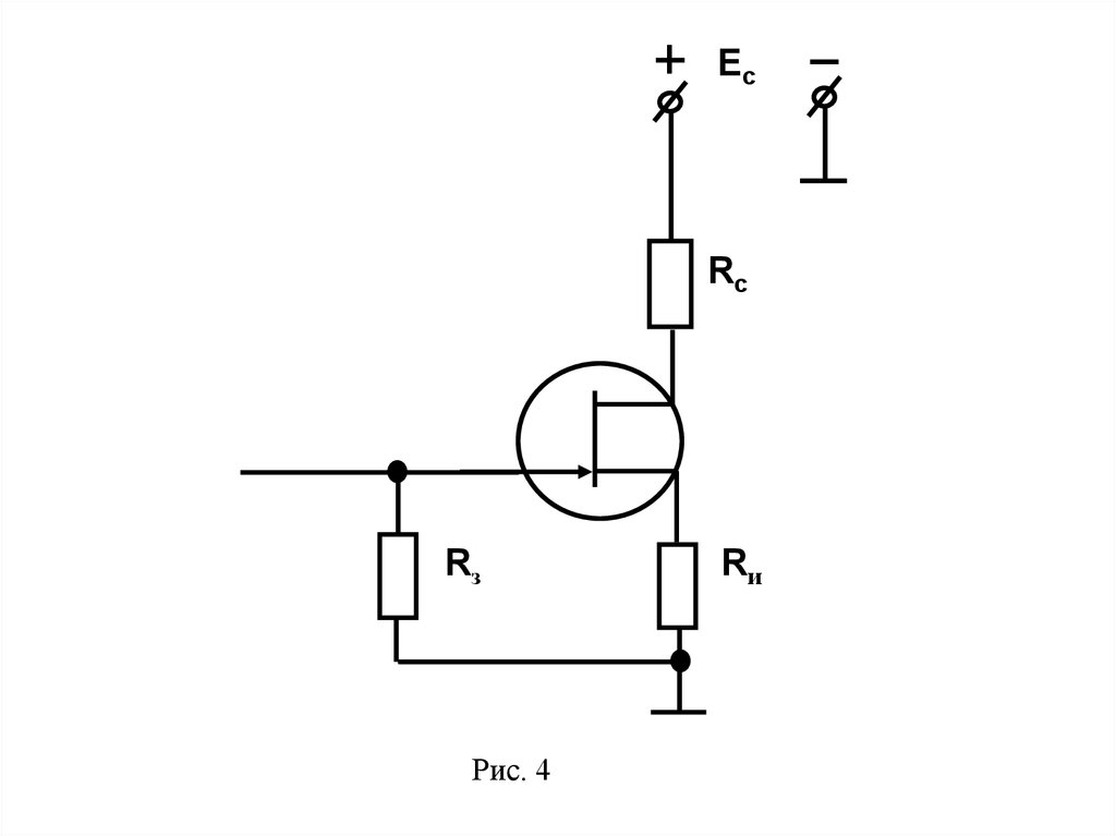
9.

Ec
Rc

Рис. 4

10.

11. Задание на самоподготовку

• 1. Изучить (Л9) стр. 91-102
English     Русский Rules