Задание на самоподготовку
60.50K
Category: electronicselectronics

Разновидности и особенности полупроводниковых диодов

1.

Лекция № 3.2.
Разновидности
и особенности
полупроводниковых
диодов

2.

3.

I
Ge
Si
U

4.

5.

Uобр
Для лавинного
пробоя
Для туннельного
пробоя
Т΄΄́́ >Т΄
Iобр

6.

7.

I
R
Uст
Iстmin
U
+

Е0
Iст
R(t)
Iстmax
∆Ucт
_

8.

9.

М
А вых м> А вых п
n
I
0,3 В
U

10.

11.

С
U

12.

13.


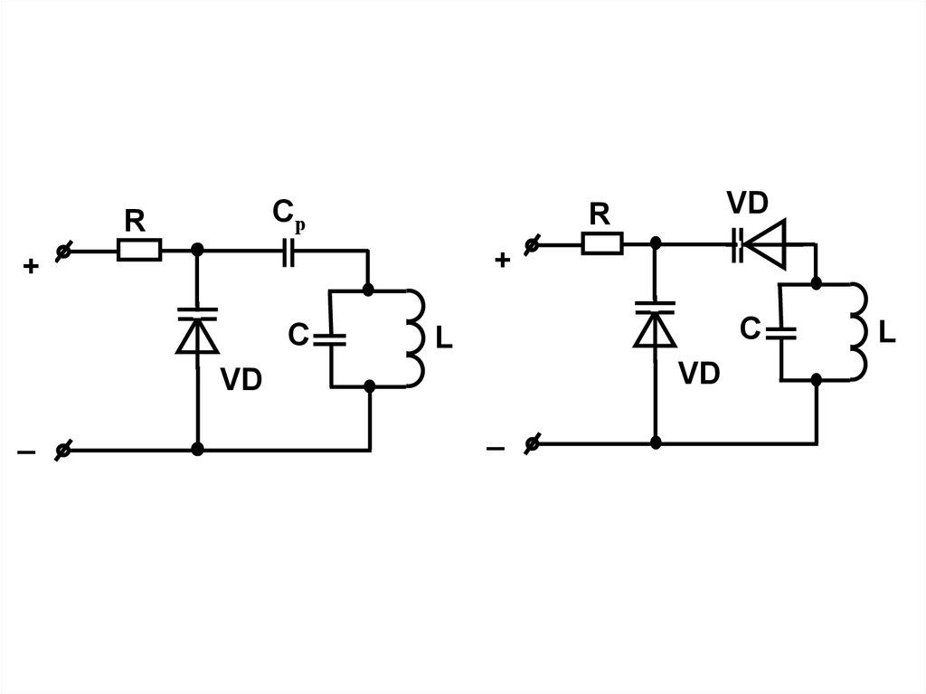
R
+
+
C
C
L
VD
VD
___
VD
R
_
L

14.

15.

свет
р
п
Zn
р
п
р
N

16.

17. Задание на самоподготовку

• 1. Изучить (Л1) стр. 199-202.
• 2. Изучить приложение 6
"Сборника описаний
лабораторных работ".
• 3. Изучить (Л9) стр. 23-28.
English     Русский Rules