Тема: Электронные лампы Цель: Изучить устройство, принцип действия и статические характеристики электронных ламп.
53.00K
Category: electronicselectronics

Электронные лампы

1. Тема: Электронные лампы Цель: Изучить устройство, принцип действия и статические характеристики электронных ламп.

2.

3.

Uн2
Ia
Uн1
Uн1
Uн2 Uн1
Ua
Реж. простр.
заряда
Реж. насыщения

4.

5.

А
Ia
Ia
С
К
Uc 0 U =0
c
Uc 0
Ic
Uc1
Ua

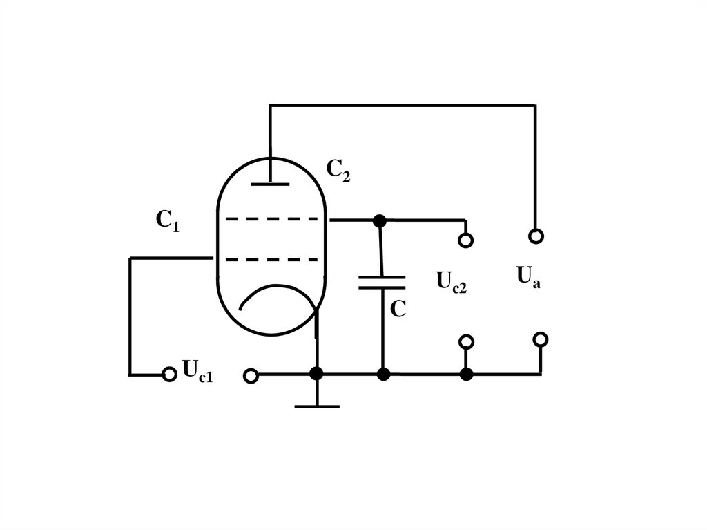
6.

7.

C2
C1
Uc2
C
Uc1
Ua

8.

9.

+Ua
C3
C1
Ia
Ia
Uc111
+Uc2 Uc211
C
Uc11
Uc21
Uc1
Ua

10.

11.

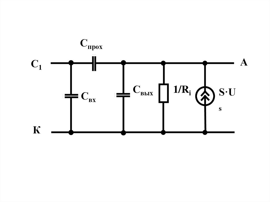
Спрох
А
С1
Свх
Свых
1/Ri
S·U
s
К

12.

13.

Задание на самостоятельную подготовку
Изучить материал по учебнику [Л1]
страницы 463-466.
Изучить материал по учебнику [Л9]
страницы 123-129.
English     Русский Rules