Тема занятия Предмет и задачи дисциплины
Задание на самоподготовку
42.50K
Category: electronicselectronics
Similar presentations:

Предмет и задачи дисциплины. Назначение, устройство, параметры, особенности применения резисторов

1. Тема занятия Предмет и задачи дисциплины


1. Предмет и задачи дисциплины.
2. Назначение, устройство,
параметры, особенности применения
резисторов.

2.

3.

Защитное
покрытие
Резисторы:
постоянный
выводы
переменный
Штабик
резист
Рис. 1

4.

5.

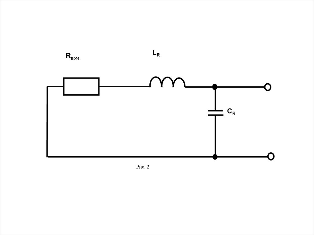
LR
Rном
CR
Рис. 2

6.

7.

R<300 Oм
Zэф/Rном
R>300 Oм
Рис. 3

8.

9.

R/Rмакс
Б
А
В
Рис. 4
100

10.

11.

R/Rmax
Е
U
%
100
Рис. 5

12.

13. Задание на самоподготовку

• 1. Изучить (Л1) с. 121-123.
• 2. Изучить приложение 1 учебного
пособия «Радиодетали».
English     Русский Rules