Дипломдық жоба тақырыбы
Жобаның мақсаты
ДОГТ қондырғысының құрылғыларының орналасу жоспары
Аминді тазалау процесінің негізгі техникалық-экономикалық көрсеткіштері
2.90M
Category: industryindustry

АМӨЗ жағдайында газ құрамынан күкіртті құрауыштарын абсорбциялы тазалау блогының тиімділігін зерттеу. Құрылғының тексеру есебі

1. Дипломдық жоба тақырыбы

« АМӨЗ жағдайында газ құрамынан күкіртті құрауыштарын
абсорбциялы тазалау блогының тиімділігін зерттеу.
Құрылғының тексеру есебі. Қолданылатын абсорбенттер »
Дипломшы : Төлегенова Э.Т.
ХТОВ-13 қ/б

2. Жобаның мақсаты

Аминді тазалау блогын оңтайландыру жолдарын
қарастыру; абсорбциялық колонна құрылысының
тексеру есебі мен техникалық – экономикалық
негіздемесін жасақтау.

3.

4.

Технологиялық сызба

5.

Негізгі аппарат-абсорбер

6.

Қосалқы аппарат-десорбер

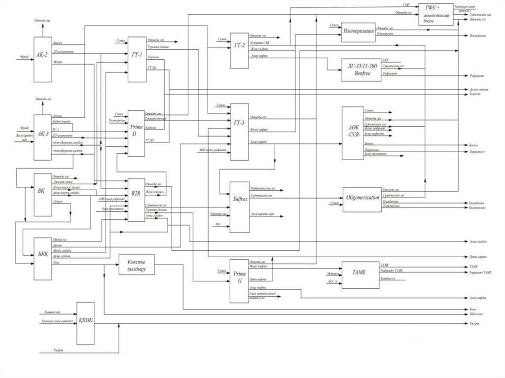
7. ДОГТ қондырғысының құрылғыларының орналасу жоспары

20-D-001
20-P-002A
20-P-007/A,B
20-P-006/A,B
20-P-009/A,B
20-P-002B
20-Z-003 20-D-011
20-V-002
20-P-008/A,B
20-P-001/A,B
20-V-003
20-F-002
20-P-010/A,B
20-D-014
Конструкция 20-В
11-P-201
20-P-003/A,B
20-F-001
20-R-002
20-E-003B
20-E-002D
20-E-003A
20-Z-002
20-Z-001
20-E-002C
20-E-002A
20-Z-004/A,B
20-E-002B
20-R-001
Конструкция 20-С
20-D-951
20-D-402
20-P-013/A,B
20-D-012
20-P-403
20-Z-301
20-D-013
20-A-003
20-TK-401
20-V-402
20-V-401
20-P-301
20-D-015
20-D-401
20-P-402 20-P-004/A,B
20-P-401/A,B
20-V-001
20-С-003
Установка
смазочног
о масла
20-Z-402
20-P-014/A,B
20-С-001
20-Z-401
Конструкция 20-А
20-С-002 A
20-С-002 B

8. Аминді тазалау процесінің негізгі техникалық-экономикалық көрсеткіштері


Көрсеткіш атауы
Өлшем
бірлігі
Енгізуге дейін Енгізуден кейін
1
2
3
4
5
2544000
5088000
2074250
15349450000
41418246,4
30697023360
1
Қондырғы өнімділігі
т/жыл
2
Мақсатты өнім өндіру
- өнімнің заттай көрінісі
- өнімнің құнға
шаққандағы қатынасы
тонна
теңге
3
Қызметкер саны
адам
22
22
4
Еңбек өнімділігі
т/адам
81986,18
94284,09
5
Күрделі жұмсалым
теңге
1353076218,72
1481000000
6
Өнім бірлігінің өзіндік
құны
теңге
8544,33
11928,8
7
Жылдық экономикалық
нәтиже
теңге
19863349880
39724271246
8
Өтелімділік мерзімі
жыл
4,2
3,3
English     Русский Rules