Задачи проекта
Выбор аппаратов защиты
Спасибо за внимание!
967.39K
Category: industryindustry

Презентация

1.

ФГБОУ ВО «Псковский государственный университет»
Передовая инженерная школа гибридных технологий в станкостроении
Союзного государства
Отделение электроэнергетики, электропривода и систем автоматизации
ВЫПУСКНАЯ КВАЛИФИКАЦИОННАЯ РАБОТА БАКАЛАВРА
Реконструкция воздушной линии 0,4 кВ №4 от закрытой трансформаторной
подстанции №1379 д. Подборовье Псковского района Псковской области
Студент: Добровольская Д.А.
Руководитель работы: Бандурин И.И.
Псков
2026

2.

Р-0,4 ПН-2 ВЛ-0,4 кВ
100 А
Л
1
Л
ЗТП-1379/2x250
Подборовье
СИП 4x50
2
ВЛ-0,4 кВ
С-Петербург-Киев
4
дорога
8
7
14
27
30
29
4A-35
28
27
26
25
24
23
ВЛ-0,4 кВ
ВЛ-10 кВ
Л. 217-04
9
21
13
12
11
10
19
22
4A-35
ВЛ-10 кВ Л. 217-04
31
34
17
35
38
37
18
36
39
40
д. Торошино
32
5
6
15
33
ВЛ-0,4 кВ
3
41
42
43
44
45
ВКР.26.22143045.01 Э4
Лит.
Изм Лист
докум
Разраб.
Добровольская Д.А.
Пров.
Бандурин И.И.
Подпись Дата
Принципиальная схема
ВЛ 0,4 кВ до реконструкции
Лист 1
Т.контр
Н.контр
Федоров Д.С.
Утв
Бандурин И.И.
Масса
Масштаб
У
Листов 3
ПсковГУ
Группа 1434-07С
2

3. Задачи проекта

1) Выполнить расчёт электрических нагрузок;
2) Выбрать мощность и тип трансформатора на ТП;
3) Выбрать тип и сечение линий 0,4 кВ;
4) Сделать расчёт потери напряжения на линии;
5) Выполнить расчёт токов однофазного короткого замыкания на землю;
6) Сделать выбор аппаратов защиты;
7) Выбрать опоры ВЛИ 0,4 кВ;
8) Выполнить расчёт заземляющего устройства опор ВЛИ 0,4 кВ;
9) Выбрать счётчик электрической энергии;
10) Рассчитать срок окупаемости проекта;
11) Разработать мероприятия по охране труда и технике безопасности.
3

4.

Расчёт электрических нагрузок ТП
Расчет нагрузки потребителей выполнен на основе данных об удельной
нагрузке, взятой из таблицы 7.1 СП 31-110-2003.
Таблица Суммарная расчетная нагрузка
Коэффициенты
Потребители
17 однофазных
потребителей
по 10 кВт
Кол-во
потребител
ей, n
Руд, кВт
Руст,
кВт
17
10
170
Расчетная нагрузка
Кс
Ко
сosφ
tgφ
Ррасч.,
кВт
Qрасч.,
кВАр
Sрасч.,
кВА
0,80
0,27
0,96
0,29
36,72
10,71
38,25
4

5.

Выбор трансформаторной подстанции
Мощность устанавливаемого трансформатора должна удовлетворять условию
SТР
S расч.
k загр
38, 25
42,5 кВА.
0,9
На трансформаторной подстанции выбираем трансформатор марки
ТМГСУ-63/10-У1.
Таблица – Технические характеристики трансформатора
Мощность
трансформатора,
Sном.тр, кВА
63
Тип
ТМГСУ
-63/10У1
Схема
соединения
У/Ун-0
Пределы
регулирования
напряжения
±2 2,5
Каталожные данные
Uном обмоток,
кВ
ВН
НН
10,5
0,4
uк,
%
Pк,
Pх,
кВт
Iх ,
%
4,5
1,28
0,22
1,76
кВт
5

6.

Выбор силовых проводов
Таблица Выбор марки провода для магистрали линии №4 от ЗТП №1379

Участок
Расчётный ток,
А
Сечение по эконом.
плот. тока, мм2
Принятая марка провода
1
ЗТП-7
38,74
20,39
95
2
7-14
63,31
33,32
95
3
14-15
25,32
13,33
50
4
14-16
37,98
19,99
95
5
16-18
25,32
13,33
95
6
Потребитель 10 кВт
12,66
6,66
50
Согласно пункту п.2.4.14 ПУЭ для ВЛ до 1 кВ минимальное сечение
провода для II района с нормативной стенкой толщины гололеда 15 мм и
провода из термообработанного алюминиевого сплава – 50 мм2 [6]. С
учетом требований ПУЭ, условия равенства сечений в магистрали и
большой протяженности линии принимаем для первого участка провод
марки СИП-2 сечением 95 мм2.
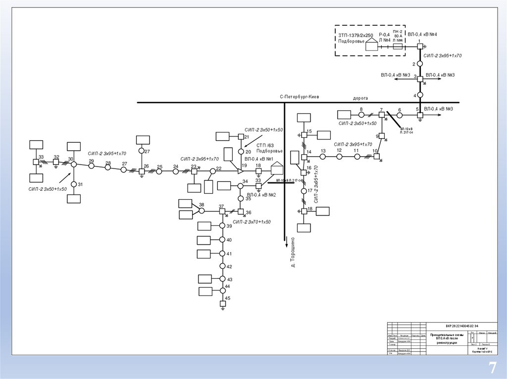
6

7.

ПН-2
Р-0,4 80 А
Л
Л
ЗТП-1379/2x250
Подборовье
ВЛ-0,4 кВ
1
СИП-2 3x95+1х70
2
ВЛ-0,4 кВ
С-Петербург-Киев
ВЛ-0,4 кВ
3
4
дорога
8
7
5
6
ВЛ-0,4 кВ
СИП-2 3x50+1х50
СИП-2 3x50+1х50
ВЛ-10 кВ
Л. 217-04
15
9
21
СИП-2 3x50+1х50
30
29
28
20
СИП-2 3x95+1х70
27
26
25
24
23
СТП /63
Подборовье
ВЛ-0,4 кВ
19
18
22
34
31
33
16
ВЛ-10 кВ Л. 217-04
17
ВЛ-0,4 кВ
35
38
37
40
41
42
СИП-2 3x95+1х70
12
11
10
18
36
39
13
14
СИП-2 3x95+1х70
32
27
СИП-2 3x70+1х50
д. Торошино
33
СИП-2 3x95+1х70
43
44
45
ВКР.26.22143045.02 Э4
Изм Лист
докум
Разраб.
Добровольская Д.А.
Пров.
Бандурин И.И.
Т.контр
Н.контр
Федоров Д.С.
Утв
Бандурин И.И.
Подпись Дата
Принципиальные схемы
ВЛ 0,4 кВ после
реконструкции
Лит.
Масса
Масштаб
У
Лист 2
Листов 5
ПсковГУ
Группа 1434-07С
7

8.

Определение потерь напряжения на участках линий
N
Расчетная Расчетная
Длина
активная реактивная расчетного
Расчетный нагрузка
нагрузка
участка
участок
1
ЗТП-7
2
3
4
5
7-14
14-15
14-16
16-18
Всего
Удельное
активное
сопротив
ление
провода
Расчет на потерю
напряжения
Удельное
индуктивное
на
на
сопротивлен расчетн расчетн
ие провода
ом
ом
участке участке
от ТП,
%
Ррасч
Qрасч.
l
Rуд.
Xуд.
Uуч.
Uуч.
U
кВт
24,48
кВАр
7,14
км
0,280
Ом/км
Ом/км
В
%
%
0,411
0,073
7,80
2,05
2,05
40,00
16,00
24,00
16,00
11,67
4,67
7,00
4,67
0,240
0,040
0,040
0,080
0,411
0,411
0,411
0,411
0,073
0,073
0,073
0,073
10,92
0,73
1,09
1,46
2,87
0,19
0,29
0,38
4,93
5,12
5,40
5,79
5,79
U п 5,79% 6%.
Напряжение на зажимах наиболее удаленного электроприемника лежит
в пределах, установленных РД 34.20.185-94 п.5.2.4., на допустимые потери
напряжения.
8

9.

Определение потерь в линии
N
Расчетный
участок
Удельное
активное
сопротивление
провода
Длина
расчетного
участка
Активное
сопротивление
провода
Расчетный
ток
Потери
электроэнергии
Rуд.
l
R
Iрасч.
Wрасч.
Ом/км
км
Ом
А
тыс. кВт час
1
ЗТП-7
0,411
0,280
0,115
38,74
1,55
2
7-14
0,411
0,240
0,099
63,31
3,56
3
14-15
0,822
0,040
0,033
25,32
0,19
4
14-16
0,411
0,040
0,016
37,98
0,21
5
6
16-18
7-8
Всего
0,411
0,822
0,080
0,040
0,033
0,033
25,32
12,66
0,19
0,05
5,75
Найдем относительные потери электроэнергии в линии за год
Wотн. Л 4
WабсЛ 4
5,75
100
100 4,79 %.
W Л 4
120
Результаты расчёта показали низкий уровень потерь в распределительной линии.
9

10.

Расчёт токов однофазного короткого
замыкания
Расчёт однофазного тока короткого замыкания ведем в соответствии с
ГОСТ 28249-93 «КОРОТКИЕ ЗАМЫКАНИЯ В ЭЛЕКТРОУСТАНОВКАХ
ПЕРЕМЕННОГО ТОКА НАПРЯЖЕНИЕМ ДО 1 КВ». Величину однофазного
тока короткого замыкания находим по формуле
I К(1)



3
,
Таблица Результаты расчёта тока короткого замыкания для линии №4 от ЗТП
№1429
Место КЗ
Сопротивление
трансформатора, Ом
Сопротивление линии,
Ом
Ток ОКЗ, А
Опора №7
0,104
0,12
1049,8
Опора №18
0,104
0,28
599,77
10

11. Выбор аппаратов защиты

Для защиты всех линий
предусматривается установка
автоматического выключателя
ВА88-32 с Iном на 80 А.
Условие по току выполнено:
80 А 1,1 63, 31 69,64 А.
tср=3 c
Условие по времени
срабатывания выполнено:
3 c 5 c.
IКЗ=4,18 о.е.
11

12.

ВКР.26.22143045.05 Э4
Лит.
Изм Лист
докум
Разраб.
Добровольская Д.А.
Пров.
Бандурин И.И.
Подпись Дата
Заземляющее устройство
СТП-10/0,4 кВ
Н.контр
Федоров Д.С.
Утв
Бандурин И.И.
Масса
Масштаб
У
Лист 5
Т.контр
Листов 5
ПсковГУ
Группа 1434-07С
12

13.

Выбор трехфазного микропроцессорного счётчика
электрической энергии
Класс
точности
Условное
Номин.
Номин.
при
интерфейс
обозначение напряжение, ( макс.) измерении
связи
счетчика
В
ток, А
активной/
реактивной
энергии
Меркурий
234
ARTMX2-02
(D)POBR.G
3x230/400
5 (100)
1/2
Оптопорт,
RS-485,
CSD/GSM/
GPRS, реле
13

14.

Технико-экономические показатели
Показатели
Величина
Установленная мощность трансформаторов
313 кВА
Капитальные затраты на проектирование
46,8 тыс. руб.
Капитальные затраты на проект
3146,02 тыс. руб.
Годовые эксплуатационные издержки
299,81 тыс. руб.
Годовой экономический эффект
1070,9 тыс. руб.
Срок окупаемости
2,94 лет
14

15.

Охрана труда и экология
1. Транспортировка грузов
2. Защита от перенапряжений, заземление
3. Охрана окружающей природной среды
4. Охрана труда и техника безопасности. Противопожарные мероприятия
и пожарная защита
5. Организация эксплуатации электроустановок
15

16.

Заключение
В связи с переподключением существующих потребителей в
выпускной квалификационной работе бакалавра был выполнен проект
реконструкции воздушной линии №4 0,4 кВ, расположенной в Псковском
районе, д. Подборовье.
Разработаны принципиальные схемы электроснабжения, устройства
заземления, выбраны опоры ВЛИ 0,4 кВ, провода, трансформатор и
аппараты защиты.
Выполнен
организационно-экономический
расчёт
и
даны
рекомендации по охране труда и экологии. Срок окупаемости проекта
ВЛИ 0,4 кВ для присоединения потребителей Псковского районо, д.
Подборовье к электрическим сетям составляет 2,94 лет. Таким образом,
проект системы электроснабжения экономически целесообразен и
полностью окупает все затраты.
16

17. Спасибо за внимание!

English     Русский Rules