Общие сведения о месторождении
Геолого-промысловая характеристика продуктивных пластов
Сведения о запасах углеводородов
Характеристика текущего состояния разработки месторождения
Техника и технология добычи УВС
МАРКШЕЙДЕРСКОЕ ОБЕСПЕЧЕНИЕ МЕСТОРОЖДЕНИЯ
Техническая и программная оснащенность маркшейдерской службы Сыньеганского месторождения
Маркшейдерско-геодезические сети
Маркшейдерско-геодезические работы при обустройстве и эксплуатации месторождений нефти и газа
Маркшейдерская съемка
Маркшейдерско-геодезические работы при бурении скважин
Строительство буровой вышки
Создание проекта наблюдательной станции для мониторинга деформаций объектов на Сыньеганском нефтяном месторождении
Проект наблюдательной станции для мониторинга деформаций РВС
Организация наблюдательной станции
Методика маркшейдерского мониторинга оседаний фундаментов РВС 3000
Методика наблюдений за вертикальностью стенок РВС 3000
Расчет прогнозных зон оседаний земной поверхности в районе Северо-Селияровской промплощадки
ВЫВОД
3.14M

ВКР Таминдаров М.Т. (1)

1.

МИНИСТЕРСТВО НАУКИ И ВЫСШЕГО ОБРАЗОВАНИЯ РОССИЙСКОЙ ФЕДЕРАЦИИ
ФЕДЕРАЛЬНОЕ ГОСУДАРСТВЕННОЕ БЮДЖЕТНОЕ ОБРАЗОВАТЕЛЬНОЕ УЧРЕЖДЕНИЕ ВЫСШЕГО
ОБРАЗОВАНИЯ
УРАЛЬСКИЙ ГОСУДАРСТВЕННЫЙ ГОРНЫЙ УНИВЕРСИТЕТ
ВЫПУСКНАЯ КВАЛИФИКАЦИОННАЯ РАБОТА
«Создание проекта наблюдательной станции для мониторинга
деформаций объектов на Сыньеганском нефтяном
месторождении»
Факультет: Заочного обучения
Направление/Специальность:
21.05.04 Горное дело
Профиль/Специализация:
Маркшейдерское дело
Студент: (подпись)
Ф.И.О. Таминдаров Марат Тальгатович
Группа: МДз-21-1у
Руководитель:______________(подпись)
Ф.И.О. Шмонин Андрей Борисович
Квалификация:
Горный инженер
1
Кафедра: Маркшейдерского дела
Екатеринбург – 2026

2. Общие сведения о месторождении

Месторождение расположено на территории Сыньеганского участка
недр, недропользователем которого является ПАО «Сургутнефтегаз»
( Российская Федерация, Тюменская область, Ханты-Мансийский
автономный округ - Югра, г. Сургут). Сыньеганское месторождение
было открыто в 1985 году скважиной № 1 «Главтюменьгеологии».
2

3. Геолого-промысловая характеристика продуктивных пластов

3
Геологический разрез
Структурная карта по кровле пласта ЮК0-1

4. Сведения о запасах углеводородов

Состояние запасов нефти
Состояние запасов растворенного газа
4

5. Характеристика текущего состояния разработки месторождения

ХАРАКТЕРИСТИКА ТЕКУЩЕГО СОСТОЯНИЯ
РАЗРАБОТКИ МЕСТОРОЖДЕНИЯ
• По состоянию на 01.01.2025 в разработке находится два
эксплуатационных объекта - ЮК0-1 (баженовские
продуктивные отложения) и ЮК2-4 (продуктивные
отложения тюменской свиты).
• По состоянию на 01.01.2025 на месторождении числится
44 скважины, в том числе: добывающих – 19,
нагнетательных – 7, контрольных - 1, водозаборных - 4,
ликвидированных – 13. В отработке на нефть числятся 8
нагнетательных скважин. По состоянию на 01.01.2025 с
начала разработки на Сыньеганском месторождении
отобрано: нефти - 164 тыс.т, жидкости - 207 тыс.т. С целью
поддержания пластового давления в пласты закачано 185
тыс.м3 воды.
5

6. Техника и технология добычи УВС

6
Принципиальная схема оборудования и сооружений в пределах куста скважин 1 - скважина добывающая; 2 - скважина
нагнетательная; 3 - скважина водозаборная

7.

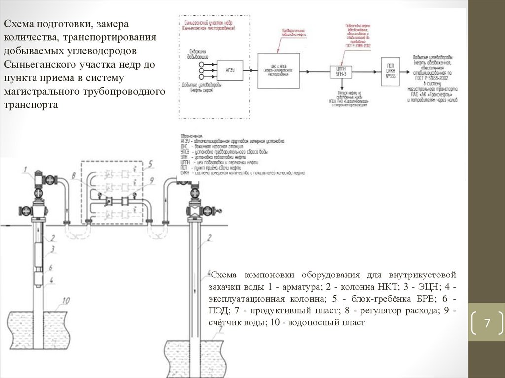
Схема подготовки, замера
количества, транспортирования
добываемых углеводородов
Сыньеганского участка недр до
пункта приема в систему
магистрального трубопроводного
транспорта
Схема компоновки оборудования для внутрикустовой
закачки воды 1 - арматура; 2 - колонна НКТ; 3 - ЭЦН; 4 эксплуатационная колонна; 5 - блок-гребёнка БРВ; 6 ПЭД; 7 - продуктивный пласт; 8 - регулятор расхода; 9 счётчик воды; 10 - водоносный пласт
7

8.

Принципиальная технологическая схема нефтегазопроводов и
нефтепровода Сыньеганского месторождения
8

9. МАРКШЕЙДЕРСКОЕ ОБЕСПЕЧЕНИЕ МЕСТОРОЖДЕНИЯ

В целях реализации основной задачи служба главного маркшейдера
осуществляет следующие основные функции:
• осуществляет планирование работы в соответствии с годовым планом
развития горных работ (годовой программой работ) и установленными
требованиями;
• осуществляет
своевременное
и
качественное
проведение
предусмотренного
нормативными
требованиями
комплекса
маркшейдерских работ, достаточных для обеспечения безопасного
ведения работ, связанных с пользованием недрами, наиболее полного
извлечения из недр запасов полезных ископаемых, обеспечения
технологического цикла горных, строительно-монтажных и иных видов
работ, а также для прогнозирования опасных ситуаций при ведении таких
работ;
• осуществляет производство маркшейдерско-геодезических работ в строгом
соответствии с техническим проектом производства маркшейдерскогеодезических работ и годовыми программами;
• проводит в пределах своей компетенции проверки соответствия
фактического и планового ведения горных работ, соблюдения технических
проектов и технологической дисциплины, параметров горных выработок,
выполнения указаний работников службы;
• осуществляет
своевременное
и
качественное
маркшейдерское
обеспечение работ при проектировании, строительстве, эксплуатации,
реконструкции, консервации или ликвидации объектов по добыче нефти и
газа, общераспространенных полезных ископаемых, а также подземных и
наземных сооружений, не связанных с добычей полезных ископаемых;
• осуществляет контроль за правильностью разработки месторождений
полезных ископаемых, соблюдением требований по рациональному
использованию и охране недр в пределах компетенции;
• организует ведение мониторинга состояния недр и геодинамических
процессов методом реализации проектов геодинамических полигонов;
• осуществляет определение и своевременное нанесение на горную
графическую документацию опасных зон (санитарно-защитных, буферных,
охранных зон);
9

10. Техническая и программная оснащенность маркшейдерской службы Сыньеганского месторождения

НГДУ «Лянторнефть»

1
2
3
4
1
2
3
4
5
6
7
8
9
10
Электронный тахеометр Topcon
2
ES105L
Спутниковый приемник Trimble
3
R8GNSS
Нивелир Sokkia B-40
1
Трассоискатель VIVAX VLOCPRO3
SD-10W-GPS
НГДУ «Сургутнефть»
Нивелир Topcon AT-G6
2
Нивелир Topcon AT-G7
1
Тахеометр электронный Topcon
1
GPT-3105N
Тахеометр электронный Topcon
1
ES-105L
Тахеометр электронный Leica
1
TS09PLUS R1000
Спутниковый приемник R8GNSS
3
Дальномер лазерный Leica DISTO
1
D5
Тахеометр электронный Topcon
1
GTS-235N
Трассоискатель FM 9890
1
Трассоискатель Radiodetection
1
RD7000DL
2014
Описание
1
продукт
CREDO_TER
2
3
CREDO_DAT
CREDO ТРАНСКОР
4
CREDO ТРАНСФОРМ
5
CREDO ТОПОПЛАН
6
CREDO ОБЪЕМЫ
7
CREDO КОНВЕРТЕР
8
AutoCAD
9
MapInfo
2013, 2015, 2016
2011
10
GeoMedia
2006
11
Trimble Business Center
Для обработки и получения результатов GPS-измерений
12
Topcon Image Master
Для камеральной обработки полевых измерений
13
14
Leica Infinity
Для камеральной обработки полевых измерений
ПО Сервер базовых
Получение данных (в том числе поправок) с базовых станций для
GPS/ГЛОНАСС базовых
выполнения комплекса топографогеодезических работ
станций (Trimble® VRS3Net
Advanced)
Земельно
Оформление межевых планов, карта-планов, актуализация БД земельных
информационная
участков
система
Полигон
Составление технических планов для последующей регистрации объектов
имущества
2007, 2011, 2016
2011
2014
2009
2009
2011
2013
п/п
Программный
2014
2009
2011
15
16
17
ИС «Фонд изысканий»
Камеральная обработка инженерно-геодезических работ, формирование
цифровой модели местности
Камеральная обработка полевых измерений
Для трансформации геоцентрических, геодезических и прямоугольных
координат
Для метрически корректной трансформации растрового изображения
Камеральная обработка инженерно-геодезических работ, формирование
цифровой модели местности
Для автоматизированного моделирования поверхностей и определения
объемов
Для автоматизированного обмена данными между системами на
платформе CREDO
Рассмотрение и согласование проектируемых объектов строительства,
капитального ремонта, реконструкции, подготовка чертежей,
проектирование маркшейдерских работ
Графическое построение земельных участков, оформление земельных
дел, составление схем границ земельных (лесных) участков, чертежей
градостроительных планов, расчет координат и данных для бурения
скважин, ведение баз данных по фонду скважин, оформление
топографических планов горных отводов, составление отчетов и схем для
подразделений управления
Формирование слоев техногена, капитального ремонта и капитального
строительства в БД ГИС ОАО «Сургутнефтегаз», графических данных для
ПО «Экстра», БД ЗИС, Полигон, «Классификатора объектов», составление
отчетов и схем, формирование графической части технических планов
Обеспечение формирования единой базы данных геодезических
материалов на территории деятельности ОАО «Сургутнефтегаз».
10

11. Маркшейдерско-геодезические сети

На территории
производственнохозяйственной деятельности
Сыньеганского
месторождения по
состоянию на 2025 г.
имеются:
804 пункта ГГС 1-4 классов;
81 пункт ГНС I-III классов;
628 пунктов ОМС.
Система высот установлена Балтийская 1977 г.
11

12. Маркшейдерско-геодезические работы при обустройстве и эксплуатации месторождений нефти и газа

Геодезические разбивочные работы при строительстве
зданий (сооружений)
Состав работ на начальном этапе строительства:
• вынос в натуру проектных осей зданий и сооружений;
• разбивка осей примыкающих к ним подземных
коммуникаций;
• определение высотных отметок реперов;
• контроль глубины котлована;
• проверка горизонтальности подушки фундамента,
размеров и формы фундамента;
• проверка правильности установки свайного основания,
опалубки и анкерных проемов.
12

13. Маркшейдерская съемка

13
Сводный маркшейдерский план горных работ

14. Маркшейдерско-геодезические работы при бурении скважин

Фонд скважин по состоянию на 01.02.2020
НГДУ
Нефтя
Нагнета
Водоза Газовый
ной
тельный
борный
Контрольный
В
В
(наблюдательный, консер
ликви
пьезометрический) вации
дации
В ожидании Итого по
ликвидации фонду
Сургутнефть
3257
1534
115
0
798
346
627
21
6698
Федоровскнефть
3236
1904
192
5
1423
804
991
357
8912
Лянторнефть
4307
1793
51
0
686
340
806
0
7983
Комсомольскнефть
2855
1406
52
2
802
277
523
77
5994
Нижнесортымскнефть
5169
2342
117
2
1335
261
629
1
9856
Быстринскнефть
3408
1243
47
0
411
449
808
35
6401
Талаканнефть
782
342
72
1
44
0
245
0
1486
ОАО «Сургутнефтегаз»
23 014
10 564
646
10
5499
2477
4629
491
47330
Работы по перенесению в натуру проектного положения устьев разведочных
скважин производят в следующей последовательности:
• подбор топографо-геодезических, маркшейдерско-геодезических и
аэрокосмических материалов;
• подготовка геодезических исходных данных для выноса проекта в натуру;
• перенесение в натуру и закрепление на местности проектных положений
устьев разведочных скважин;
• документирование передачи устьев разведочных скважин.
14

15. Строительство буровой вышки

В комплекс контрольных
измерений при строительстве
буровой вышки входят:
• контроль закрепления
разбивочных осей;
• плановая и высотная выверка
фундаментов;
• плановая и высотная выверка
опорных конструкций
(фундаментных балок, рам
дизельных агрегатов и др.);
• плановая и высотная выверка
оборудования;
• выверка вертикальности
шахтного направления;
• выверка соосности буровой
вышки, ротора и шахтного
направления.
Схема привязки бурового станка:
Т.1, Т.2 - места координирования, для
расчета дирекционного угла мостков;
Т.4 - Т.7 - места установки вех для
координирования условной оси внутренней
грани;
Т.3 - веха устанавливается на верх роторного
барабана (определение альтитуды ротора);
Т.8 - для координирования устья скважины
15

16. Создание проекта наблюдательной станции для мониторинга деформаций объектов на Сыньеганском нефтяном месторождении

Наблюдения за деформациями стальных вертикальных
цилиндрических резервуаров (РВС) и их оснований возможно
выполнять следующими методами:
• геометрическим (в особых случаях гидростатическим)
нивелированием, с помощью которого определяют
деформации в вертикальной плоскости;
• стереофотограмметрическим, с помощью которого
определяют деформации во всех плоскостях;
• угловой засечкой;
• полярной пространственной засечкой (с использованием
электронного тахеометра в безотражательном режиме);
• лазерного сканирования или с использованием
сканирующих тахеометров.
16

17. Проект наблюдательной станции для мониторинга деформаций РВС

Задачи
маркшейдерских
наблюдений
за
деформациями РВС 300:
- осуществления периодического контроля за
соблюдением
установленных
геометрических
соотношений элементов РВС 3000 в процессе их
эксплуатации;
- наблюдения за осадками фундаментов и
деформациями стенок (отклонением от вертикали)
РВС 3000 с целью обеспечения их эксплуатационной
надежности;
- получения данных для своевременного
предупреждения,
возникающих
разрушения,
Схематический чертёж резервуара РВС 3000
предотвращения
деформаций,
загрязнение
причин
способных
окружающей
вызвать
природной
среды и взрывопожароопасные ситуации при их
критических значениях;
- оповещение технических эксплуатационных
служб при достижении величин деформаций более
60% от критического (допустимого) значения.
17

18. Организация наблюдательной станции

Конструкция центров пунктов ОМС и
опорных
реперов
(тип
150
оп
и
опознавательного знака)
18
Расположение грунтовых реперов и
резервуаров РВС 3000 на промплощадке

19.

Схема проекта развития ОМС для создания
наблюдательной станции мониторинга
деформаций фундаментов и стенок РВС
3000
Сторона сети
Длина вектора , км
К 17 - ОМС 1
2,920
К 17 - ОМС 2
2,500
Лукъявин - ОМС 2
4,690
Лукъявин - ОМС 3
3,980
641 Р - ОМС 4
5,100
641 Р - ОМС 1
4,940
Лувъяунтор - ОМС 3
5,570
Лувъяунтор - ОМС 4
5,170
ОМС 4 - ОМС 3
0,860
ОМС 4 - ОМС 1
0,940
ОМС 2 - ОМС 3
0,860
ОМС 1 - ОМС 2
0,490
ОМС 1 - ОМС 3
1,170
К 17 - ОМС 3
2,730
641 Р - К 17
7,600
641 Р - Лувъяунтор
7,430
Расстояния
определяемыми
между
исходными
пунктами
запроектированной сети развития ОМС
и
в
19

20.

• СКОв в планет отдельного пунктацияПП 1 координаты,й которого
определеный с помощью GPS– приемника, вычисляются под формуле
Мп.п =
2
2
English     Русский Rules