Нанесение размеров плоской детали
329.33K

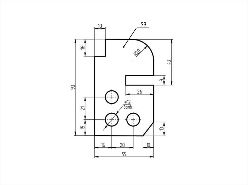
3.2 Нанесение размеров на пластине(2)(2)

1. Нанесение размеров плоской детали

Этапы выполнения задания
1.Изучить строение детали и определить ее конструктивные элементы.
2.Нанести размеры каждого конструктивного элемента.
3. Нанести размеры, определяющие расположение каждого конструктивного
элемента на детали.
4.Нанести габаритные размеры детали: общая высота, ширина и толщина.
Эти размеры располагаются дальше всего от контура детали.

2.

1. Определяем все конструктивные элементы детали.
Вырез
Сопряжение
Вырез
Отверстия
Фаска

3.

2. Наносим размеры конструктивных элементов.

4.

2.1. Наносим размеры вырезов.
Вырез
Вырез

5.

2.2. Наносим радиус сопряжения.
Сопряжение

6.

2.3. Наносим диаметр отверстий и их количество.
Отверстия

7.

2.4. Наносим размеры фаски.
Фаска

8.

3. Наносим размеры, определяющие расположение каждого
конструктивного элемента детали

9.

3.1. Наносим размер, определяющий расстояние от выреза до края детали.

10.

3.2. Наносим размеры, определяющие расстояние по вертикали
между центрами отверстий и расстояние от центра отверстия до края детали.

11.

3.2. Наносим размеры, определяющий расстояние по горизонтали
между центрами отверстий и расстояние от центра отверстия до края детали.

12.

4. Наносим габаритные размеры детали. Это общая высота, ширина и
толщина детали.

13.

Толщина детали – 3мм
S3
Высота детали
Ширина детали

14.

S3
English     Русский Rules