Архитектуры процессорных систем
План лекции
– абстрактная модель функциональных возможностей процессора (средства, которыми может пользоваться программист / функциональная
Особенности архитектуры RISC-V
RISC-V инструкции
Кодирование инструкций RISC-V
Кодирование инструкций RISC-V
Представление программы в памяти
– физическая модель, которая устанавливает состав, порядок и принципы взаимодействия основных функциональных частей процессора
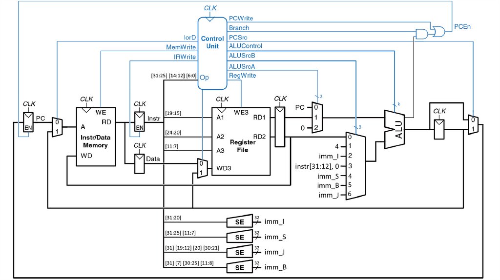
Микроархитектуры
Микроархитектуры
Микроархитектуры
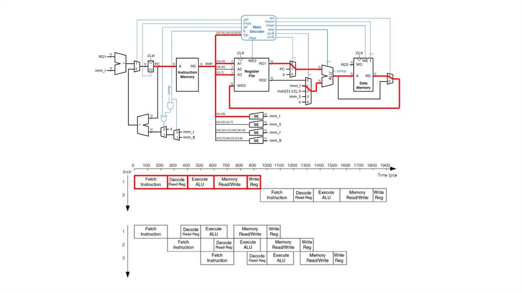
Конвейер команд
Однотактный тракт данных
Конвейерный тракт данных
Пример
Пример
Пример
Пример
Пример
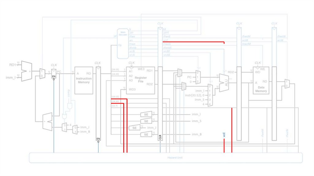
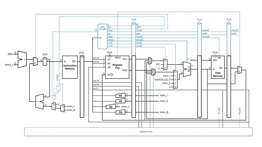
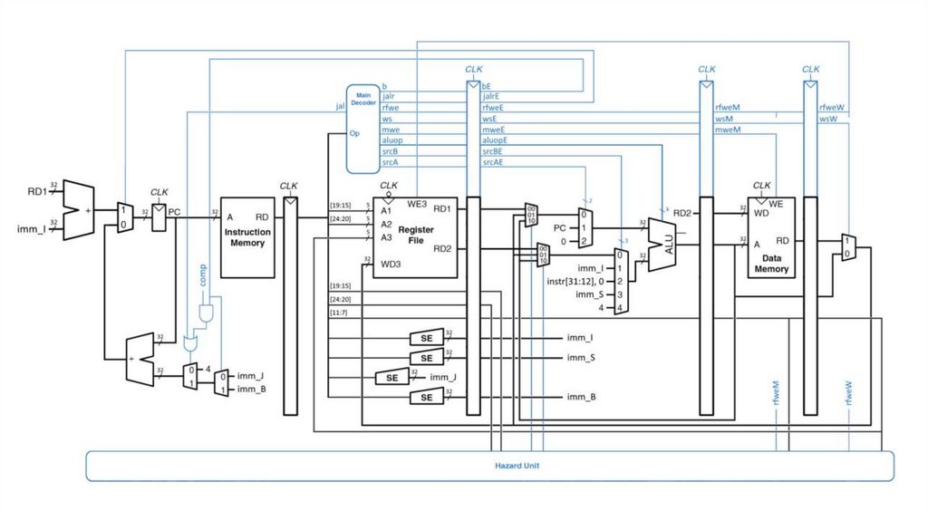
Конвейерный тракт данных (-)
Конвейерный тракт данных (+)
Конфликт по данным
Конфликт по данным
Конфликт по данным
Конфликт по данным
Конфликты конвейера
Производительность конвейера
Оценка производительности
Оценка производительности
Оценка производительности
8.13M
Category: programmingprogramming

Л09. Синтез конвейерного процессора

1. Архитектуры процессорных систем

Лекция 9. Конвейерный процессор RISC-V
Цикл из 16 лекций о цифровой схемотехнике, способах построения и архитектуре компьютеров

2. План лекции


RISC-V

3. – абстрактная модель функциональных возможностей процессора (средства, которыми может пользоваться программист / функциональная

организация)
3

4. Особенности архитектуры RISC-V


• x0 = 0
2^
^32

5. RISC-V инструкции


• Register-register
op dest, src1, src2
• Register-immediate op dest, src1, const
• lw dest, offset(base)
• sw src, offset(base)
jal label
jalr offset(base)
comp src1, src2, label

6.

7. Кодирование инструкций RISC-V

8. Кодирование инструкций RISC-V

9. Представление программы в памяти

10. – физическая модель, которая устанавливает состав, порядок и принципы взаимодействия основных функциональных частей процессора

(структурная организация)
10

11. Микроархитектуры


12.

lw
наибольший критический путь у инструкции lw

13.

add
крит. путь lw > add

14. Микроархитектуры


15.

16. Микроархитектуры


17.

18. Конвейер команд

19. Однотактный тракт данных

20. Конвейерный тракт данных

Fetch
Decode
Execute
Memory
Writeback

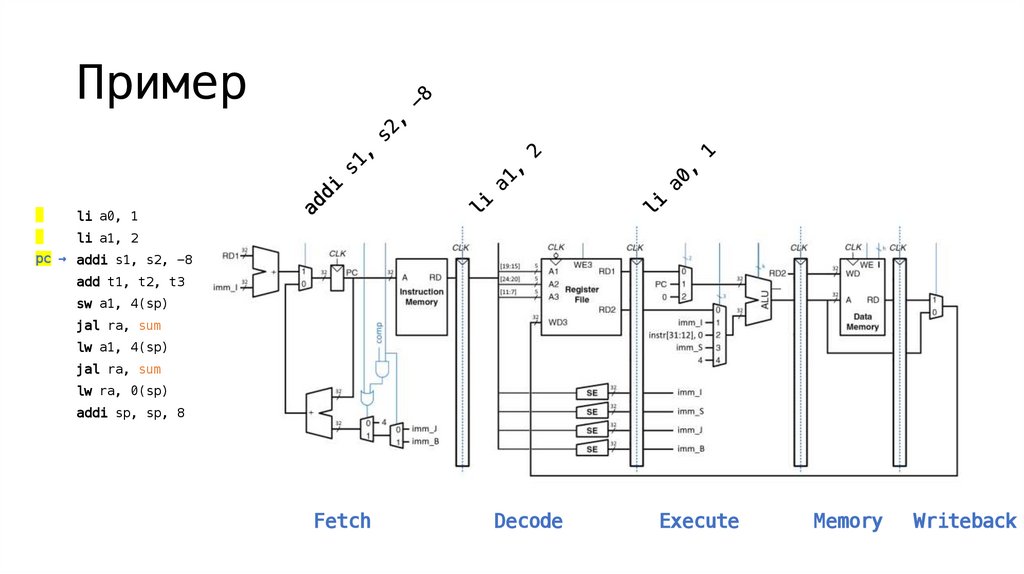
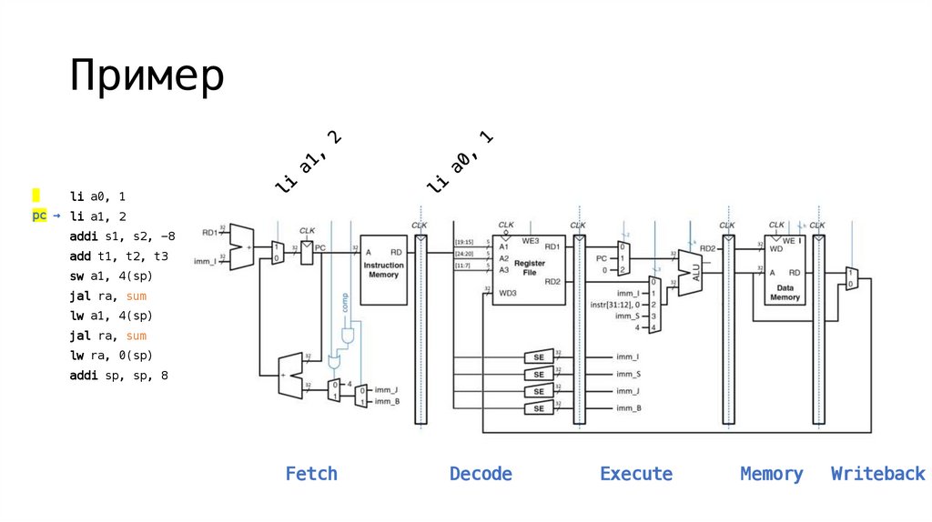
21. Пример

pc → li a0, 1
li a1, 2
addi s1, s2, -8
add t1, t2, t3
sw a1, 4(sp)
jal ra, sum
lw a1, 4(sp)
jal ra, sum
lw ra, 0(sp)
addi sp, sp, 8
Fetch
Decode
Execute
Memory
Writeback

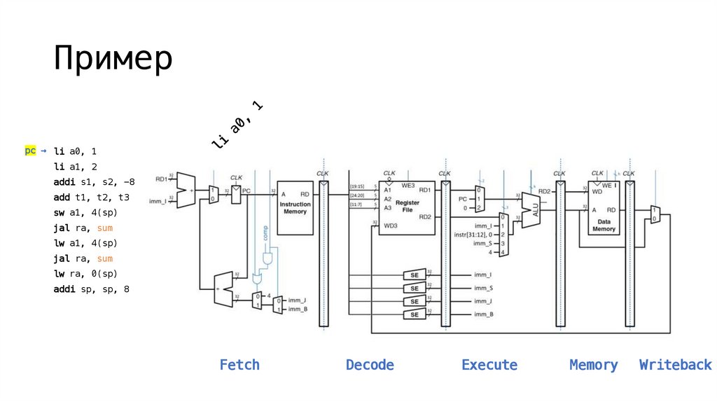
22. Пример

li a0, 1
pc → li a1, 2
addi s1, s2, -8
add t1, t2, t3
sw a1, 4(sp)
jal ra, sum
lw a1, 4(sp)
jal ra, sum
lw ra, 0(sp)
addi sp, sp, 8
Fetch
Decode
Execute
Memory
Writeback

23. Пример

li a0, 1
li a1, 2
pc → addi s1, s2, -8
add t1, t2, t3
sw a1, 4(sp)
jal ra, sum
lw a1, 4(sp)
jal ra, sum
lw ra, 0(sp)
addi sp, sp, 8
Fetch
Decode
Execute
Memory
Writeback

24. Пример

li a0, 1
li a1, 2
addi s1, s2, -8
pc → add t1, t2, t3
sw a1, 4(sp)
jal ra, sum
lw a1, 4(sp)
jal ra, sum
lw ra, 0(sp)
addi sp, sp, 8
Fetch
Decode
Execute
Memory
Writeback

25. Пример

li a0, 1
li a1, 2
addi s1, s2, -8
add t1, t2, t3
pc → sw a1, 4(sp)
jal ra, sum
lw a1, 4(sp)
jal ra, sum
lw ra, 0(sp)
addi sp, sp, 8
Fetch
Decode
Execute
Memory
Writeback

26. Конвейерный тракт данных (-)

27. Конвейерный тракт данных (+)

28.

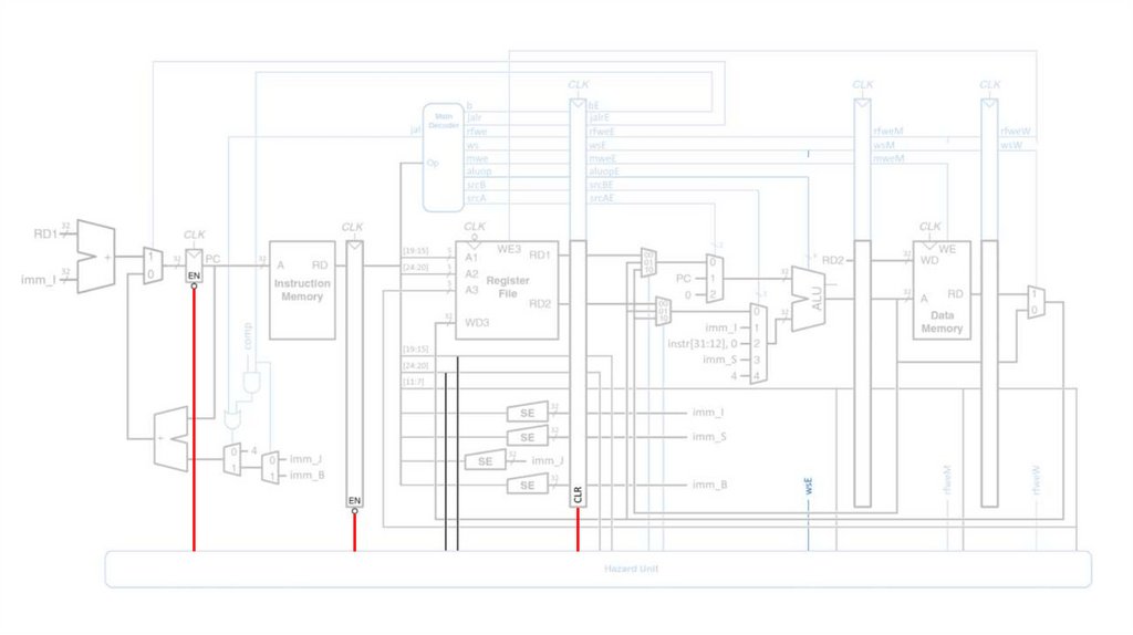
29. Конфликт по данным

30. Конфликт по данным

31.

32.

33.

34.

35.

36.

37. Конфликт по данным

38. Конфликт по данным

39.

40.

41.

42.

+

43. Конфликты конвейера

mul s1, s1
add s3, t1, t2
mul t2, t4
sub s4, s3, s1
mul t1, t3
or
s5, s3, t2
По управлению
if(a < b)
По данным
pc == {if or else}?
Структурные

44. Производительность конвейера


-
Nконв = Nидеальный + Nстр + Nдан + Nупр

45. Оценка производительности

1.15

46. Оценка производительности

Однотактный
Многотактный

47. Оценка производительности

Конвейерный
Tc3 = 550 пс.
English     Русский Rules